Обратный звонок
Видеоконсультация
Похвалить
Пожаловаться
Сообщить об ошибке
Новочеркасск
Магазины
X-MOTORS
О компании
Вакансии
Новости
Статьи
Отзывы
Доставка и оплата
Контакты
Письмо директору
+7 (861) 213-97-97
Маркетплейс для
активного отдыха
Каталог товаров
Каталог
Главная
Вход
Сравнение
Избранное
Каталог
Корзина
Новогодние скидки
Лидеры продаж
Б/У техника
Б/У техника
Мотобуксировщики б/у (с пробегом)
Лодки ПВХ б/у (с пробегом)
Лодочные моторы б/у (с пробегом)
SUP-борды б/у
Квадроциклы б/у (с пробегом)
Мотоциклы б/у (с пробегом)
Снегоходы б/у (с пробегом)
Мототехника
Мототехника
Мотоциклы
Круизеры и чопперы
Спортбайки
Туристические мотоциклы
Нэйкед
Мотард
Детские мотоциклы
Кастомные мотоциклы
Питбайки, кроссовые мотоциклы, эндуро
Питбайки
Кроссовые мотоциклы
Эндуро
Турэндуро (Tour Эндуро)
Мототриал
Трициклы
Мопеды и скутеры
Мопеды
Скутеры
Макси-скутеры
Минибайки
Квадроциклы
Квадроциклы
Утилитарные квадроциклы
Спортивные квадроциклы
Шоссейные квадроциклы
Детские и подростковые квадроциклы
Электроквадроциклы для малышей
Снегоходы
Снегоходы
Туристические снегоходы
Утилитарные снегоходы
Спортивные и горные снегоходы
Детские снегоходы, мотоснегокаты
Миниснегоходы
Мотобуксировщики
Мотобуксировщики
Мотобуксировщики новые
Аксессуары для Мотобуксировщиков
Мотосноуборды
Вездеходы
Вездеходы
Запчасти для Вездеходов
Аксессуары для Вездеходов
Водный транспорт
Водный транспорт
SUP-борды
Лодочные моторы
Лодочные моторы новые
Водометные насадки
Электромоторы, электроякоря
Надувные лодки
Лодки под мотор
Гребные лодки
Аксессуары для катеров и лодок
Комплект лодка+мотор (ВЫГОДНО!)
Пластиковые лодки
Алюминиевые лодки
Гидроциклы
Катера
Классические катера
Каютные катера
Одноконсольные катера
Катера с открытой передней частью
Алюминиевые катера
Комбинированные катера
Стеклопластиковые катера
РИБы
Классические РИБы
Складные РИБы
Катамараны
Рафты
Байдарки
Каноэ
Каяки
Водные велосипеды
Автоприцепы
Прицепы для лодок
Дополнительное оборудование
Аксессуары, расходники для ПЛМ
Сумки для ПЛМ
Тележки для ПЛМ
Детали для дистанционного управления
Винты гребные
Водометные насадки
Аксессуары для катеров и лодок
Насосы
Якорно-швартовое оборудование
Спасательные средства
Оборудование для надувных лодок ПВХ
Системы рулевого и дистанционного управления
Топливная система
Осушительная система
Система пресной воды
Душевая система
Фановая система
Плиты транцевые
Приборы контроля
Палубное оборудование
Дельные вещи
Оборудование для парусных яхт, бегучий такелаж
Держатели спиннинга
Осветительное оборудование
Морская акустика и аксессуары
Стеклоочистители и стекла
Мебель судовая
Фурнитура, предметы интерьера
Ремонт, покраска и уход за судном
Принадлежности для транспортировки
Анодная защита
Запчасти для лодочных моторов
Запчасти для катеров и лодок
Снегоуборщики
UTV, Багги
Мотоэкипировка
Мотоэкипировка
Мотошлемы
Шлемы интеграл
Шлемы модуляр
Шлемы мотокросс
Шлемы эндуро, мотард
Шлемы открытые
Детские мотошлемы
Подшлемники, ветрозащита
Пинлоки
Визоры и запчасти
Мотогарнитуры
Мотоочки
Кроссовые очки
Детские очки
Аксессуары для мотоочков
Мотокуртки
Джерси и футболки
Мотоштаны
Мотоперчатки
Мотообувь
Кроссовые мотоботы
Дорожные мотоботы
Гольфы и носки
Аксессуары для мотоботов
Мотокомбинезоны
Мотозащита
Защита тела
Наколенники, налокотники
Аксессуары для мотозащиты
Зимняя экипировка
Шлемы
Очки
Снегоходная одежда
Повседневная зимняя одежда
Защита
Повседневная одежда
Мотосумки, рюкзаки
Мотодождевики
Велосипеды, самокаты
Велосипеды, самокаты
Велосипеды на литых дисках
Детские велосипеды, беговелы
Двухколесные велосипеды
Трехколесные велосипеды
Четырехколесные велосипеды
Велосипеды с ручкой
Беговелы
Подростковые велосипеды
Складные велосипеды
Горные велосипеды
Двухподвесные велосипеды
Городские, дорожные велосипеды
Женские велосипеды
Шоссейные велосипеды
Циклокроссовые велосипеды
Велосипеды BMX
Комфортные велосипеды
Фэтбайки
Электровелосипеды
Складные электровелосипеды
Городские электровелосипеды
Горные электровелосипеды
Двухподвесные электровелосипеды
Электро фэтбайки
Велосипеды с веломотором
Аксессуары
Аксессуары
Защита двигателя для мотоциклов
Аксессуары для техники STELS
Аксессуары для техники IRBIS
Аксессуары для Мотобуксировщиков
Модули, толкачи
Сани, прицепы
Чехлы, кофры, муфты
Электрические компоненты и ЗИП
Элементы кузова и подвески
Ветровые стекла
Для катеров и лодок
Для квадроциклов и вездеходов
Для мотоциклов и скутеров
Для снегоходов
Выносы шноркелей, радиаторов
Дополнительный свет
Канистры
Кофры (сумки)
Кофры, сумки для Квадроциклов
Кофры, сумки для Мопедов/Скутеров
Кофры, сумки для Мотобуксировщиков
Кофры, сумки для Мотоциклов
Кофры, сумки для Снегоходов
Лебедки
Подкаты, кантователи для снегоходов
Расширители колес
Снегоуборочные отвалы
Чехлы
Чехлы для UTV (Багги)
Чехлы для Вездеходов
Чехлы для Квадроциклов
Чехлы для Мотобуксировщиков
Чехлы для Мотоциклов
Чехлы для Снегоходов
Зимние комплекты для техники
Гусеницы
Гусеницы
Гусеницы для ATV/UTV/Багги
Гусеницы для автомобилей
Гусеницы для мотобуксировщиков
Гусеницы для мотоциклов
Запчасти
Запчасти
Общий каталог: цепи, фильтра, колодки, ремни, свечи, звезды, аккумуляторы, ручки и т.д
Общий каталог: камеры, шины, колеса, обода, спицы
Общий каталог: Детали корпуса, Рычаги, Педали, Грипсы, Пластик, Поворотники, пульты и т.д
Общий каталог: Электрика (CDI, катушки, коммутаторы, стабилизаторы, реле, лягушки, лампочки и т.д)
Запчасти для китайских двигателей
Запчасти для квадроциклов
Запчасти для снегоходов
Запчасти для мотоциклов, мопедов
Запчасти для скутеров
Запчасти для трициклов
Запчасти для вездеходов
Запчасти для лодочных моторов
Запчасти для лодок и катеров
Запчасти по производителю
Запчасти для садовой техники
Шины и диски
Запчасти для мотобуксировщиков
Шины, диски
Шины, диски
Для квадроциклов
Покрышки для квадроциклов
Камеры для квадроциклов
Диски для квадроциклов
Для мототехники
Покрышки для дорожной мототехники
Покрышки для внедорожной мототехники
Камеры для мототехники
Для картинга
Покрышки для картинга
Для велосипедов
Шины для велосипедов
Камеры для велосипедов
Для садовой техники
Покрышки для садовой техники
Камеры для садовой техники
Прицепы, сани
Прицепы, сани
Прицепы для мотоциклов и мопедов
Прицепы для перевозки мототехники
Сани
Чехлы
Электротранспорт
Электротранспорт
Электромашинки детские
Электроквадроциклы детские
Электромашинки детские
Электромотоциклы детские
Сигвеи
Электромотоциклы
Электроскейты
Электроскутеры
Дрифткарт (Электротрайк)
Мотоколеса
Электровелосипеды
Электроквадроциклы
Электросамокаты
Электроснегоходы
ГСМ
ГСМ
Вилочные и амортизаторные масла
Трансмиссионные масла
Масла для ATV - UTV
Масла для 2-х тактных ATV - UTV
Масла для 4-х тактных ATV - UTV
Масла для водной техники
Масла для 2-х тактных ПЛМ
Масла для 4-х тактных ПЛМ
Масла для гидроциклов
Трансмиссионные масла для ПЛМ
Масла для скутеров и мотоциклов
Масла для 2-х тактных скутеров и мотоциклов
Масла для 4-х тактных скутеров и мотоциклов
Масла для садовой техники
Масла для снегоходов
Масла для 2-х тактных снегоходов
Масла для 4-х тактных снегоходов
Смазки
Смазки и пропитки
Уход за цепью
Новочеркасск
Магазины
+7 (861) 213-97-97
Ежедневно с 10-00 до 19-00
Каталог товаров
Новогодние скидки
Предзаказ
Акции
Лидеры продаж
Отзывы клиентов
Видеообзоры от X-MOTORS
Техническое обслуживание
Адреса магазинов
Компания X-MOTORS
О компании
Политика конфиденциальности
Видеообзоры
Видеоотзывы
Отзывы о компании
Вакансии
Новости
Статьи
Покупателям
Акции и скидки
Доставка и оплата
Рассрочка и кредит
Правила представления информации
Сервис
Техническое обслуживание
Гарантийный ремонт
Платный ремонт
Контакты
Магазины
Контакты
Письмо директору
Реквизиты
Каталог товаров
РАСПРОДАЖА
Лучшее предложение
Б/У техника
Все товары из категории
Мотобуксировщики б/у (с пробегом)
Лодки ПВХ б/у (с пробегом)
Лодочные моторы б/у (с пробегом)
SUP-борды б/у
Квадроциклы б/у (с пробегом)
Мотоциклы б/у (с пробегом)
Снегоходы б/у (с пробегом)
Мототехника
Все товары из категории
Мотоциклы
Мотоциклы
Все товары из категории
Круизеры и чопперы
Спортбайки
Туристические мотоциклы
Нэйкед
Мотард
Детские мотоциклы
Кастомные мотоциклы
Питбайки, кроссовые мотоциклы, эндуро
Питбайки, кроссовые мотоциклы, эндуро
Все товары из категории
Питбайки
Кроссовые мотоциклы
Эндуро
Турэндуро (Tour Эндуро)
Мототриал
Трициклы
Мопеды и скутеры
Мопеды и скутеры
Все товары из категории
Мопеды
Скутеры
Макси-скутеры
Минибайки
Квадроциклы
Все товары из категории
Утилитарные квадроциклы
Спортивные квадроциклы
Шоссейные квадроциклы
Детские и подростковые квадроциклы
Электроквадроциклы для малышей
Снегоходы
Все товары из категории
Туристические снегоходы
Утилитарные снегоходы
Спортивные и горные снегоходы
Детские снегоходы, мотоснегокаты
Миниснегоходы
Мотобуксировщики
Все товары из категории
Мотобуксировщики новые
Аксессуары для Мотобуксировщиков
Мотосноуборды
Вездеходы
Все товары из категории
Запчасти для Вездеходов
Аксессуары для Вездеходов
Водный транспорт
Все товары из категории
SUP-борды
Лодочные моторы
Лодочные моторы
Все товары из категории
Лодочные моторы новые
Водометные насадки
Электромоторы, электроякоря
Надувные лодки
Надувные лодки
Все товары из категории
Лодки под мотор
Гребные лодки
Аксессуары для катеров и лодок
Комплект лодка+мотор (ВЫГОДНО!)
Пластиковые лодки
Алюминиевые лодки
Гидроциклы
Катера
Катера
Все товары из категории
Классические катера
Каютные катера
Одноконсольные катера
Катера с открытой передней частью
Алюминиевые катера
Комбинированные катера
Стеклопластиковые катера
РИБы
РИБы
Все товары из категории
Классические РИБы
Складные РИБы
Катамараны
Рафты
Байдарки
Каноэ
Каяки
Водные велосипеды
Автоприцепы
Автоприцепы
Все товары из категории
Прицепы для лодок
Дополнительное оборудование
Аксессуары, расходники для ПЛМ
Аксессуары, расходники для ПЛМ
Все товары из категории
Сумки для ПЛМ
Тележки для ПЛМ
Детали для дистанционного управления
Винты гребные
Водометные насадки
Аксессуары для катеров и лодок
Аксессуары для катеров и лодок
Все товары из категории
Насосы
Якорно-швартовое оборудование
Спасательные средства
Оборудование для надувных лодок ПВХ
Системы рулевого и дистанционного управления
Топливная система
Осушительная система
Система пресной воды
Душевая система
Фановая система
Плиты транцевые
Приборы контроля
Палубное оборудование
Дельные вещи
Оборудование для парусных яхт, бегучий такелаж
Держатели спиннинга
Осветительное оборудование
Морская акустика и аксессуары
Стеклоочистители и стекла
Мебель судовая
Фурнитура, предметы интерьера
Ремонт, покраска и уход за судном
Принадлежности для транспортировки
Анодная защита
Запчасти для лодочных моторов
Запчасти для катеров и лодок
Снегоуборщики
UTV, Багги
Мотоэкипировка
Все товары из категории
Мотошлемы
Мотошлемы
Все товары из категории
Шлемы интеграл
Шлемы модуляр
Шлемы мотокросс
Шлемы эндуро, мотард
Шлемы открытые
Детские мотошлемы
Подшлемники, ветрозащита
Пинлоки
Визоры и запчасти
Мотогарнитуры
Мотоочки
Мотоочки
Все товары из категории
Кроссовые очки
Детские очки
Аксессуары для мотоочков
Мотокуртки
Джерси и футболки
Мотоштаны
Мотоперчатки
Мотообувь
Мотообувь
Все товары из категории
Кроссовые мотоботы
Дорожные мотоботы
Гольфы и носки
Аксессуары для мотоботов
Мотокомбинезоны
Мотозащита
Мотозащита
Все товары из категории
Защита тела
Наколенники, налокотники
Аксессуары для мотозащиты
Зимняя экипировка
Зимняя экипировка
Все товары из категории
Шлемы
Очки
Снегоходная одежда
Повседневная зимняя одежда
Защита
Повседневная одежда
Мотосумки, рюкзаки
Мотодождевики
Велосипеды, самокаты
Все товары из категории
Велосипеды на литых дисках
Детские велосипеды, беговелы
Детские велосипеды, беговелы
Все товары из категории
Двухколесные велосипеды
Трехколесные велосипеды
Четырехколесные велосипеды
Велосипеды с ручкой
Беговелы
Подростковые велосипеды
Складные велосипеды
Горные велосипеды
Двухподвесные велосипеды
Городские, дорожные велосипеды
Женские велосипеды
Шоссейные велосипеды
Циклокроссовые велосипеды
Велосипеды BMX
Комфортные велосипеды
Фэтбайки
Электровелосипеды
Электровелосипеды
Все товары из категории
Складные электровелосипеды
Городские электровелосипеды
Горные электровелосипеды
Двухподвесные электровелосипеды
Электро фэтбайки
Велосипеды с веломотором
Аксессуары
Все товары из категории
Защита двигателя для мотоциклов
Аксессуары для техники STELS
Аксессуары для техники IRBIS
Аксессуары для Мотобуксировщиков
Аксессуары для Мотобуксировщиков
Все товары из категории
Модули, толкачи
Сани, прицепы
Чехлы, кофры, муфты
Электрические компоненты и ЗИП
Элементы кузова и подвески
Ветровые стекла
Ветровые стекла
Все товары из категории
Для катеров и лодок
Для квадроциклов и вездеходов
Для мотоциклов и скутеров
Для снегоходов
Выносы шноркелей, радиаторов
Дополнительный свет
Канистры
Кофры (сумки)
Кофры (сумки)
Все товары из категории
Кофры, сумки для Квадроциклов
Кофры, сумки для Мопедов/Скутеров
Кофры, сумки для Мотобуксировщиков
Кофры, сумки для Мотоциклов
Кофры, сумки для Снегоходов
Лебедки
Подкаты, кантователи для снегоходов
Расширители колес
Снегоуборочные отвалы
Чехлы
Чехлы
Все товары из категории
Чехлы для UTV (Багги)
Чехлы для Вездеходов
Чехлы для Квадроциклов
Чехлы для Мотобуксировщиков
Чехлы для Мотоциклов
Чехлы для Снегоходов
Зимние комплекты для техники
Гусеницы
Все товары из категории
Гусеницы для ATV/UTV/Багги
Гусеницы для автомобилей
Гусеницы для мотобуксировщиков
Гусеницы для мотоциклов
Запчасти
Все товары из категории
Общий каталог: цепи, фильтра, колодки, ремни, свечи, звезды, аккумуляторы, ручки и т.д
Общий каталог: цепи, фильтра, колодки, ремни, свечи, звезды, аккумуляторы, ручки и т.д
Все товары из категории
Масло моторное, трансмиссионное
Цепи приводные
Звезды ведомые, ведущие
Фильтры
Колодки тормозные
Ремни вариатора, вентилятора
Свечи зажигания
Аккумуляторы
Сальники, пыльники
Общий каталог: камеры, шины, колеса, обода, спицы
Общий каталог: камеры, шины, колеса, обода, спицы
Все товары из категории
Антибуксаторы
Флиппер на обод колеса
Камеры для мотоциклов ,квадроциклов
Мотопокрышки, квадрошины, шины
Диски, обода, спицы
Общий каталог: Детали корпуса, Рычаги, Педали, Грипсы, Пластик, Поворотники, пульты и т.д
Общий каталог: Детали корпуса, Рычаги, Педали, Грипсы, Пластик, Поворотники, пульты и т.д
Все товары из категории
Ручки руля, грипсы, грузики
Поворотники для мототехники
Рычаги (руля) тормоза, сцепления, газа
Рычаги переключения передач, педали тормоза
Троса газа, тормоза, подсоса и т.д.
Кикстартера, ручной, ножной запуск
Подножки водителя, пассажира
Тормозная система, тормозные цилиндры, бачки, машинки, диски тормозные
Крышки бака, сапуны бака
Оси колеса, маятника
Пластик кузова
Перья вилки ,передние амортизаторы
Щитки приборов, приборная панель
Фары, фонари
Рули
Бензобаки, детали бензобака
Сиденья водителя, пассажира
Рычаги подвески, маятники
Глушители выхлопных газов
Общий каталог: Электрика (CDI, катушки, коммутаторы, стабилизаторы, реле, лягушки, лампочки и т.д)
Общий каталог: Электрика (CDI, катушки, коммутаторы, стабилизаторы, реле, лягушки, лампочки и т.д)
Все товары из категории
Блок электронного зажигания (CDI), коммутаторы
Катушки зажигания для мототехники
Реле электростартера, поворотов, габаритов и подогрева ручек, Реле-регулятор напряжения
Датчики масла, температуры, вентилятора, кислорода, датчики (лягушки) п.п, скорости
Замки зажигания, комплекты замков
Пульты, домики, блоки переключения руля
Лампочки для мото, квадро, снего
Звуковые сигналы
Запчасти для китайских двигателей
Запчасти для китайских двигателей
Все товары из категории
Запчасти для двигателя IE30, IE40-49, IE40-F6, IE50-F6, LMATV-049HM, (2Т 49сс, все квадры, питы, бензопилы)
Запчасти для двигателя 139QMB, 141QMB, 139QMА, 1P39QMB (4Т скутера)
Запчасти для двигателя 1E40QMB, 1E41QMB, 1E50QMB, 1E60QMB, 1E70QMB, 1E90QMB (2Т скутера)
Запчасти для двигателя 139FMB, 1P39FM. 1P39, 1P39FMB
Запчасти для двигателя 147FMD, 147FMH , 1P47FMD, 1P47FME
Запчасти для двигателя 152FMH, 152FMA, 1P52
Запчасти для двигателя 152FMI, ZS1P52FMI, 1P52, YX 110-125
Запчасти для двигателя H1P622FMJ-PRO
Запчасти для двигателя S1P622FMJ-PRO
Запчасти для двигателя S1P611FMI-PRO
Запчасти для двигателя 1P61FML-PRO ATV 150/190 (с аналогами)
Запчасти для двигателя 1P61FML-PRO ATV 150/190
Запчасти для двигателя 1P75FMJ-PRO квадроцикл 250/300 баланс.вал
Запчасти для двигателя L1P75CVT-PRO
Запчасти для двигателя NC300S
Запчасти для двигателя RW171FMM
Запчасти для двигателя ZS1P44FMC
Запчасти для двигателя 1P75FMJ, 1P75FMJ-PRO (ATV 300cc)
Запчасти для двигателя 152QMI, RC125T
Запчасти для двигателя 153FMI, ZS153FMI, YX 125, W120
Запчасти для двигателя 154FMI, ZS154FMI, YX 125
Запчасти для двигателя 156FMJ,YX1P56FMJ, 1P56FMJ, W063, YX 140, YX 150, W150
Запчасти для двигателя 156FMI, 1P56FMI, 157FMI, 1P57FMI
Запчасти для двигателя 157QMJ, 1P57QMJ, 158QMJ, 1P58QMJ
Запчасти для двигателя 1P62QML, 1P63QML, JL1P62F, 1P65QML
Запчасти для двигателя 1P63QMK, 1P63QMK-3D, JN1P63QMK-2D (ATV с баланс.валом)
Запчасти для двигателя Z1P75QML-PRO
Запчасти для двигателя JN1P75QML-PRO
Запчасти для двигателя 160FMJ, 1P60FMK, 160FMK, YX160 (W160)
Запчасти для двигателя 161QMK, GY6-170/180/200,
Запчасти для двигателя 161FMJ, RC150-GY, RC150-23
Запчасти для двигателя 162FMJ
Запчасти для двигателя 1P62YML-2, ZS1P62YML-2, W190, Z190
Запчасти для двигателя 163FML, 163FML-2
Запчасти для двигателя 164FML
Запчасти для двигателя 165FML, 166FML, 167FML
Запчасти для двигателя СВВ250, 165FMM, 166FMM, 167FMM
Запчасти для двигателя CB250D-G, 165MM, 166MM, 165FMM, 166FMM
Запчасти для двигателя 167FMM, 167MM
Запчасти для двигателя 168FMM, 169MM, 169FMM, ZS169MM
Запчасти для двигателя 170MM, 170MM-2, 170FMM, ZS170MM-2
Запчасти для двигателя CB250-F, ZS-CB250A, 172FMM-3A, 172MM, ZS172FMM, CB250
Запчасти для двигателя CB300F, ZS175FMM-3A (177FMN)
Запчасти для двигателя CB250R, 172FMM-6, ZS172FMM-6 (4 клапана)
Запчасти для двигателя CB250RL, ZS-CB250RL, 172FMM-7, ZS172FMM-7 (4 клапана, с баланс.валом))
Запчасти для двигателя CB300RL, ZS-CB300RL, 175FMM-7, ZS175FMM-7 (4 клапана, с баланс.валом))
Запчасти для двигателя ZS-PR250, PR250, ZS172FMM-5, 172FMM-5 (с баланс.валом)
Запчасти для двигателя ZS-PR300, PR300, ZS-175FMN, 175FMN (с баланс.валом)
Запчасти для двигателя NC250, ZS-NC250б 177MM, 177FMM, ZS177MM (водн.охлжд, 4 клапана, балан.вал, однокамерный)
Запчасти для двигателя NC300, ZS-NC300, ZS182MN, 182MN (водн.охлжд, 4 клапана, балан.вал, однокамерный)
Запчасти для двигателя NC250S, ZS-NC250S, ZS 177MM-A, 177MM-A (водн.охлжд, 4 клапана, балан.вал, двухкамерный, 2 распредвала)
Запчасти для двигателя NC300S, ZS-NC300, ZS182MN, 182MN (водн.охлжд, 4 клапана, балан.вал, двухкамерный, 2 распредвала))
Запчасти для двигателя NX250, ZS-NX250, ZS178MM-2, 178MN-2 (водн.охлжд 4 клапана, балан.вал, двухкамерный, 2 распредвала)
Запчасти для двигателя CBS300, 174MN, ZS174MN, 174MN-3, ZS 174MN (вод.охлаждение, 4 клапанный)
Запчасти для двигателя NB300, ZS-NB300, ZS174MN-5A, 174MN-5A, ZS 174MN-5 (вод.охлаждение, 4 клапанный)
Запчасти для двигателя NC450, ZS-NC450, 194MQ, ZS194MQ (водн.охлжд 4 клапана, балан.вал, однокамерный)
Запчасти для двигателя 253FMM, FMM253, CTM250, QJ250
Запчасти для двигателей общего назначения LIFAN, HONDA, ZONGSHEN
Запчасти для двигателей Motoland
Запчасти для двигателей Racer
Запчасти для квадроциклов
Запчасти для квадроциклов
Все товары из категории
Запчасти для квадроциклов STELS
Запчасти для квадроциклов AODES (ODES)
Запчасти для квадроциклов PROMAX
Запчасти для квадроциклов CHANGJIANG (CJ)
Запчасти для квадроциклов GBM
Запчасти для квадроциклов IRBIS
Запчасти для квадроциклов РУССКАЯ МЕХАНИКА
Запчасти для снегоходов
Запчасти для снегоходов
Все товары из категории
Запчасти для снегоходов STELS
Запчасти для снегоходов РУССКАЯ МЕХАНИКА
Запчасти для снегоходов IRBIS
Запчасти для снегоходов SNOWFOX
Запчасти для снегоходов WELS
Ветровые стекла для снегоходов
Гусеницы для снегоходов
Запчасти для снегоходов IKUDZO
Запчасти для снегоходов MOTOLAND
Запчасти для снегоходов PROMAX
Запчасти для мотоциклов, мопедов
Запчасти для мотоциклов, мопедов
Все товары из категории
Запчасти для мотоцикла АЛЬФА (ALPHA), ДЕЛЬТА (DELTA) Zodiak, Gvalior и т.д (по типу Альфы)
Запчасти для Российских мотоциклов: ИЖ, УРАЛ, МИНСК, ТУЛА, ВОСХОД, ДНЕПР, ЯВА, ОРИОН, КАРПАТЫ
Запчасти для мотоциклов FRATELI
Запчасти для мопеда FAIDET
Запчасти для мопедов PROMAX
Запчасти для мотоциклов BENDA
Запчасти для мотоциклов FAIDET
Запчасти для мотоциклов KOVE
Запчасти для мотоциклов PROMAX
Запчасти для мотоциклов RACER
Запчасти для скутеров
Запчасти для скутеров
Все товары из категории
Запчасти для скутеров HONDA
Запчасти для скутеров IRBIS
Запчасти для скутеров PROMAX
Запчасти для скутеров RACER
Запчасти для скутеров STELS
Запчасти для скутеров SUZUKI
Запчасти для скутеров YAMAHA
Запчасти для трициклов
Запчасти для трициклов
Все товары из категории
Запчасти для трициклов LIFAN
Запчасти для трициклов Racer
Запчасти для трициклов STELS
Общий каталог
Запчасти для вездеходов
Запчасти для лодочных моторов
Запчасти для лодочных моторов
Все товары из категории
Запчасти для подвесных лодочных моторов BREEZE
Запчасти для подвесных лодочных моторов GLADIATOR
Запчасти для подвесных лодочных моторов HIDEA
Запчасти для подвесных лодочных моторов MERCURY (2х-тактные)
Запчасти для подвесных лодочных моторов MERCURY (4х-тактные)
Запчасти для подвесных лодочных моторов MARLIN
Запчасти для подвесных лодочных моторов PARSUN
Запчасти для подвесных лодочных моторов SEA-PRO
Запчасти для подвесных лодочных моторов SEANOVO
Запчасти для подвесных лодочных моторов SUZUKI
Запчасти для подвесных лодочных моторов TITAN
Запчасти для подвесных лодочных моторов TOHATSU
Запчасти для подвесных лодочных моторов YAMABISI
Запчасти для подвесных лодочных моторов YAMAHA
Запчасти для подвесных лодочных моторов ZONGSHEN
Запчасти для подвесных лодочных моторов PROMAX
Запчасти для лодок и катеров
Запчасти по производителю
Запчасти по производителю
Все товары из категории
Запчасти STELS (СТЕЛС)
Запчасти IRBIS (ИРБИС)
Запчасти RACER (РЕЙСЕР)
Запчасти CENTERPLAST (ЦЕНТРОПЛАСТ)
Запчасти MTR (МТР)
Запчасти RED ENERGY (РЭД ЭНЕРДЖИ)
Запчасти URAL-MOTORS (УРАЛ-МОТОРС)
Запчасти BSE (БСЕ)
Запчасти ZONGSHEN (ЗОНГШЕН)
Запчасти KOIRA (КОЙРА)
Запчасти KAYO (КАЙО)
Запчасти PARSUN (ПАРСУН)
Запчасти PATRON (ПАТРОН)
Запчасти RM (РУССКАЯ МЕХАНИКА)
Запчасти YAMAHA (ЯМАХА)
Запчасти для садовой техники
Запчасти для садовой техники
Все товары из категории
Двигатели общего назначения LIFAN
Запчасти для бензопил
Запчасти для двигателей общего назначения LIFAN
Запчасти для садовой техники Lifan
Запчасти для садовой техники Motoland
Шины и диски
Запчасти для мотобуксировщиков
Запчасти для мотобуксировщиков
Все товары из категории
Запчасти для мотобуксировщиков 6-8л.с (общий каталог)
Запчасти для мотобуксировщиков 9-13л.с (общий каталог)
Запчасти для мотобуксировщиков 15-19л.с (общий каталог)
Запчасти для мотобуксировщиков 20-24л.с (общий каталог)
Запчасти для мотобуксировщиков IKUDZO
Запчасти для мотобуксировщиков IRBIS
Запчасти для мотобуксировщиков KOIRA
Запчасти для мотобуксировщиков OPTI MAX (PREMIUM SERIES)
Запчасти для мотобуксировщиков POMOR
Запчасти для мотобуксировщиков SNOW DOG
Запчасти для мотобуксировщиков МОТОМИР
Запчасти для мотобуксировщиков РОСТИН
Шины, диски
Все товары из категории
Для квадроциклов
Для квадроциклов
Все товары из категории
Покрышки для квадроциклов
Камеры для квадроциклов
Диски для квадроциклов
Для мототехники
Для мототехники
Все товары из категории
Покрышки для дорожной мототехники
Покрышки для внедорожной мототехники
Камеры для мототехники
Для картинга
Для картинга
Все товары из категории
Покрышки для картинга
Для велосипедов
Для велосипедов
Все товары из категории
Шины для велосипедов
Камеры для велосипедов
Для садовой техники
Для садовой техники
Все товары из категории
Покрышки для садовой техники
Камеры для садовой техники
Прицепы, сани
Все товары из категории
Прицепы для мотоциклов и мопедов
Прицепы для перевозки мототехники
Сани
Чехлы
Электротранспорт
Все товары из категории
Электромашинки детские
Электромашинки детские
Все товары из категории
Электроквадроциклы детские
Электромашинки детские
Электромотоциклы детские
Сигвеи
Электромотоциклы
Электроскейты
Электроскутеры
Дрифткарт (Электротрайк)
Мотоколеса
Электровелосипеды
Электроквадроциклы
Электросамокаты
Электроснегоходы
ГСМ
Все товары из категории
Вилочные и амортизаторные масла
Трансмиссионные масла
Масла для ATV - UTV
Масла для ATV - UTV
Все товары из категории
Масла для 2-х тактных ATV - UTV
Масла для 4-х тактных ATV - UTV
Масла для водной техники
Масла для водной техники
Все товары из категории
Масла для 2-х тактных ПЛМ
Масла для 4-х тактных ПЛМ
Масла для гидроциклов
Трансмиссионные масла для ПЛМ
Масла для скутеров и мотоциклов
Масла для скутеров и мотоциклов
Все товары из категории
Масла для 2-х тактных скутеров и мотоциклов
Масла для 4-х тактных скутеров и мотоциклов
Масла для садовой техники
Масла для снегоходов
Масла для снегоходов
Все товары из категории
Масла для 2-х тактных снегоходов
Масла для 4-х тактных снегоходов
Смазки
Смазки и пропитки
Уход за цепью
Главная
Запчасти
Запчасти для лодочных моторов
Запчасти для подвесных лодочных моторов TITAN
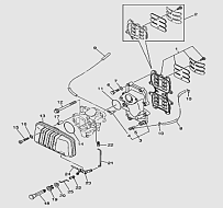
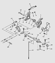
Запчасти для 2-х тактного ПЛМ TITAN TP40AMHS
Запчасти
Запчасти для 2-х тактного ПЛМ TITAN TP40AMHS
найти
Нужна помощь менеджера?
Обратиться за помощью
Категория:
Запчасти для 2-х тактного ПЛМ TITAN TP40AMHS
Общий каталог: цепи, фильтра, колодки, ремни, свечи, звезды, аккумуляторы, ручки и т.д
Общий каталог: камеры, шины, колеса, обода, спицы
Общий каталог: Детали корпуса, Рычаги, Педали, Грипсы, Пластик, Поворотники, пульты и т.д
Общий каталог: Электрика (CDI, катушки, коммутаторы, стабилизаторы, реле, лягушки, лампочки и т.д)
Запчасти для китайских двигателей
Запчасти для квадроциклов
Запчасти для снегоходов
Запчасти для мотоциклов, мопедов
Запчасти для скутеров
Запчасти для трициклов
Запчасти для вездеходов
Запчасти для лодочных моторов
Запчасти для подвесных лодочных моторов BREEZE
Запчасти для ПЛМ BREEZE все модели
Запчасти для подвесных лодочных моторов GLADIATOR
Запчасти для 2-х тактного ПЛМ GLADIATOR G5FHS
Запчасти для 2-х тактного ПЛМ GLADIATOR G9.8FHS
Запчасти для 2-х тактного ПЛМ GLADIATOR G9.9FHS
Запчасти для подвесных лодочных моторов HIDEA
Запчасти для 2-х тактного ПЛМ HIDEA 3F
Двигатель 2-х тактного ПЛМ HIDEA 3F
Дейдвуд 2-х тактного ПЛМ HIDEA 3F
Колпак 2-х тактного ПЛМ HIDEA 3F
Нижний корпус 2-х тактного ПЛМ HIDEA 3F
Поршневая 2-х тактного ПЛМ HIDEA 3F
Редуктор 2-х тактного ПЛМ HIDEA 3F
Румпель 2-х тактного ПЛМ HIDEA 3F
Стартер 2-х тактного ПЛМ HIDEA 3F
Струбцина 2-х тактного ПЛМ HIDEA 3F
Электрика 2-х тактного ПЛМ HIDEA 3F
Запчасти для 2-х тактного ПЛМ HIDEA 3,5F
Двигатель 2-х тактного ПЛМ HIDEA 3,5F
Дейдвуд+румпель 2-х тактного ПЛМ HIDEA 3,5F
Колпак 2-х тактного ПЛМ HIDEA 3,5F
Нижний корпус 2-х тактного ПЛМ HIDEA 3,5F
Редуктор 2-х тактного ПЛМ HIDEA 3,5F
Стартер 2-х тактного ПЛМ HIDEA 3,5F
Струбцина 2-х тактного ПЛМ HIDEA 3,5F
Электрика 2-х тактного ПЛМ HIDEA 3,5F
Запчасти для 2-х тактного ПЛМ HIDEA 4F
Двигатель (NEW) 2-х тактного ПЛМ HIDEA 4F
Дейдвуд+румпель (NEW) 2-х тактного ПЛМ HIDEA 4F
Колпак 2-х тактного ПЛМ HIDEA 4F
Нижний корпус (NEW) 2-х тактного ПЛМ HIDEA 4F
Редуктор (NEW) 2-х тактного ПЛМ HIDEA 4F
Стартер 2-х тактного ПЛМ HIDEA 4F
Струбцина 2-х тактного ПЛМ HIDEA 4F
Электрика 2-х тактного ПЛМ HIDEA 4F
Запчасти для 2-х тактного ПЛМ HIDEA 5F
Двигатель 2-х тактного ПЛМ HIDEA 5F
Дейдвуд 2-х тактного ПЛМ HIDEA 5F
Колпак 2-х тактного ПЛМ HIDEA 5F
Нижний корпус 2-х тактного ПЛМ HIDEA 5F
Поршневая 2-х тактного ПЛМ HIDEA 5F
Редуктор 2-х тактного ПЛМ HIDEA 5F
Румпель 2-х тактного ПЛМ HIDEA 5F
Стартер 2-х тактного ПЛМ HIDEA 5F
Струбцина 2-х тактного ПЛМ HIDEA 5F
Электрика 2-х тактного ПЛМ HIDEA 5F
Запчасти для 2-х тактного ПЛМ HIDEA 9,8F
Двигатель 2-х тактного ПЛМ HIDEA 9,8F
Дейдвуд 2-х тактного ПЛМ HIDEA 9,8F
Колпак 2-х тактного ПЛМ HIDEA 9,8F
Нижний корпус 2-х тактного ПЛМ HIDEA 9,8F
Поршневая 2-х тактного ПЛМ HIDEA 9,8F
Редуктор 2-х тактного ПЛМ HIDEA 9,8F
Румпель 2-х тактного ПЛМ HIDEA 9,8F
Стартер 2-х тактного ПЛМ HIDEA 9,8F
Струбцина 2-х тактного ПЛМ HIDEA 9,8F
Электрика 2-х тактного ПЛМ HIDEA 9,8F
Запчасти для 2-х тактного ПЛМ HIDEA 9.9/15F
Двигатель 2-х тактного ПЛМ HIDEA 15F
Дейдвуд 2-х тактного ПЛМ HIDEA 15F
Колпак 2-х тактного ПЛМ HIDEA 15F
Нижний корпус 2-х тактного ПЛМ HIDEA 15F
Поршневая группа 2-х тактного ПЛМ HIDEA 15F
Редуктор 2-х тактного ПЛМ HIDEA 15F
Румпель 2-х тактного ПЛМ HIDEA 15F
Стартер 2-х тактного ПЛМ HIDEA 15F
Струбцина 2-х тактного ПЛМ HIDEA 15F (часть 1)
Струбцина 2-х тактного ПЛМ HIDEA 15F (часть 2)
Топливный бак 2-х тактного ПЛМ HIDEA 15F
Узлы в сборе 2-х тактного ПЛМ HIDEA 15F
Электрика 2-х тактного ПЛМ HIDEA 15F
Запчасти для 2-х тактного ПЛМ HIDEA 20FHS
Двигатель 2-Х ТАКТНОГО ПЛМ HIDEA HD20FHS
Колпак 2-Х ТАКТНОГО ПЛМ HIDEA HD20FHS
Кронштейн 2-Х ТАКТНОГО ПЛМ HIDEA HD20FHS
Поддон 2-Х ТАКТНОГО ПЛМ HIDEA HD20FHS
Поршневая 2-Х ТАКТНОГО ПЛМ HIDEA HD20FHS
Редуктор 2-Х ТАКТНОГО ПЛМ HIDEA HD20FHS
Румпель 2-Х ТАКТНОГО ПЛМ HIDEA HD20FHS
Стартер 2-Х ТАКТНОГО ПЛМ HIDEA HD20FHS
Запчасти для 2-х тактного ПЛМ HIDEA 30F
Двигатель (дистанция) 2-х тактного ПЛМ HIDEA 30F
Двигатель 2-х тактного ПЛМ HIDEA 30F
Дейдвуд 2-х тактного ПЛМ HIDEA 30F
Карбюратор (дистанция) 2-х тактного ПЛМ HIDEA 30F
Карбюратор 2-х тактного ПЛМ HIDEA 30F
Колпак 2-х тактного ПЛМ HIDEA 30F
Маховик 2-х тактного ПЛМ HIDEA 30F
Поддон (дистанция) 2-х тактного ПЛМ HIDEA 30F
Поддон 2-х тактного ПЛМ HIDEA 30F
Поршневая 2-х тактного ПЛМ HIDEA 30F
Прокладка базы двигателя 2-х тактного ПЛМ HIDEA 30F
Редуктор 2-х тактного ПЛМ HIDEA 30F
Румпель 2-х тактного ПЛМ HIDEA 30F
Система переключения 2-х тактного ПЛМ HIDEA 30F
Стартер 2-х тактного ПЛМ HIDEA 30F
Струбцина 2-х тактного ПЛМ HIDEA 30F
Электрика 2-х тактного ПЛМ HIDEA 30F
Запчасти для 2-х тактного ПЛМ HIDEA 40F
База двигателя (дистанция) 2-х тактного ПЛМ HIDEA 40F
База двигателя 2-х тактного ПЛМ HIDEA 40F
Двигатель (дистанция) 2-х тактного ПЛМ HIDEA 40F
Двигатель 2-х тактного ПЛМ HIDEA 40F
Дейдвуд 2-х тактного ПЛМ HIDEA 40F
Коленчатый вал 2-х тактного ПЛМ HIDEA 40F
Колпак 2-х тактного ПЛМ HIDEA 40F
Кронштейн 2-х тактного ПЛМ HIDEA 40F
Редуктор 2-х тактного ПЛМ HIDEA 40F
Румпель 2-х тактного ПЛМ HIDEA 40F
Стартер (ручной) 2-х тактного ПЛМ HIDEA 40F
Струбцина 2-х тактного ПЛМ HIDEA 40F
Запчасти для 4-х тактного ПЛМ HIDEA F2.5
Дейдвуд 4-Х ТАКТНОГО ПЛМ HIDEA F2,5
Зажимные части 4-Х ТАКТНОГО ПЛМ HIDEA F2,5
Капот верх 4-Х ТАКТНОГО ПЛМ HIDEA F2,5
Капот низ 4-Х ТАКТНОГО ПЛМ HIDEA F2,5
Клапанная система 4-Х ТАКТНОГО ПЛМ HIDEA F2,5
Коленвал 4-Х ТАКТНОГО ПЛМ HIDEA F2,5
Нижний блок 4-Х ТАКТНОГО ПЛМ HIDEA F2,5
Рулевое управление 4-Х ТАКТНОГО ПЛМ HIDEA F2,5
Ручной стартер 4-Х ТАКТНОГО ПЛМ HIDEA F2,5
Система питания 4-Х ТАКТНОГО ПЛМ HIDEA F2,5
Запчасти для 4-х тактного ПЛМ HIDEA HDF5
ДЕЙДВУД 4-Х ТАКТНОГО ПЛМ HIDEA HDF5
ЗАЖИМНЫЕ ЧАСТИ 4-Х ТАКТНОГО ПЛМ HIDEA HDF5
КАПОТ 4-Х ТАКТНОГО ПЛМ HIDEA HDF5
КЛАПАННАЯ СИСТЕМА 4-Х ТАКТНОГО ПЛМ HIDEA HDF5
НИЖНИЙ БЛОК 4-Х ТАКТНОГО ПЛМ HIDEA HDF5
НИЖНИЙ КАПОТ 4-Х ТАКТНОГО ПЛМ HIDEA HDF5
РУЧНОЙ СТАРТЕР 4-Х ТАКТНОГО ПЛМ HIDEA HDF5
СИСТЕМА ПИТАНИЯ 4-Х ТАКТНОГО ПЛМ HIDEA HDF5
ТОПЛИВНЫЙ БАК 4-Х ТАКТНОГО ПЛМ HIDEA HDF5
ЧАСТИ РУЛЕВОГО УПРАВЛЕНИЯ 4-Х ТАКТНОГО ПЛМ HIDEA HDF5
ШТОК ПОРШНЯ 4-Х ТАКТНОГО ПЛМ HIDEA HDF5
Запчасти для 4-х тактного ПЛМ HIDEA HDF9.9
ДЕЙДВУД 4-Х ТАКТНОГО ПЛМ HIDEA HDF9.9
ДЕТАЛИ ПОВОРОТНОГО КРОНШТЕЙНА 4-Х ТАКТНОГО ПЛМ HIDEA HDF9.9
ЗАЖИМНЫЕ ЧАСТИ 4-Х ТАКТНОГО ПЛМ HIDEA HDF9.9
КОЛЕНВАЛ И ПОРШЕНЬ 4-Х ТАКТНОГО ПЛМ HIDEA HDF9.9
НИЖНИЙ БЛОК 4-Х ТАКТНОГО ПЛМ HIDEA HDF9.9
НИЗ КАПОТА 4-Х ТАКТНОГО ПЛМ HIDEA HDF9.9
РУЧНОЙ СТАРТЕР 4-Х ТАКТНОГО ПЛМ HIDEA HDF9.9
СИСТЕМА ПИТАНИЯ 4-Х ТАКТНОГО ПЛМ HIDEA HDF9.9
ТОПЛИВНЫЙ БАК 4-Х ТАКТНОГО ПЛМ HIDEA HDF9.9
ЧАСТИ КЛАПАНА 4-Х ТАКТНОГО ПЛМ HIDEA HDF9.9
ЧАСТИ РУЛЕВОГО УПРАВЛЕНИЯ 4-Х ТАКТНОГО ПЛМ HIDEA HDF9.9
Запчасти для 4-х тактного ПЛМ HIDEA HDF15HS
Верх капота 4-Х ТАКТНОГО ПЛМ HIDEA HDF15HS
Винт (часть 1) 4-Х ТАКТНОГО ПЛМ HIDEA HDF15HS
Винт (часть 2) 4-Х ТАКТНОГО ПЛМ HIDEA HDF15HS
Дейдвуд 4-Х ТАКТНОГО ПЛМ HIDEA HDF15HS
Детали 4-Х ТАКТНОГО ПЛМ HIDEA HDF15HS
Детали переключения передач 4-Х ТАКТНОГО ПЛМ HIDEA HDF15HS
Зажимные части 4-Х ТАКТНОГО ПЛМ HIDEA HDF15HS
Карданный вал 4-Х ТАКТНОГО ПЛМ HIDEA HDF15HS
Коленчатый вал и поршень 4-Х ТАКТНОГО ПЛМ HIDEA HDF15HS
Корпус подшипника 4-Х ТАКТНОГО ПЛМ HIDEA HDF15HS
Кулачок 4-Х ТАКТНОГО ПЛМ HIDEA HDF15HS
Нижний корпус 4-Х ТАКТНОГО ПЛМ HIDEA HDF15HS
Низ капота 4-Х ТАКТНОГО ПЛМ HIDEA HDF15HS
Поворотный кронштейн 4-Х ТАКТНОГО ПЛМ HIDEA HDF15HS
Система питания 4-Х ТАКТНОГО ПЛМ HIDEA HDF15HS
Топливный бак 4-Х ТАКТНОГО ПЛМ HIDEA HDF15HS
Части рулевого управления 4-Х ТАКТНОГО ПЛМ HIDEA HDF15HS
Запчасти для 4-х тактного ПЛМ HIDEA F15FES
Двигатель 4-Х ТАКТНОГО ПЛМ HIDEA F15FES
Дейдвуд 4-Х ТАКТНОГО ПЛМ HIDEA F15FES
Клапана 4-Х ТАКТНОГО ПЛМ HIDEA F15FES
Колпак 4-Х ТАКТНОГО ПЛМ HIDEA F15FES
Кронштейн 4-Х ТАКТНОГО ПЛМ HIDEA F15FES
Машинка газ-реверс 4-Х ТАКТНОГО ПЛМ HIDEA F15FES
Поддон 4-Х ТАКТНОГО ПЛМ HIDEA F15FES
Поршневая 4-Х ТАКТНОГО ПЛМ HIDEA F15FES
Редуктор 4-Х ТАКТНОГО ПЛМ HIDEA F15FES
Стартер 4-Х ТАКТНОГО ПЛМ HIDEA F15FES
Струбцина 4-Х ТАКТНОГО ПЛМ HIDEA F15FES
Запчасти для 4-х тактного ПЛМ HIDEA F20FES
Двигатель 4-Х ТАКТНОГО ПЛМ HIDEA F20FES
Дейдвуд 4-Х ТАКТНОГО ПЛМ HIDEA F20FES
Клапана 4-Х ТАКТНОГО ПЛМ HIDEA F20FES
Колпак 4-Х ТАКТНОГО ПЛМ HIDEA F20FES
Кронштейн 4-Х ТАКТНОГО ПЛМ HIDEA F20FES
Машинка газ-реверс 4-Х ТАКТНОГО ПЛМ HIDEA F20FES
Поддон 4-Х ТАКТНОГО ПЛМ HIDEA F20FES
Поршневая 4-Х ТАКТНОГО ПЛМ HIDEA F20FES
Редуктор 4-Х ТАКТНОГО ПЛМ HIDEA F20FES
Стартер 4-Х ТАКТНОГО ПЛМ HIDEA F20FES
Струбцина 4-Х ТАКТНОГО ПЛМ HIDEA F20FES
Запчасти для 4-х тактного ПЛМ HIDEA F20FHS
Двигатель 4-Х ТАКТНОГО ПЛМ HIDEA F20FHS
Дейдвуд 4-Х ТАКТНОГО ПЛМ HIDEA F20FHS
Клапана 4-Х ТАКТНОГО ПЛМ HIDEA F20FHS
Колпак 4-Х ТАКТНОГО ПЛМ HIDEA F20FHS
Кронштейн 4-Х ТАКТНОГО ПЛМ HIDEA F20FHS
Поддон 4-Х ТАКТНОГО ПЛМ HIDEA F20FHS
Поршневая 4-Х ТАКТНОГО ПЛМ HIDEA F20FHS
Редуктор 4-Х ТАКТНОГО ПЛМ HIDEA F20FHS
Румпель 4-Х ТАКТНОГО ПЛМ HIDEA F20FHS
Стартер 4-Х ТАКТНОГО ПЛМ HIDEA F20FHS
Струбцина 4-Х ТАКТНОГО ПЛМ HIDEA F20FHS
Запчасти для 4-х тактного ПЛМ HIDEA F3.5FHS
Двигатель 4-Х ТАКТНОГО ПЛМ HIDEA F3.5FHS
Дейдвуд 4-Х ТАКТНОГО ПЛМ HIDEA F3.5FHS
Клапана 4-Х ТАКТНОГО ПЛМ HIDEA F3.5FHS
Колпак 4-Х ТАКТНОГО ПЛМ HIDEA F3.5FHS
Кронштейн 4-Х ТАКТНОГО ПЛМ HIDEA F3.5FHS
Поддон 4-Х ТАКТНОГО ПЛМ HIDEA F3.5FHS
Поршневая 4-Х ТАКТНОГО ПЛМ HIDEA F3.5FHS
Редуктор 4-Х ТАКТНОГО ПЛМ HIDEA F3.5FHS
Румпель 4-Х ТАКТНОГО ПЛМ HIDEA F3.5FHS
Стартер 4-Х ТАКТНОГО ПЛМ HIDEA F3.5FHS
Запчасти для 4-х тактного ПЛМ HIDEA F30FEL
Двигатель (часть 1) 4-Х ТАКТНОГО ПЛМ HIDEA F30FEL
Двигатель (часть 2) 4-Х ТАКТНОГО ПЛМ HIDEA F30FEL
Двигатель (часть 3) 4-Х ТАКТНОГО ПЛМ HIDEA F30FEL
Двигатель (часть 4) 4-Х ТАКТНОГО ПЛМ HIDEA F30FEL
Двигатель (часть 5) 4-Х ТАКТНОГО ПЛМ HIDEA F30FEL
Дейдвуд 4-Х ТАКТНОГО ПЛМ HIDEA F30FEL
Клапана 4-Х ТАКТНОГО ПЛМ HIDEA F30FEL
Колпак 4-Х ТАКТНОГО ПЛМ HIDEA F30FEL
Машинка газ-реверс 4-Х ТАКТНОГО ПЛМ HIDEA F30FEL
Поддон 4-Х ТАКТНОГО ПЛМ HIDEA F30FEL
Поршневая 4-Х ТАКТНОГО ПЛМ HIDEA F30FEL
Редуктор 4-Х ТАКТНОГО ПЛМ HIDEA F30FEL
Стартер 4-Х ТАКТНОГО ПЛМ HIDEA F30FEL
Струбцина (часть 1) 4-Х ТАКТНОГО ПЛМ HIDEA F30FEL
Струбцина (часть 2) 4-Х ТАКТНОГО ПЛМ HIDEA F30FEL
Электростартер 4-Х ТАКТНОГО ПЛМ HIDEA F30FEL
Запчасти для 4-х тактного ПЛМ HIDEA F30FEL-T
Головка цилиндров 4-Х ТАКТНОГО ПЛМ HIDEA F30FEL-T
Двигатель (часть 1) 4-Х ТАКТНОГО ПЛМ HIDEA F30FEL-T
Двигатель (часть 2) 4-Х ТАКТНОГО ПЛМ HIDEA F30FEL-T
Двигатель (часть 3) 4-Х ТАКТНОГО ПЛМ HIDEA F30FEL-T
Двигатель (часть 4) 4-Х ТАКТНОГО ПЛМ HIDEA F30FEL-T
Двигатель (часть 5) 4-Х ТАКТНОГО ПЛМ HIDEA F30FEL-T
Дейдвуд 4-Х ТАКТНОГО ПЛМ HIDEA F30FEL-T
Колпак 4-Х ТАКТНОГО ПЛМ HIDEA F30FEL-T
Кронштейн 4-Х ТАКТНОГО ПЛМ HIDEA F30FEL-T
Машинка газ-реверс 4-Х ТАКТНОГО ПЛМ HIDEA F30FEL-T
Поддон 4-Х ТАКТНОГО ПЛМ HIDEA F30FEL-T
Поршневая 4-Х ТАКТНОГО ПЛМ HIDEA F30FEL-T
Редуктор 4-Х ТАКТНОГО ПЛМ HIDEA F30FEL-T
Стартер 4-Х ТАКТНОГО ПЛМ HIDEA F30FEL-T
Электростартер 4-Х ТАКТНОГО ПЛМ HIDEA F30FEL-T
Запчасти для 4-х тактного ПЛМ HIDEA F30FES
Двигатель (часть 1) 4-Х ТАКТНОГО ПЛМ HIDEA F30FES
Двигатель (часть 2) 4-Х ТАКТНОГО ПЛМ HIDEA F30FES
Двигатель (часть 3) 4-Х ТАКТНОГО ПЛМ HIDEA F30FES
Двигатель (часть 4) 4-Х ТАКТНОГО ПЛМ HIDEA F30FES
Двигатель (часть 5) 4-Х ТАКТНОГО ПЛМ HIDEA F30FES
Дейдвуд 4-Х ТАКТНОГО ПЛМ HIDEA F30FES
Клапана 4-Х ТАКТНОГО ПЛМ HIDEA F30FES
Колпак 4-Х ТАКТНОГО ПЛМ HIDEA F30FES
Машинка газ-реверс 4-Х ТАКТНОГО ПЛМ HIDEA F30FES
Поддон 4-Х ТАКТНОГО ПЛМ HIDEA F30FES
Поршневая 4-Х ТАКТНОГО ПЛМ HIDEA F30FES
Редуктор 4-Х ТАКТНОГО ПЛМ HIDEA F30FES
Стартер 4-Х ТАКТНОГО ПЛМ HIDEA F30FES
Струбцина (часть 1) 4-Х ТАКТНОГО ПЛМ HIDEA F30FES
Струбцина (часть 2) 4-Х ТАКТНОГО ПЛМ HIDEA F30FES
Электростартер 4-Х ТАКТНОГО ПЛМ HIDEA F30FES
Запчасти для 4-х тактного ПЛМ HIDEA F30FES-T
Головка цилиндров 4-Х ТАКТНОГО ПЛМ HIDEA F30FES-T
Двигатель (часть 1) 4-Х ТАКТНОГО ПЛМ HIDEA F30FES-T
Двигатель (часть 2) 4-Х ТАКТНОГО ПЛМ HIDEA F30FES-T
Двигатель (часть 3) 4-Х ТАКТНОГО ПЛМ HIDEA F30FES-T
Двигатель (часть 4) 4-Х ТАКТНОГО ПЛМ HIDEA F30FES-T
Двигатель (часть 5) 4-Х ТАКТНОГО ПЛМ HIDEA F30FES-T
Дейдвуд 4-Х ТАКТНОГО ПЛМ HIDEA F30FES-T
Колпак 4-Х ТАКТНОГО ПЛМ HIDEA F30FES-T
Кронштейн 4-Х ТАКТНОГО ПЛМ HIDEA F30FES-T
Машинка газ-реверс 4-Х ТАКТНОГО ПЛМ HIDEA F30FES-T
Поддон 4-Х ТАКТНОГО ПЛМ HIDEA F30FES-T
Поршневая 4-Х ТАКТНОГО ПЛМ HIDEA F30FES-T
Редуктор 4-Х ТАКТНОГО ПЛМ HIDEA F30FES-T
Стартер 4-Х ТАКТНОГО ПЛМ HIDEA F30FES-T
Электростартер 4-Х ТАКТНОГО ПЛМ HIDEA F30FES-T
Запчасти для 4-х тактного ПЛМ HIDEA F30FHL
Головка цилиндра 4-Х ТАКТНОГО ПЛМ HIDEA F30FHL
Двигатель (часть 1) 4-Х ТАКТНОГО ПЛМ HIDEA F30FHL
Двигатель (часть 2) 4-Х ТАКТНОГО ПЛМ HIDEA F30FHL
Двигатель (часть 3) 4-Х ТАКТНОГО ПЛМ HIDEA F30FHL
Двигатель (часть 4) 4-Х ТАКТНОГО ПЛМ HIDEA F30FHL
Дейдвуд 4-Х ТАКТНОГО ПЛМ HIDEA F30FHL
Колпак 4-Х ТАКТНОГО ПЛМ HIDEA F30FHL
Поддон 4-Х ТАКТНОГО ПЛМ HIDEA F30FHL
Поршневая 4-Х ТАКТНОГО ПЛМ HIDEA F30FHL
Редуктор 4-Х ТАКТНОГО ПЛМ HIDEA F30FHL
Румпель 4-Х ТАКТНОГО ПЛМ HIDEA F30FHL
Стартер 4-Х ТАКТНОГО ПЛМ HIDEA F30FHL
Струбцина (часть 1) 4-Х ТАКТНОГО ПЛМ HIDEA F30FHL
Струбцина (часть 2) 4-Х ТАКТНОГО ПЛМ HIDEA F30FHL
Запчасти для 4-х тактного ПЛМ HIDEA F30FHS
Головка цилиндра 4-Х ТАКТНОГО ПЛМ HIDEA F30FHS
Двигатель (часть 1) 4-Х ТАКТНОГО ПЛМ HIDEA F30FHS
Двигатель (часть 2) 4-Х ТАКТНОГО ПЛМ HIDEA F30FHS
Двигатель (часть 3) 4-Х ТАКТНОГО ПЛМ HIDEA F30FHS
Двигатель (часть 4) 4-Х ТАКТНОГО ПЛМ HIDEA F30FHS
Дейдвуд 4-Х ТАКТНОГО ПЛМ HIDEA F30FHS
Колпак 4-Х ТАКТНОГО ПЛМ HIDEA F30FHS
Поддон 4-Х ТАКТНОГО ПЛМ HIDEA F30FHS
Поршневая 4-Х ТАКТНОГО ПЛМ HIDEA F30FHS
Редуктор 4-Х ТАКТНОГО ПЛМ HIDEA F30FHS
Румпель 4-Х ТАКТНОГО ПЛМ HIDEA F30FHS
Стартер 4-Х ТАКТНОГО ПЛМ HIDEA F30FHS
Струбцина (часть 1) 4-Х ТАКТНОГО ПЛМ HIDEA F30FHS
Струбцина (часть 2) 4-Х ТАКТНОГО ПЛМ HIDEA F30FHS
Запчасти для 4-х тактного ПЛМ HIDEA F8FHS
Двигатель 4-Х ТАКТНОГО ПЛМ HIDEA F8FHS
Дейдвуд 4-Х ТАКТНОГО ПЛМ HIDEA F8FHS
Клапана 4-Х ТАКТНОГО ПЛМ HIDEA F8FHS
Колпак 4-Х ТАКТНОГО ПЛМ HIDEA F8FHS
Кронштейн 4-Х ТАКТНОГО ПЛМ HIDEA F8FHS
Поддон 4-Х ТАКТНОГО ПЛМ HIDEA F8FHS
Поршневая 4-Х ТАКТНОГО ПЛМ HIDEA F8FHS
Редуктор 4-Х ТАКТНОГО ПЛМ HIDEA F8FHS
Румпель 4-Х ТАКТНОГО ПЛМ HIDEA F8FHS
Стартер 4-Х ТАКТНОГО ПЛМ HIDEA F8FHS
Струбцина 4-Х ТАКТНОГО ПЛМ HIDEA F8FHS
Запчасти для подвесных лодочных моторов MERCURY (2х-тактные)
Запчасти для 2-х тактного ПЛМ MERCURY ME 2,5M Серийный номер от 0A855097 до 0G710612
Аксессуары 2-Х ТАКТНОГО ПЛМ MERCURY ME 2,5M Серийный номер от 0A855097 до 0G710612
Блок цилиндров, коленчатый вал и поршень 2-Х ТАКТНОГО ПЛМ MERCURY ME 2,5M Серийный номер от 0A855097 до 0G710612
Вал и кронштейны 2-Х ТАКТНОГО ПЛМ MERCURY ME 2,5M Серийный номер от 0A855097 до 0G710612
Зажигание 2-Х ТАКТНОГО ПЛМ MERCURY ME 2,5M Серийный номер от 0A855097 до 0G710612
Капот и топливный бак 2-Х ТАКТНОГО ПЛМ MERCURY ME 2,5M Серийный номер от 0A855097 до 0G710612
Карбюратор 2-Х ТАКТНОГО ПЛМ MERCURY ME 2,5M Серийный номер от 0A855097 до 0G710612
Коробка передач 2-Х ТАКТНОГО ПЛМ MERCURY ME 2,5M Серийный номер от 0A855097 до 0G710612
Ручной стартер 2-Х ТАКТНОГО ПЛМ MERCURY ME 2,5M Серийный номер от 0A855097 до 0G710612
Спец. инструмент 2-Х ТАКТНОГО ПЛМ MERCURY ME 2,5M Серийный номер от 0A855097 до 0G710612
Стартер 2-Х ТАКТНОГО ПЛМ MERCURY ME 2,5M Серийный номер от 0A855097 до 0G710612
Запчасти для 2-х тактного ПЛМ MERCURY ME 2,5M Серийный номер от 0G710613 до 0T894576
Блок цилиндров 2-Х ТАКТНОГО ПЛМ MERCURY ME 2,5M Серийный номер от 0G710613 до 0T894576
Зажигание 2-Х ТАКТНОГО ПЛМ MERCURY ME 2,5M Серийный номер от 0G710613 до 0T894576
Инструменты 2-Х ТАКТНОГО ПЛМ MERCURY ME 2,5M Серийный номер от 0G710613 до 0T894576
Капот и топливный бак 2-Х ТАКТНОГО ПЛМ MERCURY ME 2,5M Серийный номер от 0G710613 до 0T894576
Карбюратор 2-Х ТАКТНОГО ПЛМ MERCURY ME 2,5M Серийный номер от 0G710613 до 0T894576
Коленчатый вал и поршень 2-Х ТАКТНОГО ПЛМ MERCURY ME 2,5M Серийный номер от 0G710613 до 0T894576
Комплектующие для прокладок двигателя 2-Х ТАКТНОГО ПЛМ MERCURY ME 2,5M Серийный номер от 0G710613 до 0T894576
Корпус карданного вала и зажимные скобы 2-Х ТАКТНОГО ПЛМ MERCURY ME 2,5M Серийный номер от 0G710613 до 0T894576
Корпус редуктора в сборе (2 / 2,5 л.с.) 2-Х ТАКТНОГО ПЛМ MERCURY ME 2,5M Серийный номер от 0G710613 до 0T894576
Корпус редуктора в сборе (3,3 л.с.) 2-Х ТАКТНОГО ПЛМ MERCURY ME 2,5M Серийный номер от 0G710613 до 0T894576
Ручной стартер 2-Х ТАКТНОГО ПЛМ MERCURY ME 2,5M Серийный номер от 0G710613 до 0T894576
Рычаг переключения 3.3 л.с. 2-Х ТАКТНОГО ПЛМ MERCURY ME 2,5M Серийный номер от 0G710613 до 0T894576
Запчасти для 2-х тактного ПЛМ MERCURY ME 2,5M Серийный номер от 0P017000 до 0P400999
Блок цилиндров 2-Х ТАКТНОГО ПЛМ MERCURY ME 2,5M Серийный номер от 0P017000 до 0P400999
Зажигание 2-Х ТАКТНОГО ПЛМ MERCURY ME 2,5M Серийный номер от 0P017000 до 0P400999
Инструменты 2-Х ТАКТНОГО ПЛМ MERCURY ME 2,5M Серийный номер от 0P017000 до 0P400999
Капот и топливный бак 2-Х ТАКТНОГО ПЛМ MERCURY ME 2,5M Серийный номер от 0P017000 до 0P400999
Карбюратор 2-Х ТАКТНОГО ПЛМ MERCURY ME 2,5M Серийный номер от 0P017000 до 0P400999
Коленчатый вал и поршень 2-Х ТАКТНОГО ПЛМ MERCURY ME 2,5M Серийный номер от 0P017000 до 0P400999
Комплектующие для прокладок двигателя 2-Х ТАКТНОГО ПЛМ MERCURY ME 2,5M Серийный номер от 0P017000 до 0P400999
Корпус карданного вала и зажимные скобы 2-Х ТАКТНОГО ПЛМ MERCURY ME 2,5M Серийный номер от 0P017000 до 0P400999
Корпус редуктора в сборе (2 / 2,5 л.с.) 2-Х ТАКТНОГО ПЛМ MERCURY ME 2,5M Серийный номер от 0P017000 до 0P400999
Корпус редуктора в сборе (3,3 л.с.) 2-Х ТАКТНОГО ПЛМ MERCURY ME 2,5M Серийный номер от 0P017000 до 0P400999
Ручной стартер 2-Х ТАКТНОГО ПЛМ MERCURY ME 2,5M Серийный номер от 0P017000 до 0P400999
Рычаг КПП 2-Х ТАКТНОГО ПЛМ MERCURY ME 2,5M Серийный номер от 0P017000 до 0P400999
Запчасти для 2-х тактного ПЛМ MERCURY ME 2,5M Серийный номер от 0P401000 и выше
Блок цилиндров 2-Х ТАКТНОГО ПЛМ MERCURY ME 2,5M Серийный номер от 0P401000 и выше
Зажигание 2-Х ТАКТНОГО ПЛМ MERCURY ME 2,5M Серийный номер от 0P401000 и выше
Инструменты 2-Х ТАКТНОГО ПЛМ MERCURY ME 2,5M Серийный номер от 0P401000 и выше
Капот и топливный бак, 1B575522 и ниже 2-Х ТАКТНОГО ПЛМ MERCURY ME 2,5M Серийный номер от 0P401000 и выше
Капот и топливный бак, 1B575523 и выше 2-Х ТАКТНОГО ПЛМ MERCURY ME 2,5M Серийный номер от 0P401000 и выше
Карбюратор 2-Х ТАКТНОГО ПЛМ MERCURY ME 2,5M Серийный номер от 0P401000 и выше
Коленчатый вал и поршень 2-Х ТАКТНОГО ПЛМ MERCURY ME 2,5M Серийный номер от 0P401000 и выше
Комплектующие для прокладок двигателя 2-Х ТАКТНОГО ПЛМ MERCURY ME 2,5M Серийный номер от 0P401000 и выше
Корпус карданного вала и зажимные скобы 2-Х ТАКТНОГО ПЛМ MERCURY ME 2,5M Серийный номер от 0P401000 и выше
Корпус редуктора в сборе, 2 / 2.5 л.с. 2-Х ТАКТНОГО ПЛМ MERCURY ME 2,5M Серийный номер от 0P401000 и выше
Корпус редуктора в сборе, 3.3 л.с. 2-Х ТАКТНОГО ПЛМ MERCURY ME 2,5M Серийный номер от 0P401000 и выше
Ручной стартер 2-Х ТАКТНОГО ПЛМ MERCURY ME 2,5M Серийный номер от 0P401000 и выше
Рычаг КПП, 3.3 л.с. 2-Х ТАКТНОГО ПЛМ MERCURY ME 2,5M Серийный номер от 0P401000 и выше
Запчасти для 2-х тактного ПЛМ MERCURY ME 2,5M Серийный номер от 0T894577 и выше
Блок цилиндров 2-Х ТАКТНОГО ПЛМ MERCURY ME 2,5M Серийный номер от 0T894577 и выше
Зажигание 2-Х ТАКТНОГО ПЛМ MERCURY ME 2,5M Серийный номер от 0T894577 и выше
Инструменты 2-Х ТАКТНОГО ПЛМ MERCURY ME 2,5M Серийный номер от 0T894577 и выше
Капот и топливный бак, 1B575522 и ранее 2-Х ТАКТНОГО ПЛМ MERCURY ME 2,5M Серийный номер от 0T894577 и выше
Капот и топливный бак, 1B575523 и выше 2-Х ТАКТНОГО ПЛМ MERCURY ME 2,5M Серийный номер от 0T894577 и выше
Карбюратор 2-Х ТАКТНОГО ПЛМ MERCURY ME 2,5M Серийный номер от 0T894577 и выше
Коленчатый вал и поршень 2-Х ТАКТНОГО ПЛМ MERCURY ME 2,5M Серийный номер от 0T894577 и выше
Комплектующие для прокладок двигателя 2-Х ТАКТНОГО ПЛМ MERCURY ME 2,5M Серийный номер от 0T894577 и выше
Корпус карданного вала и зажимные скобы 2-Х ТАКТНОГО ПЛМ MERCURY ME 2,5M Серийный номер от 0T894577 и выше
Корпус редуктора в сборе, 2 / 2.5 л.с. 2-Х ТАКТНОГО ПЛМ MERCURY ME 2,5M Серийный номер от 0T894577 и выше
Корпус редуктора в сборе, 3.3 л.с. 2-Х ТАКТНОГО ПЛМ MERCURY ME 2,5M Серийный номер от 0T894577 и выше
Ручной стартер 2-Х ТАКТНОГО ПЛМ MERCURY ME 2,5M Серийный номер от 0T894577 и выше
Рычаг КПП, 3.3 л.с. 2-Х ТАКТНОГО ПЛМ MERCURY ME 2,5M Серийный номер от 0T894577 и выше
Запчасти для 2-х тактного ПЛМ MERCURY 3.3M Серийный номер от 0D901217 до 0G710612
Блок цилиндров 2-Х ТАКТНОГО ПЛМ MERCURY 3.3M Серийный номер от 0D901217 до 0G710612
Вал и кронштейны 2-Х ТАКТНОГО ПЛМ MERCURY 3.3M Серийный номер от 0D901217 до 0G710612
Зажигание 2-Х ТАКТНОГО ПЛМ MERCURY 3.3M Серийный номер от 0D901217 до 0G710612
Капот и топливный бак 2-Х ТАКТНОГО ПЛМ MERCURY 3.3M Серийный номер от 0D901217 до 0G710612
Карбюратор 2-Х ТАКТНОГО ПЛМ MERCURY 3.3M Серийный номер от 0D901217 до 0G710612
Коленвал 2-Х ТАКТНОГО ПЛМ MERCURY 3.3M Серийный номер от 0D901217 до 0G710612
Коробка передач (SHIFTABLE ENGINES) 2-Х ТАКТНОГО ПЛМ MERCURY 3.3M Серийный номер от 0D901217 до 0G710612
Коробка передач 2-Х ТАКТНОГО ПЛМ MERCURY 3.3M Серийный номер от 0D901217 до 0G710612
Ручной стартер 2-Х ТАКТНОГО ПЛМ MERCURY 3.3M Серийный номер от 0D901217 до 0G710612
Рычаг переключения передач 2-Х ТАКТНОГО ПЛМ MERCURY 3.3M Серийный номер от 0D901217 до 0G710612
Специальные инструменты 2-Х ТАКТНОГО ПЛМ MERCURY 3.3M Серийный номер от 0D901217 до 0G710612
Запчасти для 2-х тактного ПЛМ MERCURY 3.3M Серийный номер от 0G710613 до 0T894576
Блок цилиндров 2-Х ТАКТНОГО ПЛМ MERCURY 3.3M Серийный номер от 0G710613 до 0T894576
Зажигание 2-Х ТАКТНОГО ПЛМ MERCURY 3.3M Серийный номер от 0G710613 до 0T894576
Инструменты 2-Х ТАКТНОГО ПЛМ MERCURY 3.3M Серийный номер от 0G710613 до 0T894576
Капот и топливный бак 2-Х ТАКТНОГО ПЛМ MERCURY 3.3M Серийный номер от 0G710613 до 0T894576
Карбюратор 2-Х ТАКТНОГО ПЛМ MERCURY 3.3M Серийный номер от 0G710613 до 0T894576
Коленчатый вал и поршень 2-Х ТАКТНОГО ПЛМ MERCURY 3.3M Серийный номер от 0G710613 до 0T894576
Комплектующие для прокладок двигателя 2-Х ТАКТНОГО ПЛМ MERCURY 3.3M Серийный номер от 0G710613 до 0T894576
Корпус карданного вала и зажимные скобы 2-Х ТАКТНОГО ПЛМ MERCURY 3.3M Серийный номер от 0G710613 до 0T894576
Корпус редуктора в сборе (2 / 2,5 л.с.) 2-Х ТАКТНОГО ПЛМ MERCURY 3.3M Серийный номер от 0G710613 до 0T894576
Корпус редуктора в сборе (3,3 л.с.) 2-Х ТАКТНОГО ПЛМ MERCURY 3.3M Серийный номер от 0G710613 до 0T894576
Механизм переключения передач 2-Х ТАКТНОГО ПЛМ MERCURY 3.3M Серийный номер от 0G710613 до 0T894576
Ручной стартер 2-Х ТАКТНОГО ПЛМ MERCURY 3.3M Серийный номер от 0G710613 до 0T894576
Запчасти для 2-х тактного ПЛМ MERCURY 3.3M Серийный номер от 0P017000 до 0P400999
Блок цилиндров 2-Х ТАКТНОГО ПЛМ MERCURY 3.3M Серийный номер от 0P017000 до 0P400999
Зажигание 2-Х ТАКТНОГО ПЛМ MERCURY 3.3M Серийный номер от 0P017000 до 0P400999
Инструменты 2-Х ТАКТНОГО ПЛМ MERCURY 3.3M Серийный номер от 0P017000 до 0P400999
Капот и топливный бак 2-Х ТАКТНОГО ПЛМ MERCURY 3.3M Серийный номер от 0P017000 до 0P400999
Карбюратор 2-Х ТАКТНОГО ПЛМ MERCURY 3.3M Серийный номер от 0P017000 до 0P400999
Коленчатый вал и поршень 2-Х ТАКТНОГО ПЛМ MERCURY 3.3M Серийный номер от 0P017000 до 0P400999
Комплектующие для прокладок двигателя 2-Х ТАКТНОГО ПЛМ MERCURY 3.3M Серийный номер от 0P017000 до 0P400999
Корпус карданного вала и зажимные скобы 2-Х ТАКТНОГО ПЛМ MERCURY 3.3M Серийный номер от 0P017000 до 0P400999
Корпус редуктора в сборе (2 / 2,5 л.с.) 2-Х ТАКТНОГО ПЛМ MERCURY 3.3M Серийный номер от 0P017000 до 0P400999
Корпус редуктора в сборе (3,3 л.с.) 2-Х ТАКТНОГО ПЛМ MERCURY 3.3M Серийный номер от 0P017000 до 0P400999
Механизм переключения передач 2-Х ТАКТНОГО ПЛМ MERCURY 3.3M Серийный номер от 0P017000 до 0P400999
Ручной стартер 2-Х ТАКТНОГО ПЛМ MERCURY 3.3M Серийный номер от 0P017000 до 0P400999
Запчасти для 2-х тактного ПЛМ MERCURY 3.3M Серийный номер от 0P401000 и выше
Блок цилиндров 2-Х ТАКТНОГО ПЛМ MERCURY 3.3M Серийный номер от 0P401000 и выше
Зажигание 2-Х ТАКТНОГО ПЛМ MERCURY 3.3M Серийный номер от 0P401000 и выше
Инструменты 2-Х ТАКТНОГО ПЛМ MERCURY 3.3M Серийный номер от 0P401000 и выше
Капот и топливный бак, 1B575522 и ниже 2-Х ТАКТНОГО ПЛМ MERCURY 3.3M Серийный номер от 0P401000 и выше
Капот и топливный бак, 1B575523 и выше 2-Х ТАКТНОГО ПЛМ MERCURY 3.3M Серийный номер от 0P401000 и выше
Карбюратор 2-Х ТАКТНОГО ПЛМ MERCURY 3.3M Серийный номер от 0P401000 и выше
Коленчатый вал и поршень 2-Х ТАКТНОГО ПЛМ MERCURY 3.3M Серийный номер от 0P401000 и выше
Комплектующие для прокладок двигателя 2-Х ТАКТНОГО ПЛМ MERCURY 3.3M Серийный номер от 0P401000 и выше
Корпус карданного вала и зажимные скобы 2-Х ТАКТНОГО ПЛМ MERCURY 3.3M Серийный номер от 0P401000 и выше
Корпус редуктора в сборе, 2 / 2.5 л.с. 2-Х ТАКТНОГО ПЛМ MERCURY 3.3M Серийный номер от 0P401000 и выше
Корпус редуктора в сборе, 3.3 л.с. 2-Х ТАКТНОГО ПЛМ MERCURY 3.3M Серийный номер от 0P401000 и выше
Ручной стартер 2-Х ТАКТНОГО ПЛМ MERCURY 3.3M Серийный номер от 0P401000 и выше
Рычаг переключения передач 2-Х ТАКТНОГО ПЛМ MERCURY 3.3M Серийный номер от 0P401000 и выше
Запчасти для 2-х тактного ПЛМ MERCURY 3.3M Серийный номер от 0T894577 и выше
Блок цилиндров 2-Х ТАКТНОГО ПЛМ MERCURY 3.3M Серийный номер от 0T894577 и выше
Зажигание 2-Х ТАКТНОГО ПЛМ MERCURY 3.3M Серийный номер от 0T894577 и выше
Инструменты 2-Х ТАКТНОГО ПЛМ MERCURY 3.3M Серийный номер от 0T894577 и выше
Капот и топливный бак, 1B575522 и ниже 2-Х ТАКТНОГО ПЛМ MERCURY 3.3M Серийный номер от 0T894577 и выше
Капот и топливный бак, 1B575523 и выше 2-Х ТАКТНОГО ПЛМ MERCURY 3.3M Серийный номер от 0T894577 и выше
Карбюратор 2-Х ТАКТНОГО ПЛМ MERCURY 3.3M Серийный номер от 0T894577 и выше
Коленчатый вал и поршень 2-Х ТАКТНОГО ПЛМ MERCURY 3.3M Серийный номер от 0T894577 и выше
Комплектующие для прокладок двигателя 2-Х ТАКТНОГО ПЛМ MERCURY 3.3M Серийный номер от 0T894577 и выше
Корпус карданного вала и зажимные скобы 2-Х ТАКТНОГО ПЛМ MERCURY 3.3M Серийный номер от 0T894577 и выше
Корпус редуктора в сборе, 2 / 2.5 л.с. 2-Х ТАКТНОГО ПЛМ MERCURY 3.3M Серийный номер от 0T894577 и выше
Корпус редуктора в сборе, 3.3 л.с. 2-Х ТАКТНОГО ПЛМ MERCURY 3.3M Серийный номер от 0T894577 и выше
Ручной стартер 2-Х ТАКТНОГО ПЛМ MERCURY 3.3M Серийный номер от 0T894577 и выше
Рычаг переключения передач 2-Х ТАКТНОГО ПЛМ MERCURY 3.3M Серийный номер от 0T894577 и выше
Запчасти для 2-х тактного ПЛМ MERCURY 4 M Серийный номер от 0G710613 до 0T894438
Аксессуары 2-Х ТАКТНОГО ПЛМ MERCURY 4 M Серийный номер от 0G710613 до 0T894438
Блок цилиндров, коленчатый вал, поршень 2-Х ТАКТНОГО ПЛМ MERCURY 4 M Серийный номер от 0G710613 до 0T894438
Зажим и поворотные кронштейны 2-Х ТАКТНОГО ПЛМ MERCURY 4 M Серийный номер от 0G710613 до 0T894438
Инструменты 2-Х ТАКТНОГО ПЛМ MERCURY 4 M Серийный номер от 0G710613 до 0T894438
Капот 2-Х ТАКТНОГО ПЛМ MERCURY 4 M Серийный номер от 0G710613 до 0T894438
Карбюратор 2-Х ТАКТНОГО ПЛМ MERCURY 4 M Серийный номер от 0G710613 до 0T894438
Комплект для дистанционного управления 2-Х ТАКТНОГО ПЛМ MERCURY 4 M Серийный номер от 0G710613 до 0T894438
Комплектующие для прокладок двигателя 2-Х ТАКТНОГО ПЛМ MERCURY 4 M Серийный номер от 0G710613 до 0T894438
Компоненты дроссельной заслонки 2-Х ТАКТНОГО ПЛМ MERCURY 4 M Серийный номер от 0G710613 до 0T894438
Компоненты корпуса редуктора 2-Х ТАКТНОГО ПЛМ MERCURY 4 M Серийный номер от 0G710613 до 0T894438
Корпус карданного вала, редуктор 2-Х ТАКТНОГО ПЛМ MERCURY 4 M Серийный номер от 0G710613 до 0T894438
Магнето и компоненты зажигания 2-Х ТАКТНОГО ПЛМ MERCURY 4 M Серийный номер от 0G710613 до 0T894438
Ручной стартер 2-Х ТАКТНОГО ПЛМ MERCURY 4 M Серийный номер от 0G710613 до 0T894438
Рычаг переключения передач 2-Х ТАКТНОГО ПЛМ MERCURY 4 M Серийный номер от 0G710613 до 0T894438
Топливный бак 2-Х ТАКТНОГО ПЛМ MERCURY 4 M Серийный номер от 0G710613 до 0T894438
Запчасти для 2-х тактного ПЛМ MERCURY 4 M Серийный номер от 0P017000 до 0P400999
Аксессуары 2-Х ТАКТНОГО ПЛМ MERCURY 4 M Серийный номер от 0P017000 до 0P400999
Блок цилиндров, коленчатый вал, поршень 2-Х ТАКТНОГО ПЛМ MERCURY 4 M Серийный номер от 0P017000 до 0P400999
Зажим и поворотные кронштейны 2-Х ТАКТНОГО ПЛМ MERCURY 4 M Серийный номер от 0P017000 до 0P400999
Инструменты 2-Х ТАКТНОГО ПЛМ MERCURY 4 M Серийный номер от 0P017000 до 0P400999
Капот 2-Х ТАКТНОГО ПЛМ MERCURY 4 M Серийный номер от 0P017000 до 0P400999
Карбюратор 2-Х ТАКТНОГО ПЛМ MERCURY 4 M Серийный номер от 0P017000 до 0P400999
Комплект для дистанционного управления 2-Х ТАКТНОГО ПЛМ MERCURY 4 M Серийный номер от 0P017000 до 0P400999
Комплектующие для прокладок двигателя 2-Х ТАКТНОГО ПЛМ MERCURY 4 M Серийный номер от 0P017000 до 0P400999
Компоненты дроссельной заслонки 2-Х ТАКТНОГО ПЛМ MERCURY 4 M Серийный номер от 0P017000 до 0P400999
Компоненты корпуса редуктора 2-Х ТАКТНОГО ПЛМ MERCURY 4 M Серийный номер от 0P017000 до 0P400999
Корпус карданного вала, редуктор 2-Х ТАКТНОГО ПЛМ MERCURY 4 M Серийный номер от 0P017000 до 0P400999
Магнето и компоненты зажигания 2-Х ТАКТНОГО ПЛМ MERCURY 4 M Серийный номер от 0P017000 до 0P400999
Ручной стартер 2-Х ТАКТНОГО ПЛМ MERCURY 4 M Серийный номер от 0P017000 до 0P400999
Рычаг переключения передач 2-Х ТАКТНОГО ПЛМ MERCURY 4 M Серийный номер от 0P017000 до 0P400999
Топливный бак 2-Х ТАКТНОГО ПЛМ MERCURY 4 M Серийный номер от 0P017000 до 0P400999
Запчасти для 2-х тактного ПЛМ MERCURY 4 M Серийный номер от 0P401000 и выше
Аксессуары 2-Х ТАКТНОГО ПЛМ MERCURY 4 M Серийный номер от 0P401000 и выше
Блок цилиндров, коленчатый вал, поршень 2-Х ТАКТНОГО ПЛМ MERCURY 4 M Серийный номер от 0P401000 и выше
Зажим и поворотные кронштейны 2-Х ТАКТНОГО ПЛМ MERCURY 4 M Серийный номер от 0P401000 и выше
Инструменты 2-Х ТАКТНОГО ПЛМ MERCURY 4 M Серийный номер от 0P401000 и выше
Капот 2-Х ТАКТНОГО ПЛМ MERCURY 4 M Серийный номер от 0P401000 и выше
Карбюратор 2-Х ТАКТНОГО ПЛМ MERCURY 4 M Серийный номер от 0P401000 и выше
Комплект для дистанционного управления 2-Х ТАКТНОГО ПЛМ MERCURY 4 M Серийный номер от 0P401000 и выше
Комплектующие для прокладок двигателя 2-Х ТАКТНОГО ПЛМ MERCURY 4 M Серийный номер от 0P401000 и выше
Компоненты дроссельной заслонки 2-Х ТАКТНОГО ПЛМ MERCURY 4 M Серийный номер от 0P401000 и выше
Компоненты корпуса редуктора 2-Х ТАКТНОГО ПЛМ MERCURY 4 M Серийный номер от 0P401000 и выше
Корпус карданного вала, редуктор 2-Х ТАКТНОГО ПЛМ MERCURY 4 M Серийный номер от 0P401000 и выше
Магнето и компоненты зажигания 2-Х ТАКТНОГО ПЛМ MERCURY 4 M Серийный номер от 0P401000 и выше
Ручной стартер 2-Х ТАКТНОГО ПЛМ MERCURY 4 M Серийный номер от 0P401000 и выше
Рычаг переключения передач 2-Х ТАКТНОГО ПЛМ MERCURY 4 M Серийный номер от 0P401000 и выше
Топливный бак 2-Х ТАКТНОГО ПЛМ MERCURY 4 M Серийный номер от 0P401000 и выше
Запчасти для 2-х тактного ПЛМ MERCURY 4 M Серийный номер от 0T894439 и выше
Аксессуары 2-Х ТАКТНОГО ПЛМ MERCURY 4 M Серийный номер от 0T894439 и выше
Блок цилиндров, коленчатый вал, поршень 2-Х ТАКТНОГО ПЛМ MERCURY 4 M Серийный номер от 0T894439 и выше
Зажим и поворотные кронштейны 2-Х ТАКТНОГО ПЛМ MERCURY 4 M Серийный номер от 0T894439 и выше
Инструменты 2-Х ТАКТНОГО ПЛМ MERCURY 4 M Серийный номер от 0T894439 и выше
Капот 2-Х ТАКТНОГО ПЛМ MERCURY 4 M Серийный номер от 0T894439 и выше
Карбюратор 2-Х ТАКТНОГО ПЛМ MERCURY 4 M Серийный номер от 0T894439 и выше
Комплект для дистанционного управления 2-Х ТАКТНОГО ПЛМ MERCURY 4 M Серийный номер от 0T894439 и выше
Комплектующие для прокладок двигателя 2-Х ТАКТНОГО ПЛМ MERCURY 4 M Серийный номер от 0T894439 и выше
Компоненты дроссельной заслонки 2-Х ТАКТНОГО ПЛМ MERCURY 4 M Серийный номер от 0T894439 и выше
Компоненты корпуса редуктора 2-Х ТАКТНОГО ПЛМ MERCURY 4 M Серийный номер от 0T894439 и выше
Корпус карданного вала, редуктор 2-Х ТАКТНОГО ПЛМ MERCURY 4 M Серийный номер от 0T894439 и выше
Магнето и компоненты зажигания 2-Х ТАКТНОГО ПЛМ MERCURY 4 M Серийный номер от 0T894439 и выше
Ручной стартер 2-Х ТАКТНОГО ПЛМ MERCURY 4 M Серийный номер от 0T894439 и выше
Рычаг переключения передач 2-Х ТАКТНОГО ПЛМ MERCURY 4 M Серийный номер от 0T894439 и выше
Топливный бак 2-Х ТАКТНОГО ПЛМ MERCURY 4 M Серийный номер от 0T894439 и выше
Запчасти для 2-х тактного ПЛМ MERCURY 5 M Серийный номер от 0G710613 до 0T894438
Аксессуары 2-х тактного ПЛМ MERCURY 5 M Серийный номер от 0G710613 до 0T894438
Блок цилиндров, коленчатый вал, поршень 2-х тактного ПЛМ MERCURY 5 M Серийный номер от 0G710613 до 0T894438
Зажим и поворотные кронштейны 2-х тактного ПЛМ MERCURY 5 M Серийный номер от 0G710613 до 0T894438
Инструменты 2-х тактного ПЛМ MERCURY 5 M Серийный номер от 0G710613 до 0T894438
Капот 2-х тактного ПЛМ MERCURY 5 M Серийный номер от 0G710613 до 0T894438
Карбюратор 2-х тактного ПЛМ MERCURY 5 M Серийный номер от 0G710613 до 0T894438
Комплект для дистанционного управления 2-х тактного ПЛМ MERCURY 5 M Серийный номер от 0G710613 до 0T894438
Комплектующие для прокладок двигателя 2-х тактного ПЛМ MERCURY 5 M Серийный номер от 0G710613 до 0T894438
Компоненты дроссельной заслонки 2-х тактного ПЛМ MERCURY 5 M Серийный номер от 0G710613 до 0T894438
Компоненты корпуса редуктора 2-х тактного ПЛМ MERCURY 5 M Серийный номер от 0G710613 до 0T894438
Корпус карданного вала, редуктор 2-х тактного ПЛМ MERCURY 5 M Серийный номер от 0G710613 до 0T894438
Магнето и компоненты зажигания 2-х тактного ПЛМ MERCURY 5 M Серийный номер от 0G710613 до 0T894438
Ручка переключения передач 2-х тактного ПЛМ MERCURY 5 M Серийный номер от 0G710613 до 0T894438
Ручной стартер 2-х тактного ПЛМ MERCURY 5 M Серийный номер от 0G710613 до 0T894438
Топливный бак 2-х тактного ПЛМ MERCURY 5 M Серийный номер от 0G710613 до 0T894438
Запчасти для 2-х тактного ПЛМ MERCURY 5 M Серийный номер от 0P017000 до 0P400999
Аксессуары 2-х тактного ПЛМ MERCURY 5 M Серийный номер от 0P017000 до 0P400999
Блок цилиндров, коленчатый вал, поршень 2-х тактного ПЛМ MERCURY 5 M Серийный номер от 0P017000 до 0P400999
Зажим и поворотные кронштейны 2-х тактного ПЛМ MERCURY 5 M Серийный номер от 0P017000 до 0P400999
Инструменты 2-х тактного ПЛМ MERCURY 5 M Серийный номер от 0P017000 до 0P400999
Капот 2-х тактного ПЛМ MERCURY 5 M Серийный номер от 0P017000 до 0P400999
Карбюратор 2-х тактного ПЛМ MERCURY 5 M Серийный номер от 0P017000 до 0P400999
Комплект для дистанционного управления 2-х тактного ПЛМ MERCURY 5 M Серийный номер от 0P017000 до 0P400999
Комплектующие для прокладок двигателя 2-х тактного ПЛМ MERCURY 5 M Серийный номер от 0P017000 до 0P400999
Компоненты дроссельной заслонки 2-х тактного ПЛМ MERCURY 5 M Серийный номер от 0P017000 до 0P400999
Компоненты корпуса редуктора 2-х тактного ПЛМ MERCURY 5 M Серийный номер от 0P017000 до 0P400999
Корпус карданного вала, редуктор 2-х тактного ПЛМ MERCURY 5 M Серийный номер от 0P017000 до 0P400999
Магнето и компоненты зажигания 2-х тактного ПЛМ MERCURY 5 M Серийный номер от 0P017000 до 0P400999
Ручка переключения передач 2-х тактного ПЛМ MERCURY 5 M Серийный номер от 0P017000 до 0P400999
Ручной стартер 2-х тактного ПЛМ MERCURY 5 M Серийный номер от 0P017000 до 0P400999
Топливный бак 2-х тактного ПЛМ MERCURY 5 M Серийный номер от 0P017000 до 0P400999
Запчасти для 2-х тактного ПЛМ MERCURY 5 M Серийный номер от 0P401000 и выше
Аксессуары 2-х тактного ПЛМ MERCURY 5 M Серийный номер от 0P401000 и выше
Блок цилиндров, коленчатый вал, поршень 2-х тактного ПЛМ MERCURY 5 M Серийный номер от 0P401000 и выше
Зажим и поворотные кронштейны 2-х тактного ПЛМ MERCURY 5 M Серийный номер от 0P401000 и выше
Инструменты 2-х тактного ПЛМ MERCURY 5 M Серийный номер от 0P401000 и выше
Капот 2-х тактного ПЛМ MERCURY 5 M Серийный номер от 0P401000 и выше
Карбюратор 2-х тактного ПЛМ MERCURY 5 M Серийный номер от 0P401000 и выше
Комплект для дистанционного управления 2-х тактного ПЛМ MERCURY 5 M Серийный номер от 0P401000 и выше
Комплектующие для прокладок двигателя 2-х тактного ПЛМ MERCURY 5 M Серийный номер от 0P401000 и выше
Компоненты дроссельной заслонки 2-х тактного ПЛМ MERCURY 5 M Серийный номер от 0P401000 и выше
Компоненты корпуса редуктора 2-х тактного ПЛМ MERCURY 5 M Серийный номер от 0P401000 и выше
Корпус карданного вала, редуктор 2-х тактного ПЛМ MERCURY 5 M Серийный номер от 0P401000 и выше
Магнето и компоненты зажигания 2-х тактного ПЛМ MERCURY 5 M Серийный номер от 0P401000 и выше
Ручка переключения передач 2-х тактного ПЛМ MERCURY 5 M Серийный номер от 0P401000 и выше
Ручной стартер 2-х тактного ПЛМ MERCURY 5 M Серийный номер от 0P401000 и выше
Топливный бак 2-х тактного ПЛМ MERCURY 5 M Серийный номер от 0P401000 и выше
Запчасти для 2-х тактного ПЛМ MERCURY 5 M Серийный номер от 0T894439 и выше
Аксессуары 2-х тактного ПЛМ MERCURY 5 M Серийный номер от 0T894439 и выше
Блок цилиндров, коленчатый вал, поршень 2-х тактного ПЛМ MERCURY 5 M Серийный номер от 0T894439 и выше
Зажим и поворотные кронштейны 2-х тактного ПЛМ MERCURY 5 M Серийный номер от 0T894439 и выше
Инструменты 2-х тактного ПЛМ MERCURY 5 M Серийный номер от 0T894439 и выше
Капот 2-х тактного ПЛМ MERCURY 5 M Серийный номер от 0T894439 и выше
Карбюратор 2-х тактного ПЛМ MERCURY 5 M Серийный номер от 0T894439 и выше
Комплект для дистанционного управления 2-х тактного ПЛМ MERCURY 5 M Серийный номер от 0T894439 и выше
Комплектующие для прокладок двигателя 2-х тактного ПЛМ MERCURY 5 M Серийный номер от 0T894439 и выше
Компоненты дроссельной заслонки 2-х тактного ПЛМ MERCURY 5 M Серийный номер от 0T894439 и выше
Компоненты корпуса редуктора 2-х тактного ПЛМ MERCURY 5 M Серийный номер от 0T894439 и выше
Корпус карданного вала, редуктор 2-х тактного ПЛМ MERCURY 5 M Серийный номер от 0T894439 и выше
Магнето и компоненты зажигания 2-х тактного ПЛМ MERCURY 5 M Серийный номер от 0T894439 и выше
Ручка переключения передач 2-х тактного ПЛМ MERCURY 5 M Серийный номер от 0T894439 и выше
Ручной стартер 2-х тактного ПЛМ MERCURY 5 M Серийный номер от 0T894439 и выше
Топливный бак 2-х тактного ПЛМ MERCURY 5 M Серийный номер от 0T894439 и выше
Запчасти для 2-х тактного ПЛМ MERCURY 9.9 M TMC Серийный номер от 0N059858 и выше
Аксессуары 2-х тактного ПЛМ MERCURY 9.9 M TMC Серийный номер от 0N059858 и выше
Блок цилиндров 2-х тактного ПЛМ MERCURY 9.9 M TMC Серийный номер от 0N059858 и выше
Блокировка обратного вращения 2-х тактного ПЛМ MERCURY 9.9 M TMC Серийный номер от 0N059858 и выше
Воздушный глушитель и топливопроводы 2-х тактного ПЛМ MERCURY 9.9 M TMC Серийный номер от 0N059858 и выше
Впускной коллектор 2-х тактного ПЛМ MERCURY 9.9 M TMC Серийный номер от 0N059858 и выше
Дистанционное управление-боковое крепление без силовой отделки 2-х тактного ПЛМ MERCURY 9.9 M TMC Серийный номер от 0N059858 и выше
Дроссельная тяга, рукоятка управления 2-х тактного ПЛМ MERCURY 9.9 M TMC Серийный номер от 0N059858 и выше
Зажимная скоба 2-х тактного ПЛМ MERCURY 9.9 M TMC Серийный номер от 0N059858 и выше
Инструменты 2-х тактного ПЛМ MERCURY 9.9 M TMC Серийный номер от 0N059858 и выше
Капот 2-х тактного ПЛМ MERCURY 9.9 M TMC Серийный номер от 0N059858 и выше
Карбюратор 2-х тактного ПЛМ MERCURY 9.9 M TMC Серийный номер от 0N059858 и выше
Коленчатый вал, поршни и шатуны 2-х тактного ПЛМ MERCURY 9.9 M TMC Серийный номер от 0N059858 и выше
Комплект для дистанционного управления 2-х тактного ПЛМ MERCURY 9.9 M TMC Серийный номер от 0N059858 и выше
Коробка передач 2-х тактного ПЛМ MERCURY 9.9 M TMC Серийный номер от 0N059858 и выше
Корпус карданного вала 2-х тактного ПЛМ MERCURY 9.9 M TMC Серийный номер от 0N059858 и выше
Корпус редуктора, карданный вал (Часть 1) 2-х тактного ПЛМ MERCURY 9.9 M TMC Серийный номер от 0N059858 и выше
Корпус редуктора, карданный вал (Часть 2) 2-х тактного ПЛМ MERCURY 9.9 M TMC Серийный номер от 0N059858 и выше
Поворотный кронштейн 2-х тактного ПЛМ MERCURY 9.9 M TMC Серийный номер от 0N059858 и выше
Ручной стартер 2-х тактного ПЛМ MERCURY 9.9 M TMC Серийный номер от 0N059858 и выше
Соединительные компоненты 2-х тактного ПЛМ MERCURY 9.9 M TMC Серийный номер от 0N059858 и выше
Топливный бак пластиковый 6.6 гал. 2-х тактного ПЛМ MERCURY 9.9 M TMC Серийный номер от 0N059858 и выше
Электрика 2-х тактного ПЛМ MERCURY 9.9 M TMC Серийный номер от 0N059858 и выше
Электростартер 2-х тактного ПЛМ MERCURY 9.9 M TMC Серийный номер от 0N059858 и выше
Запчасти для 2-х тактного ПЛМ MERCURY 9.9 MH 169CC Серийный номер от 0N007788 до 0N055109
Аксессуары 2-х тактного ПЛМ MERCURY 9.9 MH 169CC Серийный номер от 0N007788 до 0N055109
Блок цилиндров 2-х тактного ПЛМ MERCURY 9.9 MH 169CC Серийный номер от 0N007788 до 0N055109
Впускной коллектор 2-х тактного ПЛМ MERCURY 9.9 MH 169CC Серийный номер от 0N007788 до 0N055109
Дроссельная тяга 2-х тактного ПЛМ MERCURY 9.9 MH 169CC Серийный номер от 0N007788 до 0N055109
Зажим и поворотные кронштейны 2-х тактного ПЛМ MERCURY 9.9 MH 169CC Серийный номер от 0N007788 до 0N055109
Инструменты 2-х тактного ПЛМ MERCURY 9.9 MH 169CC Серийный номер от 0N007788 до 0N055109
Капот 2-х тактного ПЛМ MERCURY 9.9 MH 169CC Серийный номер от 0N007788 до 0N055109
Карбюратор 2-х тактного ПЛМ MERCURY 9.9 MH 169CC Серийный номер от 0N007788 до 0N055109
Коленчатый вал, поршни и шатуны 2-х тактного ПЛМ MERCURY 9.9 MH 169CC Серийный номер от 0N007788 до 0N055109
Коробка передач 2-х тактного ПЛМ MERCURY 9.9 MH 169CC Серийный номер от 0N007788 до 0N055109
Корпус карданного вала 2-х тактного ПЛМ MERCURY 9.9 MH 169CC Серийный номер от 0N007788 до 0N055109
Корпус редуктора, карданный вал (Часть 1) 2-х тактного ПЛМ MERCURY 9.9 MH 169CC Серийный номер от 0N007788 до 0N055109
Корпус редуктора, карданный вал (Часть 2) 2-х тактного ПЛМ MERCURY 9.9 MH 169CC Серийный номер от 0N007788 до 0N055109
Рукоятка рулевого управления 2-х тактного ПЛМ MERCURY 9.9 MH 169CC Серийный номер от 0N007788 до 0N055109
Ручной стартер 2-х тактного ПЛМ MERCURY 9.9 MH 169CC Серийный номер от 0N007788 до 0N055109
Топливный бак в сборе (пластик 3,2 галлона) 2-х тактного ПЛМ MERCURY 9.9 MH 169CC Серийный номер от 0N007788 до 0N055109
Электрика 2-х тактного ПЛМ MERCURY 9.9 MH 169CC Серийный номер от 0N007788 до 0N055109
Электростартер 2-х тактного ПЛМ MERCURY 9.9 MH 169CC Серийный номер от 0N007788 до 0N055109
Запчасти для 2-х тактного ПЛМ MERCURY 15 MH 294CC Серийный номер от 0N001590 до 0N055284
Аксессуары 2-Х ТАКТНОГО ПЛМ MERCURY 15 MH 294CC Серийный номер от 0N001590 до 0N055284
Блок цилиндров 2-Х ТАКТНОГО ПЛМ MERCURY 15 MH 294CC Серийный номер от 0N001590 до 0N055284
Воздушный глушитель и топливопроводы 2-Х ТАКТНОГО ПЛМ MERCURY 15 MH 294CC Серийный номер от 0N001590 до 0N055284
Впускной коллектор 2-Х ТАКТНОГО ПЛМ MERCURY 15 MH 294CC Серийный номер от 0N001590 до 0N055284
Дистанционное управление 2-Х ТАКТНОГО ПЛМ MERCURY 15 MH 294CC Серийный номер от 0N001590 до 0N055284
Дроссельная тяга, рукоятка управления 2-Х ТАКТНОГО ПЛМ MERCURY 15 MH 294CC Серийный номер от 0N001590 до 0N055284
Зажимная скоба 2-Х ТАКТНОГО ПЛМ MERCURY 15 MH 294CC Серийный номер от 0N001590 до 0N055284
Инструменты 2-Х ТАКТНОГО ПЛМ MERCURY 15 MH 294CC Серийный номер от 0N001590 до 0N055284
Капот 2-Х ТАКТНОГО ПЛМ MERCURY 15 MH 294CC Серийный номер от 0N001590 до 0N055284
Карбюратор 2-Х ТАКТНОГО ПЛМ MERCURY 15 MH 294CC Серийный номер от 0N001590 до 0N055284
Коленчатый вал, поршни и шатуны 2-Х ТАКТНОГО ПЛМ MERCURY 15 MH 294CC Серийный номер от 0N001590 до 0N055284
Комплект для дистанционного управления 2-Х ТАКТНОГО ПЛМ MERCURY 15 MH 294CC Серийный номер от 0N001590 до 0N055284
Компоненты электрического запуска 2-Х ТАКТНОГО ПЛМ MERCURY 15 MH 294CC Серийный номер от 0N001590 до 0N055284
Коробка передач 2-Х ТАКТНОГО ПЛМ MERCURY 15 MH 294CC Серийный номер от 0N001590 до 0N055284
Корпус приводного вала 2-Х ТАКТНОГО ПЛМ MERCURY 15 MH 294CC Серийный номер от 0N001590 до 0N055284
Корпус редуктора, карданный вал (Часть 1) 2-Х ТАКТНОГО ПЛМ MERCURY 15 MH 294CC Серийный номер от 0N001590 до 0N055284
Корпус редуктора, карданный вал (Часть 2) 2-Х ТАКТНОГО ПЛМ MERCURY 15 MH 294CC Серийный номер от 0N001590 до 0N055284
Обратный замок 2-Х ТАКТНОГО ПЛМ MERCURY 15 MH 294CC Серийный номер от 0N001590 до 0N055284
Поворотный кронштейн 2-Х ТАКТНОГО ПЛМ MERCURY 15 MH 294CC Серийный номер от 0N001590 до 0N055284
Ручной стартер 2-Х ТАКТНОГО ПЛМ MERCURY 15 MH 294CC Серийный номер от 0N001590 до 0N055284
Топливный бак (пластик - 6,6 галлона) 2-Х ТАКТНОГО ПЛМ MERCURY 15 MH 294CC Серийный номер от 0N001590 до 0N055284
Электрика 2-Х ТАКТНОГО ПЛМ MERCURY 15 MH 294CC Серийный номер от 0N001590 до 0N055284
Запчасти для 2-х тактного ПЛМ MERCURY 15 MH 294CC Серийный номер от 0N055285 и выше
Аксессуары 2-Х ТАКТНОГО ПЛМ MERCURY 15 MH 294CC Серийный номер от 0N055285 и выше
Блок цилиндров 2-Х ТАКТНОГО ПЛМ MERCURY 15 MH 294CC Серийный номер от 0N055285 и выше
Впускной коллектор 2-Х ТАКТНОГО ПЛМ MERCURY 15 MH 294CC Серийный номер от 0N055285 и выше
Глушитель и топливопроводы 2-Х ТАКТНОГО ПЛМ MERCURY 15 MH 294CC Серийный номер от 0N055285 и выше
Дистанционное управление-боковое крепление(без питания) 2-Х ТАКТНОГО ПЛМ MERCURY 15 MH 294CC Серийный номер от 0N055285 и выше
Дроссельная тяга, рукоятка управления 2-Х ТАКТНОГО ПЛМ MERCURY 15 MH 294CC Серийный номер от 0N055285 и выше
Зажимная скоба 2-Х ТАКТНОГО ПЛМ MERCURY 15 MH 294CC Серийный номер от 0N055285 и выше
Инструменты 2-Х ТАКТНОГО ПЛМ MERCURY 15 MH 294CC Серийный номер от 0N055285 и выше
Капот 2-Х ТАКТНОГО ПЛМ MERCURY 15 MH 294CC Серийный номер от 0N055285 и выше
Карбюратор 2-Х ТАКТНОГО ПЛМ MERCURY 15 MH 294CC Серийный номер от 0N055285 и выше
Коленчатый вал, поршни и шатуны 2-Х ТАКТНОГО ПЛМ MERCURY 15 MH 294CC Серийный номер от 0N055285 и выше
Комплект для дистанционного управления 2-Х ТАКТНОГО ПЛМ MERCURY 15 MH 294CC Серийный номер от 0N055285 и выше
Компоненты электрического запуска 2-Х ТАКТНОГО ПЛМ MERCURY 15 MH 294CC Серийный номер от 0N055285 и выше
Коробка передач 2-Х ТАКТНОГО ПЛМ MERCURY 15 MH 294CC Серийный номер от 0N055285 и выше
Корпус карданного вала 2-Х ТАКТНОГО ПЛМ MERCURY 15 MH 294CC Серийный номер от 0N055285 и выше
Корпус редуктора, карданный вал (Часть 1) 2-Х ТАКТНОГО ПЛМ MERCURY 15 MH 294CC Серийный номер от 0N055285 и выше
Корпус редуктора, карданный вал (Часть 2) 2-Х ТАКТНОГО ПЛМ MERCURY 15 MH 294CC Серийный номер от 0N055285 и выше
Обратный замок 2-Х ТАКТНОГО ПЛМ MERCURY 15 MH 294CC Серийный номер от 0N055285 и выше
Поворотный кронштейн 2-Х ТАКТНОГО ПЛМ MERCURY 15 MH 294CC Серийный номер от 0N055285 и выше
Ручной стартер 2-Х ТАКТНОГО ПЛМ MERCURY 15 MH 294CC Серийный номер от 0N055285 и выше
Топливный бак (пластик - 6,6 галлона) 2-Х ТАКТНОГО ПЛМ MERCURY 15 MH 294CC Серийный номер от 0N055285 и выше
Электрика 2-Х ТАКТНОГО ПЛМ MERCURY 15 MH 294CC Серийный номер от 0N055285 и выше
Запчасти для 2-х тактного ПЛМ MERCURY 25 М Серийный номер от 0N018456 до 0N055504
Аксессуары 2-х тактного ПЛМ MERCURY 25 М Серийный номер от 0N018456 до 0N055504
Блок цилиндров 2-х тактного ПЛМ MERCURY 25 М Серийный номер от 0N018456 до 0N055504
Дистанционное управление без наклейки Quicksilver (Часть 1) 2-х тактного ПЛМ MERCURY 25 М Серийный номер от 0N018456 до 0N055504
Дистанционное управление без наклейки Quicksilver (Часть 2) 2-х тактного ПЛМ MERCURY 25 М Серийный номер от 0N018456 до 0N055504
Дистанционное управление с логотипом Quicksilver 2-х тактного ПЛМ MERCURY 25 М Серийный номер от 0N018456 до 0N055504
Дистанционное управление с наклейкой Quicksilver 2-х тактного ПЛМ MERCURY 25 М Серийный номер от 0N018456 до 0N055504
Дополнительные детали для электростартера 2-х тактного ПЛМ MERCURY 25 М Серийный номер от 0N018456 до 0N055504
Дроссельная тяга 2-х тактного ПЛМ MERCURY 25 М Серийный номер от 0N018456 до 0N055504
Зажимная скоба 2-х тактного ПЛМ MERCURY 25 М Серийный номер от 0N018456 до 0N055504
Замок стартера 2-х тактного ПЛМ MERCURY 25 М Серийный номер от 0N018456 до 0N055504
Инструменты 2-х тактного ПЛМ MERCURY 25 М Серийный номер от 0N018456 до 0N055504
Капот 2-х тактного ПЛМ MERCURY 25 М Серийный номер от 0N018456 до 0N055504
Карбюратор 2-х тактного ПЛМ MERCURY 25 М Серийный номер от 0N018456 до 0N055504
Коленчатый вал, поршни и шатуны 2-х тактного ПЛМ MERCURY 25 М Серийный номер от 0N018456 до 0N055504
Коллектор 2-х тактного ПЛМ MERCURY 25 М Серийный номер от 0N018456 до 0N055504
Комплект для дистанционного управления 2-х тактного ПЛМ MERCURY 25 М Серийный номер от 0N018456 до 0N055504
Компоненты электрического стартера 2-х тактного ПЛМ MERCURY 25 М Серийный номер от 0N018456 до 0N055504
Корпус приводного вала 2-х тактного ПЛМ MERCURY 25 М Серийный номер от 0N018456 до 0N055504
Корпус редуктора, карданный вал (Часть 1) 2-х тактного ПЛМ MERCURY 25 М Серийный номер от 0N018456 до 0N055504
Корпус редуктора, карданный вал (Часть 2) 2-х тактного ПЛМ MERCURY 25 М Серийный номер от 0N018456 до 0N055504
Поворотный кронштейн 2-х тактного ПЛМ MERCURY 25 М Серийный номер от 0N018456 до 0N055504
Рукоятка румпеля 2-х тактного ПЛМ MERCURY 25 М Серийный номер от 0N018456 до 0N055504
Ручной стартер 2-х тактного ПЛМ MERCURY 25 М Серийный номер от 0N018456 до 0N055504
Топливный бак (пластик - 6,6 галлона) 2-х тактного ПЛМ MERCURY 25 М Серийный номер от 0N018456 до 0N055504
Топливный насос 2-х тактного ПЛМ MERCURY 25 М Серийный номер от 0N018456 до 0N055504
Удлинитель корпуса приводного вала 2-х тактного ПЛМ MERCURY 25 М Серийный номер от 0N018456 до 0N055504
Электрические компоненты 2-х тактного ПЛМ MERCURY 25 М Серийный номер от 0N018456 до 0N055504
Запчасти для 2-х тактного ПЛМ MERCURY 25 М Серийный номер от 0N055505 и выше
Аксессуары 2-х тактного ПЛМ MERCURY 25 М Серийный номер от 0N055505 и выше
Блок цилиндров 2-х тактного ПЛМ MERCURY 25 М Серийный номер от 0N055505 и выше
Дистанционное управление-боковое крепление без силовой отделки 2-х тактного ПЛМ MERCURY 25 М Серийный номер от 0N055505 и выше
Дополнительные детали для электростартера 2-х тактного ПЛМ MERCURY 25 М Серийный номер от 0N055505 и выше
Дроссельная тяга 2-х тактного ПЛМ MERCURY 25 М Серийный номер от 0N055505 и выше
Зажимная скоба 2-х тактного ПЛМ MERCURY 25 М Серийный номер от 0N055505 и выше
Замок стартера 2-х тактного ПЛМ MERCURY 25 М Серийный номер от 0N055505 и выше
Инструменты 2-х тактного ПЛМ MERCURY 25 М Серийный номер от 0N055505 и выше
Капот 2-х тактного ПЛМ MERCURY 25 М Серийный номер от 0N055505 и выше
Карбюратор 2-х тактного ПЛМ MERCURY 25 М Серийный номер от 0N055505 и выше
Коленчатый вал, поршни и шатуны 2-х тактного ПЛМ MERCURY 25 М Серийный номер от 0N055505 и выше
Коллектор 2-х тактного ПЛМ MERCURY 25 М Серийный номер от 0N055505 и выше
Комплект для дистанционного управления 2-х тактного ПЛМ MERCURY 25 М Серийный номер от 0N055505 и выше
Компоненты водяного насоса двигателя 2-х тактного ПЛМ MERCURY 25 М Серийный номер от 0N055505 и выше
Компоненты электрического стартера 2-х тактного ПЛМ MERCURY 25 М Серийный номер от 0N055505 и выше
Корпус карданного вала 2-х тактного ПЛМ MERCURY 25 М Серийный номер от 0N055505 и выше
Корпус редуктора, карданный вал (Часть 1) 2-х тактного ПЛМ MERCURY 25 М Серийный номер от 0N055505 и выше
Корпус редуктора, карданный вал (Часть 2) 2-х тактного ПЛМ MERCURY 25 М Серийный номер от 0N055505 и выше
Механизм переключения передач 2-х тактного ПЛМ MERCURY 25 М Серийный номер от 0N055505 и выше
Поворотный кронштейн 2-х тактного ПЛМ MERCURY 25 М Серийный номер от 0N055505 и выше
Реактивный блок 2-х тактного ПЛМ MERCURY 25 М Серийный номер от 0N055505 и выше
Рукоятка румпеля 2-х тактного ПЛМ MERCURY 25 М Серийный номер от 0N055505 и выше
Ручной стартер 2-х тактного ПЛМ MERCURY 25 М Серийный номер от 0N055505 и выше
Топливный бак (пластик - 6,6 галлона) 2-х тактного ПЛМ MERCURY 25 М Серийный номер от 0N055505 и выше
Топливный насос 2-х тактного ПЛМ MERCURY 25 М Серийный номер от 0N055505 и выше
Удлинитель корпуса приводного вала 2-х тактного ПЛМ MERCURY 25 М Серийный номер от 0N055505 и выше
Электрические компоненты 2-х тактного ПЛМ MERCURY 25 М Серийный номер от 0N055505 и выше
Запчасти для 2-х тактного ПЛМ MERCURY Jet 25 Серийный номер от 0N088578 и выше
Аксессуары 2-х тактного ПЛМ MERCURY Jet 25 Серийный номер от 0N088578 и выше
Блок цилиндров 2-х тактного ПЛМ MERCURY Jet 25 Серийный номер от 0N088578 и выше
Дистанционное управление-боковое крепление без силовой отделки 2-х тактного ПЛМ MERCURY Jet 25 Серийный номер от 0N088578 и выше
Дополнительные детали для электростартера 2-х тактного ПЛМ MERCURY Jet 25 Серийный номер от 0N088578 и выше
Дроссельная тяга 2-х тактного ПЛМ MERCURY Jet 25 Серийный номер от 0N088578 и выше
Жиклер 2-х тактного ПЛМ MERCURY Jet 25 Серийный номер от 0N088578 и выше
Зажимная скоба 2-х тактного ПЛМ MERCURY Jet 25 Серийный номер от 0N088578 и выше
Замок стартера 2-х тактного ПЛМ MERCURY Jet 25 Серийный номер от 0N088578 и выше
Инструменты 2-х тактного ПЛМ MERCURY Jet 25 Серийный номер от 0N088578 и выше
Капот 2-х тактного ПЛМ MERCURY Jet 25 Серийный номер от 0N088578 и выше
Карбюратор 2-х тактного ПЛМ MERCURY Jet 25 Серийный номер от 0N088578 и выше
Коленчатый вал, поршни и шатуны 2-х тактного ПЛМ MERCURY Jet 25 Серийный номер от 0N088578 и выше
Коллектор 2-х тактного ПЛМ MERCURY Jet 25 Серийный номер от 0N088578 и выше
Комплект для дистанционного управления 2-х тактного ПЛМ MERCURY Jet 25 Серийный номер от 0N088578 и выше
Компоненты водяного насоса двигателя 2-х тактного ПЛМ MERCURY Jet 25 Серийный номер от 0N088578 и выше
Компоненты электрического стартера 2-х тактного ПЛМ MERCURY Jet 25 Серийный номер от 0N088578 и выше
Корпус карданного вала 2-х тактного ПЛМ MERCURY Jet 25 Серийный номер от 0N088578 и выше
Корпус редуктора, карданный вал (Часть 1) 2-х тактного ПЛМ MERCURY Jet 25 Серийный номер от 0N088578 и выше
Корпус редуктора, карданный вал (Часть 2) 2-х тактного ПЛМ MERCURY Jet 25 Серийный номер от 0N088578 и выше
Механизм переключения передач 2-х тактного ПЛМ MERCURY Jet 25 Серийный номер от 0N088578 и выше
Поворотный кронштейн 2-х тактного ПЛМ MERCURY Jet 25 Серийный номер от 0N088578 и выше
Рукоятка румпеля 2-х тактного ПЛМ MERCURY Jet 25 Серийный номер от 0N088578 и выше
Ручной стартер 2-х тактного ПЛМ MERCURY Jet 25 Серийный номер от 0N088578 и выше
Топливный бак (пластик - 6,6 галлона) 2-х тактного ПЛМ MERCURY Jet 25 Серийный номер от 0N088578 и выше
Топливный насос 2-х тактного ПЛМ MERCURY Jet 25 Серийный номер от 0N088578 и выше
Удлинитель корпуса приводного вала 2-х тактного ПЛМ MERCURY Jet 25 Серийный номер от 0N088578 и выше
Электрические компоненты 2-х тактного ПЛМ MERCURY Jet 25 Серийный номер от 0N088578 и выше
Запчасти для 2-х тактного ПЛМ MERCURY 30 M Серийный номер от 0N001875 до 0N055504
Аксессуары 2-х тактного ПЛМ MERCURY 30 M Серийный номер от 0N001875 до 0N055504
Блок цилиндров 2-х тактного ПЛМ MERCURY 30 M Серийный номер от 0N001875 до 0N055504
Дистанционное управление без наклейки Quicksilver (Часть 1) 2-х тактного ПЛМ MERCURY 30 M Серийный номер от 0N001875 до 0N055504
Дистанционное управление без наклейки Quicksilver (Часть 2) 2-х тактного ПЛМ MERCURY 30 M Серийный номер от 0N001875 до 0N055504
Дистанционное управление с логотипом Quicksilver 2-х тактного ПЛМ MERCURY 30 M Серийный номер от 0N001875 до 0N055504
Дистанционное управление с наклейкой Quicksilver 2-х тактного ПЛМ MERCURY 30 M Серийный номер от 0N001875 до 0N055504
Дополнительные детали для электростартера 2-х тактного ПЛМ MERCURY 30 M Серийный номер от 0N001875 до 0N055504
Дроссельная тяга 2-х тактного ПЛМ MERCURY 30 M Серийный номер от 0N001875 до 0N055504
Зажимная скоба 2-х тактного ПЛМ MERCURY 30 M Серийный номер от 0N001875 до 0N055504
Замок стартера 2-х тактного ПЛМ MERCURY 30 M Серийный номер от 0N001875 до 0N055504
Инструменты 2-х тактного ПЛМ MERCURY 30 M Серийный номер от 0N001875 до 0N055504
Капот 2-х тактного ПЛМ MERCURY 30 M Серийный номер от 0N001875 до 0N055504
Карбюратор 2-х тактного ПЛМ MERCURY 30 M Серийный номер от 0N001875 до 0N055504
Коленчатый вал, поршни и шатуны 2-х тактного ПЛМ MERCURY 30 M Серийный номер от 0N001875 до 0N055504
Коллектор 2-х тактного ПЛМ MERCURY 30 M Серийный номер от 0N001875 до 0N055504
Комплект для дистанционного управления 2-х тактного ПЛМ MERCURY 30 M Серийный номер от 0N001875 до 0N055504
Компоненты электрического стартера 2-х тактного ПЛМ MERCURY 30 M Серийный номер от 0N001875 до 0N055504
Корпус приводного вала 2-х тактного ПЛМ MERCURY 30 M Серийный номер от 0N001875 до 0N055504
Корпус редуктора, карданный вал (Часть 1) 2-х тактного ПЛМ MERCURY 30 M Серийный номер от 0N001875 до 0N055504
Корпус редуктора, карданный вал (Часть 2) 2-х тактного ПЛМ MERCURY 30 M Серийный номер от 0N001875 до 0N055504
Поворотный кронштейн 2-х тактного ПЛМ MERCURY 30 M Серийный номер от 0N001875 до 0N055504
Рукоятка румпеля 2-х тактного ПЛМ MERCURY 30 M Серийный номер от 0N001875 до 0N055504
Ручной стартер 2-х тактного ПЛМ MERCURY 30 M Серийный номер от 0N001875 до 0N055504
Топливный бак (пластик - 6,6 галлона) 2-х тактного ПЛМ MERCURY 30 M Серийный номер от 0N001875 до 0N055504
Топливный насос 2-х тактного ПЛМ MERCURY 30 M Серийный номер от 0N001875 до 0N055504
Удлинитель корпуса приводного вала 2-х тактного ПЛМ MERCURY 30 M Серийный номер от 0N001875 до 0N055504
Электрические компоненты 2-х тактного ПЛМ MERCURY 30 M Серийный номер от 0N001875 до 0N055504
Запчасти для 2-х тактного ПЛМ MERCURY 30 M Серийный номер от 0N055505 и выше
Аксессуары 2-х тактного ПЛМ MERCURY 30 M Серийный номер от 0N055505 и выше
Блок цилиндров 2-х тактного ПЛМ MERCURY 30 M Серийный номер от 0N055505 и выше
Дистанционное управление-боковое крепление без силовой отделки 2-х тактного ПЛМ MERCURY 30 M Серийный номер от 0N055505 и выше
Дополнительные детали для электростартера 2-х тактного ПЛМ MERCURY 30 M Серийный номер от 0N055505 и выше
Дроссельная тяга 2-х тактного ПЛМ MERCURY 30 M Серийный номер от 0N055505 и выше
Жиклер 2-х тактного ПЛМ MERCURY 30 M Серийный номер от 0N055505 и выше
Зажимная скоба 2-х тактного ПЛМ MERCURY 30 M Серийный номер от 0N055505 и выше
Замок стартера 2-х тактного ПЛМ MERCURY 30 M Серийный номер от 0N055505 и выше
Инструменты 2-х тактного ПЛМ MERCURY 30 M Серийный номер от 0N055505 и выше
Капот 2-х тактного ПЛМ MERCURY 30 M Серийный номер от 0N055505 и выше
Карбюратор 2-х тактного ПЛМ MERCURY 30 M Серийный номер от 0N055505 и выше
Коленчатый вал, поршни и шатуны 2-х тактного ПЛМ MERCURY 30 M Серийный номер от 0N055505 и выше
Коллектор 2-х тактного ПЛМ MERCURY 30 M Серийный номер от 0N055505 и выше
Комплект для дистанционного управления 2-х тактного ПЛМ MERCURY 30 M Серийный номер от 0N055505 и выше
Компоненты водяного насоса двигателя 2-х тактного ПЛМ MERCURY 30 M Серийный номер от 0N055505 и выше
Компоненты электрического стартера 2-х тактного ПЛМ MERCURY 30 M Серийный номер от 0N055505 и выше
Корпус карданного вала 2-х тактного ПЛМ MERCURY 30 M Серийный номер от 0N055505 и выше
Корпус редуктора, карданный вал (Часть 1) 2-х тактного ПЛМ MERCURY 30 M Серийный номер от 0N055505 и выше
Корпус редуктора, карданный вал (Часть 2) 2-х тактного ПЛМ MERCURY 30 M Серийный номер от 0N055505 и выше
Механизм переключения передач 2-х тактного ПЛМ MERCURY 30 M Серийный номер от 0N055505 и выше
Поворотный кронштейн 2-х тактного ПЛМ MERCURY 30 M Серийный номер от 0N055505 и выше
Рукоятка румпеля 2-х тактного ПЛМ MERCURY 30 M Серийный номер от 0N055505 и выше
Ручной стартер 2-х тактного ПЛМ MERCURY 30 M Серийный номер от 0N055505 и выше
Топливный бак (пластик - 6,6 галлона) 2-х тактного ПЛМ MERCURY 30 M Серийный номер от 0N055505 и выше
Топливный насос 2-х тактного ПЛМ MERCURY 30 M Серийный номер от 0N055505 и выше
Удлинитель корпуса приводного вала 2-х тактного ПЛМ MERCURY 30 M Серийный номер от 0N055505 и выше
Электрические компоненты 2-х тактного ПЛМ MERCURY 30 M Серийный номер от 0N055505 и выше
Запчасти для 2-х тактного ПЛМ MERCURY 40 M Серийный номер от 00P017000 до 0P325499
Аксессуары 2-х тактного ПЛМ MERCURY 40 M Серийный номер от 00P017000 до 0P325499
Блок цилиндров 2-х тактного ПЛМ MERCURY 40 M Серийный номер от 00P017000 до 0P325499
Верх капота 2-х тактного ПЛМ MERCURY 40 M Серийный номер от 00P017000 до 0P325499
Дополнительные компоненты 2-х тактного ПЛМ MERCURY 40 M Серийный номер от 00P017000 до 0P325499
Дроссельная катушка 2-х тактного ПЛМ MERCURY 40 M Серийный номер от 00P017000 до 0P325499
Дроссельная тяга 2-х тактного ПЛМ MERCURY 40 M Серийный номер от 00P017000 до 0P325499
Зажимная скоба 2-х тактного ПЛМ MERCURY 40 M Серийный номер от 00P017000 до 0P325499
Зажимной кронштейн 2-х тактного ПЛМ MERCURY 40 M Серийный номер от 00P017000 до 0P325499
Индукционный коллектор 2-х тактного ПЛМ MERCURY 40 M Серийный номер от 00P017000 до 0P325499
Инструменты, специальные 2-х тактного ПЛМ MERCURY 40 M Серийный номер от 00P017000 до 0P325499
Карбюратор 2-х тактного ПЛМ MERCURY 40 M Серийный номер от 00P017000 до 0P325499
Коленвал, поршень, маховик 2-х тактного ПЛМ MERCURY 40 M Серийный номер от 00P017000 до 0P325499
Комплектующие прокладок, капитального ремонта двигателя 2-х тактного ПЛМ MERCURY 40 M Серийный номер от 00P017000 до 0P325499
Компоненты впрыска масла 2-х тактного ПЛМ MERCURY 40 M Серийный номер от 00P017000 до 0P325499
Компоненты ручного запуска 2-х тактного ПЛМ MERCURY 40 M Серийный номер от 00P017000 до 0P325499
Корпус карданного вала 2-х тактного ПЛМ MERCURY 40 M Серийный номер от 00P017000 до 0P325499
Корпус редуктора (карданный вал) (2.00: 1 передаточное число) 2-х тактного ПЛМ MERCURY 40 M Серийный номер от 00P017000 до 0P325499
Корпус редуктора (приводной вал) (2.00: 1 передаточное число) 2-х тактного ПЛМ MERCURY 40 M Серийный номер от 00P017000 до 0P325499
Нагреватель коллектора 2-х тактного ПЛМ MERCURY 40 M Серийный номер от 00P017000 до 0P325499
Низ капота 2-х тактного ПЛМ MERCURY 40 M Серийный номер от 00P017000 до 0P325499
Поворотный кронштейн (Часть 1) 2-х тактного ПЛМ MERCURY 40 M Серийный номер от 00P017000 до 0P325499
Поворотный кронштейн (Часть 2) 2-х тактного ПЛМ MERCURY 40 M Серийный номер от 00P017000 до 0P325499
Рукоятка румпеля 2-х тактного ПЛМ MERCURY 40 M Серийный номер от 00P017000 до 0P325499
Стартер 2-х тактного ПЛМ MERCURY 40 M Серийный номер от 00P017000 до 0P325499
Статор, триггер (электрические модели) 2-х тактного ПЛМ MERCURY 40 M Серийный номер от 00P017000 до 0P325499
Топливный насос ручной (Дизайн 1) 2-х тактного ПЛМ MERCURY 40 M Серийный номер от 00P017000 до 0P325499
Топливный насос ручной (Дизайн 2) 2-х тактного ПЛМ MERCURY 40 M Серийный номер от 00P017000 до 0P325499
Топливный насос электрический (Дизайн 1) 2-х тактного ПЛМ MERCURY 40 M Серийный номер от 00P017000 до 0P325499
Топливный насос электрический (Дизайн 2) 2-х тактного ПЛМ MERCURY 40 M Серийный номер от 00P017000 до 0P325499
Триммер (Часть 1) 2-х тактного ПЛМ MERCURY 40 M Серийный номер от 00P017000 до 0P325499
Триммер (Часть 2) 2-х тактного ПЛМ MERCURY 40 M Серийный номер от 00P017000 до 0P325499
Электрические компоненты 2-х тактного ПЛМ MERCURY 40 M Серийный номер от 00P017000 до 0P325499
Запчасти для 2-х тактного ПЛМ MERCURY 40 M Серийный номер от 0G055314 до 0G760299
Аксессуары 2-х тактного ПЛМ MERCURY 40 M Серийный номер от 0G055314 до 0G760299
Блок цилиндров (Часть 1) 2-х тактного ПЛМ MERCURY 40 M Серийный номер от 0G055314 до 0G760299
Блок цилиндров (Часть 2) 2-х тактного ПЛМ MERCURY 40 M Серийный номер от 0G055314 до 0G760299
Дополнительные компоненты 2-х тактного ПЛМ MERCURY 40 M Серийный номер от 0G055314 до 0G760299
Зажимной кронштейн (Часть 1) 2-х тактного ПЛМ MERCURY 40 M Серийный номер от 0G055314 до 0G760299
Зажимной кронштейн (Часть 2) 2-х тактного ПЛМ MERCURY 40 M Серийный номер от 0G055314 до 0G760299
Индукционный коллектор 2-х тактного ПЛМ MERCURY 40 M Серийный номер от 0G055314 до 0G760299
Инструменты спецальные 2-х тактного ПЛМ MERCURY 40 M Серийный номер от 0G055314 до 0G760299
Капот 2-х тактного ПЛМ MERCURY 40 M Серийный номер от 0G055314 до 0G760299
Карбюратор 2-х тактного ПЛМ MERCURY 40 M Серийный номер от 0G055314 до 0G760299
Коленчатый вал, поршень, маховик 2-х тактного ПЛМ MERCURY 40 M Серийный номер от 0G055314 до 0G760299
Компоненты впрыска масла 2-х тактного ПЛМ MERCURY 40 M Серийный номер от 0G055314 до 0G760299
Компоненты ручного запуска 2-х тактного ПЛМ MERCURY 40 M Серийный номер от 0G055314 до 0G760299
Корпус редуктора (карданный вал)(2.00: 1 передаточное число) 2-х тактного ПЛМ MERCURY 40 M Серийный номер от 0G055314 до 0G760299
Корпус редуктора (приводной вал)(2.00: 1 передаточное число) 2-х тактного ПЛМ MERCURY 40 M Серийный номер от 0G055314 до 0G760299
Крепления системы электрогидроподъема 2-х тактного ПЛМ MERCURY 40 M Серийный номер от 0G055314 до 0G760299
Низ капота (Часть 1) 2-х тактного ПЛМ MERCURY 40 M Серийный номер от 0G055314 до 0G760299
Низ капота (Часть 2) 2-х тактного ПЛМ MERCURY 40 M Серийный номер от 0G055314 до 0G760299
Поворотный кронштейн (Часть 1) 2-х тактного ПЛМ MERCURY 40 M Серийный номер от 0G055314 до 0G760299
Поворотный кронштейн (Часть 2) 2-х тактного ПЛМ MERCURY 40 M Серийный номер от 0G055314 до 0G760299
Приводной вал (Часть 1) 2-х тактного ПЛМ MERCURY 40 M Серийный номер от 0G055314 до 0G760299
Приводной вал (Часть 2) 2-х тактного ПЛМ MERCURY 40 M Серийный номер от 0G055314 до 0G760299
Разнообразная информация 2-х тактного ПЛМ MERCURY 40 M Серийный номер от 0G055314 до 0G760299
Румпель 2-х тактного ПЛМ MERCURY 40 M Серийный номер от 0G055314 до 0G760299
Рычаг дроссельной заслонки (S/N -USA-0G5899999/BEL-9973099 & BELOW) 2-х тактного ПЛМ MERCURY 40 M Серийный номер от 0G055314 до 0G760299
Рычаг дроссельной заслонки (S/N-0G590000/BEL-9973100 & UP) 2-х тактного ПЛМ MERCURY 40 M Серийный номер от 0G055314 до 0G760299
Система электрогидроподъема 2-х тактного ПЛМ MERCURY 40 M Серийный номер от 0G055314 до 0G760299
Стартер 2-х тактного ПЛМ MERCURY 40 M Серийный номер от 0G055314 до 0G760299
Статор, триггер (электрические модели) 2-х тактного ПЛМ MERCURY 40 M Серийный номер от 0G055314 до 0G760299
Топливный насос ручной 2-х тактного ПЛМ MERCURY 40 M Серийный номер от 0G055314 до 0G760299
Топливный насос электрический 2-х тактного ПЛМ MERCURY 40 M Серийный номер от 0G055314 до 0G760299
Электрические компоненты (Часть 1) 2-х тактного ПЛМ MERCURY 40 M Серийный номер от 0G055314 до 0G760299
Электрические компоненты (Часть 2) 2-х тактного ПЛМ MERCURY 40 M Серийный номер от 0G055314 до 0G760299
Электрические компоненты (Часть 3) 2-х тактного ПЛМ MERCURY 40 M Серийный номер от 0G055314 до 0G760299
Запчасти для 2-х тактного ПЛМ MERCURY 40 M Серийный номер от 0G760300 до 0T979999
Аксессуары 2-х тактного ПЛМ MERCURY 40 M Серийный номер от 0G760300 до 0T979999
Блок цилиндров 2-х тактного ПЛМ MERCURY 40 M Серийный номер от 0G760300 до 0T979999
Верхний капот 2-х тактного ПЛМ MERCURY 40 M Серийный номер от 0G760300 до 0T979999
Дополнительные компоненты 2-х тактного ПЛМ MERCURY 40 M Серийный номер от 0G760300 до 0T979999
Дроссельная катушка 2-х тактного ПЛМ MERCURY 40 M Серийный номер от 0G760300 до 0T979999
Дроссельная тяга 2-х тактного ПЛМ MERCURY 40 M Серийный номер от 0G760300 до 0T979999
Зажимная скоба 2-х тактного ПЛМ MERCURY 40 M Серийный номер от 0G760300 до 0T979999
Зажимной кронштейн 2-х тактного ПЛМ MERCURY 40 M Серийный номер от 0G760300 до 0T979999
Индукционный коллектор 2-х тактного ПЛМ MERCURY 40 M Серийный номер от 0G760300 до 0T979999
Инструменты, специальные 2-х тактного ПЛМ MERCURY 40 M Серийный номер от 0G760300 до 0T979999
Карбюратор 2-х тактного ПЛМ MERCURY 40 M Серийный номер от 0G760300 до 0T979999
Коленвал, поршень, маховик 2-х тактного ПЛМ MERCURY 40 M Серийный номер от 0G760300 до 0T979999
Комплектующие прокладок, капитального ремонта двигателя 2-х тактного ПЛМ MERCURY 40 M Серийный номер от 0G760300 до 0T979999
Компоненты впрыска масла 2-х тактного ПЛМ MERCURY 40 M Серийный номер от 0G760300 до 0T979999
Компоненты ручного запуска 2-х тактного ПЛМ MERCURY 40 M Серийный номер от 0G760300 до 0T979999
Корпус карданного вала 2-х тактного ПЛМ MERCURY 40 M Серийный номер от 0G760300 до 0T979999
Корпус редуктора (карданный вал) (2.00: 1 передаточное число) 2-х тактного ПЛМ MERCURY 40 M Серийный номер от 0G760300 до 0T979999
Корпус редуктора (приводной вал) (2.00: 1 передаточное число) 2-х тактного ПЛМ MERCURY 40 M Серийный номер от 0G760300 до 0T979999
Нагреватель коллектора 2-х тактного ПЛМ MERCURY 40 M Серийный номер от 0G760300 до 0T979999
Низ капота 2-х тактного ПЛМ MERCURY 40 M Серийный номер от 0G760300 до 0T979999
Поворотный кронштейн (Часть 1) 2-х тактного ПЛМ MERCURY 40 M Серийный номер от 0G760300 до 0T979999
Поворотный кронштейн (Часть 2) 2-х тактного ПЛМ MERCURY 40 M Серийный номер от 0G760300 до 0T979999
Рукоятка румпеля 2-х тактного ПЛМ MERCURY 40 M Серийный номер от 0G760300 до 0T979999
Стартер 2-х тактного ПЛМ MERCURY 40 M Серийный номер от 0G760300 до 0T979999
Статор, триггер (электрические модели) 2-х тактного ПЛМ MERCURY 40 M Серийный номер от 0G760300 до 0T979999
Топливный насос ручной (Дизайн 1) 2-х тактного ПЛМ MERCURY 40 M Серийный номер от 0G760300 до 0T979999
Топливный насос ручной (Дизайн 2) 2-х тактного ПЛМ MERCURY 40 M Серийный номер от 0G760300 до 0T979999
Топливный насос электрический (Дизайн 1) 2-х тактного ПЛМ MERCURY 40 M Серийный номер от 0G760300 до 0T979999
Топливный насос электрический (Дизайн 2) 2-х тактного ПЛМ MERCURY 40 M Серийный номер от 0G760300 до 0T979999
Триммер (Часть 1) 2-х тактного ПЛМ MERCURY 40 M Серийный номер от 0G760300 до 0T979999
Триммер (Часть 2) 2-х тактного ПЛМ MERCURY 40 M Серийный номер от 0G760300 до 0T979999
Электрические компоненты 2-х тактного ПЛМ MERCURY 40 M Серийный номер от 0G760300 до 0T979999
Запчасти для 2-х тактного ПЛМ MERCURY 40 M Серийный номер от 0N056165 и выше
Manual Tilt, Serial Number 0N096057 and Below 2-х тактного ПЛМ MERCURY 40 M Серийный номер от 0N056165 и выше
Manual Tilt, Serial Number 0N096058 and Up 2-х тактного ПЛМ MERCURY 40 M Серийный номер от 0N056165 и выше
Аксессуары (Часть 1) 2-х тактного ПЛМ MERCURY 40 M Серийный номер от 0N056165 и выше
Аксессуары (Часть 2) 2-х тактного ПЛМ MERCURY 40 M Серийный номер от 0N056165 и выше
Блок цилиндров 2-х тактного ПЛМ MERCURY 40 M Серийный номер от 0N056165 и выше
Верх капота 2-х тактного ПЛМ MERCURY 40 M Серийный номер от 0N056165 и выше
Впускной коллектор и резонатор 2-х тактного ПЛМ MERCURY 40 M Серийный номер от 0N056165 и выше
Глушитель 2-х тактного ПЛМ MERCURY 40 M Серийный номер от 0N056165 и выше
Дроссельная тяга 2-х тактного ПЛМ MERCURY 40 M Серийный номер от 0N056165 и выше
Инструменты 2-х тактного ПЛМ MERCURY 40 M Серийный номер от 0N056165 и выше
Карбюратор 2-х тактного ПЛМ MERCURY 40 M Серийный номер от 0N056165 и выше
Коленчатый вал, поршни и шатуны 2-х тактного ПЛМ MERCURY 40 M Серийный номер от 0N056165 и выше
Компоненты впрыска масла 2-х тактного ПЛМ MERCURY 40 M Серийный номер от 0N056165 и выше
Компоненты дистанционного управления (Часть 1) 2-х тактного ПЛМ MERCURY 40 M Серийный номер от 0N056165 и выше
Компоненты дистанционного управления (Часть 2) 2-х тактного ПЛМ MERCURY 40 M Серийный номер от 0N056165 и выше
Компоненты переключения передач 2-х тактного ПЛМ MERCURY 40 M Серийный номер от 0N056165 и выше
Компоненты рулевого управления 2-х тактного ПЛМ MERCURY 40 M Серийный номер от 0N056165 и выше
Компоненты силовой отделки 2-х тактного ПЛМ MERCURY 40 M Серийный номер от 0N056165 и выше
Корпус карданного вала 2-х тактного ПЛМ MERCURY 40 M Серийный номер от 0N056165 и выше
Корпус редуктора, карданный вал, серийный 0N116270 и ниже 2-х тактного ПЛМ MERCURY 40 M Серийный номер от 0N056165 и выше
Корпус редуктора, карданный вал, серийный 0N116271 и выше 2-х тактного ПЛМ MERCURY 40 M Серийный номер от 0N056165 и выше
Корпус редуктора, карданный вал, серийный номер 0N116270 и ниже 2-х тактного ПЛМ MERCURY 40 M Серийный номер от 0N056165 и выше
Корпус редуктора, карданный вал, серийный номер 0N116271 и выше 2-х тактного ПЛМ MERCURY 40 M Серийный номер от 0N056165 и выше
Маховик 2-х тактного ПЛМ MERCURY 40 M Серийный номер от 0N056165 и выше
Низ капота 2-х тактного ПЛМ MERCURY 40 M Серийный номер от 0N056165 и выше
Рукоятка рулевого управления 2-х тактного ПЛМ MERCURY 40 M Серийный номер от 0N056165 и выше
Ручной стартер 2-х тактного ПЛМ MERCURY 40 M Серийный номер от 0N056165 и выше
Силовая отделка 2-х тактного ПЛМ MERCURY 40 M Серийный номер от 0N056165 и выше
Стартер 2-х тактного ПЛМ MERCURY 40 M Серийный номер от 0N056165 и выше
Топливный бак (пластик - 6,6 галлона) 2-х тактного ПЛМ MERCURY 40 M Серийный номер от 0N056165 и выше
Топливопровод 2-х тактного ПЛМ MERCURY 40 M Серийный номер от 0N056165 и выше
Транец и поворотные кронштейны (Часть 1) 2-х тактного ПЛМ MERCURY 40 M Серийный номер от 0N056165 и выше
Транец и поворотные кронштейны (Часть 2) 2-х тактного ПЛМ MERCURY 40 M Серийный номер от 0N056165 и выше
Электрические компоненты (электрические модели) 2-х тактного ПЛМ MERCURY 40 M Серийный номер от 0N056165 и выше
Электрические компоненты 2-х тактного ПЛМ MERCURY 40 M Серийный номер от 0N056165 и выше
Запчасти для 2-х тактного ПЛМ MERCURY 40 M Серийный номер от 0P325500 и выше
Аксессуары 2-х тактного ПЛМ MERCURY 40 M Серийный номер от 0P325500 и выше
Блок цилиндров 2-х тактного ПЛМ MERCURY 40 M Серийный номер от 0P325500 и выше
Верх капота 2-х тактного ПЛМ MERCURY 40 M Серийный номер от 0P325500 и выше
Дополнительные компоненты 2-х тактного ПЛМ MERCURY 40 M Серийный номер от 0P325500 и выше
Дроссельная катушка 2-х тактного ПЛМ MERCURY 40 M Серийный номер от 0P325500 и выше
Дроссельная тяга 2-х тактного ПЛМ MERCURY 40 M Серийный номер от 0P325500 и выше
Зажимная скоба 2-х тактного ПЛМ MERCURY 40 M Серийный номер от 0P325500 и выше
Зажимной кронштейн 2-х тактного ПЛМ MERCURY 40 M Серийный номер от 0P325500 и выше
Индукционный коллектор 2-х тактного ПЛМ MERCURY 40 M Серийный номер от 0P325500 и выше
Инструменты, специальные 2-х тактного ПЛМ MERCURY 40 M Серийный номер от 0P325500 и выше
Карбюратор 2-х тактного ПЛМ MERCURY 40 M Серийный номер от 0P325500 и выше
Коленвал, поршень, маховик 2-х тактного ПЛМ MERCURY 40 M Серийный номер от 0P325500 и выше
Комплектующие прокладок, капитального ремонта двигателя 2-х тактного ПЛМ MERCURY 40 M Серийный номер от 0P325500 и выше
Компоненты впрыска масла 2-х тактного ПЛМ MERCURY 40 M Серийный номер от 0P325500 и выше
Компоненты ручного запуска 2-х тактного ПЛМ MERCURY 40 M Серийный номер от 0P325500 и выше
Корпус карданного вала 2-х тактного ПЛМ MERCURY 40 M Серийный номер от 0P325500 и выше
Корпус редуктора (карданный вал) (2.00: 1 передаточное число) 2-х тактного ПЛМ MERCURY 40 M Серийный номер от 0P325500 и выше
Корпус редуктора (приводной вал) (2.00: 1 передаточное число) 2-х тактного ПЛМ MERCURY 40 M Серийный номер от 0P325500 и выше
Нагреватель коллектора 2-х тактного ПЛМ MERCURY 40 M Серийный номер от 0P325500 и выше
Низ капота 2-х тактного ПЛМ MERCURY 40 M Серийный номер от 0P325500 и выше
Поворотный кронштейн (Часть 1) 2-х тактного ПЛМ MERCURY 40 M Серийный номер от 0P325500 и выше
Поворотный кронштейн (Часть 2) 2-х тактного ПЛМ MERCURY 40 M Серийный номер от 0P325500 и выше
Рукоятка румпеля 2-х тактного ПЛМ MERCURY 40 M Серийный номер от 0P325500 и выше
Стартер 2-х тактного ПЛМ MERCURY 40 M Серийный номер от 0P325500 и выше
Статор, триггер (электрические модели) 2-х тактного ПЛМ MERCURY 40 M Серийный номер от 0P325500 и выше
Топливный насос (ручной) 2-х тактного ПЛМ MERCURY 40 M Серийный номер от 0P325500 и выше
Топливный насос (электрический) 2-х тактного ПЛМ MERCURY 40 M Серийный номер от 0P325500 и выше
Триммер (Часть 1) 2-х тактного ПЛМ MERCURY 40 M Серийный номер от 0P325500 и выше
Триммер (Часть 2) 2-х тактного ПЛМ MERCURY 40 M Серийный номер от 0P325500 и выше
Электрические компоненты 2-х тактного ПЛМ MERCURY 40 M Серийный номер от 0P325500 и выше
Запчасти для 2-х тактного ПЛМ MERCURY 40 M Серийный номер от 0T980000 до 0T999999
Аксессуары 2-х тактного ПЛМ MERCURY 40 M Серийный номер от 0T980000 до 0T999999
Блок цилиндров 2-х тактного ПЛМ MERCURY 40 M Серийный номер от 0T980000 до 0T999999
Верх капота 2-х тактного ПЛМ MERCURY 40 M Серийный номер от 0T980000 до 0T999999
Дополнительные компоненты 2-х тактного ПЛМ MERCURY 40 M Серийный номер от 0T980000 до 0T999999
Дроссельная катушка 2-х тактного ПЛМ MERCURY 40 M Серийный номер от 0T980000 до 0T999999
Дроссельная тяга 2-х тактного ПЛМ MERCURY 40 M Серийный номер от 0T980000 до 0T999999
Зажимная скоба 2-х тактного ПЛМ MERCURY 40 M Серийный номер от 0T980000 до 0T999999
Зажимной кронштейн 2-х тактного ПЛМ MERCURY 40 M Серийный номер от 0T980000 до 0T999999
Индукционный коллектор 2-х тактного ПЛМ MERCURY 40 M Серийный номер от 0T980000 до 0T999999
Инструменты, специальные 2-х тактного ПЛМ MERCURY 40 M Серийный номер от 0T980000 до 0T999999
Карбюратор 2-х тактного ПЛМ MERCURY 40 M Серийный номер от 0T980000 до 0T999999
Коленвал, поршень, маховик 2-х тактного ПЛМ MERCURY 40 M Серийный номер от 0T980000 до 0T999999
Комплектующие прокладок, капитального ремонта двигателя 2-х тактного ПЛМ MERCURY 40 M Серийный номер от 0T980000 до 0T999999
Компоненты впрыска масла 2-х тактного ПЛМ MERCURY 40 M Серийный номер от 0T980000 до 0T999999
Компоненты ручного запуска 2-х тактного ПЛМ MERCURY 40 M Серийный номер от 0T980000 до 0T999999
Корпус карданного вала 2-х тактного ПЛМ MERCURY 40 M Серийный номер от 0T980000 до 0T999999
Корпус редуктора (карданный вал) (2.00: 1 передаточное число) 2-х тактного ПЛМ MERCURY 40 M Серийный номер от 0T980000 до 0T999999
Корпус редуктора (приводной вал) (2.00: 1 передаточное число) 2-х тактного ПЛМ MERCURY 40 M Серийный номер от 0T980000 до 0T999999
Нагреватель коллектора 2-х тактного ПЛМ MERCURY 40 M Серийный номер от 0T980000 до 0T999999
Низ капота 2-х тактного ПЛМ MERCURY 40 M Серийный номер от 0T980000 до 0T999999
Поворотный кронштейн (Часть 1) 2-х тактного ПЛМ MERCURY 40 M Серийный номер от 0T980000 до 0T999999
Поворотный кронштейн (Часть 2) 2-х тактного ПЛМ MERCURY 40 M Серийный номер от 0T980000 до 0T999999
Рукоятка румпеля 2-х тактного ПЛМ MERCURY 40 M Серийный номер от 0T980000 до 0T999999
Стартер 2-х тактного ПЛМ MERCURY 40 M Серийный номер от 0T980000 до 0T999999
Статор, триггер (электрические модели) 2-х тактного ПЛМ MERCURY 40 M Серийный номер от 0T980000 до 0T999999
Топливный насос (ручной) 2-х тактного ПЛМ MERCURY 40 M Серийный номер от 0T980000 до 0T999999
Топливный насос (электрический) 2-х тактного ПЛМ MERCURY 40 M Серийный номер от 0T980000 до 0T999999
Триммер (Часть 1) 2-х тактного ПЛМ MERCURY 40 M Серийный номер от 0T980000 до 0T999999
Триммер (Часть 2) 2-х тактного ПЛМ MERCURY 40 M Серийный номер от 0T980000 до 0T999999
Электрические компоненты 2-х тактного ПЛМ MERCURY 40 M Серийный номер от 0T980000 до 0T999999
Запчасти для 2-х тактного ПЛМ MERCURY 40 M Серийный номер от 1B000001 и выше
Аксессуары 2-х тактного ПЛМ MERCURY 40 M Серийный номер от 1B000001 и выше
Блок цилиндров 2-х тактного ПЛМ MERCURY 40 M Серийный номер от 1B000001 и выше
Верх капота 2-х тактного ПЛМ MERCURY 40 M Серийный номер от 1B000001 и выше
Дополнительные компоненты 2-х тактного ПЛМ MERCURY 40 M Серийный номер от 1B000001 и выше
Дроссельная катушка 2-х тактного ПЛМ MERCURY 40 M Серийный номер от 1B000001 и выше
Дроссельная тяга 2-х тактного ПЛМ MERCURY 40 M Серийный номер от 1B000001 и выше
Зажимная скоба 2-х тактного ПЛМ MERCURY 40 M Серийный номер от 1B000001 и выше
Зажимной кронштейн 2-х тактного ПЛМ MERCURY 40 M Серийный номер от 1B000001 и выше
Индукционный коллектор 2-х тактного ПЛМ MERCURY 40 M Серийный номер от 1B000001 и выше
Инструменты, специальные 2-х тактного ПЛМ MERCURY 40 M Серийный номер от 1B000001 и выше
Карбюратор 2-х тактного ПЛМ MERCURY 40 M Серийный номер от 1B000001 и выше
Коленвал, поршень, маховик 2-х тактного ПЛМ MERCURY 40 M Серийный номер от 1B000001 и выше
Комплектующие прокладок, капитального ремонта двигателя 2-х тактного ПЛМ MERCURY 40 M Серийный номер от 1B000001 и выше
Компоненты впрыска масла 2-х тактного ПЛМ MERCURY 40 M Серийный номер от 1B000001 и выше
Компоненты ручного запуска 2-х тактного ПЛМ MERCURY 40 M Серийный номер от 1B000001 и выше
Корпус карданного вала 2-х тактного ПЛМ MERCURY 40 M Серийный номер от 1B000001 и выше
Корпус редуктора (карданный вал) (2.00: 1 передаточное число) 2-х тактного ПЛМ MERCURY 40 M Серийный номер от 1B000001 и выше
Корпус редуктора (приводной вал) (2.00: 1 передаточное число) 2-х тактного ПЛМ MERCURY 40 M Серийный номер от 1B000001 и выше
Нагреватель коллектора 2-х тактного ПЛМ MERCURY 40 M Серийный номер от 1B000001 и выше
Низ капота 2-х тактного ПЛМ MERCURY 40 M Серийный номер от 1B000001 и выше
Поворотный кронштейн (Часть 1) 2-х тактного ПЛМ MERCURY 40 M Серийный номер от 1B000001 и выше
Поворотный кронштейн (Часть 2) 2-х тактного ПЛМ MERCURY 40 M Серийный номер от 1B000001 и выше
Рукоятка румпеля 2-х тактного ПЛМ MERCURY 40 M Серийный номер от 1B000001 и выше
Стартер 2-х тактного ПЛМ MERCURY 40 M Серийный номер от 1B000001 и выше
Статор, триггер (электрические модели) 2-х тактного ПЛМ MERCURY 40 M Серийный номер от 1B000001 и выше
Топливный насос (ручной) 2-х тактного ПЛМ MERCURY 40 M Серийный номер от 1B000001 и выше
Топливный насос (электрический) 2-х тактного ПЛМ MERCURY 40 M Серийный номер от 1B000001 и выше
Триммер (Часть 1) 2-х тактного ПЛМ MERCURY 40 M Серийный номер от 1B000001 и выше
Триммер (Часть 2) 2-х тактного ПЛМ MERCURY 40 M Серийный номер от 1B000001 и выше
Электрические компоненты 2-х тактного ПЛМ MERCURY 40 M Серийный номер от 1B000001 и выше
Запчасти для 2-х тактного ПЛМ MERCURY 40 M Серийный номер от 7144763 и выше
Аксессуары 2-х тактного ПЛМ MERCURY 40 M Серийный номер от 7144763 и выше
Блок цилиндров и термостат 2-х тактного ПЛМ MERCURY 40 M Серийный номер от 7144763 и выше
Верхний капот и обтекатель 2-х тактного ПЛМ MERCURY 40 M Серийный номер от 7144763 и выше
Дроссель и свечи зажигания 2-х тактного ПЛМ MERCURY 40 M Серийный номер от 7144763 и выше
Зажим и поворотный кронштейн в сборе 2-х тактного ПЛМ MERCURY 40 M Серийный номер от 7144763 и выше
Карбюратор в сборе 2-х тактного ПЛМ MERCURY 40 M Серийный номер от 7144763 и выше
Картер и крышки блока цилиндров 2-х тактного ПЛМ MERCURY 40 M Серийный номер от 7144763 и выше
Коленчатый вал, поршни и шатуны 2-х тактного ПЛМ MERCURY 40 M Серийный номер от 7144763 и выше
Корпус ведущего вала в сборе 2-х тактного ПЛМ MERCURY 40 M Серийный номер от 7144763 и выше
Корпус редуктора (карданный вал) 2-х тактного ПЛМ MERCURY 40 M Серийный номер от 7144763 и выше
Корпус редуктора (приводной вал) 2-х тактного ПЛМ MERCURY 40 M Серийный номер от 7144763 и выше
Корпус стартера в сборе 2-х тактного ПЛМ MERCURY 40 M Серийный номер от 7144763 и выше
Маховик, катушка зажигания и распределительная коробка (Часть 1) 2-х тактного ПЛМ MERCURY 40 M Серийный номер от 7144763 и выше
Маховик, катушка зажигания и распределительная коробка (Часть 2) 2-х тактного ПЛМ MERCURY 40 M Серийный номер от 7144763 и выше
Нижний капот и выхлопная пластина 2-х тактного ПЛМ MERCURY 40 M Серийный номер от 7144763 и выше
Ручное управление в сборе 2-х тактного ПЛМ MERCURY 40 M Серийный номер от 7144763 и выше
Рычаг КПП 2-х тактного ПЛМ MERCURY 40 M Серийный номер от 7144763 и выше
Стартер в сборе 2-х тактного ПЛМ MERCURY 40 M Серийный номер от 7144763 и выше
Стартер, выпрямитель и жгут проводов (только электрический) 2-х тактного ПЛМ MERCURY 40 M Серийный номер от 7144763 и выше
Топливный насос и топливная линия 2-х тактного ПЛМ MERCURY 40 M Серийный номер от 7144763 и выше
Запчасти для 2-х тактного ПЛМ MERCURY 40 M Серийный номер от 8064750 и выше
Аксессуары 2-х тактного ПЛМ MERCURY 40 M Серийный номер от 8064750 и выше
Блок цилиндров и термостат 2-х тактного ПЛМ MERCURY 40 M Серийный номер от 8064750 и выше
Верхний капот и обтекатель 2-х тактного ПЛМ MERCURY 40 M Серийный номер от 8064750 и выше
Винты 2-х тактного ПЛМ MERCURY 40 M Серийный номер от 8064750 и выше
Дроссель и свечи зажигания 2-х тактного ПЛМ MERCURY 40 M Серийный номер от 8064750 и выше
Зажим и поворотный кронштейн в сборе 2-х тактного ПЛМ MERCURY 40 M Серийный номер от 8064750 и выше
Карбюратор в сборе 2-х тактного ПЛМ MERCURY 40 M Серийный номер от 8064750 и выше
Картер и крышки блока цилиндров 2-х тактного ПЛМ MERCURY 40 M Серийный номер от 8064750 и выше
Коленчатый вал, поршни и шатуны 2-х тактного ПЛМ MERCURY 40 M Серийный номер от 8064750 и выше
Корпус ведущего вала в сборе 2-х тактного ПЛМ MERCURY 40 M Серийный номер от 8064750 и выше
Корпус редуктора (карданный вал) 2-х тактного ПЛМ MERCURY 40 M Серийный номер от 8064750 и выше
Корпус редуктора (приводной вал) 2-х тактного ПЛМ MERCURY 40 M Серийный номер от 8064750 и выше
Корпус стартера в сборе 2-х тактного ПЛМ MERCURY 40 M Серийный номер от 8064750 и выше
Маховик, катушка зажигания и распределительная коробка (Часть 1) 2-х тактного ПЛМ MERCURY 40 M Серийный номер от 8064750 и выше
Маховик, катушка зажигания и распределительная коробка (Часть 2) 2-х тактного ПЛМ MERCURY 40 M Серийный номер от 8064750 и выше
Нижний капот и выхлопная пластина 2-х тактного ПЛМ MERCURY 40 M Серийный номер от 8064750 и выше
Ручное управление в сборе 2-х тактного ПЛМ MERCURY 40 M Серийный номер от 8064750 и выше
Рычаг КПП 2-х тактного ПЛМ MERCURY 40 M Серийный номер от 8064750 и выше
Стартер в сборе 2-х тактного ПЛМ MERCURY 40 M Серийный номер от 8064750 и выше
Стартер, выпрямитель и жгут проводов (только электрический) 2-х тактного ПЛМ MERCURY 40 M Серийный номер от 8064750 и выше
Топливный насос и топливная линия 2-х тактного ПЛМ MERCURY 40 M Серийный номер от 8064750 и выше
Запчасти для 2-х тактного ПЛМ MERCURY 40 M Серийный номер от 9251456 и выше
Аксессуары 2-х тактного ПЛМ MERCURY 40 M Серийный номер от 9251456 и выше
Блок цилиндров и термостат 2-х тактного ПЛМ MERCURY 40 M Серийный номер от 9251456 и выше
Верхний капот и обтекатель 2-х тактного ПЛМ MERCURY 40 M Серийный номер от 9251456 и выше
Винты 2-х тактного ПЛМ MERCURY 40 M Серийный номер от 9251456 и выше
Дроссель и свечи зажигания 2-х тактного ПЛМ MERCURY 40 M Серийный номер от 9251456 и выше
Зажим и поворотный кронштейн в сборе 2-х тактного ПЛМ MERCURY 40 M Серийный номер от 9251456 и выше
Карбюратор в сборе 2-х тактного ПЛМ MERCURY 40 M Серийный номер от 9251456 и выше
Картер и крышки блока цилиндров 2-х тактного ПЛМ MERCURY 40 M Серийный номер от 9251456 и выше
Коленчатый вал, поршни и шатуны 2-х тактного ПЛМ MERCURY 40 M Серийный номер от 9251456 и выше
Корпус ведущего вала в сборе 2-х тактного ПЛМ MERCURY 40 M Серийный номер от 9251456 и выше
Корпус редуктора (карданный вал) 2-х тактного ПЛМ MERCURY 40 M Серийный номер от 9251456 и выше
Корпус редуктора (приводной вал) 2-х тактного ПЛМ MERCURY 40 M Серийный номер от 9251456 и выше
Корпус стартера в сборе 2-х тактного ПЛМ MERCURY 40 M Серийный номер от 9251456 и выше
Маховик, катушка зажигания и распределительная коробка (Часть 1) 2-х тактного ПЛМ MERCURY 40 M Серийный номер от 9251456 и выше
Маховик, катушка зажигания и распределительная коробка (Часть 2) 2-х тактного ПЛМ MERCURY 40 M Серийный номер от 9251456 и выше
Нижний капот и выхлопная пластина 2-х тактного ПЛМ MERCURY 40 M Серийный номер от 9251456 и выше
Ручное управление в сборе 2-х тактного ПЛМ MERCURY 40 M Серийный номер от 9251456 и выше
Рычаг КПП 2-х тактного ПЛМ MERCURY 40 M Серийный номер от 9251456 и выше
Стартер в сборе 2-х тактного ПЛМ MERCURY 40 M Серийный номер от 9251456 и выше
Стартер, выпрямитель и жгут проводов (только электрический) 2-х тактного ПЛМ MERCURY 40 M Серийный номер от 9251456 и выше
Топливный насос и топливная линия 2-х тактного ПЛМ MERCURY 40 M Серийный номер от 9251456 и выше
Запчасти для 2-х тактного ПЛМ MERCURY 40 M Серийный номер от 9854537 до 0P016999
Аксессуары 2-х тактного ПЛМ MERCURY 40 M Серийный номер от 9854537 до 0P016999
Блок цилиндров (Часть 1) 2-х тактного ПЛМ MERCURY 40 M Серийный номер от 9854537 до 0P016999
Блок цилиндров (Часть 2) 2-х тактного ПЛМ MERCURY 40 M Серийный номер от 9854537 до 0P016999
Верхний капот 2-х тактного ПЛМ MERCURY 40 M Серийный номер от 9854537 до 0P016999
Дополнительные компоненты 2-х тактного ПЛМ MERCURY 40 M Серийный номер от 9854537 до 0P016999
Зажимной кронштейн (Часть 1) 2-х тактного ПЛМ MERCURY 40 M Серийный номер от 9854537 до 0P016999
Зажимной кронштейн (Часть 2) 2-х тактного ПЛМ MERCURY 40 M Серийный номер от 9854537 до 0P016999
Индукционный коллектор 2-х тактного ПЛМ MERCURY 40 M Серийный номер от 9854537 до 0P016999
Инструменты, специальные 2-х тактного ПЛМ MERCURY 40 M Серийный номер от 9854537 до 0P016999
Карбюратор 2-х тактного ПЛМ MERCURY 40 M Серийный номер от 9854537 до 0P016999
Коленчатый вал, поршень, маховик 2-х тактного ПЛМ MERCURY 40 M Серийный номер от 9854537 до 0P016999
Компоненты для закачки масла 2-х тактного ПЛМ MERCURY 40 M Серийный номер от 9854537 до 0P016999
Компоненты ручного запуска 2-х тактного ПЛМ MERCURY 40 M Серийный номер от 9854537 до 0P016999
Корпус ведущего вала (Часть 1) 2-х тактного ПЛМ MERCURY 40 M Серийный номер от 9854537 до 0P016999
Корпус ведущего вала (Часть 2) 2-х тактного ПЛМ MERCURY 40 M Серийный номер от 9854537 до 0P016999
Корпус редуктора (карданный вал) (2.00: 1 передаточное число) 2-х тактного ПЛМ MERCURY 40 M Серийный номер от 9854537 до 0P016999
Корпус редуктора (приводной вал) (2.00: 1 передаточное число) 2-х тактного ПЛМ MERCURY 40 M Серийный номер от 9854537 до 0P016999
Низ капота (Часть 1) 2-х тактного ПЛМ MERCURY 40 M Серийный номер от 9854537 до 0P016999
Низ капота (Часть 2) 2-х тактного ПЛМ MERCURY 40 M Серийный номер от 9854537 до 0P016999
Поворотный кронштейн (Часть 1) 2-х тактного ПЛМ MERCURY 40 M Серийный номер от 9854537 до 0P016999
Поворотный кронштейн (Часть 2) 2-х тактного ПЛМ MERCURY 40 M Серийный номер от 9854537 до 0P016999
Разнообразная информация 2-х тактного ПЛМ MERCURY 40 M Серийный номер от 9854537 до 0P016999
Румпель 2-х тактного ПЛМ MERCURY 40 M Серийный номер от 9854537 до 0P016999
Рычаг дроссельной заслонки (S/N -USA-0G5899999/BEL-9973099 & BELOW) 2-х тактного ПЛМ MERCURY 40 M Серийный номер от 9854537 до 0P016999
Рычаг дроссельной заслонки (S/N-0G590000/BEL-9973100 & UP) 2-х тактного ПЛМ MERCURY 40 M Серийный номер от 9854537 до 0P016999
Стартер 2-х тактного ПЛМ MERCURY 40 M Серийный номер от 9854537 до 0P016999
Статор, триггер (электрические модели) 2-х тактного ПЛМ MERCURY 40 M Серийный номер от 9854537 до 0P016999
Топливный насос (ручной) 2-х тактного ПЛМ MERCURY 40 M Серийный номер от 9854537 до 0P016999
Топливный насос (электрический) 2-х тактного ПЛМ MERCURY 40 M Серийный номер от 9854537 до 0P016999
Триммер (Часть 1) 2-х тактного ПЛМ MERCURY 40 M Серийный номер от 9854537 до 0P016999
Триммер (Часть 2) 2-х тактного ПЛМ MERCURY 40 M Серийный номер от 9854537 до 0P016999
Электрические компоненты (Часть 1) 2-х тактного ПЛМ MERCURY 40 M Серийный номер от 9854537 до 0P016999
Электрические компоненты (Часть 2) 2-х тактного ПЛМ MERCURY 40 M Серийный номер от 9854537 до 0P016999
Электрические компоненты (Часть 3) 2-х тактного ПЛМ MERCURY 40 M Серийный номер от 9854537 до 0P016999
Запчасти для 2-х тактного ПЛМ MERCURY 50EO Серийный номер от 0A721308 и выше
Manual Tilt Components 2-х тактного ПЛМ MERCURY 50EO Серийный номер от 0A721308 и выше
Авто-смесь 2-х тактного ПЛМ MERCURY 50EO Серийный номер от 0A721308 и выше
Блок цилиндров 2-х тактного ПЛМ MERCURY 50EO Серийный номер от 0A721308 и выше
Выхлопная труба 2-х тактного ПЛМ MERCURY 50EO Серийный номер от 0A721308 и выше
Выхлопной коллектор и крышки 2-х тактного ПЛМ MERCURY 50EO Серийный номер от 0A721308 и выше
Дроссельная тяга 2-х тактного ПЛМ MERCURY 50EO Серийный номер от 0A721308 и выше
Зажимной кронштейн (короткий) (длинный-0C160935 и ниже) (60EL NOI) (NPT) 2-х тактного ПЛМ MERCURY 50EO Серийный номер от 0A721308 и выше
Капот и передняя крышка 2-х тактного ПЛМ MERCURY 50EO Серийный номер от 0A721308 и выше
Карбюратор 2-х тактного ПЛМ MERCURY 50EO Серийный номер от 0A721308 и выше
Карбюратор и дроссель 2-х тактного ПЛМ MERCURY 50EO Серийный номер от 0A721308 и выше
Коленвал, поршни и шатуны 2-х тактного ПЛМ MERCURY 50EO Серийный номер от 0A721308 и выше
Компоненты силовой отделки (S/N-0C160935 и ниже) 2-х тактного ПЛМ MERCURY 50EO Серийный номер от 0A721308 и выше
Корпус карданного вала (длинный-0C160936 & выше) (60EL NOI) (NPT) 2-х тактного ПЛМ MERCURY 50EO Серийный номер от 0A721308 и выше
Корпус карданного вала (короткий)(длинный S/N-0C160935 и ниже) 2-х тактного ПЛМ MERCURY 50EO Серийный номер от 0A721308 и выше
Корпус редуктора (карданный вал) 2-х тактного ПЛМ MERCURY 50EO Серийный номер от 0A721308 и выше
Корпус шестерни, карданный вал 2-х тактного ПЛМ MERCURY 50EO Серийный номер от 0A721308 и выше
Кронштейн транца (силовая отделка)(S/N-0C160935 и ниже) 2-х тактного ПЛМ MERCURY 50EO Серийный номер от 0A721308 и выше
Кронштейн транца(длинный вал SN-0C160936 и выше) 2-х тактного ПЛМ MERCURY 50EO Серийный номер от 0A721308 и выше
Маховик, распределительная коробка, катушка зажигания и статор 2-х тактного ПЛМ MERCURY 50EO Серийный номер от 0A721308 и выше
Насос отсечки мощности (прямоугольный двигатель Eaton) 2-х тактного ПЛМ MERCURY 50EO Серийный номер от 0A721308 и выше
Опорные кронштейны капота 2-х тактного ПЛМ MERCURY 50EO Серийный номер от 0A721308 и выше
Поворотный кронштейн (длинный вал-S/N-0C160936 и выше) 2-х тактного ПЛМ MERCURY 50EO Серийный номер от 0A721308 и выше
Поворотный кронштейн (короткий) (длинный-0C160935 и ниже) (60EL NOI) (NPT) 2-х тактного ПЛМ MERCURY 50EO Серийный номер от 0A721308 и выше
Поворотный кронштейн (силовая отделка)(S/N-0C160935 & ниже) 2-х тактного ПЛМ MERCURY 50EO Серийный номер от 0A721308 и выше
Стартер 2-х тактного ПЛМ MERCURY 50EO Серийный номер от 0A721308 и выше
Стартер, соленоид и выпрямитель 2-х тактного ПЛМ MERCURY 50EO Серийный номер от 0A721308 и выше
Топливный насос 2-х тактного ПЛМ MERCURY 50EO Серийный номер от 0A721308 и выше
Электрические компоненты (длинные-S/N-0C160936 & Up) 2-х тактного ПЛМ MERCURY 50EO Серийный номер от 0A721308 и выше
Запчасти для 2-х тактного ПЛМ MERCURY 50EO Серийный номер от 0B122930 до 0D000749
Manual Tilt Components 2-Х ТАКТНОГО ПЛМ MERCURY 50EO Серийный номер от 0B122930 до 0D000749
Авто-смесь 2-Х ТАКТНОГО ПЛМ MERCURY 50EO Серийный номер от 0B122930 до 0D000749
Блок цилиндров 2-Х ТАКТНОГО ПЛМ MERCURY 50EO Серийный номер от 0B122930 до 0D000749
Выхлопная труба 2-Х ТАКТНОГО ПЛМ MERCURY 50EO Серийный номер от 0B122930 до 0D000749
Выхлопной коллектор и крышки 2-Х ТАКТНОГО ПЛМ MERCURY 50EO Серийный номер от 0B122930 до 0D000749
Дроссельная тяга 2-Х ТАКТНОГО ПЛМ MERCURY 50EO Серийный номер от 0B122930 до 0D000749
Зажимной кронштейн (короткий) (длинный-0C160935 и ниже) (60EL NOI) (NPT) 2-Х ТАКТНОГО ПЛМ MERCURY 50EO Серийный номер от 0B122930 до 0D000749
Капот и передняя крышка 2-Х ТАКТНОГО ПЛМ MERCURY 50EO Серийный номер от 0B122930 до 0D000749
Карбюратор 2-Х ТАКТНОГО ПЛМ MERCURY 50EO Серийный номер от 0B122930 до 0D000749
Карбюратор и дроссель 2-Х ТАКТНОГО ПЛМ MERCURY 50EO Серийный номер от 0B122930 до 0D000749
Коленчатый вал, поршни и шатуны 2-Х ТАКТНОГО ПЛМ MERCURY 50EO Серийный номер от 0B122930 до 0D000749
Компоненты силовой отделки(S/N-0C160935 и ниже) 2-Х ТАКТНОГО ПЛМ MERCURY 50EO Серийный номер от 0B122930 до 0D000749
Корпус карданного вала (длинный-0C160936 & выше) (60EL NOI) (NPT) 2-Х ТАКТНОГО ПЛМ MERCURY 50EO Серийный номер от 0B122930 до 0D000749
Корпус карданного вала (короткий)(длинный S / N-0C160935 и ниже) 2-Х ТАКТНОГО ПЛМ MERCURY 50EO Серийный номер от 0B122930 до 0D000749
Корпус редуктора (карданный вал) 2-Х ТАКТНОГО ПЛМ MERCURY 50EO Серийный номер от 0B122930 до 0D000749
Корпус шестерни (карданный вал) 2-Х ТАКТНОГО ПЛМ MERCURY 50EO Серийный номер от 0B122930 до 0D000749
Кронштейн транца (силовая отделка)(S/N-0C160935 и ниже) 2-Х ТАКТНОГО ПЛМ MERCURY 50EO Серийный номер от 0B122930 до 0D000749
Кронштейн транца(длинный вал S/N-0C160936 и выше) 2-Х ТАКТНОГО ПЛМ MERCURY 50EO Серийный номер от 0B122930 до 0D000749
Маховик, распределительная коробка, катушка зажигания и статор 2-Х ТАКТНОГО ПЛМ MERCURY 50EO Серийный номер от 0B122930 до 0D000749
Насос отсечки мощности (прямоугольный двигатель Eaton) 2-Х ТАКТНОГО ПЛМ MERCURY 50EO Серийный номер от 0B122930 до 0D000749
Опорные кронштейны капота 2-Х ТАКТНОГО ПЛМ MERCURY 50EO Серийный номер от 0B122930 до 0D000749
Поворотный кронштейн (длинный вал-S/N-0C160936 и выше) 2-Х ТАКТНОГО ПЛМ MERCURY 50EO Серийный номер от 0B122930 до 0D000749
Поворотный кронштейн (короткий) (длинный-0C160935 и ниже) (60EL NOI) (NPT) 2-Х ТАКТНОГО ПЛМ MERCURY 50EO Серийный номер от 0B122930 до 0D000749
Поворотный кронштейн (силовая отделка)(S/N-0C160935 & ниже) 2-Х ТАКТНОГО ПЛМ MERCURY 50EO Серийный номер от 0B122930 до 0D000749
Стартер 2-Х ТАКТНОГО ПЛМ MERCURY 50EO Серийный номер от 0B122930 до 0D000749
Стартер, соленоид и выпрямитель 2-Х ТАКТНОГО ПЛМ MERCURY 50EO Серийный номер от 0B122930 до 0D000749
Топливный насос 2-Х ТАКТНОГО ПЛМ MERCURY 50EO Серийный номер от 0B122930 до 0D000749
Электрические компоненты (длинные-S/N-0C160936 и выше) 2-Х ТАКТНОГО ПЛМ MERCURY 50EO Серийный номер от 0B122930 до 0D000749
Запчасти для 2-х тактного ПЛМ MERCURY 50EO Серийный номер от 0D000750 до 0G290584
Аксессуары 2-Х ТАКТНОГО ПЛМ MERCURY 50EO Серийный номер от 0D000750 до 0G290584
Блок цилиндров и картер 2-Х ТАКТНОГО ПЛМ MERCURY 50EO Серийный номер от 0D000750 до 0G290584
Впускной коллектор и резонатор 2-Х ТАКТНОГО ПЛМ MERCURY 50EO Серийный номер от 0D000750 до 0G290584
Выхлопная труба 2-Х ТАКТНОГО ПЛМ MERCURY 50EO Серийный номер от 0D000750 до 0G290584
Дроссель и рычаг 2-Х ТАКТНОГО ПЛМ MERCURY 50EO Серийный номер от 0D000750 до 0G290584
Зажимной кронштейн (S/N: 0D181999 и ниже) 2-Х ТАКТНОГО ПЛМ MERCURY 50EO Серийный номер от 0D000750 до 0G290584
Зажимной кронштейн (ручной) (S/N: 0D1812000 и выше) 2-Х ТАКТНОГО ПЛМ MERCURY 50EO Серийный номер от 0D000750 до 0G290584
Капот 2-Х ТАКТНОГО ПЛМ MERCURY 50EO Серийный номер от 0D000750 до 0G290584
Карбюратор (WME-22/22B/23/24/35) 2-Х ТАКТНОГО ПЛМ MERCURY 50EO Серийный номер от 0D000750 до 0G290584
Карбюратор (WME-26/27/28/28/43/44/45) 2-Х ТАКТНОГО ПЛМ MERCURY 50EO Серийный номер от 0D000750 до 0G290584
Коленчатый вал, поршни и шатуны 2-Х ТАКТНОГО ПЛМ MERCURY 50EO Серийный номер от 0D000750 до 0G290584
Компоненты двигателя 2-Х ТАКТНОГО ПЛМ MERCURY 50EO Серийный номер от 0D000750 до 0G290584
Компоненты для закачки масла 2-Х ТАКТНОГО ПЛМ MERCURY 50EO Серийный номер от 0D000750 до 0G290584
Компоненты расширения 2-Х ТАКТНОГО ПЛМ MERCURY 50EO Серийный номер от 0D000750 до 0G290584
Компоненты силовой отделки(S/N: 0D181999 и ниже) 2-Х ТАКТНОГО ПЛМ MERCURY 50EO Серийный номер от 0D000750 до 0G290584
Компоненты силовой отделки(S/N: 0D182000 и выше) 2-Х ТАКТНОГО ПЛМ MERCURY 50EO Серийный номер от 0D000750 до 0G290584
Корпус ведущего вала 2-Х ТАКТНОГО ПЛМ MERCURY 50EO Серийный номер от 0D000750 до 0G290584
Корпус коробки передач (DR/ SHAFT)(BIGFOOT)(SEAPRO/MARATHON/PONTOON) 2-Х ТАКТНОГО ПЛМ MERCURY 50EO Серийный номер от 0D000750 до 0G290584
Корпус коробки передач (PROP SHAFT)(BIGFOOT)(SEAPRO/MARATHON/PONTOON) 2-Х ТАКТНОГО ПЛМ MERCURY 50EO Серийный номер от 0D000750 до 0G290584
Корпус редуктора (приводной вал) 2-Х ТАКТНОГО ПЛМ MERCURY 50EO Серийный номер от 0D000750 до 0G290584
Корпус шестерни (карданный вал) 2-Х ТАКТНОГО ПЛМ MERCURY 50EO Серийный номер от 0D000750 до 0G290584
Кронштейн транца(50/60)(S/N: 0D181999 и ниже) 2-Х ТАКТНОГО ПЛМ MERCURY 50EO Серийный номер от 0D000750 до 0G290584
Кронштейн транца(50/60)(S/N: 0D182000 и выше) 2-Х ТАКТНОГО ПЛМ MERCURY 50EO Серийный номер от 0D000750 до 0G290584
Маховик 2-Х ТАКТНОГО ПЛМ MERCURY 50EO Серийный номер от 0D000750 до 0G290584
Маховик и статор 2-Х ТАКТНОГО ПЛМ MERCURY 50EO Серийный номер от 0D000750 до 0G290584
Пластина аттенюатора 2-Х ТАКТНОГО ПЛМ MERCURY 50EO Серийный номер от 0D000750 до 0G290584
Поворотный кронштейн (S/N: 0D181999 и ниже) 2-Х ТАКТНОГО ПЛМ MERCURY 50EO Серийный номер от 0D000750 до 0G290584
Поворотный кронштейн (S/N: 0D182000 и выше) 2-Х ТАКТНОГО ПЛМ MERCURY 50EO Серийный номер от 0D000750 до 0G290584
Ручки руля комплект (Часть 1) 2-Х ТАКТНОГО ПЛМ MERCURY 50EO Серийный номер от 0D000750 до 0G290584
Ручки руля комплект (Часть 2) 2-Х ТАКТНОГО ПЛМ MERCURY 50EO Серийный номер от 0D000750 до 0G290584
Ручные компоненты наклона 2-Х ТАКТНОГО ПЛМ MERCURY 50EO Серийный номер от 0D000750 до 0G290584
Стартер в сборе (ручной)(55) 2-Х ТАКТНОГО ПЛМ MERCURY 50EO Серийный номер от 0D000750 до 0G290584
Стартер в сборе 2-Х ТАКТНОГО ПЛМ MERCURY 50EO Серийный номер от 0D000750 до 0G290584
Струйный насос в сборе 2-Х ТАКТНОГО ПЛМ MERCURY 50EO Серийный номер от 0D000750 до 0G290584
Топливный насос (белый или красный) 2-Х ТАКТНОГО ПЛМ MERCURY 50EO Серийный номер от 0D000750 до 0G290584
Топливный насос (черный) 2-Х ТАКТНОГО ПЛМ MERCURY 50EO Серийный номер от 0D000750 до 0G290584
Топливный насос 2-Х ТАКТНОГО ПЛМ MERCURY 50EO Серийный номер от 0D000750 до 0G290584
Электрические компоненты (50/60) 2-Х ТАКТНОГО ПЛМ MERCURY 50EO Серийный номер от 0D000750 до 0G290584
Электрические компоненты (55) 2-Х ТАКТНОГО ПЛМ MERCURY 50EO Серийный номер от 0D000750 до 0G290584
Запчасти для 2-х тактного ПЛМ MERCURY 50EO Серийный номер от 0G290585 до 0G589999
Аксессуары 2-Х ТАКТНОГО ПЛМ MERCURY 50EO Серийный номер от 0G290585 до 0G589999
Блок цилиндров и картер (Часть 1) 2-Х ТАКТНОГО ПЛМ MERCURY 50EO Серийный номер от 0G290585 до 0G589999
Блок цилиндров и картер (Часть 2) 2-Х ТАКТНОГО ПЛМ MERCURY 50EO Серийный номер от 0G290585 до 0G589999
Впускной коллектор и резонатор 2-Х ТАКТНОГО ПЛМ MERCURY 50EO Серийный номер от 0G290585 до 0G589999
Выхлопная труба 2-Х ТАКТНОГО ПЛМ MERCURY 50EO Серийный номер от 0G290585 до 0G589999
Дроссель и рычаг 2-Х ТАКТНОГО ПЛМ MERCURY 50EO Серийный номер от 0G290585 до 0G589999
Зажимной кронштейн (ручной) 2-Х ТАКТНОГО ПЛМ MERCURY 50EO Серийный номер от 0G290585 до 0G589999
Капот (Часть 1) 2-Х ТАКТНОГО ПЛМ MERCURY 50EO Серийный номер от 0G290585 до 0G589999
Капот (Часть 2) 2-Х ТАКТНОГО ПЛМ MERCURY 50EO Серийный номер от 0G290585 до 0G589999
Карбюратор 2-Х ТАКТНОГО ПЛМ MERCURY 50EO Серийный номер от 0G290585 до 0G589999
Коленчатый вал, поршни и соединительные стержни 2-Х ТАКТНОГО ПЛМ MERCURY 50EO Серийный номер от 0G290585 до 0G589999
Компоненты двигателя 2-Х ТАКТНОГО ПЛМ MERCURY 50EO Серийный номер от 0G290585 до 0G589999
Компоненты закачки масла 2-Х ТАКТНОГО ПЛМ MERCURY 50EO Серийный номер от 0G290585 до 0G589999
Компоненты расширения 2-Х ТАКТНОГО ПЛМ MERCURY 50EO Серийный номер от 0G290585 до 0G589999
Компоненты силовой отделки (S / # 0G357070 и ниже) (черная заливка) 2-Х ТАКТНОГО ПЛМ MERCURY 50EO Серийный номер от 0G290585 до 0G589999
Корпус ведущего вала 2-Х ТАКТНОГО ПЛМ MERCURY 50EO Серийный номер от 0G290585 до 0G589999
Корпус редуктора (карданный вал)(50/55/60) 2-Х ТАКТНОГО ПЛМ MERCURY 50EO Серийный номер от 0G290585 до 0G589999
Корпус редуктора (опорный вал)(60 SEA/MARA/BIG FOOT, 3 JAW REV. CLUTCH 2-Х ТАКТНОГО ПЛМ MERCURY 50EO Серийный номер от 0G290585 до 0G589999
Корпус редуктора (приводной вал)(50/55/60) (Часть 1) 2-Х ТАКТНОГО ПЛМ MERCURY 50EO Серийный номер от 0G290585 до 0G589999
Корпус редуктора (приводной вал)(50/55/60) (Часть 2) 2-Х ТАКТНОГО ПЛМ MERCURY 50EO Серийный номер от 0G290585 до 0G589999
Корпус редуктора (приводной вал)(60 SEA/MARA/BIG FOOT,3 JAW REV. CLUTCH 1 2-Х ТАКТНОГО ПЛМ MERCURY 50EO Серийный номер от 0G290585 до 0G589999
Корпус редуктора (приводной вал)(60 SEA/MARA/BIG FOOT,3 JAW REV. CLUTCH 2 2-Х ТАКТНОГО ПЛМ MERCURY 50EO Серийный номер от 0G290585 до 0G589999
Корпус редуктора (приводной вал)(60 SEA/MARA/BIG FOOT,6 JAW REV. CLUTCH 1 2-Х ТАКТНОГО ПЛМ MERCURY 50EO Серийный номер от 0G290585 до 0G589999
Корпус редуктора (приводной вал)(60 SEA/MARA/BIG FOOT,6 JAW REV. CLUTCH 2 2-Х ТАКТНОГО ПЛМ MERCURY 50EO Серийный номер от 0G290585 до 0G589999
Кронштейн транца (50/60) 2-Х ТАКТНОГО ПЛМ MERCURY 50EO Серийный номер от 0G290585 до 0G589999
Маховик 2-Х ТАКТНОГО ПЛМ MERCURY 50EO Серийный номер от 0G290585 до 0G589999
Маховик и статор 2-Х ТАКТНОГО ПЛМ MERCURY 50EO Серийный номер от 0G290585 до 0G589999
Пластина аттенюатора 2-Х ТАКТНОГО ПЛМ MERCURY 50EO Серийный номер от 0G290585 до 0G589999
Поворотный кронштейн 2-Х ТАКТНОГО ПЛМ MERCURY 50EO Серийный номер от 0G290585 до 0G589999
Рулевой комплект 2-Х ТАКТНОГО ПЛМ MERCURY 50EO Серийный номер от 0G290585 до 0G589999
Ручка румпеля комплект адаптеров (JET 45) 2-Х ТАКТНОГО ПЛМ MERCURY 50EO Серийный номер от 0G290585 до 0G589999
Ручки руля комплект (Часть 1) 2-Х ТАКТНОГО ПЛМ MERCURY 50EO Серийный номер от 0G290585 до 0G589999
Ручки руля комплект (Часть 2) 2-Х ТАКТНОГО ПЛМ MERCURY 50EO Серийный номер от 0G290585 до 0G589999
Ручки руля комплект (Часть 3) 2-Х ТАКТНОГО ПЛМ MERCURY 50EO Серийный номер от 0G290585 до 0G589999
Ручные компоненты наклона (Дизайн 1) 2-Х ТАКТНОГО ПЛМ MERCURY 50EO Серийный номер от 0G290585 до 0G589999
Ручные компоненты наклона (Дизайн 2) 2-Х ТАКТНОГО ПЛМ MERCURY 50EO Серийный номер от 0G290585 до 0G589999
Силовые элементы отделки (З/П 0G357070 и выше)(желтая заливка) 2-Х ТАКТНОГО ПЛМ MERCURY 50EO Серийный номер от 0G290585 до 0G589999
Стартер в сборе (ручной - 55) 2-Х ТАКТНОГО ПЛМ MERCURY 50EO Серийный номер от 0G290585 до 0G589999
Стартер в сборе 2-Х ТАКТНОГО ПЛМ MERCURY 50EO Серийный номер от 0G290585 до 0G589999
Струйный насос в сборе 2-Х ТАКТНОГО ПЛМ MERCURY 50EO Серийный номер от 0G290585 до 0G589999
Топливный насос (50/60) 2-Х ТАКТНОГО ПЛМ MERCURY 50EO Серийный номер от 0G290585 до 0G589999
Топливный насос (55/60) 2-Х ТАКТНОГО ПЛМ MERCURY 50EO Серийный номер от 0G290585 до 0G589999
Электрические компоненты (50/60) 2-Х ТАКТНОГО ПЛМ MERCURY 50EO Серийный номер от 0G290585 до 0G589999
Электрические компоненты (55) 2-Х ТАКТНОГО ПЛМ MERCURY 50EO Серийный номер от 0G290585 до 0G589999
Запчасти для 2-х тактного ПЛМ MERCURY 50EO Серийный номер от 0G590000 до 0G760299
Аксессуары 2-Х ТАКТНОГО ПЛМ MERCURY 50EO Серийный номер от 0G590000 до 0G760299
Блок цилиндров и картер 2-Х ТАКТНОГО ПЛМ MERCURY 50EO Серийный номер от 0G590000 до 0G760299
Верх капота 2-Х ТАКТНОГО ПЛМ MERCURY 50EO Серийный номер от 0G590000 до 0G760299
Впускной коллектор и резонатор 2-Х ТАКТНОГО ПЛМ MERCURY 50EO Серийный номер от 0G590000 до 0G760299
Дроссель и рычаг 2-Х ТАКТНОГО ПЛМ MERCURY 50EO Серийный номер от 0G590000 до 0G760299
Зажимной кронштейн 2-Х ТАКТНОГО ПЛМ MERCURY 50EO Серийный номер от 0G590000 до 0G760299
Инструменты (Часть 1) 2-Х ТАКТНОГО ПЛМ MERCURY 50EO Серийный номер от 0G590000 до 0G760299
Инструменты (Часть 2) 2-Х ТАКТНОГО ПЛМ MERCURY 50EO Серийный номер от 0G590000 до 0G760299
Карбюратор 2-Х ТАКТНОГО ПЛМ MERCURY 50EO Серийный номер от 0G590000 до 0G760299
Коленчатый вал, поршни и шатуны 2-Х ТАКТНОГО ПЛМ MERCURY 50EO Серийный номер от 0G590000 до 0G760299
Комплект выключателей, отделка 2-Х ТАКТНОГО ПЛМ MERCURY 50EO Серийный номер от 0G590000 до 0G760299
Компоненты двигателя 2-Х ТАКТНОГО ПЛМ MERCURY 50EO Серийный номер от 0G590000 до 0G760299
Компоненты закачки масла 2-Х ТАКТНОГО ПЛМ MERCURY 50EO Серийный номер от 0G590000 до 0G760299
Корпус ведущего вала и выхлопная труба 2-Х ТАКТНОГО ПЛМ MERCURY 50EO Серийный номер от 0G590000 до 0G760299
Корпус коробки передач (карданный вал) (1.83: 1 передаточное отношение) 2-Х ТАКТНОГО ПЛМ MERCURY 50EO Серийный номер от 0G590000 до 0G760299
Корпус коробки передач (приводной вал) (1.83: 1 передаточное отношение) 2-Х ТАКТНОГО ПЛМ MERCURY 50EO Серийный номер от 0G590000 до 0G760299
Маховик и статор (ручной) 2-Х ТАКТНОГО ПЛМ MERCURY 50EO Серийный номер от 0G590000 до 0G760299
Маховик и статор (электрический) 2-Х ТАКТНОГО ПЛМ MERCURY 50EO Серийный номер от 0G590000 до 0G760299
Низ капота 2-Х ТАКТНОГО ПЛМ MERCURY 50EO Серийный номер от 0G590000 до 0G760299
Пластина аттенюатора 2-Х ТАКТНОГО ПЛМ MERCURY 50EO Серийный номер от 0G590000 до 0G760299
Поворотная труба 2-Х ТАКТНОГО ПЛМ MERCURY 50EO Серийный номер от 0G590000 до 0G760299
Поворотный кронштейн 2-Х ТАКТНОГО ПЛМ MERCURY 50EO Серийный номер от 0G590000 до 0G760299
Ручка румпеля 2-Х ТАКТНОГО ПЛМ MERCURY 50EO Серийный номер от 0G590000 до 0G760299
Силовая отделка 2-Х ТАКТНОГО ПЛМ MERCURY 50EO Серийный номер от 0G590000 до 0G760299
Стартер 2-Х ТАКТНОГО ПЛМ MERCURY 50EO Серийный номер от 0G590000 до 0G760299
Стартер в сборе (ручной) 2-Х ТАКТНОГО ПЛМ MERCURY 50EO Серийный номер от 0G590000 до 0G760299
Струйный насос в сборе 2-Х ТАКТНОГО ПЛМ MERCURY 50EO Серийный номер от 0G590000 до 0G760299
Топливный насос (ручной) 2-Х ТАКТНОГО ПЛМ MERCURY 50EO Серийный номер от 0G590000 до 0G760299
Топливный насос (электрический) 2-Х ТАКТНОГО ПЛМ MERCURY 50EO Серийный номер от 0G590000 до 0G760299
Электрические компоненты 2-Х ТАКТНОГО ПЛМ MERCURY 50EO Серийный номер от 0G590000 до 0G760299
Запчасти для 2-х тактного ПЛМ MERCURY 50EO Серийный номер от 0G760300 до 0T979999
Аксессуары 2-Х ТАКТНОГО ПЛМ MERCURY 50EO Серийный номер от 0G760300 до 0T979999
Блок цилиндров и картер 2-Х ТАКТНОГО ПЛМ MERCURY 50EO Серийный номер от 0G760300 до 0T979999
Верх капота 2-Х ТАКТНОГО ПЛМ MERCURY 50EO Серийный номер от 0G760300 до 0T979999
Впускной коллектор и резонатор 2-Х ТАКТНОГО ПЛМ MERCURY 50EO Серийный номер от 0G760300 до 0T979999
Зажимной кронштейн 2-Х ТАКТНОГО ПЛМ MERCURY 50EO Серийный номер от 0G760300 до 0T979999
Инструменты (Часть 1) 2-Х ТАКТНОГО ПЛМ MERCURY 50EO Серийный номер от 0G760300 до 0T979999
Инструменты (Часть 2) 2-Х ТАКТНОГО ПЛМ MERCURY 50EO Серийный номер от 0G760300 до 0T979999
Карбюратор 2-Х ТАКТНОГО ПЛМ MERCURY 50EO Серийный номер от 0G760300 до 0T979999
Коленчатый вал, поршни и шатуны 2-Х ТАКТНОГО ПЛМ MERCURY 50EO Серийный номер от 0G760300 до 0T979999
Комплект выключателей, отделка 2-Х ТАКТНОГО ПЛМ MERCURY 50EO Серийный номер от 0G760300 до 0T979999
Комплект прокладок, капитального ремонта двигателя 2-Х ТАКТНОГО ПЛМ MERCURY 50EO Серийный номер от 0G760300 до 0T979999
Компоненты двигателя 2-Х ТАКТНОГО ПЛМ MERCURY 50EO Серийный номер от 0G760300 до 0T979999
Компоненты закачки масла 2-Х ТАКТНОГО ПЛМ MERCURY 50EO Серийный номер от 0G760300 до 0T979999
Корпус ведущего вала и выхлопная труба 2-Х ТАКТНОГО ПЛМ MERCURY 50EO Серийный номер от 0G760300 до 0T979999
Корпус коробки передач (карданный вал) (1.83: 1 передаточное отношение) 2-Х ТАКТНОГО ПЛМ MERCURY 50EO Серийный номер от 0G760300 до 0T979999
Корпус коробки передач (приводной вал) (1.83: 1 передаточное отношение) 2-Х ТАКТНОГО ПЛМ MERCURY 50EO Серийный номер от 0G760300 до 0T979999
Маховик и статор (ручной) 2-Х ТАКТНОГО ПЛМ MERCURY 50EO Серийный номер от 0G760300 до 0T979999
Маховик и статор (электрический) 2-Х ТАКТНОГО ПЛМ MERCURY 50EO Серийный номер от 0G760300 до 0T979999
Низ капота 2-Х ТАКТНОГО ПЛМ MERCURY 50EO Серийный номер от 0G760300 до 0T979999
Пластина аттенюатора 2-Х ТАКТНОГО ПЛМ MERCURY 50EO Серийный номер от 0G760300 до 0T979999
Поворотная труба 2-Х ТАКТНОГО ПЛМ MERCURY 50EO Серийный номер от 0G760300 до 0T979999
Поворотный кронштейн 2-Х ТАКТНОГО ПЛМ MERCURY 50EO Серийный номер от 0G760300 до 0T979999
Рукоятка румпеля 2-Х ТАКТНОГО ПЛМ MERCURY 50EO Серийный номер от 0G760300 до 0T979999
Рычаг дроссельной заслонки и сцепление 2-Х ТАКТНОГО ПЛМ MERCURY 50EO Серийный номер от 0G760300 до 0T979999
Силовая отделка 2-Х ТАКТНОГО ПЛМ MERCURY 50EO Серийный номер от 0G760300 до 0T979999
Стартер 2-Х ТАКТНОГО ПЛМ MERCURY 50EO Серийный номер от 0G760300 до 0T979999
Стартер в сборе (ручной) 2-Х ТАКТНОГО ПЛМ MERCURY 50EO Серийный номер от 0G760300 до 0T979999
Струйный насос в сборе 2-Х ТАКТНОГО ПЛМ MERCURY 50EO Серийный номер от 0G760300 до 0T979999
Топливный насос (ручной) 2-Х ТАКТНОГО ПЛМ MERCURY 50EO Серийный номер от 0G760300 до 0T979999
Топливный насос (электрический) 2-Х ТАКТНОГО ПЛМ MERCURY 50EO Серийный номер от 0G760300 до 0T979999
Электрические компоненты 2-Х ТАКТНОГО ПЛМ MERCURY 50EO Серийный номер от 0G760300 до 0T979999
Запчасти для 2-х тактного ПЛМ MERCURY 50EO Серийный номер от 0P017000 до 0P325499
Аксессуары 2-Х ТАКТНОГО ПЛМ MERCURY 50EO Серийный номер от 0P017000 до 0P325499
Блок цилиндров и картер 2-Х ТАКТНОГО ПЛМ MERCURY 50EO Серийный номер от 0P017000 до 0P325499
Верх капота 2-Х ТАКТНОГО ПЛМ MERCURY 50EO Серийный номер от 0P017000 до 0P325499
Впускной коллектор и резонатор 2-Х ТАКТНОГО ПЛМ MERCURY 50EO Серийный номер от 0P017000 до 0P325499
Зажимной кронштейн 2-Х ТАКТНОГО ПЛМ MERCURY 50EO Серийный номер от 0P017000 до 0P325499
Инструменты 2-Х ТАКТНОГО ПЛМ MERCURY 50EO Серийный номер от 0P017000 до 0P325499
Карбюратор 2-Х ТАКТНОГО ПЛМ MERCURY 50EO Серийный номер от 0P017000 до 0P325499
Коленчатый вал, поршни и шатуны 2-Х ТАКТНОГО ПЛМ MERCURY 50EO Серийный номер от 0P017000 до 0P325499
Комплект выключателей, отделка 2-Х ТАКТНОГО ПЛМ MERCURY 50EO Серийный номер от 0P017000 до 0P325499
Комплект прокладок, капитального ремонта двигателя 2-Х ТАКТНОГО ПЛМ MERCURY 50EO Серийный номер от 0P017000 до 0P325499
Компоненты двигателя 2-Х ТАКТНОГО ПЛМ MERCURY 50EO Серийный номер от 0P017000 до 0P325499
Компоненты закачки масла 2-Х ТАКТНОГО ПЛМ MERCURY 50EO Серийный номер от 0P017000 до 0P325499
Корпус ведущего вала и выхлопная труба 2-Х ТАКТНОГО ПЛМ MERCURY 50EO Серийный номер от 0P017000 до 0P325499
Корпус коробки передач (карданный вал) (1.83: 1 передаточное отношение) 2-Х ТАКТНОГО ПЛМ MERCURY 50EO Серийный номер от 0P017000 до 0P325499
Корпус коробки передач (приводной вал) (1.83: 1 передаточное отношение) 2-Х ТАКТНОГО ПЛМ MERCURY 50EO Серийный номер от 0P017000 до 0P325499
Маховик и статор (ручной) 2-Х ТАКТНОГО ПЛМ MERCURY 50EO Серийный номер от 0P017000 до 0P325499
Маховик и статор (электрический) 2-Х ТАКТНОГО ПЛМ MERCURY 50EO Серийный номер от 0P017000 до 0P325499
Низ капота 2-Х ТАКТНОГО ПЛМ MERCURY 50EO Серийный номер от 0P017000 до 0P325499
Пластина аттенюатора 2-Х ТАКТНОГО ПЛМ MERCURY 50EO Серийный номер от 0P017000 до 0P325499
Поворотная труба 2-Х ТАКТНОГО ПЛМ MERCURY 50EO Серийный номер от 0P017000 до 0P325499
Поворотный кронштейн 2-Х ТАКТНОГО ПЛМ MERCURY 50EO Серийный номер от 0P017000 до 0P325499
Рукоятка румпеля 2-Х ТАКТНОГО ПЛМ MERCURY 50EO Серийный номер от 0P017000 до 0P325499
Рычаг дроссельной заслонки и сцепление 2-Х ТАКТНОГО ПЛМ MERCURY 50EO Серийный номер от 0P017000 до 0P325499
Силовая отделка 2-Х ТАКТНОГО ПЛМ MERCURY 50EO Серийный номер от 0P017000 до 0P325499
Стартер 2-Х ТАКТНОГО ПЛМ MERCURY 50EO Серийный номер от 0P017000 до 0P325499
Стартер в сборе (ручной) 2-Х ТАКТНОГО ПЛМ MERCURY 50EO Серийный номер от 0P017000 до 0P325499
Струйный насос в сборе 2-Х ТАКТНОГО ПЛМ MERCURY 50EO Серийный номер от 0P017000 до 0P325499
Топливный насос (ручной) 2-Х ТАКТНОГО ПЛМ MERCURY 50EO Серийный номер от 0P017000 до 0P325499
Топливный насос (электрический) 2-Х ТАКТНОГО ПЛМ MERCURY 50EO Серийный номер от 0P017000 до 0P325499
Электрические компоненты 2-Х ТАКТНОГО ПЛМ MERCURY 50EO Серийный номер от 0P017000 до 0P325499
Запчасти для 2-х тактного ПЛМ MERCURY 50EO Серийный номер от 0P325500 и выше
Аксессуары 2-Х ТАКТНОГО ПЛМ MERCURY 50EO Серийный номер от 0P325500 и выше
Блок цилиндров и картер 2-Х ТАКТНОГО ПЛМ MERCURY 50EO Серийный номер от 0P325500 и выше
Верх капота 2-Х ТАКТНОГО ПЛМ MERCURY 50EO Серийный номер от 0P325500 и выше
Впускной коллектор и резонатор 2-Х ТАКТНОГО ПЛМ MERCURY 50EO Серийный номер от 0P325500 и выше
Зажимной кронштейн 2-Х ТАКТНОГО ПЛМ MERCURY 50EO Серийный номер от 0P325500 и выше
Инструменты 2-Х ТАКТНОГО ПЛМ MERCURY 50EO Серийный номер от 0P325500 и выше
Карбюратор 2-Х ТАКТНОГО ПЛМ MERCURY 50EO Серийный номер от 0P325500 и выше
Коленчатый вал, поршни и шатуны 2-Х ТАКТНОГО ПЛМ MERCURY 50EO Серийный номер от 0P325500 и выше
Комплект выключателей, отделка 2-Х ТАКТНОГО ПЛМ MERCURY 50EO Серийный номер от 0P325500 и выше
Комплект прокладок, капитального ремонта двигателя 2-Х ТАКТНОГО ПЛМ MERCURY 50EO Серийный номер от 0P325500 и выше
Компоненты закачки масла 2-Х ТАКТНОГО ПЛМ MERCURY 50EO Серийный номер от 0P325500 и выше
Корпус ведущего вала и выхлопная труба 2-Х ТАКТНОГО ПЛМ MERCURY 50EO Серийный номер от 0P325500 и выше
Корпус коробки передач (карданный вал) (1.83: 1 передаточное отношение) 2-Х ТАКТНОГО ПЛМ MERCURY 50EO Серийный номер от 0P325500 и выше
Корпус коробки передач (приводной вал) (1.83: 1 передаточное отношение) 2-Х ТАКТНОГО ПЛМ MERCURY 50EO Серийный номер от 0P325500 и выше
Маховик и статор (ручной) 2-Х ТАКТНОГО ПЛМ MERCURY 50EO Серийный номер от 0P325500 и выше
Маховик и статор (электрический) 2-Х ТАКТНОГО ПЛМ MERCURY 50EO Серийный номер от 0P325500 и выше
Низ капота 2-Х ТАКТНОГО ПЛМ MERCURY 50EO Серийный номер от 0P325500 и выше
Пластина аттенюатора 2-Х ТАКТНОГО ПЛМ MERCURY 50EO Серийный номер от 0P325500 и выше
Поворотная труба 2-Х ТАКТНОГО ПЛМ MERCURY 50EO Серийный номер от 0P325500 и выше
Поворотный кронштейн 2-Х ТАКТНОГО ПЛМ MERCURY 50EO Серийный номер от 0P325500 и выше
Рукоятка румпеля 2-Х ТАКТНОГО ПЛМ MERCURY 50EO Серийный номер от 0P325500 и выше
Рычаг дроссельной заслонки и сцепление 2-Х ТАКТНОГО ПЛМ MERCURY 50EO Серийный номер от 0P325500 и выше
Силовая отделка 2-Х ТАКТНОГО ПЛМ MERCURY 50EO Серийный номер от 0P325500 и выше
Стартер 2-Х ТАКТНОГО ПЛМ MERCURY 50EO Серийный номер от 0P325500 и выше
Стартер в сборе (ручной) 2-Х ТАКТНОГО ПЛМ MERCURY 50EO Серийный номер от 0P325500 и выше
Топливный насос (ручной) 2-Х ТАКТНОГО ПЛМ MERCURY 50EO Серийный номер от 0P325500 и выше
Топливный насос (электрический) 2-Х ТАКТНОГО ПЛМ MERCURY 50EO Серийный номер от 0P325500 и выше
Электрические компоненты 2-Х ТАКТНОГО ПЛМ MERCURY 50EO Серийный номер от 0P325500 и выше
Запчасти для 2-х тактного ПЛМ MERCURY 50EO Серийный номер от 0T980000 до 0T999999
Аксессуары 2-Х ТАКТНОГО ПЛМ MERCURY 50EO Серийный номер от 0T980000 до 0T999999
Блок цилиндров и картер 2-Х ТАКТНОГО ПЛМ MERCURY 50EO Серийный номер от 0T980000 до 0T999999
Верх капота 2-Х ТАКТНОГО ПЛМ MERCURY 50EO Серийный номер от 0T980000 до 0T999999
Впускной коллектор и резонатор 2-Х ТАКТНОГО ПЛМ MERCURY 50EO Серийный номер от 0T980000 до 0T999999
Зажимной кронштейн 2-Х ТАКТНОГО ПЛМ MERCURY 50EO Серийный номер от 0T980000 до 0T999999
Инструменты 2-Х ТАКТНОГО ПЛМ MERCURY 50EO Серийный номер от 0T980000 до 0T999999
Карбюратор 2-Х ТАКТНОГО ПЛМ MERCURY 50EO Серийный номер от 0T980000 до 0T999999
Коленчатый вал, поршни и шатуны 2-Х ТАКТНОГО ПЛМ MERCURY 50EO Серийный номер от 0T980000 до 0T999999
Комплект выключателей, отделка 2-Х ТАКТНОГО ПЛМ MERCURY 50EO Серийный номер от 0T980000 до 0T999999
Комплект прокладок, капитального ремонта двигателя 2-Х ТАКТНОГО ПЛМ MERCURY 50EO Серийный номер от 0T980000 до 0T999999
Компоненты закачки масла 2-Х ТАКТНОГО ПЛМ MERCURY 50EO Серийный номер от 0T980000 до 0T999999
Корпус ведущего вала и выхлопная труба 2-Х ТАКТНОГО ПЛМ MERCURY 50EO Серийный номер от 0T980000 до 0T999999
Корпус коробки передач (карданный вал) (1.83: 1 передаточное отношение) 2-Х ТАКТНОГО ПЛМ MERCURY 50EO Серийный номер от 0T980000 до 0T999999
Корпус коробки передач (приводной вал) (1.83: 1 передаточное отношение) 2-Х ТАКТНОГО ПЛМ MERCURY 50EO Серийный номер от 0T980000 до 0T999999
Маховик и статор (ручной) 2-Х ТАКТНОГО ПЛМ MERCURY 50EO Серийный номер от 0T980000 до 0T999999
Маховик и статор (электрический) 2-Х ТАКТНОГО ПЛМ MERCURY 50EO Серийный номер от 0T980000 до 0T999999
Низ капота 2-Х ТАКТНОГО ПЛМ MERCURY 50EO Серийный номер от 0T980000 до 0T999999
Пластина аттенюатора 2-Х ТАКТНОГО ПЛМ MERCURY 50EO Серийный номер от 0T980000 до 0T999999
Поворотная труба 2-Х ТАКТНОГО ПЛМ MERCURY 50EO Серийный номер от 0T980000 до 0T999999
Поворотный кронштейн 2-Х ТАКТНОГО ПЛМ MERCURY 50EO Серийный номер от 0T980000 до 0T999999
Рукоятка румпеля 2-Х ТАКТНОГО ПЛМ MERCURY 50EO Серийный номер от 0T980000 до 0T999999
Рычаг дроссельной заслонки и сцепление 2-Х ТАКТНОГО ПЛМ MERCURY 50EO Серийный номер от 0T980000 до 0T999999
Силовая отделка 2-Х ТАКТНОГО ПЛМ MERCURY 50EO Серийный номер от 0T980000 до 0T999999
Стартер 2-Х ТАКТНОГО ПЛМ MERCURY 50EO Серийный номер от 0T980000 до 0T999999
Стартер в сборе (ручной) 2-Х ТАКТНОГО ПЛМ MERCURY 50EO Серийный номер от 0T980000 до 0T999999
Топливный насос (ручной) 2-Х ТАКТНОГО ПЛМ MERCURY 50EO Серийный номер от 0T980000 до 0T999999
Топливный насос (электрический) 2-Х ТАКТНОГО ПЛМ MERCURY 50EO Серийный номер от 0T980000 до 0T999999
Электрические компоненты 2-Х ТАКТНОГО ПЛМ MERCURY 50EO Серийный номер от 0T980000 до 0T999999
Запчасти для 2-х тактного ПЛМ MERCURY 50EO Серийный номер от 6428681 до 0B122929
Авто-смесь 2-Х ТАКТНОГО ПЛМ MERCURY 50EO Серийный номер от 6428681 до 0B122929
Аксессуары 2-Х ТАКТНОГО ПЛМ MERCURY 50EO Серийный номер от 6428681 до 0B122929
Блок цилиндров и картер в сборе 2-Х ТАКТНОГО ПЛМ MERCURY 50EO Серийный номер от 6428681 до 0B122929
Винты (правого вращения) 2-Х ТАКТНОГО ПЛМ MERCURY 50EO Серийный номер от 6428681 до 0B122929
Выхлопной коллектор и крышки 2-Х ТАКТНОГО ПЛМ MERCURY 50EO Серийный номер от 6428681 до 0B122929
Гидравлический насос в сборе (пластиковый резервуар) 2-Х ТАКТНОГО ПЛМ MERCURY 50EO Серийный номер от 6428681 до 0B122929
Зажимной кронштейн в сборе 2-Х ТАКТНОГО ПЛМ MERCURY 50EO Серийный номер от 6428681 до 0B122929
Капот и передняя крышка 2-Х ТАКТНОГО ПЛМ MERCURY 50EO Серийный номер от 6428681 до 0B122929
Карбюратор в сборе 2-Х ТАКТНОГО ПЛМ MERCURY 50EO Серийный номер от 6428681 до 0B122929
Карбюратор и дроссель 2-Х ТАКТНОГО ПЛМ MERCURY 50EO Серийный номер от 6428681 до 0B122929
Коленчатый вал, поршни и шатуны 2-Х ТАКТНОГО ПЛМ MERCURY 50EO Серийный номер от 6428681 до 0B122929
Комплект для ремонта цилиндра 2-Х ТАКТНОГО ПЛМ MERCURY 50EO Серийный номер от 6428681 до 0B122929
Корпус ведущего вала в сборе 2-Х ТАКТНОГО ПЛМ MERCURY 50EO Серийный номер от 6428681 до 0B122929
Корпус шестерни (карданный вал) 2-Х ТАКТНОГО ПЛМ MERCURY 50EO Серийный номер от 6428681 до 0B122929
Корпус шестерни (приводной вал) 2-Х ТАКТНОГО ПЛМ MERCURY 50EO Серийный номер от 6428681 до 0B122929
Маховик, распределительная коробка, катушка зажимная и статор 2-Х ТАКТНОГО ПЛМ MERCURY 50EO Серийный номер от 6428681 до 0B122929
Опорные кронштейны капота 2-Х ТАКТНОГО ПЛМ MERCURY 50EO Серийный номер от 6428681 до 0B122929
Поворотный кронштейн и блокировка обратного вращения 2-Х ТАКТНОГО ПЛМ MERCURY 50EO Серийный номер от 6428681 до 0B122929
Рычаг дроссельной заслонки и зажигание 2-Х ТАКТНОГО ПЛМ MERCURY 50EO Серийный номер от 6428681 до 0B122929
Рычаг переключения передач и выпускная платина 2-Х ТАКТНОГО ПЛМ MERCURY 50EO Серийный номер от 6428681 до 0B122929
Силовая отделка 2-Х ТАКТНОГО ПЛМ MERCURY 50EO Серийный номер от 6428681 до 0B122929
Стартер в сборе (BOSCH) 2-Х ТАКТНОГО ПЛМ MERCURY 50EO Серийный номер от 6428681 до 0B122929
Стартер в сборе (престолит) 2-Х ТАКТНОГО ПЛМ MERCURY 50EO Серийный номер от 6428681 до 0B122929
Стартер, соленоид стартера, выпрямитель тока 2-Х ТАКТНОГО ПЛМ MERCURY 50EO Серийный номер от 6428681 до 0B122929
Топливный насос, топливный фильтр и топливные линии 2-Х ТАКТНОГО ПЛМ MERCURY 50EO Серийный номер от 6428681 до 0B122929
Цилиндры и гидравлические шланги 2-Х ТАКТНОГО ПЛМ MERCURY 50EO Серийный номер от 6428681 до 0B122929
Запчасти для 2-х тактного ПЛМ MERCURY 50EO Серийный номер от 7208333 до 0A721307
Авто-смесь 2-Х ТАКТНОГО ПЛМ MERCURY 50EO Серийный номер от 7208333 до 0A721307
Аксессуары 2-Х ТАКТНОГО ПЛМ MERCURY 50EO Серийный номер от 7208333 до 0A721307
Блок цилиндров и картер в сборе 2-Х ТАКТНОГО ПЛМ MERCURY 50EO Серийный номер от 7208333 до 0A721307
Винты (правого вращения) 2-Х ТАКТНОГО ПЛМ MERCURY 50EO Серийный номер от 7208333 до 0A721307
Выхлопной коллектор и крышки 2-Х ТАКТНОГО ПЛМ MERCURY 50EO Серийный номер от 7208333 до 0A721307
Гидравлический насос в сборе (пластиковый резервуар) 2-Х ТАКТНОГО ПЛМ MERCURY 50EO Серийный номер от 7208333 до 0A721307
Зажимной кронштейн в сборе 2-Х ТАКТНОГО ПЛМ MERCURY 50EO Серийный номер от 7208333 до 0A721307
Капот и передняя крышка 2-Х ТАКТНОГО ПЛМ MERCURY 50EO Серийный номер от 7208333 до 0A721307
Карбюратор в сборе 2-Х ТАКТНОГО ПЛМ MERCURY 50EO Серийный номер от 7208333 до 0A721307
Карбюратор и дроссель 2-Х ТАКТНОГО ПЛМ MERCURY 50EO Серийный номер от 7208333 до 0A721307
Коленчатый вал, поршни и шатуны 2-Х ТАКТНОГО ПЛМ MERCURY 50EO Серийный номер от 7208333 до 0A721307
Комплект для ремонта цилиндра 2-Х ТАКТНОГО ПЛМ MERCURY 50EO Серийный номер от 7208333 до 0A721307
Корпус ведущего вала в сборе 2-Х ТАКТНОГО ПЛМ MERCURY 50EO Серийный номер от 7208333 до 0A721307
Корпус шестерни (карданный вал) 2-Х ТАКТНОГО ПЛМ MERCURY 50EO Серийный номер от 7208333 до 0A721307
Корпус шестерни (приводной вал) 2-Х ТАКТНОГО ПЛМ MERCURY 50EO Серийный номер от 7208333 до 0A721307
Маховик, распределительная коробка, катушка зажимная и статор 2-Х ТАКТНОГО ПЛМ MERCURY 50EO Серийный номер от 7208333 до 0A721307
Опорные кронштейны капота 2-Х ТАКТНОГО ПЛМ MERCURY 50EO Серийный номер от 7208333 до 0A721307
Поворотный кронштейн и блокировка обратного вращения 2-Х ТАКТНОГО ПЛМ MERCURY 50EO Серийный номер от 7208333 до 0A721307
Рычаг дроссельной заслонки и зажигание 2-Х ТАКТНОГО ПЛМ MERCURY 50EO Серийный номер от 7208333 до 0A721307
Рычаг переключения передач и выпускная пластина 2-Х ТАКТНОГО ПЛМ MERCURY 50EO Серийный номер от 7208333 до 0A721307
Силовая отделка 2-Х ТАКТНОГО ПЛМ MERCURY 50EO Серийный номер от 7208333 до 0A721307
Стартер в сборе (BOSCH) 2-Х ТАКТНОГО ПЛМ MERCURY 50EO Серийный номер от 7208333 до 0A721307
Стартер в сборе (PRESTOLITE) 2-Х ТАКТНОГО ПЛМ MERCURY 50EO Серийный номер от 7208333 до 0A721307
Стартер, соленоид стартера, выпрямитель тока 2-Х ТАКТНОГО ПЛМ MERCURY 50EO Серийный номер от 7208333 до 0A721307
Топливный насос, топливный фильтр и топливные линии 2-Х ТАКТНОГО ПЛМ MERCURY 50EO Серийный номер от 7208333 до 0A721307
Цилиндры и гидравлические шланги 2-Х ТАКТНОГО ПЛМ MERCURY 50EO Серийный номер от 7208333 до 0A721307
Запчасти для 2-х тактного ПЛМ MERCURY 50EO Серийный номер от 9385911 до 9469199
Авто-смесь 2-Х ТАКТНОГО ПЛМ MERCURY 50EO Серийный номер от 9385911 до 9469199
Аксессуары 2-Х ТАКТНОГО ПЛМ MERCURY 50EO Серийный номер от 9385911 до 9469199
Блок цилиндров и картер в сборе 2-Х ТАКТНОГО ПЛМ MERCURY 50EO Серийный номер от 9385911 до 9469199
Винты (правого вращения) 2-Х ТАКТНОГО ПЛМ MERCURY 50EO Серийный номер от 9385911 до 9469199
Выхлопной коллектор и крышки 2-Х ТАКТНОГО ПЛМ MERCURY 50EO Серийный номер от 9385911 до 9469199
Гидравлический насос в сборе (пластиковый резервуар) 2-Х ТАКТНОГО ПЛМ MERCURY 50EO Серийный номер от 9385911 до 9469199
Зажимной кронштейн в сборе 2-Х ТАКТНОГО ПЛМ MERCURY 50EO Серийный номер от 9385911 до 9469199
Капот и передняя крышка 2-Х ТАКТНОГО ПЛМ MERCURY 50EO Серийный номер от 9385911 до 9469199
Карбюратор в сборе 2-Х ТАКТНОГО ПЛМ MERCURY 50EO Серийный номер от 9385911 до 9469199
Карбюратор и дроссель 2-Х ТАКТНОГО ПЛМ MERCURY 50EO Серийный номер от 9385911 до 9469199
Коленчатый вал, поршни и шатуны 2-Х ТАКТНОГО ПЛМ MERCURY 50EO Серийный номер от 9385911 до 9469199
Комплект для ремонта цилиндра 2-Х ТАКТНОГО ПЛМ MERCURY 50EO Серийный номер от 9385911 до 9469199
Корпус ведущего вала в сборе 2-Х ТАКТНОГО ПЛМ MERCURY 50EO Серийный номер от 9385911 до 9469199
Корпус шестерни (карданный вал) 2-Х ТАКТНОГО ПЛМ MERCURY 50EO Серийный номер от 9385911 до 9469199
Корпус шестерни (приводной вал) 2-Х ТАКТНОГО ПЛМ MERCURY 50EO Серийный номер от 9385911 до 9469199
Маховик, распределительная коробка, катушка зажимная и статор 2-Х ТАКТНОГО ПЛМ MERCURY 50EO Серийный номер от 9385911 до 9469199
Опорные кронштейны капота 2-Х ТАКТНОГО ПЛМ MERCURY 50EO Серийный номер от 9385911 до 9469199
Поворотный кронштейн и блокировка обратного вращения 2-Х ТАКТНОГО ПЛМ MERCURY 50EO Серийный номер от 9385911 до 9469199
Рычаг дроссельной заслонки и зажигание 2-Х ТАКТНОГО ПЛМ MERCURY 50EO Серийный номер от 9385911 до 9469199
Рычаг переключения передач и выпускная пластина 2-Х ТАКТНОГО ПЛМ MERCURY 50EO Серийный номер от 9385911 до 9469199
Силовая отделка 2-Х ТАКТНОГО ПЛМ MERCURY 50EO Серийный номер от 9385911 до 9469199
Стартер в сборе (BOSCH) 2-Х ТАКТНОГО ПЛМ MERCURY 50EO Серийный номер от 9385911 до 9469199
Стартер в сборе (PRESTOLITE) 2-Х ТАКТНОГО ПЛМ MERCURY 50EO Серийный номер от 9385911 до 9469199
Стартер, соленоид стартера, выпрямитель тока 2-Х ТАКТНОГО ПЛМ MERCURY 50EO Серийный номер от 9385911 до 9469199
Топливный насос, топливный фильтр и топливные линии 2-Х ТАКТНОГО ПЛМ MERCURY 50EO Серийный номер от 9385911 до 9469199
Цилиндры и гидравлические шланги 2-Х ТАКТНОГО ПЛМ MERCURY 50EO Серийный номер от 9385911 до 9469199
Запчасти для 2-х тактного ПЛМ MERCURY 50EO Серийный номер от 9469200 до 9683054
Manual Tilt Components 2-Х ТАКТНОГО ПЛМ MERCURY 50EO Серийный номер от 9469200 до 9683054
Авто-смесь 2-Х ТАКТНОГО ПЛМ MERCURY 50EO Серийный номер от 9469200 до 9683054
Блок цилиндров 2-Х ТАКТНОГО ПЛМ MERCURY 50EO Серийный номер от 9469200 до 9683054
Выхлопная труба 2-Х ТАКТНОГО ПЛМ MERCURY 50EO Серийный номер от 9469200 до 9683054
Выхлопной коллектор и крышки 2-Х ТАКТНОГО ПЛМ MERCURY 50EO Серийный номер от 9469200 до 9683054
Зажимной кронштейн (короткий) (длинный-0C160935 и ниже) (60EL NOI) (NPT) 2-Х ТАКТНОГО ПЛМ MERCURY 50EO Серийный номер от 9469200 до 9683054
Капот и передняя крышка 2-Х ТАКТНОГО ПЛМ MERCURY 50EO Серийный номер от 9469200 до 9683054
Карбюратор 2-Х ТАКТНОГО ПЛМ MERCURY 50EO Серийный номер от 9469200 до 9683054
Карбюратор и дроссель 2-Х ТАКТНОГО ПЛМ MERCURY 50EO Серийный номер от 9469200 до 9683054
Коленвал, поршни и шатуны 2-Х ТАКТНОГО ПЛМ MERCURY 50EO Серийный номер от 9469200 до 9683054
Компоненты силовой отделки(S/N-0C160935 и ниже) 2-Х ТАКТНОГО ПЛМ MERCURY 50EO Серийный номер от 9469200 до 9683054
Корпус карданного вала (длинный-0C160936 & выше) (60EL NOI) (NPT) 2-Х ТАКТНОГО ПЛМ MERCURY 50EO Серийный номер от 9469200 до 9683054
Корпус карданного вала (короткий)(длинный S / N-0C160935 и ниже) 2-Х ТАКТНОГО ПЛМ MERCURY 50EO Серийный номер от 9469200 до 9683054
Корпус редуктора (карданный вал) 2-Х ТАКТНОГО ПЛМ MERCURY 50EO Серийный номер от 9469200 до 9683054
Корпус шестерни (карданный вал) 2-Х ТАКТНОГО ПЛМ MERCURY 50EO Серийный номер от 9469200 до 9683054
Кронштейн транца (силовая отделка)(S/N-0C160935 и ниже) 2-Х ТАКТНОГО ПЛМ MERCURY 50EO Серийный номер от 9469200 до 9683054
Кронштейн транца(длинный вал S/N-0C160936 и выше) 2-Х ТАКТНОГО ПЛМ MERCURY 50EO Серийный номер от 9469200 до 9683054
Маховик, распределительная коробка, катушка зажигания и статор 2-Х ТАКТНОГО ПЛМ MERCURY 50EO Серийный номер от 9469200 до 9683054
Насос отсечки мощности (прямоугольный двигатель Eaton) 2-Х ТАКТНОГО ПЛМ MERCURY 50EO Серийный номер от 9469200 до 9683054
Опорные кронштейны капота 2-Х ТАКТНОГО ПЛМ MERCURY 50EO Серийный номер от 9469200 до 9683054
Поворотный кронштейн (длинный вал-S/N-0C160936 и выше) 2-Х ТАКТНОГО ПЛМ MERCURY 50EO Серийный номер от 9469200 до 9683054
Поворотный кронштейн (короткий) (длинный-0C160935 и ниже) (60EL NOI) (NPT) 2-Х ТАКТНОГО ПЛМ MERCURY 50EO Серийный номер от 9469200 до 9683054
Поворотный кронштейн (силовая отделка)(S / N-0C160935 & ниже) 2-Х ТАКТНОГО ПЛМ MERCURY 50EO Серийный номер от 9469200 до 9683054
Стартер 2-Х ТАКТНОГО ПЛМ MERCURY 50EO Серийный номер от 9469200 до 9683054
Стартер, соленоид и выпрямитель 2-Х ТАКТНОГО ПЛМ MERCURY 50EO Серийный номер от 9469200 до 9683054
Топливный насос 2-Х ТАКТНОГО ПЛМ MERCURY 50EO Серийный номер от 9469200 до 9683054
Электрические компоненты (длинные-S/N-0C160936 и выше) 2-Х ТАКТНОГО ПЛМ MERCURY 50EO Серийный номер от 9469200 до 9683054
Запчасти для 2-х тактного ПЛМ MERCURY 50EO Серийный номер от 9683055 до 9885344
Аксессуары 2-Х ТАКТНОГО ПЛМ MERCURY 50EO Серийный номер от 9683055 до 9885344
Блок цилиндров и картер 2-Х ТАКТНОГО ПЛМ MERCURY 50EO Серийный номер от 9683055 до 9885344
Впускной коллектор и резонатор 2-Х ТАКТНОГО ПЛМ MERCURY 50EO Серийный номер от 9683055 до 9885344
Выхлопная труба 2-Х ТАКТНОГО ПЛМ MERCURY 50EO Серийный номер от 9683055 до 9885344
Дроссель и рычаг 2-Х ТАКТНОГО ПЛМ MERCURY 50EO Серийный номер от 9683055 до 9885344
Зажимной кронштейн (55) (S/N: 0D181999 и ниже) 2-Х ТАКТНОГО ПЛМ MERCURY 50EO Серийный номер от 9683055 до 9885344
Зажимной кронштейн (ручной) (S/N: 0D1812000 и выше) 2-Х ТАКТНОГО ПЛМ MERCURY 50EO Серийный номер от 9683055 до 9885344
Карбюратор (WME-22/22B/23/24/35) 2-Х ТАКТНОГО ПЛМ MERCURY 50EO Серийный номер от 9683055 до 9885344
Карбюратор (WME-26/27/28/28/43/44/45) 2-Х ТАКТНОГО ПЛМ MERCURY 50EO Серийный номер от 9683055 до 9885344
Коленчатый вал, поршни и шатуны 2-Х ТАКТНОГО ПЛМ MERCURY 50EO Серийный номер от 9683055 до 9885344
Компоненты двигателя 2-Х ТАКТНОГО ПЛМ MERCURY 50EO Серийный номер от 9683055 до 9885344
Компоненты для закачки масла 2-Х ТАКТНОГО ПЛМ MERCURY 50EO Серийный номер от 9683055 до 9885344
Компоненты расширения 2-Х ТАКТНОГО ПЛМ MERCURY 50EO Серийный номер от 9683055 до 9885344
Компоненты силовой отделки(S/N: 0D181999 и ниже) 2-Х ТАКТНОГО ПЛМ MERCURY 50EO Серийный номер от 9683055 до 9885344
Компоненты силовой отделки(S/N: 0D182000 и выше) 2-Х ТАКТНОГО ПЛМ MERCURY 50EO Серийный номер от 9683055 до 9885344
Корпус ведущего вала 2-Х ТАКТНОГО ПЛМ MERCURY 50EO Серийный номер от 9683055 до 9885344
Корпус коробки передач (DR/ SHAFT)(BIGFOOT)(SEAPRO/MARATHON/PONTOON) 2-Х ТАКТНОГО ПЛМ MERCURY 50EO Серийный номер от 9683055 до 9885344
Корпус коробки передач (PROP SHAFT)(BIGFOOT)(SEAPRO/MARATHON/PONTOON) 2-Х ТАКТНОГО ПЛМ MERCURY 50EO Серийный номер от 9683055 до 9885344
Корпус редуктора (карданный вал) 2-Х ТАКТНОГО ПЛМ MERCURY 50EO Серийный номер от 9683055 до 9885344
Корпус редуктора (приводной вал) 2-Х ТАКТНОГО ПЛМ MERCURY 50EO Серийный номер от 9683055 до 9885344
Кронштейн транца (50/60)(S/N: 0D182000 и выше) 2-Х ТАКТНОГО ПЛМ MERCURY 50EO Серийный номер от 9683055 до 9885344
Кронштейн транца(50/60)(S/N: 0D181999 и ниже) 2-Х ТАКТНОГО ПЛМ MERCURY 50EO Серийный номер от 9683055 до 9885344
Маховик (55) 2-Х ТАКТНОГО ПЛМ MERCURY 50EO Серийный номер от 9683055 до 9885344
Маховик и стартер (50/60) 2-Х ТАКТНОГО ПЛМ MERCURY 50EO Серийный номер от 9683055 до 9885344
Пластина аттенюатора 2-Х ТАКТНОГО ПЛМ MERCURY 50EO Серийный номер от 9683055 до 9885344
Поворотный кронштейн (S/N: 0D181999 и ниже) 2-Х ТАКТНОГО ПЛМ MERCURY 50EO Серийный номер от 9683055 до 9885344
Поворотный кронштейн (S/N: 0D182000 и выше) 2-Х ТАКТНОГО ПЛМ MERCURY 50EO Серийный номер от 9683055 до 9885344
Ручки руля комплект (Часть 1) 2-Х ТАКТНОГО ПЛМ MERCURY 50EO Серийный номер от 9683055 до 9885344
Ручки руля комплект (Часть 2) 2-Х ТАКТНОГО ПЛМ MERCURY 50EO Серийный номер от 9683055 до 9885344
Ручные компоненты наклона 2-Х ТАКТНОГО ПЛМ MERCURY 50EO Серийный номер от 9683055 до 9885344
Стартер в сборе (ручной)(55) 2-Х ТАКТНОГО ПЛМ MERCURY 50EO Серийный номер от 9683055 до 9885344
Стартер в сборе 2-Х ТАКТНОГО ПЛМ MERCURY 50EO Серийный номер от 9683055 до 9885344
Струйный насос в сборе 2-Х ТАКТНОГО ПЛМ MERCURY 50EO Серийный номер от 9683055 до 9885344
Топливный насос (белый или красный) 2-Х ТАКТНОГО ПЛМ MERCURY 50EO Серийный номер от 9683055 до 9885344
Топливный насос (черный) 2-Х ТАКТНОГО ПЛМ MERCURY 50EO Серийный номер от 9683055 до 9885344
Топливный насос 2-Х ТАКТНОГО ПЛМ MERCURY 50EO Серийный номер от 9683055 до 9885344
Электрические компоненты (50/60) 2-Х ТАКТНОГО ПЛМ MERCURY 50EO Серийный номер от 9683055 до 9885344
Электрические компоненты (55) 2-Х ТАКТНОГО ПЛМ MERCURY 50EO Серийный номер от 9683055 до 9885344
Запчасти для 2-х тактного ПЛМ MERCURY 50EO Серийный номер от 9885345 до 9973099
Аксессуары 2-Х ТАКТНОГО ПЛМ MERCURY 50EO Серийный номер от 9885345 до 9973099
Блок цилиндров и картер (Часть 1) 2-Х ТАКТНОГО ПЛМ MERCURY 50EO Серийный номер от 9885345 до 9973099
Блок цилиндров и картер (Часть 2) 2-Х ТАКТНОГО ПЛМ MERCURY 50EO Серийный номер от 9885345 до 9973099
Впускной коллектор и резонатор 2-Х ТАКТНОГО ПЛМ MERCURY 50EO Серийный номер от 9885345 до 9973099
Выхлопная труба 2-Х ТАКТНОГО ПЛМ MERCURY 50EO Серийный номер от 9885345 до 9973099
Дроссель и рычаг 2-Х ТАКТНОГО ПЛМ MERCURY 50EO Серийный номер от 9885345 до 9973099
Зажимной кронштейн (ручной) 2-Х ТАКТНОГО ПЛМ MERCURY 50EO Серийный номер от 9885345 до 9973099
Капот (Часть 1) 2-Х ТАКТНОГО ПЛМ MERCURY 50EO Серийный номер от 9885345 до 9973099
Капот (Часть 2) 2-Х ТАКТНОГО ПЛМ MERCURY 50EO Серийный номер от 9885345 до 9973099
Карбюратор 2-Х ТАКТНОГО ПЛМ MERCURY 50EO Серийный номер от 9885345 до 9973099
Коленчатый вал, поршни и шатуны 2-Х ТАКТНОГО ПЛМ MERCURY 50EO Серийный номер от 9885345 до 9973099
Комплект ручного адаптера (JET 45) 2-Х ТАКТНОГО ПЛМ MERCURY 50EO Серийный номер от 9885345 до 9973099
Компоненты двигателя 2-Х ТАКТНОГО ПЛМ MERCURY 50EO Серийный номер от 9885345 до 9973099
Компоненты для закачки масла 2-Х ТАКТНОГО ПЛМ MERCURY 50EO Серийный номер от 9885345 до 9973099
Компоненты расширения 2-Х ТАКТНОГО ПЛМ MERCURY 50EO Серийный номер от 9885345 до 9973099
Компоненты силовой отделки (S/# 0G357070 и ниже) (BLACK FILL) 2-Х ТАКТНОГО ПЛМ MERCURY 50EO Серийный номер от 9885345 до 9973099
Компоненты силовой отделки (S/N 0G357070 и выше)(YELLOW FILL PLUG) 2-Х ТАКТНОГО ПЛМ MERCURY 50EO Серийный номер от 9885345 до 9973099
Коробка передач (карданный вал)(60 SEA/MARA/BIG FOOT,3 JAW REV. CLUTCH 2-Х ТАКТНОГО ПЛМ MERCURY 50EO Серийный номер от 9885345 до 9973099
Коробка передач (приводной вал)(60 SEA/MARA/BIG FOOT,3 JAW REV. CLUTCH 1 2-Х ТАКТНОГО ПЛМ MERCURY 50EO Серийный номер от 9885345 до 9973099
Коробка передач (приводной вал)(60 SEA/MARA/BIG FOOT,3 JAW REV. CLUTCH 2 2-Х ТАКТНОГО ПЛМ MERCURY 50EO Серийный номер от 9885345 до 9973099
Коробка передач (приводной вал)(60 SEA/MARA/BIG FOOT,6 JAW REV. CLUTCH 1 2-Х ТАКТНОГО ПЛМ MERCURY 50EO Серийный номер от 9885345 до 9973099
Коробка передач (приводной вал)(60 SEA/MARA/BIG FOOT,6 JAW REV. CLUTCH 2 2-Х ТАКТНОГО ПЛМ MERCURY 50EO Серийный номер от 9885345 до 9973099
Корпус ведущего вала 2-Х ТАКТНОГО ПЛМ MERCURY 50EO Серийный номер от 9885345 до 9973099
Корпус редуктора (карданный вал)(50/55/60) 2-Х ТАКТНОГО ПЛМ MERCURY 50EO Серийный номер от 9885345 до 9973099
Корпус редуктора (приводной вал)(50/55/60) 2-Х ТАКТНОГО ПЛМ MERCURY 50EO Серийный номер от 9885345 до 9973099
Кронштейн транца (50/60) 2-Х ТАКТНОГО ПЛМ MERCURY 50EO Серийный номер от 9885345 до 9973099
Маховик 2-Х ТАКТНОГО ПЛМ MERCURY 50EO Серийный номер от 9885345 до 9973099
Маховик и стартер (50/60) 2-Х ТАКТНОГО ПЛМ MERCURY 50EO Серийный номер от 9885345 до 9973099
Пластина аттенюатора 2-Х ТАКТНОГО ПЛМ MERCURY 50EO Серийный номер от 9885345 до 9973099
Поворотный кронштейн 2-Х ТАКТНОГО ПЛМ MERCURY 50EO Серийный номер от 9885345 до 9973099
Рулевое управление 2-Х ТАКТНОГО ПЛМ MERCURY 50EO Серийный номер от 9885345 до 9973099
Ручки руля комплект (Часть 1) 2-Х ТАКТНОГО ПЛМ MERCURY 50EO Серийный номер от 9885345 до 9973099
Ручки руля комплект (Часть 2) 2-Х ТАКТНОГО ПЛМ MERCURY 50EO Серийный номер от 9885345 до 9973099
Ручки руля комплект (Часть 3) 2-Х ТАКТНОГО ПЛМ MERCURY 50EO Серийный номер от 9885345 до 9973099
Ручные компоненты наклона (Дизайн 1) 2-Х ТАКТНОГО ПЛМ MERCURY 50EO Серийный номер от 9885345 до 9973099
Ручные компоненты наклона (Дизайн 2) 2-Х ТАКТНОГО ПЛМ MERCURY 50EO Серийный номер от 9885345 до 9973099
Стартер в сборе (ручной - 55) 2-Х ТАКТНОГО ПЛМ MERCURY 50EO Серийный номер от 9885345 до 9973099
Стартер в сборе 2-Х ТАКТНОГО ПЛМ MERCURY 50EO Серийный номер от 9885345 до 9973099
Топливный насос (50/60) 2-Х ТАКТНОГО ПЛМ MERCURY 50EO Серийный номер от 9885345 до 9973099
Топливный насос 2-Х ТАКТНОГО ПЛМ MERCURY 50EO Серийный номер от 9885345 до 9973099
Топливный насос в сборе 2-Х ТАКТНОГО ПЛМ MERCURY 50EO Серийный номер от 9885345 до 9973099
Электрические компоненты (50/60) 2-Х ТАКТНОГО ПЛМ MERCURY 50EO Серийный номер от 9885345 до 9973099
Электрические компоненты (55) 2-Х ТАКТНОГО ПЛМ MERCURY 50EO Серийный номер от 9885345 до 9973099
Запчасти для 2-х тактного ПЛМ MERCURY 50EO Серийный номер от 9973100 до 0P016999
Аксессуары 2-Х ТАКТНОГО ПЛМ MERCURY 50EO Серийный номер от 9973100 до 0P016999
Блок цилиндров и картер 2-Х ТАКТНОГО ПЛМ MERCURY 50EO Серийный номер от 9973100 до 0P016999
Верх капота 2-Х ТАКТНОГО ПЛМ MERCURY 50EO Серийный номер от 9973100 до 0P016999
Впускной коллектор и резонатор 2-Х ТАКТНОГО ПЛМ MERCURY 50EO Серийный номер от 9973100 до 0P016999
Зажимной кронштейн 2-Х ТАКТНОГО ПЛМ MERCURY 50EO Серийный номер от 9973100 до 0P016999
Инструменты 2-Х ТАКТНОГО ПЛМ MERCURY 50EO Серийный номер от 9973100 до 0P016999
Карбюратор 2-Х ТАКТНОГО ПЛМ MERCURY 50EO Серийный номер от 9973100 до 0P016999
Коленчатый вал, поршни и шатуны 2-Х ТАКТНОГО ПЛМ MERCURY 50EO Серийный номер от 9973100 до 0P016999
Комплект выключателей, отделка 2-Х ТАКТНОГО ПЛМ MERCURY 50EO Серийный номер от 9973100 до 0P016999
Компоненты двигателя 2-Х ТАКТНОГО ПЛМ MERCURY 50EO Серийный номер от 9973100 до 0P016999
Компоненты закачки масла 2-Х ТАКТНОГО ПЛМ MERCURY 50EO Серийный номер от 9973100 до 0P016999
Корпус ведущего вала и выхлопная труба 2-Х ТАКТНОГО ПЛМ MERCURY 50EO Серийный номер от 9973100 до 0P016999
Корпус коробки передач (карданный вал) (1.83: 1 передаточное отношение) 2-Х ТАКТНОГО ПЛМ MERCURY 50EO Серийный номер от 9973100 до 0P016999
Корпус коробки передач (приводной вал) (1.83 1 передаточное отношение) 2-Х ТАКТНОГО ПЛМ MERCURY 50EO Серийный номер от 9973100 до 0P016999
Маховик и статор (ручной) 2-Х ТАКТНОГО ПЛМ MERCURY 50EO Серийный номер от 9973100 до 0P016999
Маховик и статор (электрический) 2-Х ТАКТНОГО ПЛМ MERCURY 50EO Серийный номер от 9973100 до 0P016999
Низ капота 2-Х ТАКТНОГО ПЛМ MERCURY 50EO Серийный номер от 9973100 до 0P016999
Пластина аттенюатора 2-Х ТАКТНОГО ПЛМ MERCURY 50EO Серийный номер от 9973100 до 0P016999
Поворотная труба 2-Х ТАКТНОГО ПЛМ MERCURY 50EO Серийный номер от 9973100 до 0P016999
Поворотный кронштейн 2-Х ТАКТНОГО ПЛМ MERCURY 50EO Серийный номер от 9973100 до 0P016999
Рукоятка румпеля 2-Х ТАКТНОГО ПЛМ MERCURY 50EO Серийный номер от 9973100 до 0P016999
Рычаг дроссельной заслонки и сцепление 2-Х ТАКТНОГО ПЛМ MERCURY 50EO Серийный номер от 9973100 до 0P016999
Силовая отделка 2-Х ТАКТНОГО ПЛМ MERCURY 50EO Серийный номер от 9973100 до 0P016999
Стартер 2-Х ТАКТНОГО ПЛМ MERCURY 50EO Серийный номер от 9973100 до 0P016999
Стартер в сборе (ручной) 2-Х ТАКТНОГО ПЛМ MERCURY 50EO Серийный номер от 9973100 до 0P016999
Топливный насос (ручной) 2-Х ТАКТНОГО ПЛМ MERCURY 50EO Серийный номер от 9973100 до 0P016999
Топливный насос (электрический) 2-Х ТАКТНОГО ПЛМ MERCURY 50EO Серийный номер от 9973100 до 0P016999
Топливный насос в сборе 2-Х ТАКТНОГО ПЛМ MERCURY 50EO Серийный номер от 9973100 до 0P016999
Электрические компоненты 2-Х ТАКТНОГО ПЛМ MERCURY 50EO Серийный номер от 9973100 до 0P016999
Запчасти для 2-х тактного ПЛМ MERCURY 55 Серийный номер от 0D000750 до 0G290584
Аксессуары 2-Х ТАКТНОГО ПЛМ MERCURY 55 Серийный номер от 0D000750 до 0G290584
Блок цилиндров и картер 2-Х ТАКТНОГО ПЛМ MERCURY 55 Серийный номер от 0D000750 до 0G290584
Впускной коллектор и резонатор 2-Х ТАКТНОГО ПЛМ MERCURY 55 Серийный номер от 0D000750 до 0G290584
Выхлопная труба 2-Х ТАКТНОГО ПЛМ MERCURY 55 Серийный номер от 0D000750 до 0G290584
Дроссель и рычаг 2-Х ТАКТНОГО ПЛМ MERCURY 55 Серийный номер от 0D000750 до 0G290584
Зажимной кронштейн (55) (S/N: 0D181999 и ниже) 2-Х ТАКТНОГО ПЛМ MERCURY 55 Серийный номер от 0D000750 до 0G290584
Зажимной кронштейн (ручной) (S/N: 0D1812000 и выше) 2-Х ТАКТНОГО ПЛМ MERCURY 55 Серийный номер от 0D000750 до 0G290584
Капот 2-Х ТАКТНОГО ПЛМ MERCURY 55 Серийный номер от 0D000750 до 0G290584
Карбюратор (WME-22/22B/23/24/35) 2-Х ТАКТНОГО ПЛМ MERCURY 55 Серийный номер от 0D000750 до 0G290584
Карбюратор (WME-26/27/28/28/43/44/45) 2-Х ТАКТНОГО ПЛМ MERCURY 55 Серийный номер от 0D000750 до 0G290584
Коленчатый вал, поршни и шатуны 2-Х ТАКТНОГО ПЛМ MERCURY 55 Серийный номер от 0D000750 до 0G290584
Компоненты двигателя 2-Х ТАКТНОГО ПЛМ MERCURY 55 Серийный номер от 0D000750 до 0G290584
Компоненты для закачки масла 2-Х ТАКТНОГО ПЛМ MERCURY 55 Серийный номер от 0D000750 до 0G290584
Компоненты расширения 2-Х ТАКТНОГО ПЛМ MERCURY 55 Серийный номер от 0D000750 до 0G290584
Компоненты силовой отделки (S/N: 0D181999 и ниже) 2-Х ТАКТНОГО ПЛМ MERCURY 55 Серийный номер от 0D000750 до 0G290584
Компоненты силовой отделки (S/N: 0D182000 и выше) 2-Х ТАКТНОГО ПЛМ MERCURY 55 Серийный номер от 0D000750 до 0G290584
Корпус ведущего вала 2-Х ТАКТНОГО ПЛМ MERCURY 55 Серийный номер от 0D000750 до 0G290584
Корпус коробки передач (DR/ SHAFT)(BIGFOOT)(SEAPRO/MARATHON/PONTOON) 2-Х ТАКТНОГО ПЛМ MERCURY 55 Серийный номер от 0D000750 до 0G290584
Корпус коробки передач (PROP SHAFT)(BIGFOOT)(SEAPRO/MARATHON/PONTOON) 2-Х ТАКТНОГО ПЛМ MERCURY 55 Серийный номер от 0D000750 до 0G290584
Корпус редуктора (карданный вал) 2-Х ТАКТНОГО ПЛМ MERCURY 55 Серийный номер от 0D000750 до 0G290584
Корпус редуктора (приводной вал) 2-Х ТАКТНОГО ПЛМ MERCURY 55 Серийный номер от 0D000750 до 0G290584
Кронштейн транца (50/60)(S/N: 0D181999 и ниже) 2-Х ТАКТНОГО ПЛМ MERCURY 55 Серийный номер от 0D000750 до 0G290584
Кронштейн транца (50/60)(S/N: 0D182000 и выше) 2-Х ТАКТНОГО ПЛМ MERCURY 55 Серийный номер от 0D000750 до 0G290584
Маховик (55) 2-Х ТАКТНОГО ПЛМ MERCURY 55 Серийный номер от 0D000750 до 0G290584
Маховик и стартер (50/60) 2-Х ТАКТНОГО ПЛМ MERCURY 55 Серийный номер от 0D000750 до 0G290584
Пластина аттенюатора 2-Х ТАКТНОГО ПЛМ MERCURY 55 Серийный номер от 0D000750 до 0G290584
Поворотный кронштейн (S/N: 0D181999 и ниже) 2-Х ТАКТНОГО ПЛМ MERCURY 55 Серийный номер от 0D000750 до 0G290584
Поворотный кронштейн (S/N: 0D182000 и выше) 2-Х ТАКТНОГО ПЛМ MERCURY 55 Серийный номер от 0D000750 до 0G290584
Ручки руля комплект (Часть 1) 2-Х ТАКТНОГО ПЛМ MERCURY 55 Серийный номер от 0D000750 до 0G290584
Ручки руля комплект (Часть 2) 2-Х ТАКТНОГО ПЛМ MERCURY 55 Серийный номер от 0D000750 до 0G290584
Ручные компоненты наклона 2-Х ТАКТНОГО ПЛМ MERCURY 55 Серийный номер от 0D000750 до 0G290584
Стартер в сборе (ручной)(55) 2-Х ТАКТНОГО ПЛМ MERCURY 55 Серийный номер от 0D000750 до 0G290584
Стартер в сборе 2-Х ТАКТНОГО ПЛМ MERCURY 55 Серийный номер от 0D000750 до 0G290584
Струйный насос в сборе 2-Х ТАКТНОГО ПЛМ MERCURY 55 Серийный номер от 0D000750 до 0G290584
Топливный насос (белый или красный) 2-Х ТАКТНОГО ПЛМ MERCURY 55 Серийный номер от 0D000750 до 0G290584
Топливный насос (черный 50/60) 2-Х ТАКТНОГО ПЛМ MERCURY 55 Серийный номер от 0D000750 до 0G290584
Топливный насос 2-Х ТАКТНОГО ПЛМ MERCURY 55 Серийный номер от 0D000750 до 0G290584
Электрические компоненты (50/60) 2-Х ТАКТНОГО ПЛМ MERCURY 55 Серийный номер от 0D000750 до 0G290584
Электрические компоненты (55) 2-Х ТАКТНОГО ПЛМ MERCURY 55 Серийный номер от 0D000750 до 0G290584
Запчасти для 2-х тактного ПЛМ MERCURY 55 Серийный номер от 0G290585 до 0G589999
Аксессуары 2-Х ТАКТНОГО ПЛМ MERCURY 55 Серийный номер от 0G290585 до 0G589999
Блок цилиндров и картер (Часть 1) 2-Х ТАКТНОГО ПЛМ MERCURY 55 Серийный номер от 0G290585 до 0G589999
Блок цилиндров и картер (Часть 2) 2-Х ТАКТНОГО ПЛМ MERCURY 55 Серийный номер от 0G290585 до 0G589999
Впускной коллектор и резонатор 2-Х ТАКТНОГО ПЛМ MERCURY 55 Серийный номер от 0G290585 до 0G589999
Выхлопная труба 2-Х ТАКТНОГО ПЛМ MERCURY 55 Серийный номер от 0G290585 до 0G589999
Дроссель и рычаг 2-Х ТАКТНОГО ПЛМ MERCURY 55 Серийный номер от 0G290585 до 0G589999
Зажимной кронштейн (ручной) 2-Х ТАКТНОГО ПЛМ MERCURY 55 Серийный номер от 0G290585 до 0G589999
Капот 2-Х ТАКТНОГО ПЛМ MERCURY 55 Серийный номер от 0G290585 до 0G589999
Карбюратор 2-Х ТАКТНОГО ПЛМ MERCURY 55 Серийный номер от 0G290585 до 0G589999
Коленчатый вал, поршни и шатуны 2-Х ТАКТНОГО ПЛМ MERCURY 55 Серийный номер от 0G290585 до 0G589999
Комплект ручного адаптера (JET 45) 2-Х ТАКТНОГО ПЛМ MERCURY 55 Серийный номер от 0G290585 до 0G589999
Компоненты двигателя 2-Х ТАКТНОГО ПЛМ MERCURY 55 Серийный номер от 0G290585 до 0G589999
Компоненты для закачки масла 2-Х ТАКТНОГО ПЛМ MERCURY 55 Серийный номер от 0G290585 до 0G589999
Компоненты расширения 2-Х ТАКТНОГО ПЛМ MERCURY 55 Серийный номер от 0G290585 до 0G589999
Компоненты силовой отделки (S/# 0G357070 и ниже) (BLACK FILL) 2-Х ТАКТНОГО ПЛМ MERCURY 55 Серийный номер от 0G290585 до 0G589999
Компоненты силовой отделки (S/N 0G357070 и выше)(YELLOW FILL PLUG) 2-Х ТАКТНОГО ПЛМ MERCURY 55 Серийный номер от 0G290585 до 0G589999
Коробка передач(карданный вал)(60 SEA/MARA/BIG FOOT,3 JAW REV. CLUTCH 2-Х ТАКТНОГО ПЛМ MERCURY 55 Серийный номер от 0G290585 до 0G589999
Коробка передач(приводной вал)(60 SEA/MARA/BIG FOOT,3 JAW REV. CLUTCH 1 2-Х ТАКТНОГО ПЛМ MERCURY 55 Серийный номер от 0G290585 до 0G589999
Коробка передач(приводной вал)(60 SEA/MARA/BIG FOOT,3 JAW REV. CLUTCH 2 2-Х ТАКТНОГО ПЛМ MERCURY 55 Серийный номер от 0G290585 до 0G589999
Коробка передач(приводной вал)(60 SEA/MARA/BIG FOOT,6 JAW REV. CLUTCH 1 2-Х ТАКТНОГО ПЛМ MERCURY 55 Серийный номер от 0G290585 до 0G589999
Коробка передач(приводной вал)(60 SEA/MARA/BIG FOOT,6 JAW REV. CLUTCH 2 2-Х ТАКТНОГО ПЛМ MERCURY 55 Серийный номер от 0G290585 до 0G589999
Корпус ведущего вала 2-Х ТАКТНОГО ПЛМ MERCURY 55 Серийный номер от 0G290585 до 0G589999
Корпус редуктора (карданный вал)(50/55/60) 2-Х ТАКТНОГО ПЛМ MERCURY 55 Серийный номер от 0G290585 до 0G589999
Корпус редуктора (приводной вал)(50/55/60) (Часть 1) 2-Х ТАКТНОГО ПЛМ MERCURY 55 Серийный номер от 0G290585 до 0G589999
Корпус редуктора (приводной вал)(50/55/60) (Часть 2) 2-Х ТАКТНОГО ПЛМ MERCURY 55 Серийный номер от 0G290585 до 0G589999
Кронштейн транца (50/60) 2-Х ТАКТНОГО ПЛМ MERCURY 55 Серийный номер от 0G290585 до 0G589999
Маховик 2-Х ТАКТНОГО ПЛМ MERCURY 55 Серийный номер от 0G290585 до 0G589999
Маховик и стартер (50/60) 2-Х ТАКТНОГО ПЛМ MERCURY 55 Серийный номер от 0G290585 до 0G589999
Пластина аттенюатора 2-Х ТАКТНОГО ПЛМ MERCURY 55 Серийный номер от 0G290585 до 0G589999
Поворотный кронштейн 2-Х ТАКТНОГО ПЛМ MERCURY 55 Серийный номер от 0G290585 до 0G589999
Рулевое управление 2-Х ТАКТНОГО ПЛМ MERCURY 55 Серийный номер от 0G290585 до 0G589999
Ручки руля комплект (Часть 1) 2-Х ТАКТНОГО ПЛМ MERCURY 55 Серийный номер от 0G290585 до 0G589999
Ручки руля комплект (Часть 2) 2-Х ТАКТНОГО ПЛМ MERCURY 55 Серийный номер от 0G290585 до 0G589999
Ручки руля комплект (Часть 3) 2-Х ТАКТНОГО ПЛМ MERCURY 55 Серийный номер от 0G290585 до 0G589999
Ручные компоненты наклона (Дизайн 1) 2-Х ТАКТНОГО ПЛМ MERCURY 55 Серийный номер от 0G290585 до 0G589999
Ручные компоненты наклона (Дизайн 2) 2-Х ТАКТНОГО ПЛМ MERCURY 55 Серийный номер от 0G290585 до 0G589999
Стартер в сборе (ручной - 55) 2-Х ТАКТНОГО ПЛМ MERCURY 55 Серийный номер от 0G290585 до 0G589999
Стартер в сборе 2-Х ТАКТНОГО ПЛМ MERCURY 55 Серийный номер от 0G290585 до 0G589999
Топливный насос (50/60) 2-Х ТАКТНОГО ПЛМ MERCURY 55 Серийный номер от 0G290585 до 0G589999
Топливный насос 2-Х ТАКТНОГО ПЛМ MERCURY 55 Серийный номер от 0G290585 до 0G589999
Топливный насос в сборе 2-Х ТАКТНОГО ПЛМ MERCURY 55 Серийный номер от 0G290585 до 0G589999
Электрические компоненты (50/60) 2-Х ТАКТНОГО ПЛМ MERCURY 55 Серийный номер от 0G290585 до 0G589999
Электрические компоненты (55) 2-Х ТАКТНОГО ПЛМ MERCURY 55 Серийный номер от 0G290585 до 0G589999
Запчасти для 2-х тактного ПЛМ MERCURY 55 Серийный номер от 0G590000 до 0G760299
Аксессуары 2-Х ТАКТНОГО ПЛМ MERCURY 55 Серийный номер от 0G590000 до 0G760299
Блок цилиндров 2-Х ТАКТНОГО ПЛМ MERCURY 55 Серийный номер от 0G590000 до 0G760299
Впускной коллектор и резонатор 2-Х ТАКТНОГО ПЛМ MERCURY 55 Серийный номер от 0G590000 до 0G760299
Выхлопная труба 2-Х ТАКТНОГО ПЛМ MERCURY 55 Серийный номер от 0G590000 до 0G760299
Дроссель и рычаг 2-Х ТАКТНОГО ПЛМ MERCURY 55 Серийный номер от 0G590000 до 0G760299
Зажимной кронштейн (ручной) 2-Х ТАКТНОГО ПЛМ MERCURY 55 Серийный номер от 0G590000 до 0G760299
Инструменты 2-Х ТАКТНОГО ПЛМ MERCURY 55 Серийный номер от 0G590000 до 0G760299
Капот 2-Х ТАКТНОГО ПЛМ MERCURY 55 Серийный номер от 0G590000 до 0G760299
Карбюратор 2-Х ТАКТНОГО ПЛМ MERCURY 55 Серийный номер от 0G590000 до 0G760299
Коленчатый вал, поршни и шатуны 2-Х ТАКТНОГО ПЛМ MERCURY 55 Серийный номер от 0G590000 до 0G760299
Компоненты двигателя 2-Х ТАКТНОГО ПЛМ MERCURY 55 Серийный номер от 0G590000 до 0G760299
Компоненты для закачки масла 2-Х ТАКТНОГО ПЛМ MERCURY 55 Серийный номер от 0G590000 до 0G760299
Компоненты расширения 2-Х ТАКТНОГО ПЛМ MERCURY 55 Серийный номер от 0G590000 до 0G760299
Компоненты силовой отделки 2-Х ТАКТНОГО ПЛМ MERCURY 55 Серийный номер от 0G590000 до 0G760299
Корпус ведущего вала 2-Х ТАКТНОГО ПЛМ MERCURY 55 Серийный номер от 0G590000 до 0G760299
Корпус коробки передач (карданный вал) - 1.641 передаточное отношение 2-Х ТАКТНОГО ПЛМ MERCURY 55 Серийный номер от 0G590000 до 0G760299
Корпус коробки передач (карданный вал) - 2.31:1 передаточное отношение 2-Х ТАКТНОГО ПЛМ MERCURY 55 Серийный номер от 0G590000 до 0G760299
Корпус коробки передач (приводной вал) - 1.64:1 передаточное отношение 2-Х ТАКТНОГО ПЛМ MERCURY 55 Серийный номер от 0G590000 до 0G760299
Корпус коробки передач (приводной вал) - 2.31:1 передаточное отношение 2-Х ТАКТНОГО ПЛМ MERCURY 55 Серийный номер от 0G590000 до 0G760299
Кронштейн транца (электрический) 2-Х ТАКТНОГО ПЛМ MERCURY 55 Серийный номер от 0G590000 до 0G760299
Маховик и статор (ручной) 2-Х ТАКТНОГО ПЛМ MERCURY 55 Серийный номер от 0G590000 до 0G760299
Маховик и статор (электрический) 2-Х ТАКТНОГО ПЛМ MERCURY 55 Серийный номер от 0G590000 до 0G760299
Пластина аттенюатора 2-Х ТАКТНОГО ПЛМ MERCURY 55 Серийный номер от 0G590000 до 0G760299
Поворотный кронштейн 2-Х ТАКТНОГО ПЛМ MERCURY 55 Серийный номер от 0G590000 до 0G760299
Рулевое управление 2-Х ТАКТНОГО ПЛМ MERCURY 55 Серийный номер от 0G590000 до 0G760299
Ручки руля комплект (Часть 1) 2-Х ТАКТНОГО ПЛМ MERCURY 55 Серийный номер от 0G590000 до 0G760299
Ручки руля комплект (Часть 2) 2-Х ТАКТНОГО ПЛМ MERCURY 55 Серийный номер от 0G590000 до 0G760299
Ручной стартер 2-Х ТАКТНОГО ПЛМ MERCURY 55 Серийный номер от 0G590000 до 0G760299
Ручные компоненты наклона 2-Х ТАКТНОГО ПЛМ MERCURY 55 Серийный номер от 0G590000 до 0G760299
Стартер 2-Х ТАКТНОГО ПЛМ MERCURY 55 Серийный номер от 0G590000 до 0G760299
Топливный насос (ручной) 2-Х ТАКТНОГО ПЛМ MERCURY 55 Серийный номер от 0G590000 до 0G760299
Топливный насос (электрический) 2-Х ТАКТНОГО ПЛМ MERCURY 55 Серийный номер от 0G590000 до 0G760299
Топливный насос в сборе 2-Х ТАКТНОГО ПЛМ MERCURY 55 Серийный номер от 0G590000 до 0G760299
Электрические компоненты 2-Х ТАКТНОГО ПЛМ MERCURY 55 Серийный номер от 0G590000 до 0G760299
Запчасти для 2-х тактного ПЛМ MERCURY 55 Серийный номер от 0G760300 до 0T979999
Аксессуары 2-Х ТАКТНОГО ПЛМ MERCURY 55 Серийный номер от 0G760300 до 0T979999
Блок цилиндров и картер 2-Х ТАКТНОГО ПЛМ MERCURY 55 Серийный номер от 0G760300 до 0T979999
Впускной коллектор и резонатор 2-Х ТАКТНОГО ПЛМ MERCURY 55 Серийный номер от 0G760300 до 0T979999
Выхлопная труба 2-Х ТАКТНОГО ПЛМ MERCURY 55 Серийный номер от 0G760300 до 0T979999
Зажимной кронштейн (ручной) 2-Х ТАКТНОГО ПЛМ MERCURY 55 Серийный номер от 0G760300 до 0T979999
Инструменты 2-Х ТАКТНОГО ПЛМ MERCURY 55 Серийный номер от 0G760300 до 0T979999
Капот 2-Х ТАКТНОГО ПЛМ MERCURY 55 Серийный номер от 0G760300 до 0T979999
Карбюратор 2-Х ТАКТНОГО ПЛМ MERCURY 55 Серийный номер от 0G760300 до 0T979999
Коленчатый вал, поршни и шатуны 2-Х ТАКТНОГО ПЛМ MERCURY 55 Серийный номер от 0G760300 до 0T979999
Комплект прокладок, капитального ремонта двигателя 2-Х ТАКТНОГО ПЛМ MERCURY 55 Серийный номер от 0G760300 до 0T979999
Компоненты двигателя 2-Х ТАКТНОГО ПЛМ MERCURY 55 Серийный номер от 0G760300 до 0T979999
Компоненты закачки масла 2-Х ТАКТНОГО ПЛМ MERCURY 55 Серийный номер от 0G760300 до 0T979999
Компоненты с ручным наклоном 2-Х ТАКТНОГО ПЛМ MERCURY 55 Серийный номер от 0G760300 до 0T979999
Компоненты силовой отделки 2-Х ТАКТНОГО ПЛМ MERCURY 55 Серийный номер от 0G760300 до 0T979999
Корпус ведущего вала 2-Х ТАКТНОГО ПЛМ MERCURY 55 Серийный номер от 0G760300 до 0T979999
Корпус коробки передач, карданный вал - 1.64:1 передаточное число 2-Х ТАКТНОГО ПЛМ MERCURY 55 Серийный номер от 0G760300 до 0T979999
Корпус коробки передач, карданный вал 2.31:1 0T622484/ 0P222544 и ниже 2-Х ТАКТНОГО ПЛМ MERCURY 55 Серийный номер от 0G760300 до 0T979999
Корпус коробки передач, карданный вал 2.33:1 0T622485/ 0P222545 и выше 2-Х ТАКТНОГО ПЛМ MERCURY 55 Серийный номер от 0G760300 до 0T979999
Корпус коробки передач, приводной вал 1.64:1 передаточное число 2-Х ТАКТНОГО ПЛМ MERCURY 55 Серийный номер от 0G760300 до 0T979999
Корпус коробки передач, приводной вал 2.31:1 0T622484/ 0P222544 и ниже 2-Х ТАКТНОГО ПЛМ MERCURY 55 Серийный номер от 0G760300 до 0T979999
Корпус коробки передач, приводной вал 2.33:1 0T622485/ 0P222545 и выше 2-Х ТАКТНОГО ПЛМ MERCURY 55 Серийный номер от 0G760300 до 0T979999
Кронштейн транца (электрический) 2-Х ТАКТНОГО ПЛМ MERCURY 55 Серийный номер от 0G760300 до 0T979999
Масляный бак, Aramark Engines 2-Х ТАКТНОГО ПЛМ MERCURY 55 Серийный номер от 0G760300 до 0T979999
Маховик и статор (ручной) 2-Х ТАКТНОГО ПЛМ MERCURY 55 Серийный номер от 0G760300 до 0T979999
Маховик и статор (электрический) 2-Х ТАКТНОГО ПЛМ MERCURY 55 Серийный номер от 0G760300 до 0T979999
Пластина аттенюатора 2-Х ТАКТНОГО ПЛМ MERCURY 55 Серийный номер от 0G760300 до 0T979999
Поворотный кронштейн 2-Х ТАКТНОГО ПЛМ MERCURY 55 Серийный номер от 0G760300 до 0T979999
Ручки руля 2-Х ТАКТНОГО ПЛМ MERCURY 55 Серийный номер от 0G760300 до 0T979999
Ручки руля комплект 2-Х ТАКТНОГО ПЛМ MERCURY 55 Серийный номер от 0G760300 до 0T979999
Рычаг газа и рычажный механизм 2-Х ТАКТНОГО ПЛМ MERCURY 55 Серийный номер от 0G760300 до 0T979999
Стартер 2-Х ТАКТНОГО ПЛМ MERCURY 55 Серийный номер от 0G760300 до 0T979999
Стартер в сборе (ручной) 2-Х ТАКТНОГО ПЛМ MERCURY 55 Серийный номер от 0G760300 до 0T979999
Струйный насос в сборе 2-Х ТАКТНОГО ПЛМ MERCURY 55 Серийный номер от 0G760300 до 0T979999
Топливный насос (ручной) 2-Х ТАКТНОГО ПЛМ MERCURY 55 Серийный номер от 0G760300 до 0T979999
Топливный насос (электрический) 2-Х ТАКТНОГО ПЛМ MERCURY 55 Серийный номер от 0G760300 до 0T979999
Электрические компоненты 2-Х ТАКТНОГО ПЛМ MERCURY 55 Серийный номер от 0G760300 до 0T979999
Запчасти для 2-х тактного ПЛМ MERCURY 55 Серийный номер от 0P017000 до 0P325499
Аксессуары 2-Х ТАКТНОГО ПЛМ MERCURY 55 Серийный номер от 0P017000 до 0P325499
Блок цилиндров и картер 2-Х ТАКТНОГО ПЛМ MERCURY 55 Серийный номер от 0P017000 до 0P325499
Впускной коллектор и резонатор 2-Х ТАКТНОГО ПЛМ MERCURY 55 Серийный номер от 0P017000 до 0P325499
Выхлопная труба 2-Х ТАКТНОГО ПЛМ MERCURY 55 Серийный номер от 0P017000 до 0P325499
Зажимной кронштейн (ручной) 2-Х ТАКТНОГО ПЛМ MERCURY 55 Серийный номер от 0P017000 до 0P325499
Инструменты 2-Х ТАКТНОГО ПЛМ MERCURY 55 Серийный номер от 0P017000 до 0P325499
Капот 2-Х ТАКТНОГО ПЛМ MERCURY 55 Серийный номер от 0P017000 до 0P325499
Карбюратор 2-Х ТАКТНОГО ПЛМ MERCURY 55 Серийный номер от 0P017000 до 0P325499
Коленчатый вал, поршни и шатуны 2-Х ТАКТНОГО ПЛМ MERCURY 55 Серийный номер от 0P017000 до 0P325499
Комплект прокладок, капитального ремонта двигателя 2-Х ТАКТНОГО ПЛМ MERCURY 55 Серийный номер от 0P017000 до 0P325499
Компоненты двигателя 2-Х ТАКТНОГО ПЛМ MERCURY 55 Серийный номер от 0P017000 до 0P325499
Компоненты закачки масла 2-Х ТАКТНОГО ПЛМ MERCURY 55 Серийный номер от 0P017000 до 0P325499
Компоненты ручного наклона 2-Х ТАКТНОГО ПЛМ MERCURY 55 Серийный номер от 0P017000 до 0P325499
Компоненты силовой отделки 2-Х ТАКТНОГО ПЛМ MERCURY 55 Серийный номер от 0P017000 до 0P325499
Корпус ведущего вала 2-Х ТАКТНОГО ПЛМ MERCURY 55 Серийный номер от 0P017000 до 0P325499
Корпус коробки передач, карданный вал - 1.64:1 передаточное число 2-Х ТАКТНОГО ПЛМ MERCURY 55 Серийный номер от 0P017000 до 0P325499
Корпус коробки передач, карданный вал 2.31:1 0T622484/ 0P222544 и ниже 2-Х ТАКТНОГО ПЛМ MERCURY 55 Серийный номер от 0P017000 до 0P325499
Корпус коробки передач, карданный вал 2.33:1 0T622485/ 0P222545 и выше 2-Х ТАКТНОГО ПЛМ MERCURY 55 Серийный номер от 0P017000 до 0P325499
Корпус коробки передач, приводной вал 1.64:1 передаточное число 2-Х ТАКТНОГО ПЛМ MERCURY 55 Серийный номер от 0P017000 до 0P325499
Корпус коробки передач, приводной вал 2.31:1 0T622484/ 0P222544 и ниже 2-Х ТАКТНОГО ПЛМ MERCURY 55 Серийный номер от 0P017000 до 0P325499
Корпус коробки передач, приводной вал 2.33:1 0T622485/ 0P222545 и выше 2-Х ТАКТНОГО ПЛМ MERCURY 55 Серийный номер от 0P017000 до 0P325499
Кронштейн транца (электрический) 2-Х ТАКТНОГО ПЛМ MERCURY 55 Серийный номер от 0P017000 до 0P325499
Масляный бак, Aramark Engines 2-Х ТАКТНОГО ПЛМ MERCURY 55 Серийный номер от 0P017000 до 0P325499
Маховик и статор (ручной) 2-Х ТАКТНОГО ПЛМ MERCURY 55 Серийный номер от 0P017000 до 0P325499
Маховик и статор (электрический) 2-Х ТАКТНОГО ПЛМ MERCURY 55 Серийный номер от 0P017000 до 0P325499
Пластина аттенюатора 2-Х ТАКТНОГО ПЛМ MERCURY 55 Серийный номер от 0P017000 до 0P325499
Поворотный кронштейн 2-Х ТАКТНОГО ПЛМ MERCURY 55 Серийный номер от 0P017000 до 0P325499
Ручки руля 2-Х ТАКТНОГО ПЛМ MERCURY 55 Серийный номер от 0P017000 до 0P325499
Ручки руля комплект 2-Х ТАКТНОГО ПЛМ MERCURY 55 Серийный номер от 0P017000 до 0P325499
Рычаг газа и рычажный механизм 2-Х ТАКТНОГО ПЛМ MERCURY 55 Серийный номер от 0P017000 до 0P325499
Стартер 2-Х ТАКТНОГО ПЛМ MERCURY 55 Серийный номер от 0P017000 до 0P325499
Стартер в сборе (ручной) 2-Х ТАКТНОГО ПЛМ MERCURY 55 Серийный номер от 0P017000 до 0P325499
Струйный насос в сборе 2-Х ТАКТНОГО ПЛМ MERCURY 55 Серийный номер от 0P017000 до 0P325499
Топливный насос (ручной) 2-Х ТАКТНОГО ПЛМ MERCURY 55 Серийный номер от 0P017000 до 0P325499
Топливный насос (электрический) 2-Х ТАКТНОГО ПЛМ MERCURY 55 Серийный номер от 0P017000 до 0P325499
Электрические компоненты 2-Х ТАКТНОГО ПЛМ MERCURY 55 Серийный номер от 0P017000 до 0P325499
Запчасти для 2-х тактного ПЛМ MERCURY 55 Серийный номер от 0P325500 и выше
Аксессуары 2-Х ТАКТНОГО ПЛМ MERCURY 55 Серийный номер от 0P325500 и выше
Блок цилиндров и картер 2-Х ТАКТНОГО ПЛМ MERCURY 55 Серийный номер от 0P325500 и выше
Впускной коллектор и резонатор 2-Х ТАКТНОГО ПЛМ MERCURY 55 Серийный номер от 0P325500 и выше
Выхлопная труба 2-Х ТАКТНОГО ПЛМ MERCURY 55 Серийный номер от 0P325500 и выше
Зажимной кронштейн (ручной) 2-Х ТАКТНОГО ПЛМ MERCURY 55 Серийный номер от 0P325500 и выше
Инструменты 2-Х ТАКТНОГО ПЛМ MERCURY 55 Серийный номер от 0P325500 и выше
Капот верхний и нижний 2-Х ТАКТНОГО ПЛМ MERCURY 55 Серийный номер от 0P325500 и выше
Карбюратор 2-Х ТАКТНОГО ПЛМ MERCURY 55 Серийный номер от 0P325500 и выше
Коленчатый вал, поршни и шатуны 2-Х ТАКТНОГО ПЛМ MERCURY 55 Серийный номер от 0P325500 и выше
Комплект прокладок, капитального ремонта двигателя 2-Х ТАКТНОГО ПЛМ MERCURY 55 Серийный номер от 0P325500 и выше
Компоненты двигателя 2-Х ТАКТНОГО ПЛМ MERCURY 55 Серийный номер от 0P325500 и выше
Компоненты закачки масла 2-Х ТАКТНОГО ПЛМ MERCURY 55 Серийный номер от 0P325500 и выше
Компоненты ручного наклона 2-Х ТАКТНОГО ПЛМ MERCURY 55 Серийный номер от 0P325500 и выше
Компоненты силовой отделки 2-Х ТАКТНОГО ПЛМ MERCURY 55 Серийный номер от 0P325500 и выше
Корпус ведущего вала 2-Х ТАКТНОГО ПЛМ MERCURY 55 Серийный номер от 0P325500 и выше
Корпус коробки передач, карданный вал - 1.64:1 передаточное число 2-Х ТАКТНОГО ПЛМ MERCURY 55 Серийный номер от 0P325500 и выше
Корпус коробки передач, карданный вал - 2.33:1 передаточное число 2-Х ТАКТНОГО ПЛМ MERCURY 55 Серийный номер от 0P325500 и выше
Корпус коробки передач, приводной вал 1.64:1 передаточное число 2-Х ТАКТНОГО ПЛМ MERCURY 55 Серийный номер от 0P325500 и выше
Корпус коробки передач, приводной вал 2.33:1 2-Х ТАКТНОГО ПЛМ MERCURY 55 Серийный номер от 0P325500 и выше
Кронштейн транца (электрический) 2-Х ТАКТНОГО ПЛМ MERCURY 55 Серийный номер от 0P325500 и выше
Маховик и статор (ручной) 2-Х ТАКТНОГО ПЛМ MERCURY 55 Серийный номер от 0P325500 и выше
Маховик и статор (электрический) 2-Х ТАКТНОГО ПЛМ MERCURY 55 Серийный номер от 0P325500 и выше
Пластина аттенюатора 2-Х ТАКТНОГО ПЛМ MERCURY 55 Серийный номер от 0P325500 и выше
Поворотный кронштейн 2-Х ТАКТНОГО ПЛМ MERCURY 55 Серийный номер от 0P325500 и выше
Ручки руля 2-Х ТАКТНОГО ПЛМ MERCURY 55 Серийный номер от 0P325500 и выше
Ручки руля комплект 2-Х ТАКТНОГО ПЛМ MERCURY 55 Серийный номер от 0P325500 и выше
Рычаг газа и рычажный механизм 2-Х ТАКТНОГО ПЛМ MERCURY 55 Серийный номер от 0P325500 и выше
Стартер 2-Х ТАКТНОГО ПЛМ MERCURY 55 Серийный номер от 0P325500 и выше
Стартер в сборе (ручной) 2-Х ТАКТНОГО ПЛМ MERCURY 55 Серийный номер от 0P325500 и выше
Струйный насос в сборе 2-Х ТАКТНОГО ПЛМ MERCURY 55 Серийный номер от 0P325500 и выше
Топливный насос (ручной) 2-Х ТАКТНОГО ПЛМ MERCURY 55 Серийный номер от 0P325500 и выше
Топливный насос (электрический) 2-Х ТАКТНОГО ПЛМ MERCURY 55 Серийный номер от 0P325500 и выше
Электрические компоненты 2-Х ТАКТНОГО ПЛМ MERCURY 55 Серийный номер от 0P325500 и выше
Запчасти для 2-х тактного ПЛМ MERCURY 55 Серийный номер от 0T980000 и выше
Аксессуары 2-Х ТАКТНОГО ПЛМ MERCURY 55 Серийный номер от 0T980000 и выше
Блок цилиндров и картер 2-Х ТАКТНОГО ПЛМ MERCURY 55 Серийный номер от 0T980000 и выше
Впускной коллектор и резонатор 2-Х ТАКТНОГО ПЛМ MERCURY 55 Серийный номер от 0T980000 и выше
Выхлопная труба 2-Х ТАКТНОГО ПЛМ MERCURY 55 Серийный номер от 0T980000 и выше
Зажимной кронштейн (ручной) 2-Х ТАКТНОГО ПЛМ MERCURY 55 Серийный номер от 0T980000 и выше
Инструменты 2-Х ТАКТНОГО ПЛМ MERCURY 55 Серийный номер от 0T980000 и выше
Капот верхний и нижний 2-Х ТАКТНОГО ПЛМ MERCURY 55 Серийный номер от 0T980000 и выше
Карбюратор 2-Х ТАКТНОГО ПЛМ MERCURY 55 Серийный номер от 0T980000 и выше
Коленчатый вал, поршни и шатуны 2-Х ТАКТНОГО ПЛМ MERCURY 55 Серийный номер от 0T980000 и выше
Комплект прокладок, капитального ремонта двигателя 2-Х ТАКТНОГО ПЛМ MERCURY 55 Серийный номер от 0T980000 и выше
Компоненты двигателя 2-Х ТАКТНОГО ПЛМ MERCURY 55 Серийный номер от 0T980000 и выше
Компоненты закачки масла 2-Х ТАКТНОГО ПЛМ MERCURY 55 Серийный номер от 0T980000 и выше
Компоненты ручного наклона 2-Х ТАКТНОГО ПЛМ MERCURY 55 Серийный номер от 0T980000 и выше
Компоненты силовой отделки 2-Х ТАКТНОГО ПЛМ MERCURY 55 Серийный номер от 0T980000 и выше
Корпус ведущего вала 2-Х ТАКТНОГО ПЛМ MERCURY 55 Серийный номер от 0T980000 и выше
Корпус коробки передач, карданный вал - 1.64:1 передаточное число 2-Х ТАКТНОГО ПЛМ MERCURY 55 Серийный номер от 0T980000 и выше
Корпус коробки передач, карданный вал - 2.33:1 передаточное число 2-Х ТАКТНОГО ПЛМ MERCURY 55 Серийный номер от 0T980000 и выше
Корпус коробки передач, приводной вал 1.64:1 передаточное число 2-Х ТАКТНОГО ПЛМ MERCURY 55 Серийный номер от 0T980000 и выше
Корпус коробки передач, приводной вал 2.33:1 2-Х ТАКТНОГО ПЛМ MERCURY 55 Серийный номер от 0T980000 и выше
Кронштейн транца (электрический) 2-Х ТАКТНОГО ПЛМ MERCURY 55 Серийный номер от 0T980000 и выше
Маховик и статор (ручной) 2-Х ТАКТНОГО ПЛМ MERCURY 55 Серийный номер от 0T980000 и выше
Маховик и статор (электрический) 2-Х ТАКТНОГО ПЛМ MERCURY 55 Серийный номер от 0T980000 и выше
Пластина аттенюатора 2-Х ТАКТНОГО ПЛМ MERCURY 55 Серийный номер от 0T980000 и выше
Поворотный кронштейн 2-Х ТАКТНОГО ПЛМ MERCURY 55 Серийный номер от 0T980000 и выше
Ручки руля 2-Х ТАКТНОГО ПЛМ MERCURY 55 Серийный номер от 0T980000 и выше
Ручки руля комплект 2-Х ТАКТНОГО ПЛМ MERCURY 55 Серийный номер от 0T980000 и выше
Рычаг газа и рычажный механизм 2-Х ТАКТНОГО ПЛМ MERCURY 55 Серийный номер от 0T980000 и выше
Стартер 2-Х ТАКТНОГО ПЛМ MERCURY 55 Серийный номер от 0T980000 и выше
Стартер в сборе (ручной) 2-Х ТАКТНОГО ПЛМ MERCURY 55 Серийный номер от 0T980000 и выше
Струйный насос в сборе 2-Х ТАКТНОГО ПЛМ MERCURY 55 Серийный номер от 0T980000 и выше
Топливный насос (ручной) 2-Х ТАКТНОГО ПЛМ MERCURY 55 Серийный номер от 0T980000 и выше
Топливный насос (электрический) 2-Х ТАКТНОГО ПЛМ MERCURY 55 Серийный номер от 0T980000 и выше
Электрические компоненты 2-Х ТАКТНОГО ПЛМ MERCURY 55 Серийный номер от 0T980000 и выше
Запчасти для 2-х тактного ПЛМ MERCURY 55 Серийный номер от 9741042 до 9885344
Аксессуары 2-Х ТАКТНОГО ПЛМ MERCURY 55 Серийный номер от 9741042 до 9885344
Блок цилиндров и картер 2-Х ТАКТНОГО ПЛМ MERCURY 55 Серийный номер от 9741042 до 9885344
Впускной коллектор и резонатор 2-Х ТАКТНОГО ПЛМ MERCURY 55 Серийный номер от 9741042 до 9885344
Выхлопная труба 2-Х ТАКТНОГО ПЛМ MERCURY 55 Серийный номер от 9741042 до 9885344
Дроссель и рычаг 2-Х ТАКТНОГО ПЛМ MERCURY 55 Серийный номер от 9741042 до 9885344
Зажимной кронштейн (55) (S/N: 0D181999 и ниже) 2-Х ТАКТНОГО ПЛМ MERCURY 55 Серийный номер от 9741042 до 9885344
Зажимной кронштейн (ручной) (S/N: 0D1812000 и выше) 2-Х ТАКТНОГО ПЛМ MERCURY 55 Серийный номер от 9741042 до 9885344
Капот 2-Х ТАКТНОГО ПЛМ MERCURY 55 Серийный номер от 9741042 до 9885344
Карбюратор (WME-22/22B/23/24/35) 2-Х ТАКТНОГО ПЛМ MERCURY 55 Серийный номер от 9741042 до 9885344
Карбюратор (WME-26/27/28/28/43/44/45) 2-Х ТАКТНОГО ПЛМ MERCURY 55 Серийный номер от 9741042 до 9885344
Коленчатый вал, поршни и шатуны 2-Х ТАКТНОГО ПЛМ MERCURY 55 Серийный номер от 9741042 до 9885344
Компоненты двигателя 2-Х ТАКТНОГО ПЛМ MERCURY 55 Серийный номер от 9741042 до 9885344
Компоненты для закачки масла 2-Х ТАКТНОГО ПЛМ MERCURY 55 Серийный номер от 9741042 до 9885344
Компоненты расширения 2-Х ТАКТНОГО ПЛМ MERCURY 55 Серийный номер от 9741042 до 9885344
Компоненты силовой отделки(S/N: 0D181999 и ниже) 2-Х ТАКТНОГО ПЛМ MERCURY 55 Серийный номер от 9741042 до 9885344
Компоненты силовой отделки(S/N: 0D182000 и выше) 2-Х ТАКТНОГО ПЛМ MERCURY 55 Серийный номер от 9741042 до 9885344
Корпус ведущего вала 2-Х ТАКТНОГО ПЛМ MERCURY 55 Серийный номер от 9741042 до 9885344
Корпус коробки передач (DR/ SHAFT)(BIGFOOT)(SEAPRO/MARATHON/PONTOON) 2-Х ТАКТНОГО ПЛМ MERCURY 55 Серийный номер от 9741042 до 9885344
Корпус коробки передач (PROP SHAFT)(BIGFOOT)(SEAPRO/MARATHON/PONTOON) 2-Х ТАКТНОГО ПЛМ MERCURY 55 Серийный номер от 9741042 до 9885344
Корпус редуктора (карданный вал) 2-Х ТАКТНОГО ПЛМ MERCURY 55 Серийный номер от 9741042 до 9885344
Корпус редуктора (приводной вал) 2-Х ТАКТНОГО ПЛМ MERCURY 55 Серийный номер от 9741042 до 9885344
Кронштейн транца (50/60)(S/N: 0D182000 и выше) 2-Х ТАКТНОГО ПЛМ MERCURY 55 Серийный номер от 9741042 до 9885344
Кронштейн транца(50/60)(S/N: 0D181999 и ниже) 2-Х ТАКТНОГО ПЛМ MERCURY 55 Серийный номер от 9741042 до 9885344
Маховик (55) 2-Х ТАКТНОГО ПЛМ MERCURY 55 Серийный номер от 9741042 до 9885344
Маховик и стартер (50/60) 2-Х ТАКТНОГО ПЛМ MERCURY 55 Серийный номер от 9741042 до 9885344
Пластина аттенюатора 2-Х ТАКТНОГО ПЛМ MERCURY 55 Серийный номер от 9741042 до 9885344
Поворотный кронштейн (S/N: 0D181999 и ниже) 2-Х ТАКТНОГО ПЛМ MERCURY 55 Серийный номер от 9741042 до 9885344
Поворотный кронштейн (S/N: 0D182000 и выше) 2-Х ТАКТНОГО ПЛМ MERCURY 55 Серийный номер от 9741042 до 9885344
Ручки руля комплект (Часть 1) 2-Х ТАКТНОГО ПЛМ MERCURY 55 Серийный номер от 9741042 до 9885344
Ручки руля комплект (Часть 2) 2-Х ТАКТНОГО ПЛМ MERCURY 55 Серийный номер от 9741042 до 9885344
Ручные компоненты наклона 2-Х ТАКТНОГО ПЛМ MERCURY 55 Серийный номер от 9741042 до 9885344
Стартер в сборе (ручной)(55) 2-Х ТАКТНОГО ПЛМ MERCURY 55 Серийный номер от 9741042 до 9885344
Стартер в сборе 2-Х ТАКТНОГО ПЛМ MERCURY 55 Серийный номер от 9741042 до 9885344
Струйный насос в сборе 2-Х ТАКТНОГО ПЛМ MERCURY 55 Серийный номер от 9741042 до 9885344
Топливный насос (белый или красный) 2-Х ТАКТНОГО ПЛМ MERCURY 55 Серийный номер от 9741042 до 9885344
Топливный насос (черный) 2-Х ТАКТНОГО ПЛМ MERCURY 55 Серийный номер от 9741042 до 9885344
Топливный насос 2-Х ТАКТНОГО ПЛМ MERCURY 55 Серийный номер от 9741042 до 9885344
Электрические компоненты (50/60) 2-Х ТАКТНОГО ПЛМ MERCURY 55 Серийный номер от 9741042 до 9885344
Электрические компоненты (55) 2-Х ТАКТНОГО ПЛМ MERCURY 55 Серийный номер от 9741042 до 9885344
Запчасти для 2-х тактного ПЛМ MERCURY 55 Серийный номер от 9885345 до 9973099
Аксессуары 2-Х ТАКТНОГО ПЛМ MERCURY 55 Серийный номер от 9885345 до 9973099
Блок цилиндров и картер (Часть 1) 2-Х ТАКТНОГО ПЛМ MERCURY 55 Серийный номер от 9885345 до 9973099
Блок цилиндров и картер (Часть 2) 2-Х ТАКТНОГО ПЛМ MERCURY 55 Серийный номер от 9885345 до 9973099
Впускной коллектор и резонатор 2-Х ТАКТНОГО ПЛМ MERCURY 55 Серийный номер от 9885345 до 9973099
Выхлопная труба 2-Х ТАКТНОГО ПЛМ MERCURY 55 Серийный номер от 9885345 до 9973099
Дроссель и рычаг 2-Х ТАКТНОГО ПЛМ MERCURY 55 Серийный номер от 9885345 до 9973099
Зажимной кронштейн (ручной) 2-Х ТАКТНОГО ПЛМ MERCURY 55 Серийный номер от 9885345 до 9973099
Капот (Часть 1) 2-Х ТАКТНОГО ПЛМ MERCURY 55 Серийный номер от 9885345 до 9973099
Капот (Часть 2) 2-Х ТАКТНОГО ПЛМ MERCURY 55 Серийный номер от 9885345 до 9973099
Карбюратор 2-Х ТАКТНОГО ПЛМ MERCURY 55 Серийный номер от 9885345 до 9973099
Коленчатый вал, поршни и шатуны 2-Х ТАКТНОГО ПЛМ MERCURY 55 Серийный номер от 9885345 до 9973099
Комплект ручного адаптера (JET 45) 2-Х ТАКТНОГО ПЛМ MERCURY 55 Серийный номер от 9885345 до 9973099
Компоненты двигателя 2-Х ТАКТНОГО ПЛМ MERCURY 55 Серийный номер от 9885345 до 9973099
Компоненты для закачки масла 2-Х ТАКТНОГО ПЛМ MERCURY 55 Серийный номер от 9885345 до 9973099
Компоненты расширения 2-Х ТАКТНОГО ПЛМ MERCURY 55 Серийный номер от 9885345 до 9973099
Компоненты силовой отделки (S/# 0G357070 и ниже) (BLACK FILL) 2-Х ТАКТНОГО ПЛМ MERCURY 55 Серийный номер от 9885345 до 9973099
Компоненты силовой отделки (S/N 0G357070 и выше)(YELLOW FILL PLUG) 2-Х ТАКТНОГО ПЛМ MERCURY 55 Серийный номер от 9885345 до 9973099
Коробка передач(карданный вал)(60 SEA/MARA/BIG FOOT,3 JAW REV. CLUTCH 2-Х ТАКТНОГО ПЛМ MERCURY 55 Серийный номер от 9885345 до 9973099
Коробка передач(приводной вал)(60 SEA/MARA/BIG FOOT,3 JAW REV. CLUTCH 1 2-Х ТАКТНОГО ПЛМ MERCURY 55 Серийный номер от 9885345 до 9973099
Коробка передач(приводной вал)(60 SEA/MARA/BIG FOOT,3 JAW REV. CLUTCH 2 2-Х ТАКТНОГО ПЛМ MERCURY 55 Серийный номер от 9885345 до 9973099
Коробка передач(приводной вал)(60 SEA/MARA/BIG FOOT,6 JAW REV. CLUTCH 1 2-Х ТАКТНОГО ПЛМ MERCURY 55 Серийный номер от 9885345 до 9973099
Коробка передач(приводной вал)(60 SEA/MARA/BIG FOOT,6 JAW REV. CLUTCH 2 2-Х ТАКТНОГО ПЛМ MERCURY 55 Серийный номер от 9885345 до 9973099
Корпус ведущего вала 2-Х ТАКТНОГО ПЛМ MERCURY 55 Серийный номер от 9885345 до 9973099
Корпус редуктора (карданный вал)(50/55/60) 2-Х ТАКТНОГО ПЛМ MERCURY 55 Серийный номер от 9885345 до 9973099
Корпус редуктора (приводной вал)(50/55/60) (Часть 1) 2-Х ТАКТНОГО ПЛМ MERCURY 55 Серийный номер от 9885345 до 9973099
Корпус редуктора (приводной вал)(50/55/60) (Часть 2) 2-Х ТАКТНОГО ПЛМ MERCURY 55 Серийный номер от 9885345 до 9973099
Кронштейн транца (50/60) 2-Х ТАКТНОГО ПЛМ MERCURY 55 Серийный номер от 9885345 до 9973099
Маховик 2-Х ТАКТНОГО ПЛМ MERCURY 55 Серийный номер от 9885345 до 9973099
Маховик и стартер (50/60) 2-Х ТАКТНОГО ПЛМ MERCURY 55 Серийный номер от 9885345 до 9973099
Пластина аттенюатора 2-Х ТАКТНОГО ПЛМ MERCURY 55 Серийный номер от 9885345 до 9973099
Поворотный кронштейн 2-Х ТАКТНОГО ПЛМ MERCURY 55 Серийный номер от 9885345 до 9973099
Рулевое управление 2-Х ТАКТНОГО ПЛМ MERCURY 55 Серийный номер от 9885345 до 9973099
Ручки руля комплект (Часть 1) 2-Х ТАКТНОГО ПЛМ MERCURY 55 Серийный номер от 9885345 до 9973099
Ручки руля комплект (Часть 2) 2-Х ТАКТНОГО ПЛМ MERCURY 55 Серийный номер от 9885345 до 9973099
Ручки руля комплект (Часть 3) 2-Х ТАКТНОГО ПЛМ MERCURY 55 Серийный номер от 9885345 до 9973099
Ручные компоненты наклона (Дизайн 1) 2-Х ТАКТНОГО ПЛМ MERCURY 55 Серийный номер от 9885345 до 9973099
Ручные компоненты наклона (Дизайн 2) 2-Х ТАКТНОГО ПЛМ MERCURY 55 Серийный номер от 9885345 до 9973099
Стартер в сборе (ручной - 55) 2-Х ТАКТНОГО ПЛМ MERCURY 55 Серийный номер от 9885345 до 9973099
Стартер в сборе 2-Х ТАКТНОГО ПЛМ MERCURY 55 Серийный номер от 9885345 до 9973099
Топливный насос (50/60) 2-Х ТАКТНОГО ПЛМ MERCURY 55 Серийный номер от 9885345 до 9973099
Топливный насос 2-Х ТАКТНОГО ПЛМ MERCURY 55 Серийный номер от 9885345 до 9973099
Топливный насос в сборе 2-Х ТАКТНОГО ПЛМ MERCURY 55 Серийный номер от 9885345 до 9973099
Электрические компоненты (50/60) 2-Х ТАКТНОГО ПЛМ MERCURY 55 Серийный номер от 9885345 до 9973099
Электрические компоненты (55) 2-Х ТАКТНОГО ПЛМ MERCURY 55 Серийный номер от 9885345 до 9973099
Запчасти для 2-х тактного ПЛМ MERCURY 55 Серийный номер от 9973100 до 0P016999
Аксессуары 2-Х ТАКТНОГО ПЛМ MERCURY 55 Серийный номер от 9973100 до 0P016999
Блок цилиндров 2-Х ТАКТНОГО ПЛМ MERCURY 55 Серийный номер от 9973100 до 0P016999
Впускной коллектор и резонатор 2-Х ТАКТНОГО ПЛМ MERCURY 55 Серийный номер от 9973100 до 0P016999
Выхлопная труба 2-Х ТАКТНОГО ПЛМ MERCURY 55 Серийный номер от 9973100 до 0P016999
Зажимной кронштейн (ручной) 2-Х ТАКТНОГО ПЛМ MERCURY 55 Серийный номер от 9973100 до 0P016999
Инструменты 2-Х ТАКТНОГО ПЛМ MERCURY 55 Серийный номер от 9973100 до 0P016999
Капот 2-Х ТАКТНОГО ПЛМ MERCURY 55 Серийный номер от 9973100 до 0P016999
Карбюратор 2-Х ТАКТНОГО ПЛМ MERCURY 55 Серийный номер от 9973100 до 0P016999
Коленчатый вал, поршни и шатуны 2-Х ТАКТНОГО ПЛМ MERCURY 55 Серийный номер от 9973100 до 0P016999
Компоненты двигателя 2-Х ТАКТНОГО ПЛМ MERCURY 55 Серийный номер от 9973100 до 0P016999
Компоненты закачки масла 2-Х ТАКТНОГО ПЛМ MERCURY 55 Серийный номер от 9973100 до 0P016999
Компоненты расширения 2-Х ТАКТНОГО ПЛМ MERCURY 55 Серийный номер от 9973100 до 0P016999
Компоненты ручного наклона 2-Х ТАКТНОГО ПЛМ MERCURY 55 Серийный номер от 9973100 до 0P016999
Компоненты силовой отделки 2-Х ТАКТНОГО ПЛМ MERCURY 55 Серийный номер от 9973100 до 0P016999
Корпус ведущего вала 2-Х ТАКТНОГО ПЛМ MERCURY 55 Серийный номер от 9973100 до 0P016999
Корпус коробки передач, карданный вал - 1.64:1 передаточное число 2-Х ТАКТНОГО ПЛМ MERCURY 55 Серийный номер от 9973100 до 0P016999
Корпус коробки передач, карданный вал - 2.31:1 передаточное число 2-Х ТАКТНОГО ПЛМ MERCURY 55 Серийный номер от 9973100 до 0P016999
Корпус коробки передач, приводной вал 1.64:1 передаточное число 2-Х ТАКТНОГО ПЛМ MERCURY 55 Серийный номер от 9973100 до 0P016999
Корпус коробки передач, приводной вал 2.31:1 передаточное число 2-Х ТАКТНОГО ПЛМ MERCURY 55 Серийный номер от 9973100 до 0P016999
Кронштейн транца (электрический) 2-Х ТАКТНОГО ПЛМ MERCURY 55 Серийный номер от 9973100 до 0P016999
Маховик и статор (ручной) 2-Х ТАКТНОГО ПЛМ MERCURY 55 Серийный номер от 9973100 до 0P016999
Маховик и статор (электрический) 2-Х ТАКТНОГО ПЛМ MERCURY 55 Серийный номер от 9973100 до 0P016999
Пластина аттенюатора 2-Х ТАКТНОГО ПЛМ MERCURY 55 Серийный номер от 9973100 до 0P016999
Поворотный кронштейн 2-Х ТАКТНОГО ПЛМ MERCURY 55 Серийный номер от 9973100 до 0P016999
Рулевое управление 2-Х ТАКТНОГО ПЛМ MERCURY 55 Серийный номер от 9973100 до 0P016999
Ручки руля комплект (Часть 1) 2-Х ТАКТНОГО ПЛМ MERCURY 55 Серийный номер от 9973100 до 0P016999
Ручки руля комплект (Часть 2) 2-Х ТАКТНОГО ПЛМ MERCURY 55 Серийный номер от 9973100 до 0P016999
Рычаг газа и рычажный механизм 2-Х ТАКТНОГО ПЛМ MERCURY 55 Серийный номер от 9973100 до 0P016999
Стартер 2-Х ТАКТНОГО ПЛМ MERCURY 55 Серийный номер от 9973100 до 0P016999
Стартер ручной 2-Х ТАКТНОГО ПЛМ MERCURY 55 Серийный номер от 9973100 до 0P016999
Струйный насос в сборе 2-Х ТАКТНОГО ПЛМ MERCURY 55 Серийный номер от 9973100 до 0P016999
Топливный насос (ручной) 2-Х ТАКТНОГО ПЛМ MERCURY 55 Серийный номер от 9973100 до 0P016999
Топливный насос (электрический) 2-Х ТАКТНОГО ПЛМ MERCURY 55 Серийный номер от 9973100 до 0P016999
Электрические компоненты 2-Х ТАКТНОГО ПЛМ MERCURY 55 Серийный номер от 9973100 до 0P016999
Запчасти для 2-х тактного ПЛМ MERCURY 60 Серийный номер от 00G760300 до 0T979999
Аксессуары 2-Х ТАКТНОГО ПЛМ MERCURY 60 Серийный номер от 00G760300 до 0T979999
Блок цилиндров и картер 2-Х ТАКТНОГО ПЛМ MERCURY 60 Серийный номер от 00G760300 до 0T979999
Впускной коллектор и резонатор 2-Х ТАКТНОГО ПЛМ MERCURY 60 Серийный номер от 00G760300 до 0T979999
Выхлопная труба 2-Х ТАКТНОГО ПЛМ MERCURY 60 Серийный номер от 00G760300 до 0T979999
Зажимной кронштейн (ручной) 2-Х ТАКТНОГО ПЛМ MERCURY 60 Серийный номер от 00G760300 до 0T979999
Инструменты 2-Х ТАКТНОГО ПЛМ MERCURY 60 Серийный номер от 00G760300 до 0T979999
Капот 2-Х ТАКТНОГО ПЛМ MERCURY 60 Серийный номер от 00G760300 до 0T979999
Карбюратор 2-Х ТАКТНОГО ПЛМ MERCURY 60 Серийный номер от 00G760300 до 0T979999
Коленчатый вал, поршни и шатуны 2-Х ТАКТНОГО ПЛМ MERCURY 60 Серийный номер от 00G760300 до 0T979999
Комплект прокладок, капитального ремонта двигателя 2-Х ТАКТНОГО ПЛМ MERCURY 60 Серийный номер от 00G760300 до 0T979999
Компоненты двигателя 2-Х ТАКТНОГО ПЛМ MERCURY 60 Серийный номер от 00G760300 до 0T979999
Компоненты закачки масла 2-Х ТАКТНОГО ПЛМ MERCURY 60 Серийный номер от 00G760300 до 0T979999
Компоненты ручного наклона 2-Х ТАКТНОГО ПЛМ MERCURY 60 Серийный номер от 00G760300 до 0T979999
Компоненты силовой отделки 2-Х ТАКТНОГО ПЛМ MERCURY 60 Серийный номер от 00G760300 до 0T979999
Корпус ведущего вала 2-Х ТАКТНОГО ПЛМ MERCURY 60 Серийный номер от 00G760300 до 0T979999
Корпус коробки передач, карданный вал - 1.64:1 передаточное число 2-Х ТАКТНОГО ПЛМ MERCURY 60 Серийный номер от 00G760300 до 0T979999
Корпус коробки передач, карданный вал 2.31:1 0T622484/ 0P222544 и ниже 2-Х ТАКТНОГО ПЛМ MERCURY 60 Серийный номер от 00G760300 до 0T979999
Корпус коробки передач, карданный вал 2.33:1 0T622485/ 0P222545 и выше 2-Х ТАКТНОГО ПЛМ MERCURY 60 Серийный номер от 00G760300 до 0T979999
Корпус коробки передач, приводной вал 1.64:1 передаточное число 2-Х ТАКТНОГО ПЛМ MERCURY 60 Серийный номер от 00G760300 до 0T979999
Корпус коробки передач, приводной вал 2.31:1 0T622484/ 0P222544 и ниже 2-Х ТАКТНОГО ПЛМ MERCURY 60 Серийный номер от 00G760300 до 0T979999
Корпус коробки передач, приводной вал 2.33:1 0T622485/ 0P222545 и выше 2-Х ТАКТНОГО ПЛМ MERCURY 60 Серийный номер от 00G760300 до 0T979999
Кронштейн транца (электрический) 2-Х ТАКТНОГО ПЛМ MERCURY 60 Серийный номер от 00G760300 до 0T979999
Масляный бак, Aramark Engines 2-Х ТАКТНОГО ПЛМ MERCURY 60 Серийный номер от 00G760300 до 0T979999
Маховик и статор (ручной) 2-Х ТАКТНОГО ПЛМ MERCURY 60 Серийный номер от 00G760300 до 0T979999
Маховик и статор (электрический) 2-Х ТАКТНОГО ПЛМ MERCURY 60 Серийный номер от 00G760300 до 0T979999
Пластина аттенюатора 2-Х ТАКТНОГО ПЛМ MERCURY 60 Серийный номер от 00G760300 до 0T979999
Поворотный кронштейн 2-Х ТАКТНОГО ПЛМ MERCURY 60 Серийный номер от 00G760300 до 0T979999
Ручки руля 2-Х ТАКТНОГО ПЛМ MERCURY 60 Серийный номер от 00G760300 до 0T979999
Ручки руля комплект 2-Х ТАКТНОГО ПЛМ MERCURY 60 Серийный номер от 00G760300 до 0T979999
Рычаг газа и рычажный механизм 2-Х ТАКТНОГО ПЛМ MERCURY 60 Серийный номер от 00G760300 до 0T979999
Стартер 2-Х ТАКТНОГО ПЛМ MERCURY 60 Серийный номер от 00G760300 до 0T979999
Стартер в сборе (ручной) 2-Х ТАКТНОГО ПЛМ MERCURY 60 Серийный номер от 00G760300 до 0T979999
Струйный насос в сборе 2-Х ТАКТНОГО ПЛМ MERCURY 60 Серийный номер от 00G760300 до 0T979999
Топливный насос (ручной) 2-Х ТАКТНОГО ПЛМ MERCURY 60 Серийный номер от 00G760300 до 0T979999
Топливный насос (электрический) 2-Х ТАКТНОГО ПЛМ MERCURY 60 Серийный номер от 00G760300 до 0T979999
Электрические компоненты 2-Х ТАКТНОГО ПЛМ MERCURY 60 Серийный номер от 00G760300 до 0T979999
Запчасти для 2-х тактного ПЛМ MERCURY 60 Серийный номер от 0A721308 и выше
Manual Tilt Components 2-Х ТАКТНОГО ПЛМ MERCURY 60 Серийный номер от 0A721308 и выше
Авто-смесь 2-Х ТАКТНОГО ПЛМ MERCURY 60 Серийный номер от 0A721308 и выше
Блок цилиндров 2-Х ТАКТНОГО ПЛМ MERCURY 60 Серийный номер от 0A721308 и выше
Выхлопная труба 2-Х ТАКТНОГО ПЛМ MERCURY 60 Серийный номер от 0A721308 и выше
Выхлопной коллектор и крышки 2-Х ТАКТНОГО ПЛМ MERCURY 60 Серийный номер от 0A721308 и выше
Дроссельная тяга 2-Х ТАКТНОГО ПЛМ MERCURY 60 Серийный номер от 0A721308 и выше
Зажимной кронштейн (короткий) (длинный-0C160935 и ниже) (60EL NOI) (NPT) 2-Х ТАКТНОГО ПЛМ MERCURY 60 Серийный номер от 0A721308 и выше
Капот и передняя крышка 2-Х ТАКТНОГО ПЛМ MERCURY 60 Серийный номер от 0A721308 и выше
Карбюратор 2-Х ТАКТНОГО ПЛМ MERCURY 60 Серийный номер от 0A721308 и выше
Карбюратор и дроссель 2-Х ТАКТНОГО ПЛМ MERCURY 60 Серийный номер от 0A721308 и выше
Коленвал, поршни и шатуны 2-Х ТАКТНОГО ПЛМ MERCURY 60 Серийный номер от 0A721308 и выше
Компоненты силовой отделки(S/N-0C160935 и ниже) 2-Х ТАКТНОГО ПЛМ MERCURY 60 Серийный номер от 0A721308 и выше
Компоненты электрической отделки (длинные-S/N-0C160936 и выше) 2-Х ТАКТНОГО ПЛМ MERCURY 60 Серийный номер от 0A721308 и выше
Корпус карданного вала (длинный-0C160936 & выше) (60EL NOI) (NPT) 2-Х ТАКТНОГО ПЛМ MERCURY 60 Серийный номер от 0A721308 и выше
Корпус карданного вала (короткий)(длинный S / N-0C160935 и ниже) 2-Х ТАКТНОГО ПЛМ MERCURY 60 Серийный номер от 0A721308 и выше
Корпус редуктора (карданный вал) 2-Х ТАКТНОГО ПЛМ MERCURY 60 Серийный номер от 0A721308 и выше
Корпус редуктора (приводной вал) 2-Х ТАКТНОГО ПЛМ MERCURY 60 Серийный номер от 0A721308 и выше
Кронштейн транца (силовая отделка)(S/N-0C160935 и ниже) 2-Х ТАКТНОГО ПЛМ MERCURY 60 Серийный номер от 0A721308 и выше
Кронштейн транца(длинный вал S/N-0C160936 и выше) 2-Х ТАКТНОГО ПЛМ MERCURY 60 Серийный номер от 0A721308 и выше
Маховик, распределительная коробка, катушка зажигания и статор 2-Х ТАКТНОГО ПЛМ MERCURY 60 Серийный номер от 0A721308 и выше
Насос отсечки мощности (прямоугольный двигатель Eaton) 2-Х ТАКТНОГО ПЛМ MERCURY 60 Серийный номер от 0A721308 и выше
Опорные кронштейны капота 2-Х ТАКТНОГО ПЛМ MERCURY 60 Серийный номер от 0A721308 и выше
Поворотный кронштейн (длинный вал-S/N-0C160936 и выше) 2-Х ТАКТНОГО ПЛМ MERCURY 60 Серийный номер от 0A721308 и выше
Поворотный кронштейн (короткий) (длинный-0C160935 и ниже) (60EL NOI) (NPT) 2-Х ТАКТНОГО ПЛМ MERCURY 60 Серийный номер от 0A721308 и выше
Поворотный кронштейн (силовая отделка)(S / N-0C160935 и ниже) 2-Х ТАКТНОГО ПЛМ MERCURY 60 Серийный номер от 0A721308 и выше
Стартер 2-Х ТАКТНОГО ПЛМ MERCURY 60 Серийный номер от 0A721308 и выше
Стартер, соленоид и выпрямитель 2-Х ТАКТНОГО ПЛМ MERCURY 60 Серийный номер от 0A721308 и выше
Топливный насос 2-Х ТАКТНОГО ПЛМ MERCURY 60 Серийный номер от 0A721308 и выше
Запчасти для 2-х тактного ПЛМ MERCURY 60 Серийный номер от 0B122930 до 0D000749
Manual Tilt Components 2-Х ТАКТНОГО ПЛМ MERCURY 60 Серийный номер от 0B122930 до 0D000749
Авто-смесь 2-Х ТАКТНОГО ПЛМ MERCURY 60 Серийный номер от 0B122930 до 0D000749
Блок цилиндров 2-Х ТАКТНОГО ПЛМ MERCURY 60 Серийный номер от 0B122930 до 0D000749
Выхлопная труба 2-Х ТАКТНОГО ПЛМ MERCURY 60 Серийный номер от 0B122930 до 0D000749
Выхлопной коллектор и крышки 2-Х ТАКТНОГО ПЛМ MERCURY 60 Серийный номер от 0B122930 до 0D000749
Дроссельная тяга 2-Х ТАКТНОГО ПЛМ MERCURY 60 Серийный номер от 0B122930 до 0D000749
Зажимной кронштейн (короткий) (длинный-0C160935 и ниже) (60EL NOI) (NPT) 2-Х ТАКТНОГО ПЛМ MERCURY 60 Серийный номер от 0B122930 до 0D000749
Капот и передняя крышка 2-Х ТАКТНОГО ПЛМ MERCURY 60 Серийный номер от 0B122930 до 0D000749
Карбюратор 2-Х ТАКТНОГО ПЛМ MERCURY 60 Серийный номер от 0B122930 до 0D000749
Карбюратор и дроссель 2-Х ТАКТНОГО ПЛМ MERCURY 60 Серийный номер от 0B122930 до 0D000749
Коленвал, поршни и шатуны 2-Х ТАКТНОГО ПЛМ MERCURY 60 Серийный номер от 0B122930 до 0D000749
Компоненты силовой отделки(S/N-0C160935 и ниже) 2-Х ТАКТНОГО ПЛМ MERCURY 60 Серийный номер от 0B122930 до 0D000749
Компоненты электрической отделки (длинные-S/N-0C160936 и выше) 2-Х ТАКТНОГО ПЛМ MERCURY 60 Серийный номер от 0B122930 до 0D000749
Корпус карданного вала (длинный-0C160936 & выше) (60EL NOI) (NPT) 2-Х ТАКТНОГО ПЛМ MERCURY 60 Серийный номер от 0B122930 до 0D000749
Корпус карданного вала (короткий)(длинный S / N-0C160935 и ниже) 2-Х ТАКТНОГО ПЛМ MERCURY 60 Серийный номер от 0B122930 до 0D000749
Корпус редуктора (карданный вал) 2-Х ТАКТНОГО ПЛМ MERCURY 60 Серийный номер от 0B122930 до 0D000749
Корпус редуктора (приводной вал) 2-Х ТАКТНОГО ПЛМ MERCURY 60 Серийный номер от 0B122930 до 0D000749
Кронштейн транца (силовая отделка)(S/N-0C160935 и ниже) 2-Х ТАКТНОГО ПЛМ MERCURY 60 Серийный номер от 0B122930 до 0D000749
Кронштейн транца(длинный вал S/N-0C160936 и выше) 2-Х ТАКТНОГО ПЛМ MERCURY 60 Серийный номер от 0B122930 до 0D000749
Маховик, распределительная коробка, катушка зажигания и статор 2-Х ТАКТНОГО ПЛМ MERCURY 60 Серийный номер от 0B122930 до 0D000749
Насос отсечки мощности (прямоугольный двигатель Eaton) 2-Х ТАКТНОГО ПЛМ MERCURY 60 Серийный номер от 0B122930 до 0D000749
Опорные кронштейны капота 2-Х ТАКТНОГО ПЛМ MERCURY 60 Серийный номер от 0B122930 до 0D000749
Поворотный кронштейн (длинный вал-S/N-0C160936 и выше) 2-Х ТАКТНОГО ПЛМ MERCURY 60 Серийный номер от 0B122930 до 0D000749
Поворотный кронштейн (короткий) (длинный-0C160935 и ниже) (60EL NOI) (NPT) 2-Х ТАКТНОГО ПЛМ MERCURY 60 Серийный номер от 0B122930 до 0D000749
Поворотный кронштейн (силовая отделка)(S / N-0C160935 & ниже) 2-Х ТАКТНОГО ПЛМ MERCURY 60 Серийный номер от 0B122930 до 0D000749
Стартер 2-Х ТАКТНОГО ПЛМ MERCURY 60 Серийный номер от 0B122930 до 0D000749
Стартер, соленоид и выпрямитель 2-Х ТАКТНОГО ПЛМ MERCURY 60 Серийный номер от 0B122930 до 0D000749
Топливный насос 2-Х ТАКТНОГО ПЛМ MERCURY 60 Серийный номер от 0B122930 до 0D000749
Запчасти для 2-х тактного ПЛМ MERCURY 60 Серийный номер от 0D000750 до 0G290584
Аксессуары 2-Х ТАКТНОГО ПЛМ MERCURY 60 Серийный номер от 0D000750 до 0G290584
Блок цилиндров и картер 2-Х ТАКТНОГО ПЛМ MERCURY 60 Серийный номер от 0D000750 до 0G290584
Впускной коллектор и резонатор 2-Х ТАКТНОГО ПЛМ MERCURY 60 Серийный номер от 0D000750 до 0G290584
Выхлопная труба 2-Х ТАКТНОГО ПЛМ MERCURY 60 Серийный номер от 0D000750 до 0G290584
Дроссель и рычаг 2-Х ТАКТНОГО ПЛМ MERCURY 60 Серийный номер от 0D000750 до 0G290584
Зажимной кронштейн (55) (S/N: 0D181999 и ниже) 2-Х ТАКТНОГО ПЛМ MERCURY 60 Серийный номер от 0D000750 до 0G290584
Зажимной кронштейн (ручной) (S/N: 0D1812000 и выше) 2-Х ТАКТНОГО ПЛМ MERCURY 60 Серийный номер от 0D000750 до 0G290584
Капот 2-Х ТАКТНОГО ПЛМ MERCURY 60 Серийный номер от 0D000750 до 0G290584
Карбюратор (WME-22/22B/23/24/35) 2-Х ТАКТНОГО ПЛМ MERCURY 60 Серийный номер от 0D000750 до 0G290584
Карбюратор (WME-26/27/28/28/43/44/45) 2-Х ТАКТНОГО ПЛМ MERCURY 60 Серийный номер от 0D000750 до 0G290584
Коленчатый вал, поршни и шатуны 2-Х ТАКТНОГО ПЛМ MERCURY 60 Серийный номер от 0D000750 до 0G290584
Компоненты двигателя 2-Х ТАКТНОГО ПЛМ MERCURY 60 Серийный номер от 0D000750 до 0G290584
Компоненты для закачки масла 2-Х ТАКТНОГО ПЛМ MERCURY 60 Серийный номер от 0D000750 до 0G290584
Компоненты расширения 2-Х ТАКТНОГО ПЛМ MERCURY 60 Серийный номер от 0D000750 до 0G290584
Компоненты силовой отделки(S/N: 0D181999 и ниже) 2-Х ТАКТНОГО ПЛМ MERCURY 60 Серийный номер от 0D000750 до 0G290584
Компоненты силовой отделки(S/N: 0D182000 и выше) 2-Х ТАКТНОГО ПЛМ MERCURY 60 Серийный номер от 0D000750 до 0G290584
Корпус ведущего вала 2-Х ТАКТНОГО ПЛМ MERCURY 60 Серийный номер от 0D000750 до 0G290584
Корпус коробки передач (DR/ SHAFT)(BIGFOOT)(SEAPRO/MARATHON/PONTOON) 2-Х ТАКТНОГО ПЛМ MERCURY 60 Серийный номер от 0D000750 до 0G290584
Корпус коробки передач (PROP SHAFT)(BIGFOOT)(SEAPRO/MARATHON/PONTOON) 2-Х ТАКТНОГО ПЛМ MERCURY 60 Серийный номер от 0D000750 до 0G290584
Корпус редуктора (карданный вал) 2-Х ТАКТНОГО ПЛМ MERCURY 60 Серийный номер от 0D000750 до 0G290584
Корпус редуктора (приводной вал) 2-Х ТАКТНОГО ПЛМ MERCURY 60 Серийный номер от 0D000750 до 0G290584
Кронштейн транца (50/60)(S/N: 0D182000 и выше) 2-Х ТАКТНОГО ПЛМ MERCURY 60 Серийный номер от 0D000750 до 0G290584
Кронштейн транца(50/60)(S/N: 0D181999 и ниже) 2-Х ТАКТНОГО ПЛМ MERCURY 60 Серийный номер от 0D000750 до 0G290584
Маховик (55) 2-Х ТАКТНОГО ПЛМ MERCURY 60 Серийный номер от 0D000750 до 0G290584
Маховик и стартер (50/60) 2-Х ТАКТНОГО ПЛМ MERCURY 60 Серийный номер от 0D000750 до 0G290584
Пластина аттенюатора 2-Х ТАКТНОГО ПЛМ MERCURY 60 Серийный номер от 0D000750 до 0G290584
Поворотный кронштейн (S/N: 0D181999 и ниже) 2-Х ТАКТНОГО ПЛМ MERCURY 60 Серийный номер от 0D000750 до 0G290584
Поворотный кронштейн (S/N: 0D182000 и выше) 2-Х ТАКТНОГО ПЛМ MERCURY 60 Серийный номер от 0D000750 до 0G290584
Ручки руля комплект (Часть 1) 2-Х ТАКТНОГО ПЛМ MERCURY 60 Серийный номер от 0D000750 до 0G290584
Ручки руля комплект (Часть 2) 2-Х ТАКТНОГО ПЛМ MERCURY 60 Серийный номер от 0D000750 до 0G290584
Ручные компоненты наклона 2-Х ТАКТНОГО ПЛМ MERCURY 60 Серийный номер от 0D000750 до 0G290584
Стартер в сборе (ручной)(55) 2-Х ТАКТНОГО ПЛМ MERCURY 60 Серийный номер от 0D000750 до 0G290584
Стартер в сборе 2-Х ТАКТНОГО ПЛМ MERCURY 60 Серийный номер от 0D000750 до 0G290584
Струйный насос в сборе 2-Х ТАКТНОГО ПЛМ MERCURY 60 Серийный номер от 0D000750 до 0G290584
Топливный насос (белый или красный) 2-Х ТАКТНОГО ПЛМ MERCURY 60 Серийный номер от 0D000750 до 0G290584
Топливный насос (черный) 2-Х ТАКТНОГО ПЛМ MERCURY 60 Серийный номер от 0D000750 до 0G290584
Топливный насос 2-Х ТАКТНОГО ПЛМ MERCURY 60 Серийный номер от 0D000750 до 0G290584
Электрические компоненты (50/60) 2-Х ТАКТНОГО ПЛМ MERCURY 60 Серийный номер от 0D000750 до 0G290584
Электрические компоненты (55) 2-Х ТАКТНОГО ПЛМ MERCURY 60 Серийный номер от 0D000750 до 0G290584
Запчасти для 2-х тактного ПЛМ MERCURY 60 Серийный номер от 0G290585 до 0G589999
Аксессуары 2-Х ТАКТНОГО ПЛМ MERCURY 60 Серийный номер от 0G290585 до 0G589999
Блок цилиндров и картер 2-Х ТАКТНОГО ПЛМ MERCURY 60 Серийный номер от 0G290585 до 0G589999
Впускной коллектор и резонатор 2-Х ТАКТНОГО ПЛМ MERCURY 60 Серийный номер от 0G290585 до 0G589999
Выхлопная труба 2-Х ТАКТНОГО ПЛМ MERCURY 60 Серийный номер от 0G290585 до 0G589999
Дроссель и рычаг 2-Х ТАКТНОГО ПЛМ MERCURY 60 Серийный номер от 0G290585 до 0G589999
Зажимной кронштейн (ручной) 2-Х ТАКТНОГО ПЛМ MERCURY 60 Серийный номер от 0G290585 до 0G589999
Капот 2-Х ТАКТНОГО ПЛМ MERCURY 60 Серийный номер от 0G290585 до 0G589999
Карбюратор 2-Х ТАКТНОГО ПЛМ MERCURY 60 Серийный номер от 0G290585 до 0G589999
Коленчатый вал, поршни и шатуны 2-Х ТАКТНОГО ПЛМ MERCURY 60 Серийный номер от 0G290585 до 0G589999
Комплект ручного адаптера (JET 45) 2-Х ТАКТНОГО ПЛМ MERCURY 60 Серийный номер от 0G290585 до 0G589999
Компоненты двигателя 2-Х ТАКТНОГО ПЛМ MERCURY 60 Серийный номер от 0G290585 до 0G589999
Компоненты для закачки масла 2-Х ТАКТНОГО ПЛМ MERCURY 60 Серийный номер от 0G290585 до 0G589999
Компоненты расширения 2-Х ТАКТНОГО ПЛМ MERCURY 60 Серийный номер от 0G290585 до 0G589999
Компоненты силовой отделки (S/# 0G357070 и ниже) (BLACK FILL) 2-Х ТАКТНОГО ПЛМ MERCURY 60 Серийный номер от 0G290585 до 0G589999
Компоненты силовой отделки (S/N 0G357070 и выше)(YELLOW FILL PLUG) 2-Х ТАКТНОГО ПЛМ MERCURY 60 Серийный номер от 0G290585 до 0G589999
Коробка передач(карданный вал)(60 SEA/MARA/BIG FOOT,3 JAW REV. CLUTCH 2-Х ТАКТНОГО ПЛМ MERCURY 60 Серийный номер от 0G290585 до 0G589999
Коробка передач(приводной вал)(60 SEA/MARA/BIG FOOT,3 JAW REV. CLUTCH 1 2-Х ТАКТНОГО ПЛМ MERCURY 60 Серийный номер от 0G290585 до 0G589999
Коробка передач(приводной вал)(60 SEA/MARA/BIG FOOT,3 JAW REV. CLUTCH 2 2-Х ТАКТНОГО ПЛМ MERCURY 60 Серийный номер от 0G290585 до 0G589999
Коробка передач(приводной вал)(60 SEA/MARA/BIG FOOT,6 JAW REV. CLUTCH 1 2-Х ТАКТНОГО ПЛМ MERCURY 60 Серийный номер от 0G290585 до 0G589999
Коробка передач(приводной вал)(60 SEA/MARA/BIG FOOT,6 JAW REV. CLUTCH 2 2-Х ТАКТНОГО ПЛМ MERCURY 60 Серийный номер от 0G290585 до 0G589999
Корпус ведущего вала 2-Х ТАКТНОГО ПЛМ MERCURY 60 Серийный номер от 0G290585 до 0G589999
Корпус редуктора (карданный вал)(50/55/60) 2-Х ТАКТНОГО ПЛМ MERCURY 60 Серийный номер от 0G290585 до 0G589999
Корпус редуктора (приводной вал)(50/55/60) (Часть 1) 2-Х ТАКТНОГО ПЛМ MERCURY 60 Серийный номер от 0G290585 до 0G589999
Корпус редуктора (приводной вал)(50/55/60) (Часть 2) 2-Х ТАКТНОГО ПЛМ MERCURY 60 Серийный номер от 0G290585 до 0G589999
Кронштейн транца (50/60) 2-Х ТАКТНОГО ПЛМ MERCURY 60 Серийный номер от 0G290585 до 0G589999
Маховик 2-Х ТАКТНОГО ПЛМ MERCURY 60 Серийный номер от 0G290585 до 0G589999
Маховик и стартер (50/60) 2-Х ТАКТНОГО ПЛМ MERCURY 60 Серийный номер от 0G290585 до 0G589999
Пластина аттенюатора 2-Х ТАКТНОГО ПЛМ MERCURY 60 Серийный номер от 0G290585 до 0G589999
Поворотный кронштейн 2-Х ТАКТНОГО ПЛМ MERCURY 60 Серийный номер от 0G290585 до 0G589999
Рулевое управление 2-Х ТАКТНОГО ПЛМ MERCURY 60 Серийный номер от 0G290585 до 0G589999
Ручки руля комплект (Часть 1) 2-Х ТАКТНОГО ПЛМ MERCURY 60 Серийный номер от 0G290585 до 0G589999
Ручки руля комплект (Часть 2) 2-Х ТАКТНОГО ПЛМ MERCURY 60 Серийный номер от 0G290585 до 0G589999
Ручки руля комплект (Часть 3) 2-Х ТАКТНОГО ПЛМ MERCURY 60 Серийный номер от 0G290585 до 0G589999
Ручные компоненты наклона (Дизайн 1) 2-Х ТАКТНОГО ПЛМ MERCURY 60 Серийный номер от 0G290585 до 0G589999
Ручные компоненты наклона (Дизайн 2) 2-Х ТАКТНОГО ПЛМ MERCURY 60 Серийный номер от 0G290585 до 0G589999
Стартер в сборе (ручной - 55) 2-Х ТАКТНОГО ПЛМ MERCURY 60 Серийный номер от 0G290585 до 0G589999
Стартер в сборе 2-Х ТАКТНОГО ПЛМ MERCURY 60 Серийный номер от 0G290585 до 0G589999
Топливный насос (50/60) 2-Х ТАКТНОГО ПЛМ MERCURY 60 Серийный номер от 0G290585 до 0G589999
Топливный насос 2-Х ТАКТНОГО ПЛМ MERCURY 60 Серийный номер от 0G290585 до 0G589999
Топливный насос в сборе 2-Х ТАКТНОГО ПЛМ MERCURY 60 Серийный номер от 0G290585 до 0G589999
Электрические компоненты (50/60) 2-Х ТАКТНОГО ПЛМ MERCURY 60 Серийный номер от 0G290585 до 0G589999
Электрические компоненты (55) 2-Х ТАКТНОГО ПЛМ MERCURY 60 Серийный номер от 0G290585 до 0G589999
Запчасти для 2-х тактного ПЛМ MERCURY 60 Серийный номер от 0G590000 до 0G760299
Аксессуары 2-Х ТАКТНОГО ПЛМ MERCURY 60 Серийный номер от 0G590000 до 0G760299
Блок цилиндров 2-Х ТАКТНОГО ПЛМ MERCURY 60 Серийный номер от 0G590000 до 0G760299
Впускной коллектор и резонатор 2-Х ТАКТНОГО ПЛМ MERCURY 60 Серийный номер от 0G590000 до 0G760299
Выхлопная труба 2-Х ТАКТНОГО ПЛМ MERCURY 60 Серийный номер от 0G590000 до 0G760299
Зажимной кронштейн (ручной) 2-Х ТАКТНОГО ПЛМ MERCURY 60 Серийный номер от 0G590000 до 0G760299
Инструменты 2-Х ТАКТНОГО ПЛМ MERCURY 60 Серийный номер от 0G590000 до 0G760299
Капот 2-Х ТАКТНОГО ПЛМ MERCURY 60 Серийный номер от 0G590000 до 0G760299
Карбюратор 2-Х ТАКТНОГО ПЛМ MERCURY 60 Серийный номер от 0G590000 до 0G760299
Коленчатый вал, поршни и шатуны 2-Х ТАКТНОГО ПЛМ MERCURY 60 Серийный номер от 0G590000 до 0G760299
Компоненты двигателя 2-Х ТАКТНОГО ПЛМ MERCURY 60 Серийный номер от 0G590000 до 0G760299
Компоненты закачки масла 2-Х ТАКТНОГО ПЛМ MERCURY 60 Серийный номер от 0G590000 до 0G760299
Компоненты расширения 2-Х ТАКТНОГО ПЛМ MERCURY 60 Серийный номер от 0G590000 до 0G760299
Компоненты ручного наклона 2-Х ТАКТНОГО ПЛМ MERCURY 60 Серийный номер от 0G590000 до 0G760299
Компоненты силовой отделки 2-Х ТАКТНОГО ПЛМ MERCURY 60 Серийный номер от 0G590000 до 0G760299
Корпус ведущего вала 2-Х ТАКТНОГО ПЛМ MERCURY 60 Серийный номер от 0G590000 до 0G760299
Корпус коробки передач, карданный вал - 1.64:1 передаточное число 2-Х ТАКТНОГО ПЛМ MERCURY 60 Серийный номер от 0G590000 до 0G760299
Корпус коробки передач, карданный вал - 2.31:1 передаточное число 2-Х ТАКТНОГО ПЛМ MERCURY 60 Серийный номер от 0G590000 до 0G760299
Корпус коробки передач, приводной вал 1.64:1 передаточное число 2-Х ТАКТНОГО ПЛМ MERCURY 60 Серийный номер от 0G590000 до 0G760299
Корпус коробки передач, приводной вал 2.31:1 передаточное число 2-Х ТАКТНОГО ПЛМ MERCURY 60 Серийный номер от 0G590000 до 0G760299
Кронштейн транца (электрический) 2-Х ТАКТНОГО ПЛМ MERCURY 60 Серийный номер от 0G590000 до 0G760299
Маховик и статор (ручной) 2-Х ТАКТНОГО ПЛМ MERCURY 60 Серийный номер от 0G590000 до 0G760299
Маховик и статор (электрический) 2-Х ТАКТНОГО ПЛМ MERCURY 60 Серийный номер от 0G590000 до 0G760299
Пластина аттенюатора 2-Х ТАКТНОГО ПЛМ MERCURY 60 Серийный номер от 0G590000 до 0G760299
Поворотный кронштейн 2-Х ТАКТНОГО ПЛМ MERCURY 60 Серийный номер от 0G590000 до 0G760299
Рулевое управление 2-Х ТАКТНОГО ПЛМ MERCURY 60 Серийный номер от 0G590000 до 0G760299
Ручки руля комплект (Часть 1) 2-Х ТАКТНОГО ПЛМ MERCURY 60 Серийный номер от 0G590000 до 0G760299
Ручки руля комплект (Часть 2) 2-Х ТАКТНОГО ПЛМ MERCURY 60 Серийный номер от 0G590000 до 0G760299
Ручной стартер 2-Х ТАКТНОГО ПЛМ MERCURY 60 Серийный номер от 0G590000 до 0G760299
Рычаг газа и рычажный механизм 2-Х ТАКТНОГО ПЛМ MERCURY 60 Серийный номер от 0G590000 до 0G760299
Стартер 2-Х ТАКТНОГО ПЛМ MERCURY 60 Серийный номер от 0G590000 до 0G760299
Струйный насос в сборе 2-Х ТАКТНОГО ПЛМ MERCURY 60 Серийный номер от 0G590000 до 0G760299
Топливный насос (ручной) 2-Х ТАКТНОГО ПЛМ MERCURY 60 Серийный номер от 0G590000 до 0G760299
Топливный насос (электрический) 2-Х ТАКТНОГО ПЛМ MERCURY 60 Серийный номер от 0G590000 до 0G760299
Электрические компоненты 2-Х ТАКТНОГО ПЛМ MERCURY 60 Серийный номер от 0G590000 до 0G760299
Запчасти для 2-х тактного ПЛМ MERCURY 60 Серийный номер от 0P017000 до 0P325499
Аксессуары 2-Х ТАКТНОГО ПЛМ MERCURY 60 Серийный номер от 0P017000 до 0P325499
Блок цилиндров и картер 2-Х ТАКТНОГО ПЛМ MERCURY 60 Серийный номер от 0P017000 до 0P325499
Впускной коллектор и резонатор 2-Х ТАКТНОГО ПЛМ MERCURY 60 Серийный номер от 0P017000 до 0P325499
Выхлопная труба 2-Х ТАКТНОГО ПЛМ MERCURY 60 Серийный номер от 0P017000 до 0P325499
Зажимной кронштейн (ручной) 2-Х ТАКТНОГО ПЛМ MERCURY 60 Серийный номер от 0P017000 до 0P325499
Инструменты 2-Х ТАКТНОГО ПЛМ MERCURY 60 Серийный номер от 0P017000 до 0P325499
Капот 2-Х ТАКТНОГО ПЛМ MERCURY 60 Серийный номер от 0P017000 до 0P325499
Карбюратор 2-Х ТАКТНОГО ПЛМ MERCURY 60 Серийный номер от 0P017000 до 0P325499
Коленчатый вал, поршни и шатуны 2-Х ТАКТНОГО ПЛМ MERCURY 60 Серийный номер от 0P017000 до 0P325499
Комплект прокладок, капитального ремонта двигателя 2-Х ТАКТНОГО ПЛМ MERCURY 60 Серийный номер от 0P017000 до 0P325499
Компоненты двигателя 2-Х ТАКТНОГО ПЛМ MERCURY 60 Серийный номер от 0P017000 до 0P325499
Компоненты закачки масла 2-Х ТАКТНОГО ПЛМ MERCURY 60 Серийный номер от 0P017000 до 0P325499
Компоненты ручного наклона 2-Х ТАКТНОГО ПЛМ MERCURY 60 Серийный номер от 0P017000 до 0P325499
Компоненты силовой отделки 2-Х ТАКТНОГО ПЛМ MERCURY 60 Серийный номер от 0P017000 до 0P325499
Корпус ведущего вала 2-Х ТАКТНОГО ПЛМ MERCURY 60 Серийный номер от 0P017000 до 0P325499
Корпус коробки передач, карданный вал - 1.64:1 передаточное число 2-Х ТАКТНОГО ПЛМ MERCURY 60 Серийный номер от 0P017000 до 0P325499
Корпус коробки передач, карданный вал 2.31:1 0T622484/ 0P222544 и ниже 2-Х ТАКТНОГО ПЛМ MERCURY 60 Серийный номер от 0P017000 до 0P325499
Корпус коробки передач, карданный вал 2.33:1 0T622485/ 0P222545 и выше 2-Х ТАКТНОГО ПЛМ MERCURY 60 Серийный номер от 0P017000 до 0P325499
Корпус коробки передач, приводной вал 1.64:1 передаточное число 2-Х ТАКТНОГО ПЛМ MERCURY 60 Серийный номер от 0P017000 до 0P325499
Корпус коробки передач, приводной вал 2.31:1 0T622484/ 0P222544 и ниже 2-Х ТАКТНОГО ПЛМ MERCURY 60 Серийный номер от 0P017000 до 0P325499
Корпус коробки передач, приводной вал 2.33:1 0T622485/ 0P222545 и выше 2-Х ТАКТНОГО ПЛМ MERCURY 60 Серийный номер от 0P017000 до 0P325499
Кронштейн транца (электрический) 2-Х ТАКТНОГО ПЛМ MERCURY 60 Серийный номер от 0P017000 до 0P325499
Масляный бак, Aramark Engines 2-Х ТАКТНОГО ПЛМ MERCURY 60 Серийный номер от 0P017000 до 0P325499
Маховик и статор (ручной) 2-Х ТАКТНОГО ПЛМ MERCURY 60 Серийный номер от 0P017000 до 0P325499
Маховик и статор (электрический) 2-Х ТАКТНОГО ПЛМ MERCURY 60 Серийный номер от 0P017000 до 0P325499
Пластина аттенюатора 2-Х ТАКТНОГО ПЛМ MERCURY 60 Серийный номер от 0P017000 до 0P325499
Поворотный кронштейн 2-Х ТАКТНОГО ПЛМ MERCURY 60 Серийный номер от 0P017000 до 0P325499
Ручки руля 2-Х ТАКТНОГО ПЛМ MERCURY 60 Серийный номер от 0P017000 до 0P325499
Ручки руля комплект 2-Х ТАКТНОГО ПЛМ MERCURY 60 Серийный номер от 0P017000 до 0P325499
Рычаг газа и рычажный механизм 2-Х ТАКТНОГО ПЛМ MERCURY 60 Серийный номер от 0P017000 до 0P325499
Стартер 2-Х ТАКТНОГО ПЛМ MERCURY 60 Серийный номер от 0P017000 до 0P325499
Стартер в сборе (ручной) 2-Х ТАКТНОГО ПЛМ MERCURY 60 Серийный номер от 0P017000 до 0P325499
Струйный насос в сборе 2-Х ТАКТНОГО ПЛМ MERCURY 60 Серийный номер от 0P017000 до 0P325499
Топливный насос (ручной) 2-Х ТАКТНОГО ПЛМ MERCURY 60 Серийный номер от 0P017000 до 0P325499
Топливный насос (электрический) 2-Х ТАКТНОГО ПЛМ MERCURY 60 Серийный номер от 0P017000 до 0P325499
Электрические компоненты 2-Х ТАКТНОГО ПЛМ MERCURY 60 Серийный номер от 0P017000 до 0P325499
Запчасти для 2-х тактного ПЛМ MERCURY 60 Серийный номер от 0P325500 и выше
Аксессуары 2-Х ТАКТНОГО ПЛМ MERCURY 60 Серийный номер от 0P325500 и выше
Блок цилиндров и картер 2-Х ТАКТНОГО ПЛМ MERCURY 60 Серийный номер от 0P325500 и выше
Впускной коллектор и резонатор 2-Х ТАКТНОГО ПЛМ MERCURY 60 Серийный номер от 0P325500 и выше
Выхлопная труба 2-Х ТАКТНОГО ПЛМ MERCURY 60 Серийный номер от 0P325500 и выше
Зажимной кронштейн (ручной) 2-Х ТАКТНОГО ПЛМ MERCURY 60 Серийный номер от 0P325500 и выше
Инструменты 2-Х ТАКТНОГО ПЛМ MERCURY 60 Серийный номер от 0P325500 и выше
Капот верхний и нижний 2-Х ТАКТНОГО ПЛМ MERCURY 60 Серийный номер от 0P325500 и выше
Карбюратор 2-Х ТАКТНОГО ПЛМ MERCURY 60 Серийный номер от 0P325500 и выше
Коленчатый вал, поршни и шатуны 2-Х ТАКТНОГО ПЛМ MERCURY 60 Серийный номер от 0P325500 и выше
Комплект прокладок, капитального ремонта двигателя 2-Х ТАКТНОГО ПЛМ MERCURY 60 Серийный номер от 0P325500 и выше
Компоненты двигателя 2-Х ТАКТНОГО ПЛМ MERCURY 60 Серийный номер от 0P325500 и выше
Компоненты закачки масла 2-Х ТАКТНОГО ПЛМ MERCURY 60 Серийный номер от 0P325500 и выше
Компоненты ручного наклона 2-Х ТАКТНОГО ПЛМ MERCURY 60 Серийный номер от 0P325500 и выше
Компоненты силовой отделки 2-Х ТАКТНОГО ПЛМ MERCURY 60 Серийный номер от 0P325500 и выше
Корпус ведущего вала 2-Х ТАКТНОГО ПЛМ MERCURY 60 Серийный номер от 0P325500 и выше
Корпус коробки передач, карданный вал - 1.64:1 передаточное число 2-Х ТАКТНОГО ПЛМ MERCURY 60 Серийный номер от 0P325500 и выше
Корпус коробки передач, карданный вал - 2.33:1 передаточное число 2-Х ТАКТНОГО ПЛМ MERCURY 60 Серийный номер от 0P325500 и выше
Корпус коробки передач, приводной вал 1.64:1 передаточное число 2-Х ТАКТНОГО ПЛМ MERCURY 60 Серийный номер от 0P325500 и выше
Корпус коробки передач, приводной вал 2.33:1 2-Х ТАКТНОГО ПЛМ MERCURY 60 Серийный номер от 0P325500 и выше
Кронштейн транца (электрический) 2-Х ТАКТНОГО ПЛМ MERCURY 60 Серийный номер от 0P325500 и выше
Маховик и статор (ручной) 2-Х ТАКТНОГО ПЛМ MERCURY 60 Серийный номер от 0P325500 и выше
Маховик и статор (электрический) 2-Х ТАКТНОГО ПЛМ MERCURY 60 Серийный номер от 0P325500 и выше
Пластина аттенюатора 2-Х ТАКТНОГО ПЛМ MERCURY 60 Серийный номер от 0P325500 и выше
Поворотный кронштейн 2-Х ТАКТНОГО ПЛМ MERCURY 60 Серийный номер от 0P325500 и выше
Ручки руля 2-Х ТАКТНОГО ПЛМ MERCURY 60 Серийный номер от 0P325500 и выше
Ручки руля комплект 2-Х ТАКТНОГО ПЛМ MERCURY 60 Серийный номер от 0P325500 и выше
Рычаг газа и рычажный механизм 2-Х ТАКТНОГО ПЛМ MERCURY 60 Серийный номер от 0P325500 и выше
Стартер 2-Х ТАКТНОГО ПЛМ MERCURY 60 Серийный номер от 0P325500 и выше
Стартер в сборе (ручной) 2-Х ТАКТНОГО ПЛМ MERCURY 60 Серийный номер от 0P325500 и выше
Струйный насос в сборе 2-Х ТАКТНОГО ПЛМ MERCURY 60 Серийный номер от 0P325500 и выше
Топливный насос (ручной) 2-Х ТАКТНОГО ПЛМ MERCURY 60 Серийный номер от 0P325500 и выше
Топливный насос (электрический) 2-Х ТАКТНОГО ПЛМ MERCURY 60 Серийный номер от 0P325500 и выше
Электрические компоненты 2-Х ТАКТНОГО ПЛМ MERCURY 60 Серийный номер от 0P325500 и выше
Запчасти для 2-х тактного ПЛМ MERCURY 60 Серийный номер от 0T980000 и выше
Аксессуары 2-Х ТАКТНОГО ПЛМ MERCURY 60 Серийный номер от 0T980000 и выше
Блок цилиндров и картер 2-Х ТАКТНОГО ПЛМ MERCURY 60 Серийный номер от 0T980000 и выше
Впускной коллектор и резонатор 2-Х ТАКТНОГО ПЛМ MERCURY 60 Серийный номер от 0T980000 и выше
Выхлопная труба 2-Х ТАКТНОГО ПЛМ MERCURY 60 Серийный номер от 0T980000 и выше
Зажимной кронштейн (ручной) 2-Х ТАКТНОГО ПЛМ MERCURY 60 Серийный номер от 0T980000 и выше
Инструменты 2-Х ТАКТНОГО ПЛМ MERCURY 60 Серийный номер от 0T980000 и выше
Капот верхний и нижний 2-Х ТАКТНОГО ПЛМ MERCURY 60 Серийный номер от 0T980000 и выше
Карбюратор 2-Х ТАКТНОГО ПЛМ MERCURY 60 Серийный номер от 0T980000 и выше
Коленчатый вал, поршни и шатуны 2-Х ТАКТНОГО ПЛМ MERCURY 60 Серийный номер от 0T980000 и выше
Комплект прокладок, капитального ремонта двигателя 2-Х ТАКТНОГО ПЛМ MERCURY 60 Серийный номер от 0T980000 и выше
Компоненты двигателя 2-Х ТАКТНОГО ПЛМ MERCURY 60 Серийный номер от 0T980000 и выше
Компоненты закачки масла 2-Х ТАКТНОГО ПЛМ MERCURY 60 Серийный номер от 0T980000 и выше
Компоненты ручного наклона 2-Х ТАКТНОГО ПЛМ MERCURY 60 Серийный номер от 0T980000 и выше
Компоненты силовой отделки 2-Х ТАКТНОГО ПЛМ MERCURY 60 Серийный номер от 0T980000 и выше
Корпус ведущего вала 2-Х ТАКТНОГО ПЛМ MERCURY 60 Серийный номер от 0T980000 и выше
Корпус коробки передач, карданный вал - 1.64:1 передаточное число 2-Х ТАКТНОГО ПЛМ MERCURY 60 Серийный номер от 0T980000 и выше
Корпус коробки передач, карданный вал - 2.33:1 передаточное число 2-Х ТАКТНОГО ПЛМ MERCURY 60 Серийный номер от 0T980000 и выше
Корпус коробки передач, приводной вал 1.64:1 передаточное число 2-Х ТАКТНОГО ПЛМ MERCURY 60 Серийный номер от 0T980000 и выше
Корпус коробки передач, приводной вал 2.33:1 2-Х ТАКТНОГО ПЛМ MERCURY 60 Серийный номер от 0T980000 и выше
Кронштейн транца (электрический) 2-Х ТАКТНОГО ПЛМ MERCURY 60 Серийный номер от 0T980000 и выше
Маховик и статор (ручной) 2-Х ТАКТНОГО ПЛМ MERCURY 60 Серийный номер от 0T980000 и выше
Маховик и статор (электрический) 2-Х ТАКТНОГО ПЛМ MERCURY 60 Серийный номер от 0T980000 и выше
Пластина аттенюатора 2-Х ТАКТНОГО ПЛМ MERCURY 60 Серийный номер от 0T980000 и выше
Поворотный кронштейн 2-Х ТАКТНОГО ПЛМ MERCURY 60 Серийный номер от 0T980000 и выше
Ручки руля 2-Х ТАКТНОГО ПЛМ MERCURY 60 Серийный номер от 0T980000 и выше
Ручки руля комплект 2-Х ТАКТНОГО ПЛМ MERCURY 60 Серийный номер от 0T980000 и выше
Рычаг газа и рычажный механизм 2-Х ТАКТНОГО ПЛМ MERCURY 60 Серийный номер от 0T980000 и выше
Стартер 2-Х ТАКТНОГО ПЛМ MERCURY 60 Серийный номер от 0T980000 и выше
Стартер в сборе (ручной) 2-Х ТАКТНОГО ПЛМ MERCURY 60 Серийный номер от 0T980000 и выше
Струйный насос в сборе 2-Х ТАКТНОГО ПЛМ MERCURY 60 Серийный номер от 0T980000 и выше
Топливный насос (ручной) 2-Х ТАКТНОГО ПЛМ MERCURY 60 Серийный номер от 0T980000 и выше
Топливный насос (электрический) 2-Х ТАКТНОГО ПЛМ MERCURY 60 Серийный номер от 0T980000 и выше
Электрические компоненты 2-Х ТАКТНОГО ПЛМ MERCURY 60 Серийный номер от 0T980000 и выше
Запчасти для 2-х тактного ПЛМ MERCURY 60 Серийный номер от 6428681 до 0B122929
Авто-смесь 2-Х ТАКТНОГО ПЛМ MERCURY 60 Серийный номер от 6428681 до 0B122929
Аксессуары 2-Х ТАКТНОГО ПЛМ MERCURY 60 Серийный номер от 6428681 до 0B122929
Блок цилиндров и картер в сборе 2-Х ТАКТНОГО ПЛМ MERCURY 60 Серийный номер от 6428681 до 0B122929
Винты (правого вращения) 2-Х ТАКТНОГО ПЛМ MERCURY 60 Серийный номер от 6428681 до 0B122929
Выхлопной коллектор и крышки 2-Х ТАКТНОГО ПЛМ MERCURY 60 Серийный номер от 6428681 до 0B122929
Гидравлический насос в сборе (пластиковый резервуар) 2-Х ТАКТНОГО ПЛМ MERCURY 60 Серийный номер от 6428681 до 0B122929
Зажимной кронштейн в сборе 2-Х ТАКТНОГО ПЛМ MERCURY 60 Серийный номер от 6428681 до 0B122929
Капот и передняя крышка 2-Х ТАКТНОГО ПЛМ MERCURY 60 Серийный номер от 6428681 до 0B122929
Карбюратор в сборе 2-Х ТАКТНОГО ПЛМ MERCURY 60 Серийный номер от 6428681 до 0B122929
Карбюратор и дроссель 2-Х ТАКТНОГО ПЛМ MERCURY 60 Серийный номер от 6428681 до 0B122929
Коленчатый вал, поршни и шатуны 2-Х ТАКТНОГО ПЛМ MERCURY 60 Серийный номер от 6428681 до 0B122929
Комплект для ремонта цилиндра 2-Х ТАКТНОГО ПЛМ MERCURY 60 Серийный номер от 6428681 до 0B122929
Корпус ведущего вала в сборе 2-Х ТАКТНОГО ПЛМ MERCURY 60 Серийный номер от 6428681 до 0B122929
Корпус шестерни (карданный вал) 2-Х ТАКТНОГО ПЛМ MERCURY 60 Серийный номер от 6428681 до 0B122929
Корпус шестерни (приводной вал) 2-Х ТАКТНОГО ПЛМ MERCURY 60 Серийный номер от 6428681 до 0B122929
Маховик, распределительная коробка, катушка зажимная и статор 2-Х ТАКТНОГО ПЛМ MERCURY 60 Серийный номер от 6428681 до 0B122929
Опорные кронштейны капота 2-Х ТАКТНОГО ПЛМ MERCURY 60 Серийный номер от 6428681 до 0B122929
Поворотный кронштейн и блокировка обратного вращения 2-Х ТАКТНОГО ПЛМ MERCURY 60 Серийный номер от 6428681 до 0B122929
Рычаг дроссельной заслонки и зажигание 2-Х ТАКТНОГО ПЛМ MERCURY 60 Серийный номер от 6428681 до 0B122929
Рычаг переключения передач и выпускная пластина 2-Х ТАКТНОГО ПЛМ MERCURY 60 Серийный номер от 6428681 до 0B122929
Силовая отделка 2-Х ТАКТНОГО ПЛМ MERCURY 60 Серийный номер от 6428681 до 0B122929
Стартер в сборе (BOSCH) 2-Х ТАКТНОГО ПЛМ MERCURY 60 Серийный номер от 6428681 до 0B122929
Стартер в сборе (PRESTOLITE) 2-Х ТАКТНОГО ПЛМ MERCURY 60 Серийный номер от 6428681 до 0B122929
Стартер, соленоид стартера, выпрямитель тока 2-Х ТАКТНОГО ПЛМ MERCURY 60 Серийный номер от 6428681 до 0B122929
Топливный насос, топливный фильтр и топливные линии 2-Х ТАКТНОГО ПЛМ MERCURY 60 Серийный номер от 6428681 до 0B122929
Цилиндры и гидравлические шланги 2-Х ТАКТНОГО ПЛМ MERCURY 60 Серийный номер от 6428681 до 0B122929
Запчасти для 2-х тактного ПЛМ MERCURY 60 Серийный номер от 7208333 до 0A721307
Авто-смесь 2-Х ТАКТНОГО ПЛМ MERCURY 60 Серийный номер от 7208333 до 0A721307
Аксессуары 2-Х ТАКТНОГО ПЛМ MERCURY 60 Серийный номер от 7208333 до 0A721307
Блок цилиндров и картер в сборе 2-Х ТАКТНОГО ПЛМ MERCURY 60 Серийный номер от 7208333 до 0A721307
Винты (правого вращения) 2-Х ТАКТНОГО ПЛМ MERCURY 60 Серийный номер от 7208333 до 0A721307
Выхлопной коллектор и крышки 2-Х ТАКТНОГО ПЛМ MERCURY 60 Серийный номер от 7208333 до 0A721307
Гидравлический насос в сборе (пластиковый резервуар) 2-Х ТАКТНОГО ПЛМ MERCURY 60 Серийный номер от 7208333 до 0A721307
Зажимной кронштейн в сборе 2-Х ТАКТНОГО ПЛМ MERCURY 60 Серийный номер от 7208333 до 0A721307
Капот и передняя крышка 2-Х ТАКТНОГО ПЛМ MERCURY 60 Серийный номер от 7208333 до 0A721307
Карбюратор в сборе 2-Х ТАКТНОГО ПЛМ MERCURY 60 Серийный номер от 7208333 до 0A721307
Карбюратор и дроссель 2-Х ТАКТНОГО ПЛМ MERCURY 60 Серийный номер от 7208333 до 0A721307
Коленчатый вал, поршни и шатуны 2-Х ТАКТНОГО ПЛМ MERCURY 60 Серийный номер от 7208333 до 0A721307
Комплект для ремонта цилиндра 2-Х ТАКТНОГО ПЛМ MERCURY 60 Серийный номер от 7208333 до 0A721307
Корпус ведущего вала в сборе 2-Х ТАКТНОГО ПЛМ MERCURY 60 Серийный номер от 7208333 до 0A721307
Корпус шестерни (карданный вал) 2-Х ТАКТНОГО ПЛМ MERCURY 60 Серийный номер от 7208333 до 0A721307
Корпус шестерни (приводной вал) 2-Х ТАКТНОГО ПЛМ MERCURY 60 Серийный номер от 7208333 до 0A721307
Маховик, распределительная коробка, катушка зажимная и статор 2-Х ТАКТНОГО ПЛМ MERCURY 60 Серийный номер от 7208333 до 0A721307
Опорные кронштейны капота 2-Х ТАКТНОГО ПЛМ MERCURY 60 Серийный номер от 7208333 до 0A721307
Поворотный кронштейн и блокировка обратного вращения 2-Х ТАКТНОГО ПЛМ MERCURY 60 Серийный номер от 7208333 до 0A721307
Рычаг дроссельной заслонки и зажигание 2-Х ТАКТНОГО ПЛМ MERCURY 60 Серийный номер от 7208333 до 0A721307
Рычаг переключения передач и выпускная пластина 2-Х ТАКТНОГО ПЛМ MERCURY 60 Серийный номер от 7208333 до 0A721307
Силовая отделка 2-Х ТАКТНОГО ПЛМ MERCURY 60 Серийный номер от 7208333 до 0A721307
Стартер в сборе (BOSCH) 2-Х ТАКТНОГО ПЛМ MERCURY 60 Серийный номер от 7208333 до 0A721307
Стартер в сборе (PRESTOLITE) 2-Х ТАКТНОГО ПЛМ MERCURY 60 Серийный номер от 7208333 до 0A721307
Стартер, соленоид стартера, выпрямитель тока 2-Х ТАКТНОГО ПЛМ MERCURY 60 Серийный номер от 7208333 до 0A721307
Топливный насос, топливный фильтр и топливные линии 2-Х ТАКТНОГО ПЛМ MERCURY 60 Серийный номер от 7208333 до 0A721307
Цилиндры и гидравлические шланги 2-Х ТАКТНОГО ПЛМ MERCURY 60 Серийный номер от 7208333 до 0A721307
Запчасти для 2-х тактного ПЛМ MERCURY 60 Серийный номер от 9385911 до 9469199
Авто-смесь 2-Х ТАКТНОГО ПЛМ MERCURY 60 Серийный номер от 9385911 до 9469199
Аксессуары 2-Х ТАКТНОГО ПЛМ MERCURY 60 Серийный номер от 9385911 до 9469199
Блок цилиндров и картер в сборе 2-Х ТАКТНОГО ПЛМ MERCURY 60 Серийный номер от 9385911 до 9469199
Винты (правого вращения) 2-Х ТАКТНОГО ПЛМ MERCURY 60 Серийный номер от 9385911 до 9469199
Выхлопной коллектор и крышки 2-Х ТАКТНОГО ПЛМ MERCURY 60 Серийный номер от 9385911 до 9469199
Гидравлический насос в сборе (пластиковый резервуар) 2-Х ТАКТНОГО ПЛМ MERCURY 60 Серийный номер от 9385911 до 9469199
Зажимной кронштейн в сборе 2-Х ТАКТНОГО ПЛМ MERCURY 60 Серийный номер от 9385911 до 9469199
Капот и передняя крышка 2-Х ТАКТНОГО ПЛМ MERCURY 60 Серийный номер от 9385911 до 9469199
Карбюратор в сборе 2-Х ТАКТНОГО ПЛМ MERCURY 60 Серийный номер от 9385911 до 9469199
Карбюратор и дроссель 2-Х ТАКТНОГО ПЛМ MERCURY 60 Серийный номер от 9385911 до 9469199
Коленчатый вал, поршни и шатуны 2-Х ТАКТНОГО ПЛМ MERCURY 60 Серийный номер от 9385911 до 9469199
Комплект для ремонта цилиндра 2-Х ТАКТНОГО ПЛМ MERCURY 60 Серийный номер от 9385911 до 9469199
Корпус ведущего вала в сборе 2-Х ТАКТНОГО ПЛМ MERCURY 60 Серийный номер от 9385911 до 9469199
Корпус шестерни (карданный вал) 2-Х ТАКТНОГО ПЛМ MERCURY 60 Серийный номер от 9385911 до 9469199
Корпус шестерни (приводной вал) 2-Х ТАКТНОГО ПЛМ MERCURY 60 Серийный номер от 9385911 до 9469199
Маховик, распределительная коробка, катушка зажимная и статор 2-Х ТАКТНОГО ПЛМ MERCURY 60 Серийный номер от 9385911 до 9469199
Опорные кронштейны капота 2-Х ТАКТНОГО ПЛМ MERCURY 60 Серийный номер от 9385911 до 9469199
Поворотный кронштейн и блокировка обратного вращения 2-Х ТАКТНОГО ПЛМ MERCURY 60 Серийный номер от 9385911 до 9469199
Рычаг дроссельной заслонки и зажигание 2-Х ТАКТНОГО ПЛМ MERCURY 60 Серийный номер от 9385911 до 9469199
Рычаг переключения передач и выпускная пластина 2-Х ТАКТНОГО ПЛМ MERCURY 60 Серийный номер от 9385911 до 9469199
Силовая отделка 2-Х ТАКТНОГО ПЛМ MERCURY 60 Серийный номер от 9385911 до 9469199
Стартер в сборе (BOSCH) 2-Х ТАКТНОГО ПЛМ MERCURY 60 Серийный номер от 9385911 до 9469199
Стартер в сборе (PRESTOLITE) 2-Х ТАКТНОГО ПЛМ MERCURY 60 Серийный номер от 9385911 до 9469199
Стартер, соленоид стартера, выпрямитель тока 2-Х ТАКТНОГО ПЛМ MERCURY 60 Серийный номер от 9385911 до 9469199
Топливный насос, топливный фильтр и топливные линии 2-Х ТАКТНОГО ПЛМ MERCURY 60 Серийный номер от 9385911 до 9469199
Цилиндры и гидравлические шланги 2-Х ТАКТНОГО ПЛМ MERCURY 60 Серийный номер от 9385911 до 9469199
Запчасти для 2-х тактного ПЛМ MERCURY 60 Серийный номер от 9469200 до 9683054
Manual Tilt Components 2-Х ТАКТНОГО ПЛМ MERCURY 60 Серийный номер от 9469200 до 9683054
Авто-смесь 2-Х ТАКТНОГО ПЛМ MERCURY 60 Серийный номер от 9469200 до 9683054
Блок цилиндров 2-Х ТАКТНОГО ПЛМ MERCURY 60 Серийный номер от 9469200 до 9683054
Выхлопная труба 2-Х ТАКТНОГО ПЛМ MERCURY 60 Серийный номер от 9469200 до 9683054
Выхлопной коллектор и крышки 2-Х ТАКТНОГО ПЛМ MERCURY 60 Серийный номер от 9469200 до 9683054
Дроссельная тяга 2-Х ТАКТНОГО ПЛМ MERCURY 60 Серийный номер от 9469200 до 9683054
Зажимной кронштейн (короткий) (длинный-0C160935 и ниже) (60EL NOI) (NPT) 2-Х ТАКТНОГО ПЛМ MERCURY 60 Серийный номер от 9469200 до 9683054
Капот и передняя крышка 2-Х ТАКТНОГО ПЛМ MERCURY 60 Серийный номер от 9469200 до 9683054
Карбюратор 2-Х ТАКТНОГО ПЛМ MERCURY 60 Серийный номер от 9469200 до 9683054
Карбюратор и дроссель 2-Х ТАКТНОГО ПЛМ MERCURY 60 Серийный номер от 9469200 до 9683054
Коленвал, поршни и шатуны 2-Х ТАКТНОГО ПЛМ MERCURY 60 Серийный номер от 9469200 до 9683054
Компоненты силовой отделки(S/N-0C160935 и ниже) 2-Х ТАКТНОГО ПЛМ MERCURY 60 Серийный номер от 9469200 до 9683054
Компоненты электрической отделки (длинные-S/N-0C160936 и выше) 2-Х ТАКТНОГО ПЛМ MERCURY 60 Серийный номер от 9469200 до 9683054
Корпус карданного вала (длинный-0C160936 & выше) (60EL NOI) (NPT) 2-Х ТАКТНОГО ПЛМ MERCURY 60 Серийный номер от 9469200 до 9683054
Корпус карданного вала (короткий)(длинный S / N-0C160935 и ниже) 2-Х ТАКТНОГО ПЛМ MERCURY 60 Серийный номер от 9469200 до 9683054
Корпус редуктора (карданный вал) 2-Х ТАКТНОГО ПЛМ MERCURY 60 Серийный номер от 9469200 до 9683054
Корпус редуктора (приводной вал) 2-Х ТАКТНОГО ПЛМ MERCURY 60 Серийный номер от 9469200 до 9683054
Кронштейн транца (силовая отделка)(S/N-0C160935 и ниже) 2-Х ТАКТНОГО ПЛМ MERCURY 60 Серийный номер от 9469200 до 9683054
Кронштейн транца(длинный вал S/N-0C160936 и выше) 2-Х ТАКТНОГО ПЛМ MERCURY 60 Серийный номер от 9469200 до 9683054
Маховик, распределительная коробка, катушка зажигания и статор 2-Х ТАКТНОГО ПЛМ MERCURY 60 Серийный номер от 9469200 до 9683054
Насос отсечки мощности (прямоугольный двигатель Eaton) 2-Х ТАКТНОГО ПЛМ MERCURY 60 Серийный номер от 9469200 до 9683054
Опорные кронштейны капота 2-Х ТАКТНОГО ПЛМ MERCURY 60 Серийный номер от 9469200 до 9683054
Поворотный кронштейн (длинный вал-S/N-0C160936 и выше) 2-Х ТАКТНОГО ПЛМ MERCURY 60 Серийный номер от 9469200 до 9683054
Поворотный кронштейн (короткий) (длинный-0C160935 и ниже) (60EL NOI) (NPT) 2-Х ТАКТНОГО ПЛМ MERCURY 60 Серийный номер от 9469200 до 9683054
Поворотный кронштейн (силовая отделка)(S / N-0C160935 & ниже) 2-Х ТАКТНОГО ПЛМ MERCURY 60 Серийный номер от 9469200 до 9683054
Стартер 2-Х ТАКТНОГО ПЛМ MERCURY 60 Серийный номер от 9469200 до 9683054
Стартер, соленоид и выпрямитель 2-Х ТАКТНОГО ПЛМ MERCURY 60 Серийный номер от 9469200 до 9683054
Топливный насос 2-Х ТАКТНОГО ПЛМ MERCURY 60 Серийный номер от 9469200 до 9683054
Запчасти для 2-х тактного ПЛМ MERCURY 60 Серийный номер от 9683055 до 9885344
Аксессуары 2-Х ТАКТНОГО ПЛМ MERCURY 60 Серийный номер от 9683055 до 9885344
Блок цилиндров и картер 2-Х ТАКТНОГО ПЛМ MERCURY 60 Серийный номер от 9683055 до 9885344
Впускной коллектор и резонатор 2-Х ТАКТНОГО ПЛМ MERCURY 60 Серийный номер от 9683055 до 9885344
Выхлопная труба 2-Х ТАКТНОГО ПЛМ MERCURY 60 Серийный номер от 9683055 до 9885344
Дроссель и рычаг 2-Х ТАКТНОГО ПЛМ MERCURY 60 Серийный номер от 9683055 до 9885344
Зажимной кронштейн (55) (S/N: 0D181999 и ниже) 2-Х ТАКТНОГО ПЛМ MERCURY 60 Серийный номер от 9683055 до 9885344
Зажимной кронштейн (ручной) (S/N: 0D1812000 и выше) 2-Х ТАКТНОГО ПЛМ MERCURY 60 Серийный номер от 9683055 до 9885344
Капот 2-Х ТАКТНОГО ПЛМ MERCURY 60 Серийный номер от 9683055 до 9885344
Карбюратор (WME-22/22B/23/24/35) 2-Х ТАКТНОГО ПЛМ MERCURY 60 Серийный номер от 9683055 до 9885344
Карбюратор (WME-26/27/28/28/43/44/45) 2-Х ТАКТНОГО ПЛМ MERCURY 60 Серийный номер от 9683055 до 9885344
Коленчатый вал, поршни и шатуны 2-Х ТАКТНОГО ПЛМ MERCURY 60 Серийный номер от 9683055 до 9885344
Компоненты двигателя 2-Х ТАКТНОГО ПЛМ MERCURY 60 Серийный номер от 9683055 до 9885344
Компоненты для закачки масла 2-Х ТАКТНОГО ПЛМ MERCURY 60 Серийный номер от 9683055 до 9885344
Компоненты расширения 2-Х ТАКТНОГО ПЛМ MERCURY 60 Серийный номер от 9683055 до 9885344
Компоненты силовой отделки(S/N: 0D181999 и ниже) 2-Х ТАКТНОГО ПЛМ MERCURY 60 Серийный номер от 9683055 до 9885344
Компоненты силовой отделки(S/N: 0D182000 и выше) 2-Х ТАКТНОГО ПЛМ MERCURY 60 Серийный номер от 9683055 до 9885344
Корпус ведущего вала 2-Х ТАКТНОГО ПЛМ MERCURY 60 Серийный номер от 9683055 до 9885344
Корпус коробки передач (DR/ SHAFT)(BIGFOOT)(SEAPRO/MARATHON/PONTOON) 2-Х ТАКТНОГО ПЛМ MERCURY 60 Серийный номер от 9683055 до 9885344
Корпус коробки передач (PROP SHAFT)(BIGFOOT)(SEAPRO/MARATHON/PONTOON) 2-Х ТАКТНОГО ПЛМ MERCURY 60 Серийный номер от 9683055 до 9885344
Корпус редуктора (карданный вал) 2-Х ТАКТНОГО ПЛМ MERCURY 60 Серийный номер от 9683055 до 9885344
Корпус редуктора (приводной вал) 2-Х ТАКТНОГО ПЛМ MERCURY 60 Серийный номер от 9683055 до 9885344
Кронштейн транца (50/60)(S/N: 0D182000 и выше) 2-Х ТАКТНОГО ПЛМ MERCURY 60 Серийный номер от 9683055 до 9885344
Кронштейн транца(50/60)(S/N: 0D181999 и ниже) 2-Х ТАКТНОГО ПЛМ MERCURY 60 Серийный номер от 9683055 до 9885344
Маховик (55) 2-Х ТАКТНОГО ПЛМ MERCURY 60 Серийный номер от 9683055 до 9885344
Маховик и стартер (50/60) 2-Х ТАКТНОГО ПЛМ MERCURY 60 Серийный номер от 9683055 до 9885344
Пластина аттенюатора 2-Х ТАКТНОГО ПЛМ MERCURY 60 Серийный номер от 9683055 до 9885344
Поворотный кронштейн (S/N: 0D181999 и ниже) 2-Х ТАКТНОГО ПЛМ MERCURY 60 Серийный номер от 9683055 до 9885344
Поворотный кронштейн (S/N: 0D182000 и выше) 2-Х ТАКТНОГО ПЛМ MERCURY 60 Серийный номер от 9683055 до 9885344
Ручки руля комплект (Часть 1) 2-Х ТАКТНОГО ПЛМ MERCURY 60 Серийный номер от 9683055 до 9885344
Ручки руля комплект (Часть 2) 2-Х ТАКТНОГО ПЛМ MERCURY 60 Серийный номер от 9683055 до 9885344
Ручные компоненты наклона 2-Х ТАКТНОГО ПЛМ MERCURY 60 Серийный номер от 9683055 до 9885344
Стартер в сборе (ручной)(55) 2-Х ТАКТНОГО ПЛМ MERCURY 60 Серийный номер от 9683055 до 9885344
Стартер в сборе 2-Х ТАКТНОГО ПЛМ MERCURY 60 Серийный номер от 9683055 до 9885344
Струйный насос в сборе 2-Х ТАКТНОГО ПЛМ MERCURY 60 Серийный номер от 9683055 до 9885344
Топливный насос (белый или красный) 2-Х ТАКТНОГО ПЛМ MERCURY 60 Серийный номер от 9683055 до 9885344
Топливный насос (черный) 2-Х ТАКТНОГО ПЛМ MERCURY 60 Серийный номер от 9683055 до 9885344
Топливный насос 2-Х ТАКТНОГО ПЛМ MERCURY 60 Серийный номер от 9683055 до 9885344
Электрические компоненты (50/60) 2-Х ТАКТНОГО ПЛМ MERCURY 60 Серийный номер от 9683055 до 9885344
Электрические компоненты (55) 2-Х ТАКТНОГО ПЛМ MERCURY 60 Серийный номер от 9683055 до 9885344
Запчасти для 2-х тактного ПЛМ MERCURY 60 Серийный номер от 9885345 до 9973099
Аксессуары 2-Х ТАКТНОГО ПЛМ MERCURY 60 Серийный номер от 9885345 до 9973099
Блок цилиндров и картер 2-Х ТАКТНОГО ПЛМ MERCURY 60 Серийный номер от 9885345 до 9973099
Впускной коллектор и резонатор 2-Х ТАКТНОГО ПЛМ MERCURY 60 Серийный номер от 9885345 до 9973099
Выхлопная труба 2-Х ТАКТНОГО ПЛМ MERCURY 60 Серийный номер от 9885345 до 9973099
Дроссель и рычаг 2-Х ТАКТНОГО ПЛМ MERCURY 60 Серийный номер от 9885345 до 9973099
Зажимной кронштейн (ручной) 2-Х ТАКТНОГО ПЛМ MERCURY 60 Серийный номер от 9885345 до 9973099
Капот 2-Х ТАКТНОГО ПЛМ MERCURY 60 Серийный номер от 9885345 до 9973099
Карбюратор 2-Х ТАКТНОГО ПЛМ MERCURY 60 Серийный номер от 9885345 до 9973099
Коленчатый вал, поршни и шатуны 2-Х ТАКТНОГО ПЛМ MERCURY 60 Серийный номер от 9885345 до 9973099
Комплект ручного адаптера (JET 45) 2-Х ТАКТНОГО ПЛМ MERCURY 60 Серийный номер от 9885345 до 9973099
Компоненты двигателя 2-Х ТАКТНОГО ПЛМ MERCURY 60 Серийный номер от 9885345 до 9973099
Компоненты для закачки масла 2-Х ТАКТНОГО ПЛМ MERCURY 60 Серийный номер от 9885345 до 9973099
Компоненты расширения 2-Х ТАКТНОГО ПЛМ MERCURY 60 Серийный номер от 9885345 до 9973099
Компоненты силовой отделки (S/# 0G357070 и ниже) (BLACK FILL) 2-Х ТАКТНОГО ПЛМ MERCURY 60 Серийный номер от 9885345 до 9973099
Компоненты силовой отделки (S/N 0G357070 и выше)(YELLOW FILL PLUG) 2-Х ТАКТНОГО ПЛМ MERCURY 60 Серийный номер от 9885345 до 9973099
Коробка передач(карданный вал)(60 SEA/MARA/BIG FOOT,3 JAW REV. CLUTCH 2-Х ТАКТНОГО ПЛМ MERCURY 60 Серийный номер от 9885345 до 9973099
Коробка передач(приводной вал)(60 SEA/MARA/BIG FOOT,3 JAW REV. CLUTCH 1 2-Х ТАКТНОГО ПЛМ MERCURY 60 Серийный номер от 9885345 до 9973099
Коробка передач(приводной вал)(60 SEA/MARA/BIG FOOT,3 JAW REV. CLUTCH 2 2-Х ТАКТНОГО ПЛМ MERCURY 60 Серийный номер от 9885345 до 9973099
Коробка передач(приводной вал)(60 SEA/MARA/BIG FOOT,6 JAW REV. CLUTCH 1 2-Х ТАКТНОГО ПЛМ MERCURY 60 Серийный номер от 9885345 до 9973099
Коробка передач(приводной вал)(60 SEA/MARA/BIG FOOT,6 JAW REV. CLUTCH 2 2-Х ТАКТНОГО ПЛМ MERCURY 60 Серийный номер от 9885345 до 9973099
Корпус ведущего вала 2-Х ТАКТНОГО ПЛМ MERCURY 60 Серийный номер от 9885345 до 9973099
Корпус редуктора (карданный вал)(50/55/60) 2-Х ТАКТНОГО ПЛМ MERCURY 60 Серийный номер от 9885345 до 9973099
Корпус редуктора (приводной вал)(50/55/60) (Часть 1) 2-Х ТАКТНОГО ПЛМ MERCURY 60 Серийный номер от 9885345 до 9973099
Корпус редуктора (приводной вал)(50/55/60) (Часть 2) 2-Х ТАКТНОГО ПЛМ MERCURY 60 Серийный номер от 9885345 до 9973099
Кронштейн транца (50/60) 2-Х ТАКТНОГО ПЛМ MERCURY 60 Серийный номер от 9885345 до 9973099
Маховик 2-Х ТАКТНОГО ПЛМ MERCURY 60 Серийный номер от 9885345 до 9973099
Маховик и стартер (50/60) 2-Х ТАКТНОГО ПЛМ MERCURY 60 Серийный номер от 9885345 до 9973099
Пластина аттенюатора 2-Х ТАКТНОГО ПЛМ MERCURY 60 Серийный номер от 9885345 до 9973099
Поворотный кронштейн 2-Х ТАКТНОГО ПЛМ MERCURY 60 Серийный номер от 9885345 до 9973099
Рулевое управление 2-Х ТАКТНОГО ПЛМ MERCURY 60 Серийный номер от 9885345 до 9973099
Ручки руля комплект (Часть 1) 2-Х ТАКТНОГО ПЛМ MERCURY 60 Серийный номер от 9885345 до 9973099
Ручки руля комплект (Часть 2) 2-Х ТАКТНОГО ПЛМ MERCURY 60 Серийный номер от 9885345 до 9973099
Ручки руля комплект (Часть 3) 2-Х ТАКТНОГО ПЛМ MERCURY 60 Серийный номер от 9885345 до 9973099
Ручные компоненты наклона (Дизайн 1) 2-Х ТАКТНОГО ПЛМ MERCURY 60 Серийный номер от 9885345 до 9973099
Ручные компоненты наклона (Дизайн 2) 2-Х ТАКТНОГО ПЛМ MERCURY 60 Серийный номер от 9885345 до 9973099
Стартер в сборе (ручной - 55) 2-Х ТАКТНОГО ПЛМ MERCURY 60 Серийный номер от 9885345 до 9973099
Стартер в сборе 2-Х ТАКТНОГО ПЛМ MERCURY 60 Серийный номер от 9885345 до 9973099
Топливный насос (50/60) 2-Х ТАКТНОГО ПЛМ MERCURY 60 Серийный номер от 9885345 до 9973099
Топливный насос 2-Х ТАКТНОГО ПЛМ MERCURY 60 Серийный номер от 9885345 до 9973099
Топливный насос в сборе 2-Х ТАКТНОГО ПЛМ MERCURY 60 Серийный номер от 9885345 до 9973099
Электрические компоненты (50/60) 2-Х ТАКТНОГО ПЛМ MERCURY 60 Серийный номер от 9885345 до 9973099
Электрические компоненты (55) 2-Х ТАКТНОГО ПЛМ MERCURY 60 Серийный номер от 9885345 до 9973099
Запчасти для 2-х тактного ПЛМ MERCURY 60 Серийный номер от 9973100 до 0P016999
Аксессуары 2-Х ТАКТНОГО ПЛМ MERCURY 60 Серийный номер от 9973100 до 0P016999
Блок цилиндров 2-Х ТАКТНОГО ПЛМ MERCURY 60 Серийный номер от 9973100 до 0P016999
Впускной коллектор и резонатор 2-Х ТАКТНОГО ПЛМ MERCURY 60 Серийный номер от 9973100 до 0P016999
Выхлопная труба 2-Х ТАКТНОГО ПЛМ MERCURY 60 Серийный номер от 9973100 до 0P016999
Зажимной кронштейн (ручной) 2-Х ТАКТНОГО ПЛМ MERCURY 60 Серийный номер от 9973100 до 0P016999
Инструменты 2-Х ТАКТНОГО ПЛМ MERCURY 60 Серийный номер от 9973100 до 0P016999
Капот 2-Х ТАКТНОГО ПЛМ MERCURY 60 Серийный номер от 9973100 до 0P016999
Карбюратор 2-Х ТАКТНОГО ПЛМ MERCURY 60 Серийный номер от 9973100 до 0P016999
Коленчатый вал, поршни и шатуны 2-Х ТАКТНОГО ПЛМ MERCURY 60 Серийный номер от 9973100 до 0P016999
Компоненты двигателя 2-Х ТАКТНОГО ПЛМ MERCURY 60 Серийный номер от 9973100 до 0P016999
Компоненты закачки масла 2-Х ТАКТНОГО ПЛМ MERCURY 60 Серийный номер от 9973100 до 0P016999
Компоненты расширения 2-Х ТАКТНОГО ПЛМ MERCURY 60 Серийный номер от 9973100 до 0P016999
Компоненты ручного наклона 2-Х ТАКТНОГО ПЛМ MERCURY 60 Серийный номер от 9973100 до 0P016999
Компоненты силовой отделки 2-Х ТАКТНОГО ПЛМ MERCURY 60 Серийный номер от 9973100 до 0P016999
Корпус ведущего вала 2-Х ТАКТНОГО ПЛМ MERCURY 60 Серийный номер от 9973100 до 0P016999
Корпус коробки передач, карданный вал - 1.64:1 передаточное число 2-Х ТАКТНОГО ПЛМ MERCURY 60 Серийный номер от 9973100 до 0P016999
Корпус коробки передач, карданный вал - 2.31:1 передаточное число 2-Х ТАКТНОГО ПЛМ MERCURY 60 Серийный номер от 9973100 до 0P016999
Корпус коробки передач, приводной вал 1.64:1 передаточное число 2-Х ТАКТНОГО ПЛМ MERCURY 60 Серийный номер от 9973100 до 0P016999
Корпус коробки передач, приводной вал 2.31:1 передаточное число 2-Х ТАКТНОГО ПЛМ MERCURY 60 Серийный номер от 9973100 до 0P016999
Кронштейн транца (электрический) 2-Х ТАКТНОГО ПЛМ MERCURY 60 Серийный номер от 9973100 до 0P016999
Маховик и статор (ручной) 2-Х ТАКТНОГО ПЛМ MERCURY 60 Серийный номер от 9973100 до 0P016999
Маховик и статор (электрический) 2-Х ТАКТНОГО ПЛМ MERCURY 60 Серийный номер от 9973100 до 0P016999
Пластина аттенюатора 2-Х ТАКТНОГО ПЛМ MERCURY 60 Серийный номер от 9973100 до 0P016999
Поворотный кронштейн 2-Х ТАКТНОГО ПЛМ MERCURY 60 Серийный номер от 9973100 до 0P016999
Рулевое управление 2-Х ТАКТНОГО ПЛМ MERCURY 60 Серийный номер от 9973100 до 0P016999
Ручки руля комплект (Часть 1) 2-Х ТАКТНОГО ПЛМ MERCURY 60 Серийный номер от 9973100 до 0P016999
Ручки руля комплект (Часть 2) 2-Х ТАКТНОГО ПЛМ MERCURY 60 Серийный номер от 9973100 до 0P016999
Рычаг газа и рычажный механизм 2-Х ТАКТНОГО ПЛМ MERCURY 60 Серийный номер от 9973100 до 0P016999
Стартер 2-Х ТАКТНОГО ПЛМ MERCURY 60 Серийный номер от 9973100 до 0P016999
Стартер ручной 2-Х ТАКТНОГО ПЛМ MERCURY 60 Серийный номер от 9973100 до 0P016999
Струйный насос в сборе 2-Х ТАКТНОГО ПЛМ MERCURY 60 Серийный номер от 9973100 до 0P016999
Топливный насос (ручной) 2-Х ТАКТНОГО ПЛМ MERCURY 60 Серийный номер от 9973100 до 0P016999
Топливный насос (электрический) 2-Х ТАКТНОГО ПЛМ MERCURY 60 Серийный номер от 9973100 до 0P016999
Электрические компоненты 2-Х ТАКТНОГО ПЛМ MERCURY 60 Серийный номер от 9973100 до 0P016999
Запчасти для 2-х тактного ПЛМ MERCURY 75 Серийный номер от 0A996142 до 0B240450
Аксессуары 2-Х ТАКТНОГО ПЛМ MERCURY 75 Серийный номер от 0A996142 до 0B240450
Блок цилиндров и картер 2-Х ТАКТНОГО ПЛМ MERCURY 75 Серийный номер от 0A996142 до 0B240450
Впускной коллектор и резонатор 2-Х ТАКТНОГО ПЛМ MERCURY 75 Серийный номер от 0A996142 до 0B240450
Выхлопная труба 2-Х ТАКТНОГО ПЛМ MERCURY 75 Серийный номер от 0A996142 до 0B240450
Дроссель и рычаг 2-Х ТАКТНОГО ПЛМ MERCURY 75 Серийный номер от 0A996142 до 0B240450
Капот и передняя крышка 2-Х ТАКТНОГО ПЛМ MERCURY 75 Серийный номер от 0A996142 до 0B240450
Карбюратор 2-Х ТАКТНОГО ПЛМ MERCURY 75 Серийный номер от 0A996142 до 0B240450
Карбюратор и пластина аттенюатора 2-Х ТАКТНОГО ПЛМ MERCURY 75 Серийный номер от 0A996142 до 0B240450
Коленвал, поршни и шатуны (#638-8532--1) 2-Х ТАКТНОГО ПЛМ MERCURY 75 Серийный номер от 0A996142 до 0B240450
Коленвал, поршни и шатуны (#646-818846) (Часть 1) 2-Х ТАКТНОГО ПЛМ MERCURY 75 Серийный номер от 0A996142 до 0B240450
Коленвал, поршни и шатуны (#646-818846) (Часть 2) 2-Х ТАКТНОГО ПЛМ MERCURY 75 Серийный номер от 0A996142 до 0B240450
Компоненты закачки масла 2-Х ТАКТНОГО ПЛМ MERCURY 75 Серийный номер от 0A996142 до 0B240450
Компоненты ручного управления (Часть 1) 2-Х ТАКТНОГО ПЛМ MERCURY 75 Серийный номер от 0A996142 до 0B240450
Компоненты ручного управления (Часть 2) 2-Х ТАКТНОГО ПЛМ MERCURY 75 Серийный номер от 0A996142 до 0B240450
Компоненты силовой отделки 2-Х ТАКТНОГО ПЛМ MERCURY 75 Серийный номер от 0A996142 до 0B240450
Корпус карданного вала 2-Х ТАКТНОГО ПЛМ MERCURY 75 Серийный номер от 0A996142 до 0B240450
Корпус редуктора (карданный вал) 2-Х ТАКТНОГО ПЛМ MERCURY 75 Серийный номер от 0A996142 до 0B240450
Корпус редуктора (приводной вал) 2-Х ТАКТНОГО ПЛМ MERCURY 75 Серийный номер от 0A996142 до 0B240450
Крепления 2-Х ТАКТНОГО ПЛМ MERCURY 75 Серийный номер от 0A996142 до 0B240450
Кронштейн транца 2-Х ТАКТНОГО ПЛМ MERCURY 75 Серийный номер от 0A996142 до 0B240450
Маховик и стартер 2-Х ТАКТНОГО ПЛМ MERCURY 75 Серийный номер от 0A996142 до 0B240450
Насос регулировки мощности 2-Х ТАКТНОГО ПЛМ MERCURY 75 Серийный номер от 0A996142 до 0B240450
Пластина фиксации поворота мотора 2-Х ТАКТНОГО ПЛМ MERCURY 75 Серийный номер от 0A996142 до 0B240450
Поворотный кронштейн и рулевой рычаг 2-Х ТАКТНОГО ПЛМ MERCURY 75 Серийный номер от 0A996142 до 0B240450
Стартер (BOSCH) 2-Х ТАКТНОГО ПЛМ MERCURY 75 Серийный номер от 0A996142 до 0B240450
Тахометр 2-Х ТАКТНОГО ПЛМ MERCURY 75 Серийный номер от 0A996142 до 0B240450
Топливный насос 2-Х ТАКТНОГО ПЛМ MERCURY 75 Серийный номер от 0A996142 до 0B240450
Электрические компоненты 2-Х ТАКТНОГО ПЛМ MERCURY 75 Серийный номер от 0A996142 до 0B240450
Запчасти для 2-х тактного ПЛМ MERCURY 75 Серийный номер от 0B240451 до 0C221999
Аксессуары 2-Х ТАКТНОГО ПЛМ MERCURY 75 Серийный номер от 0B240451 до 0C221999
Блок цилиндров и картер 2-Х ТАКТНОГО ПЛМ MERCURY 75 Серийный номер от 0B240451 до 0C221999
Впускной коллектор и резонатор 2-Х ТАКТНОГО ПЛМ MERCURY 75 Серийный номер от 0B240451 до 0C221999
Выхлопная труба 2-Х ТАКТНОГО ПЛМ MERCURY 75 Серийный номер от 0B240451 до 0C221999
Дроссель и рычаг 2-Х ТАКТНОГО ПЛМ MERCURY 75 Серийный номер от 0B240451 до 0C221999
Капот и передняя крышка 2-Х ТАКТНОГО ПЛМ MERCURY 75 Серийный номер от 0B240451 до 0C221999
Карбюратор 2-Х ТАКТНОГО ПЛМ MERCURY 75 Серийный номер от 0B240451 до 0C221999
Карбюратор и пластина аттенюатора 2-Х ТАКТНОГО ПЛМ MERCURY 75 Серийный номер от 0B240451 до 0C221999
Коленвал, поршни и шатуны (#638-8532--1) 2-Х ТАКТНОГО ПЛМ MERCURY 75 Серийный номер от 0B240451 до 0C221999
Коленвал, поршни и шатуны (#646-818846) 2-Х ТАКТНОГО ПЛМ MERCURY 75 Серийный номер от 0B240451 до 0C221999
Компоненты закачки масла 2-Х ТАКТНОГО ПЛМ MERCURY 75 Серийный номер от 0B240451 до 0C221999
Компоненты ручного управления (с рулевым рычагом) 2-Х ТАКТНОГО ПЛМ MERCURY 75 Серийный номер от 0B240451 до 0C221999
Компоненты ручного управления 2-Х ТАКТНОГО ПЛМ MERCURY 75 Серийный номер от 0B240451 до 0C221999
Компоненты силовой отделки 2-Х ТАКТНОГО ПЛМ MERCURY 75 Серийный номер от 0B240451 до 0C221999
Корпус карданного вала 2-Х ТАКТНОГО ПЛМ MERCURY 75 Серийный номер от 0B240451 до 0C221999
Корпус редуктора (карданный вал) 2-Х ТАКТНОГО ПЛМ MERCURY 75 Серийный номер от 0B240451 до 0C221999
Корпус редуктора (приводной вал) 2-Х ТАКТНОГО ПЛМ MERCURY 75 Серийный номер от 0B240451 до 0C221999
Крепления 2-Х ТАКТНОГО ПЛМ MERCURY 75 Серийный номер от 0B240451 до 0C221999
Кронштейн транца 2-Х ТАКТНОГО ПЛМ MERCURY 75 Серийный номер от 0B240451 до 0C221999
Маховик и стартер 2-Х ТАКТНОГО ПЛМ MERCURY 75 Серийный номер от 0B240451 до 0C221999
Насос регулировки мощности 2-Х ТАКТНОГО ПЛМ MERCURY 75 Серийный номер от 0B240451 до 0C221999
Пластина фиксации поворота мотора 2-Х ТАКТНОГО ПЛМ MERCURY 75 Серийный номер от 0B240451 до 0C221999
Поворотный кронштейн и рулевой рычаг 2-Х ТАКТНОГО ПЛМ MERCURY 75 Серийный номер от 0B240451 до 0C221999
Стартер (BOSCH) 2-Х ТАКТНОГО ПЛМ MERCURY 75 Серийный номер от 0B240451 до 0C221999
Тахометр 2-Х ТАКТНОГО ПЛМ MERCURY 75 Серийный номер от 0B240451 до 0C221999
Топливный насос 2-Х ТАКТНОГО ПЛМ MERCURY 75 Серийный номер от 0B240451 до 0C221999
Электрические компоненты 2-Х ТАКТНОГО ПЛМ MERCURY 75 Серийный номер от 0B240451 до 0C221999
Запчасти для 2-х тактного ПЛМ MERCURY 75 Серийный номер от 0C222000 до 0D283221
Блок цилиндров и картер 2-Х ТАКТНОГО ПЛМ MERCURY 75 Серийный номер от 0C222000 до 0D283221
Впускной коллектор и резонатор 2-Х ТАКТНОГО ПЛМ MERCURY 75 Серийный номер от 0C222000 до 0D283221
Выхлопная труба 2-Х ТАКТНОГО ПЛМ MERCURY 75 Серийный номер от 0C222000 до 0D283221
Дроссель и рычаг 2-Х ТАКТНОГО ПЛМ MERCURY 75 Серийный номер от 0C222000 до 0D283221
Капот и передняя крышка 2-Х ТАКТНОГО ПЛМ MERCURY 75 Серийный номер от 0C222000 до 0D283221
Карбюратор 2-Х ТАКТНОГО ПЛМ MERCURY 75 Серийный номер от 0C222000 до 0D283221
Коленвал, поршни и шатуны (#638-8532-1) 2-Х ТАКТНОГО ПЛМ MERCURY 75 Серийный номер от 0C222000 до 0D283221
Коленвал, поршни и шатуны (#646-818846) 2-Х ТАКТНОГО ПЛМ MERCURY 75 Серийный номер от 0C222000 до 0D283221
Компоненты закчки масла 2-Х ТАКТНОГО ПЛМ MERCURY 75 Серийный номер от 0C222000 до 0D283221
Компоненты рулевой ручки 2-Х ТАКТНОГО ПЛМ MERCURY 75 Серийный номер от 0C222000 до 0D283221
Компоненты рулевой ручки(с рулевым рычагом) 2-Х ТАКТНОГО ПЛМ MERCURY 75 Серийный номер от 0C222000 до 0D283221
Корпус ведущего вала 2-Х ТАКТНОГО ПЛМ MERCURY 75 Серийный номер от 0C222000 до 0D283221
Корпус шестерни (карданный вал) 2-Х ТАКТНОГО ПЛМ MERCURY 75 Серийный номер от 0C222000 до 0D283221
Корпус шестерни (приводной вал) 2-Х ТАКТНОГО ПЛМ MERCURY 75 Серийный номер от 0C222000 до 0D283221
Крепления 2-Х ТАКТНОГО ПЛМ MERCURY 75 Серийный номер от 0C222000 до 0D283221
Кронштейн транца 2-Х ТАКТНОГО ПЛМ MERCURY 75 Серийный номер от 0C222000 до 0D283221
Маховик и стартер 2-Х ТАКТНОГО ПЛМ MERCURY 75 Серийный номер от 0C222000 до 0D283221
Насос регулировки мощности 2-Х ТАКТНОГО ПЛМ MERCURY 75 Серийный номер от 0C222000 до 0D283221
Пластина аттенюатора 2-Х ТАКТНОГО ПЛМ MERCURY 75 Серийный номер от 0C222000 до 0D283221
Пластина фиксации поворота мотора 2-Х ТАКТНОГО ПЛМ MERCURY 75 Серийный номер от 0C222000 до 0D283221
Поворотный кронштейн и рулевой рычаг (Casting Number 1499-8709C6) 2-Х ТАКТНОГО ПЛМ MERCURY 75 Серийный номер от 0C222000 до 0D283221
Поворотный кронштейн и рулевой рычаг(Casting Number 1499-8709C5) 2-Х ТАКТНОГО ПЛМ MERCURY 75 Серийный номер от 0C222000 до 0D283221
Система наклона двигателя, Single Ram (0D252460 и ниже) 2-Х ТАКТНОГО ПЛМ MERCURY 75 Серийный номер от 0C222000 до 0D283221
Система наклона двигателя, Single Ram (0D252461 и выше) 2-Х ТАКТНОГО ПЛМ MERCURY 75 Серийный номер от 0C222000 до 0D283221
Система наклона двигателя, Three Ram (Design I ) 2-Х ТАКТНОГО ПЛМ MERCURY 75 Серийный номер от 0C222000 до 0D283221
Система наклона двигателя, Three Ram (Design II ) 2-Х ТАКТНОГО ПЛМ MERCURY 75 Серийный номер от 0C222000 до 0D283221
Стартер (Bosch) 2-Х ТАКТНОГО ПЛМ MERCURY 75 Серийный номер от 0C222000 до 0D283221
Тахометр 2-Х ТАКТНОГО ПЛМ MERCURY 75 Серийный номер от 0C222000 до 0D283221
Топливный насос (Use With 90 Degree Ceck Valve) 2-Х ТАКТНОГО ПЛМ MERCURY 75 Серийный номер от 0C222000 до 0D283221
Топливный насос (Use With Inline Check Valve) 2-Х ТАКТНОГО ПЛМ MERCURY 75 Серийный номер от 0C222000 до 0D283221
Электрические компоненты 2-Х ТАКТНОГО ПЛМ MERCURY 75 Серийный номер от 0C222000 до 0D283221
Электродвигатель 2-Х ТАКТНОГО ПЛМ MERCURY 75 Серийный номер от 0C222000 до 0D283221
Запчасти для 2-х тактного ПЛМ MERCURY 75 Серийный номер от 0D283222 до 0G760299
GEAR HOUSING CHART (2.31:1 GEAR RATIO) 2-Х ТАКТНОГО ПЛМ MERCURY 75 Серийный номер от 0D283222 до 0G760299
Manual tilt assist components 2-Х ТАКТНОГО ПЛМ MERCURY 75 Серийный номер от 0D283222 до 0G760299
Аксессуары 2-Х ТАКТНОГО ПЛМ MERCURY 75 Серийный номер от 0D283222 до 0G760299
Блок цилиндров (USA-0G127499/BEL-9836632 и ниже) 2-Х ТАКТНОГО ПЛМ MERCURY 75 Серийный номер от 0D283222 до 0G760299
Блок цилиндров (USA-S/N-0G127500/BEL-9836633 и выше) 2-Х ТАКТНОГО ПЛМ MERCURY 75 Серийный номер от 0D283222 до 0G760299
Верх капота (S/N-USA-0G301750/BEL-9885504 и ниже) 2-Х ТАКТНОГО ПЛМ MERCURY 75 Серийный номер от 0D283222 до 0G760299
Верх капота (S/N-USA-0G301751/BEL-9885505 и выше) 2-Х ТАКТНОГО ПЛМ MERCURY 75 Серийный номер от 0D283222 до 0G760299
Впрыск масла (S/N-USA-0G301750/BEL-9885504 и ниже) 2-Х ТАКТНОГО ПЛМ MERCURY 75 Серийный номер от 0D283222 до 0G760299
Впрыск масла (S/N-USA-0G301751/BEL-9885505 и выше) 2-Х ТАКТНОГО ПЛМ MERCURY 75 Серийный номер от 0D283222 до 0G760299
Впускной коллектор и резонатор 2-Х ТАКТНОГО ПЛМ MERCURY 75 Серийный номер от 0D283222 до 0G760299
Выхлопная труба 2-Х ТАКТНОГО ПЛМ MERCURY 75 Серийный номер от 0D283222 до 0G760299
Гидроподъем (BLACK FILL PLUG)S/N-USA-0G360002/BEL-9934136 и ниже 2-Х ТАКТНОГО ПЛМ MERCURY 75 Серийный номер от 0D283222 до 0G760299
Гидроподъем (YELLOW FILL PLUG)S/N-USA-0G360003/BEL-9934137 и выше 2-Х ТАКТНОГО ПЛМ MERCURY 75 Серийный номер от 0D283222 до 0G760299
Дроссель и рычаг 2-Х ТАКТНОГО ПЛМ MERCURY 75 Серийный номер от 0D283222 до 0G760299
Инструменты 2-Х ТАКТНОГО ПЛМ MERCURY 75 Серийный номер от 0D283222 до 0G760299
Карбюратор (WME-29/30/31/41/46/47/48/49) 2-Х ТАКТНОГО ПЛМ MERCURY 75 Серийный номер от 0D283222 до 0G760299
Карбюратор (WME-59/60/61/62/75/76/77/78) 2-Х ТАКТНОГО ПЛМ MERCURY 75 Серийный номер от 0D283222 до 0G760299
Ключи 2-Х ТАКТНОГО ПЛМ MERCURY 75 Серийный номер от 0D283222 до 0G760299
Коленвал, поршни и шатуны 2-Х ТАКТНОГО ПЛМ MERCURY 75 Серийный номер от 0D283222 до 0G760299
Компоненты ручного управления (Часть 1) 2-Х ТАКТНОГО ПЛМ MERCURY 75 Серийный номер от 0D283222 до 0G760299
Компоненты ручного управления (Часть 2) 2-Х ТАКТНОГО ПЛМ MERCURY 75 Серийный номер от 0D283222 до 0G760299
Компоненты топливного насоса 2-Х ТАКТНОГО ПЛМ MERCURY 75 Серийный номер от 0D283222 до 0G760299
Корпус карданного вала 2-Х ТАКТНОГО ПЛМ MERCURY 75 Серийный номер от 0D283222 до 0G760299
Корпус шестерни (карданный вал)(3 JAW REVERSE CLUTCH) 2-Х ТАКТНОГО ПЛМ MERCURY 75 Серийный номер от 0D283222 до 0G760299
Корпус шестерни (карданный вал)(6 JAW REVERSE CLUTCH) 2-Х ТАКТНОГО ПЛМ MERCURY 75 Серийный номер от 0D283222 до 0G760299
Корпус шестерни (приводной вал)(3 JAW REVERSE CLUTCH) 2-Х ТАКТНОГО ПЛМ MERCURY 75 Серийный номер от 0D283222 до 0G760299
Корпус шестерни (приводной вал)(6 JAW REVERSE CLUTCH) 2-Х ТАКТНОГО ПЛМ MERCURY 75 Серийный номер от 0D283222 до 0G760299
Кронштейн транца (MANUAL TILT ASSIST) 2-Х ТАКТНОГО ПЛМ MERCURY 75 Серийный номер от 0D283222 до 0G760299
Кронштейн транца (NON POWER TRIM & POWER TRIM) 2-Х ТАКТНОГО ПЛМ MERCURY 75 Серийный номер от 0D283222 до 0G760299
Маховик и стартер (USA-0G437999/BEL-9926999 и ниже) 2-Х ТАКТНОГО ПЛМ MERCURY 75 Серийный номер от 0D283222 до 0G760299
Маховик и стартер (USA-0G438000/BEL-9927000 и выше) 2-Х ТАКТНОГО ПЛМ MERCURY 75 Серийный номер от 0D283222 до 0G760299
Низ капота 2-Х ТАКТНОГО ПЛМ MERCURY 75 Серийный номер от 0D283222 до 0G760299
Пластина аттенюатора 2-Х ТАКТНОГО ПЛМ MERCURY 75 Серийный номер от 0D283222 до 0G760299
Пластина фиксации поворота 2-Х ТАКТНОГО ПЛМ MERCURY 75 Серийный номер от 0D283222 до 0G760299
Поворотный кронштейн и рулевой рычаг 2-Х ТАКТНОГО ПЛМ MERCURY 75 Серийный номер от 0D283222 до 0G760299
Румпель 2-Х ТАКТНОГО ПЛМ MERCURY 75 Серийный номер от 0D283222 до 0G760299
Система прокачки (USA-0G127500/BEL-9836633 и выше) 2-Х ТАКТНОГО ПЛМ MERCURY 75 Серийный номер от 0D283222 до 0G760299
Стартер 2-Х ТАКТНОГО ПЛМ MERCURY 75 Серийный номер от 0D283222 до 0G760299
Стартер в сборе (ручной) 2-Х ТАКТНОГО ПЛМ MERCURY 75 Серийный номер от 0D283222 до 0G760299
Топливный насос 2-Х ТАКТНОГО ПЛМ MERCURY 75 Серийный номер от 0D283222 до 0G760299
Топливный насос в сборе 2-Х ТАКТНОГО ПЛМ MERCURY 75 Серийный номер от 0D283222 до 0G760299
Электрика (USA-0G127499/BEL-9836632 и ниже) 2-Х ТАКТНОГО ПЛМ MERCURY 75 Серийный номер от 0D283222 до 0G760299
Электрика (USA-0G127500 - 0G437999)(BEL-9836633 - 9926999) 2-Х ТАКТНОГО ПЛМ MERCURY 75 Серийный номер от 0D283222 до 0G760299
Электрика (USA-S/N-0G438000/BEL-9937000 и выше) 2-Х ТАКТНОГО ПЛМ MERCURY 75 Серийный номер от 0D283222 до 0G760299
Запчасти для 2-х тактного ПЛМ MERCURY 75 Серийный номер от 0G760300 до 0T979999
Manual Tilt Assist Componets 2-Х ТАКТНОГО ПЛМ MERCURY 75 Серийный номер от 0G760300 до 0T979999
Аксессуары 2-Х ТАКТНОГО ПЛМ MERCURY 75 Серийный номер от 0G760300 до 0T979999
Блок цилиндров 2-Х ТАКТНОГО ПЛМ MERCURY 75 Серийный номер от 0G760300 до 0T979999
Верх капота 2-Х ТАКТНОГО ПЛМ MERCURY 75 Серийный номер от 0G760300 до 0T979999
Впускной коллектор и резонатор 2-Х ТАКТНОГО ПЛМ MERCURY 75 Серийный номер от 0G760300 до 0T979999
Выхлопная труба(SN USA-0T800999/ BEL-0P267999 и ниже) 2-Х ТАКТНОГО ПЛМ MERCURY 75 Серийный номер от 0G760300 до 0T979999
Выхлопная труба(SN USA-0T801000/ BEL-0P268000 и выше) 2-Х ТАКТНОГО ПЛМ MERCURY 75 Серийный номер от 0G760300 до 0T979999
Дроссель и рычаг 2-Х ТАКТНОГО ПЛМ MERCURY 75 Серийный номер от 0G760300 до 0T979999
Инструменты 2-Х ТАКТНОГО ПЛМ MERCURY 75 Серийный номер от 0G760300 до 0T979999
Карбюратор 2-Х ТАКТНОГО ПЛМ MERCURY 75 Серийный номер от 0G760300 до 0T979999
Ключи 2-Х ТАКТНОГО ПЛМ MERCURY 75 Серийный номер от 0G760300 до 0T979999
Коленвал, поршни и шатуны 2-Х ТАКТНОГО ПЛМ MERCURY 75 Серийный номер от 0G760300 до 0T979999
Компоненты закачки масла 2-Х ТАКТНОГО ПЛМ MERCURY 75 Серийный номер от 0G760300 до 0T979999
Компоненты комплекта прокладок, капитального ремонта 2-Х ТАКТНОГО ПЛМ MERCURY 75 Серийный номер от 0G760300 до 0T979999
Компоненты насоса топлива 2-Х ТАКТНОГО ПЛМ MERCURY 75 Серийный номер от 0G760300 до 0T979999
Компоненты ручного управления 2-Х ТАКТНОГО ПЛМ MERCURY 75 Серийный номер от 0G760300 до 0T979999
Компоненты силовой отделки 2-Х ТАКТНОГО ПЛМ MERCURY 75 Серийный номер от 0G760300 до 0T979999
Корпус ведущего вала(USA 0T801000/ BEL 0P268000 и выше) 2-Х ТАКТНОГО ПЛМ MERCURY 75 Серийный номер от 0G760300 до 0T979999
Корпус ведущего вала(USA-0T800999/BEL-0P267999 и ниже) 2-Х ТАКТНОГО ПЛМ MERCURY 75 Серийный номер от 0G760300 до 0T979999
Корпус шестерни, Drive 2.31:1 USA 0T627235/BEL 0P215669 и выше 2-Х ТАКТНОГО ПЛМ MERCURY 75 Серийный номер от 0G760300 до 0T979999
Корпус шестерни, Drive 2.31:1 USA0T627234/BEL0P215631 и ниже 2-Х ТАКТНОГО ПЛМ MERCURY 75 Серийный номер от 0G760300 до 0T979999
Корпус шестерни, Prop 2.31:1 USA 0T627235/BEL 0P215669 и выше 2-Х ТАКТНОГО ПЛМ MERCURY 75 Серийный номер от 0G760300 до 0T979999
Корпус шестерни, Prop 2.31:1 USA0T627234/BEL0P215631 и ниже 2-Х ТАКТНОГО ПЛМ MERCURY 75 Серийный номер от 0G760300 до 0T979999
Кронштейн транца(SN- USA 0T800999/ BEL 0P267999 и ниже) 2-Х ТАКТНОГО ПЛМ MERCURY 75 Серийный номер от 0G760300 до 0T979999
Кронштейн транца(SN- USA 0T801000/ BEL 0P268000 и выше) 2-Х ТАКТНОГО ПЛМ MERCURY 75 Серийный номер от 0G760300 до 0T979999
Маховик и стартер 2-Х ТАКТНОГО ПЛМ MERCURY 75 Серийный номер от 0G760300 до 0T979999
Низ капота 2-Х ТАКТНОГО ПЛМ MERCURY 75 Серийный номер от 0G760300 до 0T979999
Пластина аттенюатора 2-Х ТАКТНОГО ПЛМ MERCURY 75 Серийный номер от 0G760300 до 0T979999
Пластина фиксации поворота мотора 2-Х ТАКТНОГО ПЛМ MERCURY 75 Серийный номер от 0G760300 до 0T979999
Поворотный кронштейн и рулевой рычаг 2-Х ТАКТНОГО ПЛМ MERCURY 75 Серийный номер от 0G760300 до 0T979999
Рукоятка рулевого управления 2-Х ТАКТНОГО ПЛМ MERCURY 75 Серийный номер от 0G760300 до 0T979999
Румпель 2-Х ТАКТНОГО ПЛМ MERCURY 75 Серийный номер от 0G760300 до 0T979999
Система прокачки 2-Х ТАКТНОГО ПЛМ MERCURY 75 Серийный номер от 0G760300 до 0T979999
Стартер 2-Х ТАКТНОГО ПЛМ MERCURY 75 Серийный номер от 0G760300 до 0T979999
Стартер в сборе (ручной) 2-Х ТАКТНОГО ПЛМ MERCURY 75 Серийный номер от 0G760300 до 0T979999
Топливный насос 2-Х ТАКТНОГО ПЛМ MERCURY 75 Серийный номер от 0G760300 до 0T979999
Топливный насос в сборе 2-Х ТАКТНОГО ПЛМ MERCURY 75 Серийный номер от 0G760300 до 0T979999
Электрические компоненты 2-Х ТАКТНОГО ПЛМ MERCURY 75 Серийный номер от 0G760300 до 0T979999
Запчасти для 2-х тактного ПЛМ MERCURY 75 Серийный номер от 0P017000 до 0P325499
Manual Tilt Assist Componets 2-Х ТАКТНОГО ПЛМ MERCURY 75 Серийный номер от 0P017000 до 0P325499
Аксессуары 2-Х ТАКТНОГО ПЛМ MERCURY 75 Серийный номер от 0P017000 до 0P325499
Блок цилиндров 2-Х ТАКТНОГО ПЛМ MERCURY 75 Серийный номер от 0P017000 до 0P325499
Верх капота 2-Х ТАКТНОГО ПЛМ MERCURY 75 Серийный номер от 0P017000 до 0P325499
Впускной коллектор и резонатор 2-Х ТАКТНОГО ПЛМ MERCURY 75 Серийный номер от 0P017000 до 0P325499
Выхлопная труба(SN USA-0T800999/ BEL-0P267999 и ниже) 2-Х ТАКТНОГО ПЛМ MERCURY 75 Серийный номер от 0P017000 до 0P325499
Выхлопная труба(SN USA-0T801000/ BEL-0P268000 и выше) 2-Х ТАКТНОГО ПЛМ MERCURY 75 Серийный номер от 0P017000 до 0P325499
Дроссель и рычаг 2-Х ТАКТНОГО ПЛМ MERCURY 75 Серийный номер от 0P017000 до 0P325499
Инструменты 2-Х ТАКТНОГО ПЛМ MERCURY 75 Серийный номер от 0P017000 до 0P325499
Карбюратор 2-Х ТАКТНОГО ПЛМ MERCURY 75 Серийный номер от 0P017000 до 0P325499
Ключи 2-Х ТАКТНОГО ПЛМ MERCURY 75 Серийный номер от 0P017000 до 0P325499
Коленвал, поршни и шатуны 2-Х ТАКТНОГО ПЛМ MERCURY 75 Серийный номер от 0P017000 до 0P325499
Компоненты закачки масла 2-Х ТАКТНОГО ПЛМ MERCURY 75 Серийный номер от 0P017000 до 0P325499
Компоненты комплекта прокладок, капитального ремонта 2-Х ТАКТНОГО ПЛМ MERCURY 75 Серийный номер от 0P017000 до 0P325499
Компоненты насоса топлива 2-Х ТАКТНОГО ПЛМ MERCURY 75 Серийный номер от 0P017000 до 0P325499
Компоненты ручного управления 2-Х ТАКТНОГО ПЛМ MERCURY 75 Серийный номер от 0P017000 до 0P325499
Компоненты силовой отделки 2-Х ТАКТНОГО ПЛМ MERCURY 75 Серийный номер от 0P017000 до 0P325499
Корпус ведущего вала(USA 0T801000/ BEL 0P268000 и выше) 2-Х ТАКТНОГО ПЛМ MERCURY 75 Серийный номер от 0P017000 до 0P325499
Корпус ведущего вала(USA-0T800999/BEL-0P267999 и ниже) 2-Х ТАКТНОГО ПЛМ MERCURY 75 Серийный номер от 0P017000 до 0P325499
Корпус шестерни, Drive 2.31:1 USA 0T627235/BEL 0P215669 и выше 2-Х ТАКТНОГО ПЛМ MERCURY 75 Серийный номер от 0P017000 до 0P325499
Корпус шестерни, Drive 2.31:1 USA0T627234/BEL0P215631 и ниже 2-Х ТАКТНОГО ПЛМ MERCURY 75 Серийный номер от 0P017000 до 0P325499
Корпус шестерни, Prop 2.31:1 USA 0T627235/BEL 0P215669 и выше 2-Х ТАКТНОГО ПЛМ MERCURY 75 Серийный номер от 0P017000 до 0P325499
Корпус шестерни, Prop 2.31:1 USA0T627234/BEL0P215631 и ниже 2-Х ТАКТНОГО ПЛМ MERCURY 75 Серийный номер от 0P017000 до 0P325499
Кронштейн транца(SN- USA 0T800999/ BEL 0P267999 и ниже) 2-Х ТАКТНОГО ПЛМ MERCURY 75 Серийный номер от 0P017000 до 0P325499
Кронштейн транца(SN- USA 0T801000/ BEL 0P268000 и выше) 2-Х ТАКТНОГО ПЛМ MERCURY 75 Серийный номер от 0P017000 до 0P325499
Маховик и стартер 2-Х ТАКТНОГО ПЛМ MERCURY 75 Серийный номер от 0P017000 до 0P325499
Низ капота 2-Х ТАКТНОГО ПЛМ MERCURY 75 Серийный номер от 0P017000 до 0P325499
Пластина аттенюатора 2-Х ТАКТНОГО ПЛМ MERCURY 75 Серийный номер от 0P017000 до 0P325499
Пластина фиксации поворота мотора 2-Х ТАКТНОГО ПЛМ MERCURY 75 Серийный номер от 0P017000 до 0P325499
Поворотный кронштейн и рулевой рычаг 2-Х ТАКТНОГО ПЛМ MERCURY 75 Серийный номер от 0P017000 до 0P325499
Рукоятка рулевого управления 2-Х ТАКТНОГО ПЛМ MERCURY 75 Серийный номер от 0P017000 до 0P325499
Румпель 2-Х ТАКТНОГО ПЛМ MERCURY 75 Серийный номер от 0P017000 до 0P325499
Система прокачки 2-Х ТАКТНОГО ПЛМ MERCURY 75 Серийный номер от 0P017000 до 0P325499
Стартер 2-Х ТАКТНОГО ПЛМ MERCURY 75 Серийный номер от 0P017000 до 0P325499
Стартер в сборе (ручной) 2-Х ТАКТНОГО ПЛМ MERCURY 75 Серийный номер от 0P017000 до 0P325499
Топливный насос 2-Х ТАКТНОГО ПЛМ MERCURY 75 Серийный номер от 0P017000 до 0P325499
Топливный насос в сборе 2-Х ТАКТНОГО ПЛМ MERCURY 75 Серийный номер от 0P017000 до 0P325499
Электрические компоненты 2-Х ТАКТНОГО ПЛМ MERCURY 75 Серийный номер от 0P017000 до 0P325499
Запчасти для 2-х тактного ПЛМ MERCURY 75 Серийный номер от 0P325500 и выше
Manual Tilt Assist Components 2-Х ТАКТНОГО ПЛМ MERCURY 75 Серийный номер от 0P325500 и выше
Аксессуары 2-Х ТАКТНОГО ПЛМ MERCURY 75 Серийный номер от 0P325500 и выше
Блок цилиндров 2-Х ТАКТНОГО ПЛМ MERCURY 75 Серийный номер от 0P325500 и выше
Верх капота 2-Х ТАКТНОГО ПЛМ MERCURY 75 Серийный номер от 0P325500 и выше
Впускной коллектор и резонатор 2-Х ТАКТНОГО ПЛМ MERCURY 75 Серийный номер от 0P325500 и выше
Выхлопная труба 2-Х ТАКТНОГО ПЛМ MERCURY 75 Серийный номер от 0P325500 и выше
Дроссель и рычаг 2-Х ТАКТНОГО ПЛМ MERCURY 75 Серийный номер от 0P325500 и выше
Инструменты 2-Х ТАКТНОГО ПЛМ MERCURY 75 Серийный номер от 0P325500 и выше
Карбюратор 2-Х ТАКТНОГО ПЛМ MERCURY 75 Серийный номер от 0P325500 и выше
Ключи 2-Х ТАКТНОГО ПЛМ MERCURY 75 Серийный номер от 0P325500 и выше
Коленвал, поршни и шатуны 2-Х ТАКТНОГО ПЛМ MERCURY 75 Серийный номер от 0P325500 и выше
Компоненты закачки масла 2-Х ТАКТНОГО ПЛМ MERCURY 75 Серийный номер от 0P325500 и выше
Компоненты комплекта прокладок, капитального ремонта 2-Х ТАКТНОГО ПЛМ MERCURY 75 Серийный номер от 0P325500 и выше
Компоненты ручного управления 2-Х ТАКТНОГО ПЛМ MERCURY 75 Серийный номер от 0P325500 и выше
Компоненты топливного насоса 2-Х ТАКТНОГО ПЛМ MERCURY 75 Серийный номер от 0P325500 и выше
Корпус карданного вала 2-Х ТАКТНОГО ПЛМ MERCURY 75 Серийный номер от 0P325500 и выше
Корпус шестерни (карданный вал) - 2.31:1 передаточное число 2-Х ТАКТНОГО ПЛМ MERCURY 75 Серийный номер от 0P325500 и выше
Корпус шестерни (приводной вал 2.31:1) 2-Х ТАКТНОГО ПЛМ MERCURY 75 Серийный номер от 0P325500 и выше
Кронштейн транца 2-Х ТАКТНОГО ПЛМ MERCURY 75 Серийный номер от 0P325500 и выше
Маховик и стартер 2-Х ТАКТНОГО ПЛМ MERCURY 75 Серийный номер от 0P325500 и выше
Низ капота 2-Х ТАКТНОГО ПЛМ MERCURY 75 Серийный номер от 0P325500 и выше
Пластина аттенюатора 2-Х ТАКТНОГО ПЛМ MERCURY 75 Серийный номер от 0P325500 и выше
Пластина фиксации поворота мотора 2-Х ТАКТНОГО ПЛМ MERCURY 75 Серийный номер от 0P325500 и выше
Поворотный кронштейн и рулевой рычаг 2-Х ТАКТНОГО ПЛМ MERCURY 75 Серийный номер от 0P325500 и выше
Румпель 2-Х ТАКТНОГО ПЛМ MERCURY 75 Серийный номер от 0P325500 и выше
Ручное управление 2-Х ТАКТНОГО ПЛМ MERCURY 75 Серийный номер от 0P325500 и выше
Система наклона двигателя 2-Х ТАКТНОГО ПЛМ MERCURY 75 Серийный номер от 0P325500 и выше
Система прокачки 2-Х ТАКТНОГО ПЛМ MERCURY 75 Серийный номер от 0P325500 и выше
Стартер в сборе (ручной) 2-Х ТАКТНОГО ПЛМ MERCURY 75 Серийный номер от 0P325500 и выше
Стартер, сервис 2-Х ТАКТНОГО ПЛМ MERCURY 75 Серийный номер от 0P325500 и выше
Топливный насос 2-Х ТАКТНОГО ПЛМ MERCURY 75 Серийный номер от 0P325500 и выше
Топливный насос в сборе 2-Х ТАКТНОГО ПЛМ MERCURY 75 Серийный номер от 0P325500 и выше
Электрические компоненты 2-Х ТАКТНОГО ПЛМ MERCURY 75 Серийный номер от 0P325500 и выше
Запчасти для 2-х тактного ПЛМ MERCURY 75 Серийный номер от 0T980000 до 0T999999
Manual Tilt Assist Components 2-Х ТАКТНОГО ПЛМ MERCURY 75 Серийный номер от 0T980000 до 0T999999
Аксессуары 2-Х ТАКТНОГО ПЛМ MERCURY 75 Серийный номер от 0T980000 до 0T999999
Блок цилиндров 2-Х ТАКТНОГО ПЛМ MERCURY 75 Серийный номер от 0T980000 до 0T999999
Верх капота 2-Х ТАКТНОГО ПЛМ MERCURY 75 Серийный номер от 0T980000 до 0T999999
Впускной коллектор и резонатор 2-Х ТАКТНОГО ПЛМ MERCURY 75 Серийный номер от 0T980000 до 0T999999
Выхлопная труба 2-Х ТАКТНОГО ПЛМ MERCURY 75 Серийный номер от 0T980000 до 0T999999
Дроссель и рычаг 2-Х ТАКТНОГО ПЛМ MERCURY 75 Серийный номер от 0T980000 до 0T999999
Инструменты 2-Х ТАКТНОГО ПЛМ MERCURY 75 Серийный номер от 0T980000 до 0T999999
Карбюратор 2-Х ТАКТНОГО ПЛМ MERCURY 75 Серийный номер от 0T980000 до 0T999999
Ключи 2-Х ТАКТНОГО ПЛМ MERCURY 75 Серийный номер от 0T980000 до 0T999999
Коленвал, поршни и шатуны 2-Х ТАКТНОГО ПЛМ MERCURY 75 Серийный номер от 0T980000 до 0T999999
Компоненты закачки масла 2-Х ТАКТНОГО ПЛМ MERCURY 75 Серийный номер от 0T980000 до 0T999999
Компоненты комплекта прокладок, капитального ремонта 2-Х ТАКТНОГО ПЛМ MERCURY 75 Серийный номер от 0T980000 до 0T999999
Компоненты ручного управления 2-Х ТАКТНОГО ПЛМ MERCURY 75 Серийный номер от 0T980000 до 0T999999
Компоненты топливного насоса 2-Х ТАКТНОГО ПЛМ MERCURY 75 Серийный номер от 0T980000 до 0T999999
Корпус карданного вала 2-Х ТАКТНОГО ПЛМ MERCURY 75 Серийный номер от 0T980000 до 0T999999
Корпус шестерни (приводной вал 2.31:1) 2-Х ТАКТНОГО ПЛМ MERCURY 75 Серийный номер от 0T980000 до 0T999999
Корпус шестерни, карданный вал - 2.31:1 передаточное число 2-Х ТАКТНОГО ПЛМ MERCURY 75 Серийный номер от 0T980000 до 0T999999
Кронштейн транца 2-Х ТАКТНОГО ПЛМ MERCURY 75 Серийный номер от 0T980000 до 0T999999
Маховик и стартер 2-Х ТАКТНОГО ПЛМ MERCURY 75 Серийный номер от 0T980000 до 0T999999
Низ капота 2-Х ТАКТНОГО ПЛМ MERCURY 75 Серийный номер от 0T980000 до 0T999999
Пластина аттенюатора 2-Х ТАКТНОГО ПЛМ MERCURY 75 Серийный номер от 0T980000 до 0T999999
Пластина фиксации поворота мотора 2-Х ТАКТНОГО ПЛМ MERCURY 75 Серийный номер от 0T980000 до 0T999999
Поворотный кронштейн и рулевой рычаг 2-Х ТАКТНОГО ПЛМ MERCURY 75 Серийный номер от 0T980000 до 0T999999
Румпель 2-Х ТАКТНОГО ПЛМ MERCURY 75 Серийный номер от 0T980000 до 0T999999
Ручное управление 2-Х ТАКТНОГО ПЛМ MERCURY 75 Серийный номер от 0T980000 до 0T999999
Система наклона двигателя 2-Х ТАКТНОГО ПЛМ MERCURY 75 Серийный номер от 0T980000 до 0T999999
Система прокачки 2-Х ТАКТНОГО ПЛМ MERCURY 75 Серийный номер от 0T980000 до 0T999999
Стартер в сборе (ручной) 2-Х ТАКТНОГО ПЛМ MERCURY 75 Серийный номер от 0T980000 до 0T999999
Стартер, сервис 2-Х ТАКТНОГО ПЛМ MERCURY 75 Серийный номер от 0T980000 до 0T999999
Топливный насос 2-Х ТАКТНОГО ПЛМ MERCURY 75 Серийный номер от 0T980000 до 0T999999
Топливный насос в сборе 2-Х ТАКТНОГО ПЛМ MERCURY 75 Серийный номер от 0T980000 до 0T999999
Электрические компоненты 2-Х ТАКТНОГО ПЛМ MERCURY 75 Серийный номер от 0T980000 до 0T999999
Запчасти для 2-х тактного ПЛМ MERCURY 75 Серийный номер от 1B000000 и выше
Manual Tilt Assist Components 2-Х ТАКТНОГО ПЛМ MERCURY 75 Серийный номер от 1B000000 и выше
Аксессуары 2-Х ТАКТНОГО ПЛМ MERCURY 75 Серийный номер от 1B000000 и выше
Блок цилиндров 2-Х ТАКТНОГО ПЛМ MERCURY 75 Серийный номер от 1B000000 и выше
Верх капота 2-Х ТАКТНОГО ПЛМ MERCURY 75 Серийный номер от 1B000000 и выше
Впускной коллектор и резонатор 2-Х ТАКТНОГО ПЛМ MERCURY 75 Серийный номер от 1B000000 и выше
Выхлопная труба 2-Х ТАКТНОГО ПЛМ MERCURY 75 Серийный номер от 1B000000 и выше
Дроссель и рычаг 2-Х ТАКТНОГО ПЛМ MERCURY 75 Серийный номер от 1B000000 и выше
Инструменты 2-Х ТАКТНОГО ПЛМ MERCURY 75 Серийный номер от 1B000000 и выше
Карбюратор 2-Х ТАКТНОГО ПЛМ MERCURY 75 Серийный номер от 1B000000 и выше
Ключи 2-Х ТАКТНОГО ПЛМ MERCURY 75 Серийный номер от 1B000000 и выше
Коленвал, поршни и шатуны 2-Х ТАКТНОГО ПЛМ MERCURY 75 Серийный номер от 1B000000 и выше
Компоненты закачки масла 2-Х ТАКТНОГО ПЛМ MERCURY 75 Серийный номер от 1B000000 и выше
Компоненты комплекта прокладок, капитального ремонта 2-Х ТАКТНОГО ПЛМ MERCURY 75 Серийный номер от 1B000000 и выше
Компоненты ручного управления 2-Х ТАКТНОГО ПЛМ MERCURY 75 Серийный номер от 1B000000 и выше
Компоненты топливного насоса 2-Х ТАКТНОГО ПЛМ MERCURY 75 Серийный номер от 1B000000 и выше
Корпус карданного вала 2-Х ТАКТНОГО ПЛМ MERCURY 75 Серийный номер от 1B000000 и выше
Корпус шестерни (карданный вал) - 2.31:1 передаточное число 2-Х ТАКТНОГО ПЛМ MERCURY 75 Серийный номер от 1B000000 и выше
Корпус шестерни (приводной вал 2.31:1) 2-Х ТАКТНОГО ПЛМ MERCURY 75 Серийный номер от 1B000000 и выше
Кронштейн транца 2-Х ТАКТНОГО ПЛМ MERCURY 75 Серийный номер от 1B000000 и выше
Маховик и стартер 2-Х ТАКТНОГО ПЛМ MERCURY 75 Серийный номер от 1B000000 и выше
Низ капота 2-Х ТАКТНОГО ПЛМ MERCURY 75 Серийный номер от 1B000000 и выше
Пластина аттенюатора 2-Х ТАКТНОГО ПЛМ MERCURY 75 Серийный номер от 1B000000 и выше
Пластина фиксации поворота мотора 2-Х ТАКТНОГО ПЛМ MERCURY 75 Серийный номер от 1B000000 и выше
Поворотный кронштейн и рулевой рычаг 2-Х ТАКТНОГО ПЛМ MERCURY 75 Серийный номер от 1B000000 и выше
Румпель 2-Х ТАКТНОГО ПЛМ MERCURY 75 Серийный номер от 1B000000 и выше
Ручное управление 2-Х ТАКТНОГО ПЛМ MERCURY 75 Серийный номер от 1B000000 и выше
Система наклона двигателя 2-Х ТАКТНОГО ПЛМ MERCURY 75 Серийный номер от 1B000000 и выше
Система прокачки 2-Х ТАКТНОГО ПЛМ MERCURY 75 Серийный номер от 1B000000 и выше
Стартер в сборе (ручной) 2-Х ТАКТНОГО ПЛМ MERCURY 75 Серийный номер от 1B000000 и выше
Стартер, сервис 2-Х ТАКТНОГО ПЛМ MERCURY 75 Серийный номер от 1B000000 и выше
Топливный насос 2-Х ТАКТНОГО ПЛМ MERCURY 75 Серийный номер от 1B000000 и выше
Топливный насос в сборе 2-Х ТАКТНОГО ПЛМ MERCURY 75 Серийный номер от 1B000000 и выше
Электрические компоненты 2-Х ТАКТНОГО ПЛМ MERCURY 75 Серийный номер от 1B000000 и выше
Запчасти для 2-х тактного ПЛМ MERCURY 75 Серийный номер от 9483121 до 9506480
Аксессуары 2-Х ТАКТНОГО ПЛМ MERCURY 75 Серийный номер от 9483121 до 9506480
Блок цилиндров и картер 2-Х ТАКТНОГО ПЛМ MERCURY 75 Серийный номер от 9483121 до 9506480
Впускной коллектор и резонатор 2-Х ТАКТНОГО ПЛМ MERCURY 75 Серийный номер от 9483121 до 9506480
Выхлопная труба 2-Х ТАКТНОГО ПЛМ MERCURY 75 Серийный номер от 9483121 до 9506480
Дроссель и рычаг 2-Х ТАКТНОГО ПЛМ MERCURY 75 Серийный номер от 9483121 до 9506480
Капот и передняя крышка 2-Х ТАКТНОГО ПЛМ MERCURY 75 Серийный номер от 9483121 до 9506480
Карбюратор 2-Х ТАКТНОГО ПЛМ MERCURY 75 Серийный номер от 9483121 до 9506480
Карбюратор и пластина аттенюатора 2-Х ТАКТНОГО ПЛМ MERCURY 75 Серийный номер от 9483121 до 9506480
Коленвал, поршни и шатуны (#638-8532--1) 2-Х ТАКТНОГО ПЛМ MERCURY 75 Серийный номер от 9483121 до 9506480
Коленвал, поршни и шатуны (#646-818846) (Часть 1) 2-Х ТАКТНОГО ПЛМ MERCURY 75 Серийный номер от 9483121 до 9506480
Коленвал, поршни и шатуны (#646-818846) (Часть 2) 2-Х ТАКТНОГО ПЛМ MERCURY 75 Серийный номер от 9483121 до 9506480
Компоненты закачки масла 2-Х ТАКТНОГО ПЛМ MERCURY 75 Серийный номер от 9483121 до 9506480
Компоненты ручного управления (Часть 1) 2-Х ТАКТНОГО ПЛМ MERCURY 75 Серийный номер от 9483121 до 9506480
Компоненты ручного управления (Часть 2) 2-Х ТАКТНОГО ПЛМ MERCURY 75 Серийный номер от 9483121 до 9506480
Компоненты силовой отделки 2-Х ТАКТНОГО ПЛМ MERCURY 75 Серийный номер от 9483121 до 9506480
Корпус карданного вала 2-Х ТАКТНОГО ПЛМ MERCURY 75 Серийный номер от 9483121 до 9506480
Корпус редуктора (карданный вал) 2-Х ТАКТНОГО ПЛМ MERCURY 75 Серийный номер от 9483121 до 9506480
Корпус редуктора (приводной вал) 2-Х ТАКТНОГО ПЛМ MERCURY 75 Серийный номер от 9483121 до 9506480
Крепления 2-Х ТАКТНОГО ПЛМ MERCURY 75 Серийный номер от 9483121 до 9506480
Кронштейн транца 2-Х ТАКТНОГО ПЛМ MERCURY 75 Серийный номер от 9483121 до 9506480
Маховик и стартер 2-Х ТАКТНОГО ПЛМ MERCURY 75 Серийный номер от 9483121 до 9506480
Насос регулировки мощности 2-Х ТАКТНОГО ПЛМ MERCURY 75 Серийный номер от 9483121 до 9506480
Пластина фиксации поворота мотора 2-Х ТАКТНОГО ПЛМ MERCURY 75 Серийный номер от 9483121 до 9506480
Поворотный кронштейн и рулевой рычаг 2-Х ТАКТНОГО ПЛМ MERCURY 75 Серийный номер от 9483121 до 9506480
Стартер (BOSCH) 2-Х ТАКТНОГО ПЛМ MERCURY 75 Серийный номер от 9483121 до 9506480
Тахометр 2-Х ТАКТНОГО ПЛМ MERCURY 75 Серийный номер от 9483121 до 9506480
Топливный насос 2-Х ТАКТНОГО ПЛМ MERCURY 75 Серийный номер от 9483121 до 9506480
Электрические компоненты 2-Х ТАКТНОГО ПЛМ MERCURY 75 Серийный номер от 9483121 до 9506480
Запчасти для 2-х тактного ПЛМ MERCURY 75 Серийный номер от 9506481 до 9589038
Аксессуары 2-Х ТАКТНОГО ПЛМ MERCURY 75 Серийный номер от 9506481 до 9589038
Блок цилиндров и картер 2-Х ТАКТНОГО ПЛМ MERCURY 75 Серийный номер от 9506481 до 9589038
Впускной коллектор и резонатор 2-Х ТАКТНОГО ПЛМ MERCURY 75 Серийный номер от 9506481 до 9589038
Выхлопная труба 2-Х ТАКТНОГО ПЛМ MERCURY 75 Серийный номер от 9506481 до 9589038
Дроссель и рычаг 2-Х ТАКТНОГО ПЛМ MERCURY 75 Серийный номер от 9506481 до 9589038
Капот и передняя крышка 2-Х ТАКТНОГО ПЛМ MERCURY 75 Серийный номер от 9506481 до 9589038
Карбюратор 2-Х ТАКТНОГО ПЛМ MERCURY 75 Серийный номер от 9506481 до 9589038
Карбюратор и пластина аттенюатора 2-Х ТАКТНОГО ПЛМ MERCURY 75 Серийный номер от 9506481 до 9589038
Коленвал, поршни и шатуны (#638-8532--1) 2-Х ТАКТНОГО ПЛМ MERCURY 75 Серийный номер от 9506481 до 9589038
Коленвал, поршни и шатуны (#646-818846) 2-Х ТАКТНОГО ПЛМ MERCURY 75 Серийный номер от 9506481 до 9589038
Компоненты закачки масла 2-Х ТАКТНОГО ПЛМ MERCURY 75 Серийный номер от 9506481 до 9589038
Компоненты ручного управления (с рулевым рычагом) 2-Х ТАКТНОГО ПЛМ MERCURY 75 Серийный номер от 9506481 до 9589038
Компоненты ручного управления 2-Х ТАКТНОГО ПЛМ MERCURY 75 Серийный номер от 9506481 до 9589038
Компоненты силовой отделки 2-Х ТАКТНОГО ПЛМ MERCURY 75 Серийный номер от 9506481 до 9589038
Корпус карданного вала 2-Х ТАКТНОГО ПЛМ MERCURY 75 Серийный номер от 9506481 до 9589038
Корпус редуктора (карданный вал) 2-Х ТАКТНОГО ПЛМ MERCURY 75 Серийный номер от 9506481 до 9589038
Корпус редуктора (приводной вал) 2-Х ТАКТНОГО ПЛМ MERCURY 75 Серийный номер от 9506481 до 9589038
Крепления 2-Х ТАКТНОГО ПЛМ MERCURY 75 Серийный номер от 9506481 до 9589038
Кронштейн транца 2-Х ТАКТНОГО ПЛМ MERCURY 75 Серийный номер от 9506481 до 9589038
Маховик и стартер 2-Х ТАКТНОГО ПЛМ MERCURY 75 Серийный номер от 9506481 до 9589038
Насос регулировки мощности 2-Х ТАКТНОГО ПЛМ MERCURY 75 Серийный номер от 9506481 до 9589038
Пластина фиксации поворота мотора 2-Х ТАКТНОГО ПЛМ MERCURY 75 Серийный номер от 9506481 до 9589038
Поворотный кронштейн и рулевой рычаг 2-Х ТАКТНОГО ПЛМ MERCURY 75 Серийный номер от 9506481 до 9589038
Стартер (BOSCH) 2-Х ТАКТНОГО ПЛМ MERCURY 75 Серийный номер от 9506481 до 9589038
Тахометр 2-Х ТАКТНОГО ПЛМ MERCURY 75 Серийный номер от 9506481 до 9589038
Топливный насос 2-Х ТАКТНОГО ПЛМ MERCURY 75 Серийный номер от 9506481 до 9589038
Электрические компоненты 2-Х ТАКТНОГО ПЛМ MERCURY 75 Серийный номер от 9506481 до 9589038
Запчасти для 2-х тактного ПЛМ MERCURY 75 Серийный номер от 9589039 до 9793576
Блок цилиндров и картер 2-Х ТАКТНОГО ПЛМ MERCURY 75 Серийный номер от 9589039 до 9793576
Впускной коллектор и резонатор 2-Х ТАКТНОГО ПЛМ MERCURY 75 Серийный номер от 9589039 до 9793576
Выхлопная труба 2-Х ТАКТНОГО ПЛМ MERCURY 75 Серийный номер от 9589039 до 9793576
Дроссель и рычаг 2-Х ТАКТНОГО ПЛМ MERCURY 75 Серийный номер от 9589039 до 9793576
Капот и передняя крышка 2-Х ТАКТНОГО ПЛМ MERCURY 75 Серийный номер от 9589039 до 9793576
Карбюратор 2-Х ТАКТНОГО ПЛМ MERCURY 75 Серийный номер от 9589039 до 9793576
Коленвал, поршни и шатуны (#638-8532-1) 2-Х ТАКТНОГО ПЛМ MERCURY 75 Серийный номер от 9589039 до 9793576
Коленвал, поршни и шатуны (#646-818846) 2-Х ТАКТНОГО ПЛМ MERCURY 75 Серийный номер от 9589039 до 9793576
Компоненты закчки масла 2-Х ТАКТНОГО ПЛМ MERCURY 75 Серийный номер от 9589039 до 9793576
Компоненты рулевой ручки 2-Х ТАКТНОГО ПЛМ MERCURY 75 Серийный номер от 9589039 до 9793576
Компоненты рулевой ручки(с рулевым рычагом) 2-Х ТАКТНОГО ПЛМ MERCURY 75 Серийный номер от 9589039 до 9793576
Корпус ведущего вала 2-Х ТАКТНОГО ПЛМ MERCURY 75 Серийный номер от 9589039 до 9793576
Корпус шестерни (карданный вал) 2-Х ТАКТНОГО ПЛМ MERCURY 75 Серийный номер от 9589039 до 9793576
Корпус шестерни (приводной вал) 2-Х ТАКТНОГО ПЛМ MERCURY 75 Серийный номер от 9589039 до 9793576
Крепления 2-Х ТАКТНОГО ПЛМ MERCURY 75 Серийный номер от 9589039 до 9793576
Кронштейн транца 2-Х ТАКТНОГО ПЛМ MERCURY 75 Серийный номер от 9589039 до 9793576
Маховик и стартер 2-Х ТАКТНОГО ПЛМ MERCURY 75 Серийный номер от 9589039 до 9793576
Насос регулировки мощности 2-Х ТАКТНОГО ПЛМ MERCURY 75 Серийный номер от 9589039 до 9793576
Пластина аттенюатора 2-Х ТАКТНОГО ПЛМ MERCURY 75 Серийный номер от 9589039 до 9793576
Пластина фиксации поворота мотора 2-Х ТАКТНОГО ПЛМ MERCURY 75 Серийный номер от 9589039 до 9793576
Поворотный кронштейн и рулевой рычаг (Casting Number 1499-8709C6) 2-Х ТАКТНОГО ПЛМ MERCURY 75 Серийный номер от 9589039 до 9793576
Поворотный кронштейн и рулевой рычаг(Casting Number 1499-8709C5) 2-Х ТАКТНОГО ПЛМ MERCURY 75 Серийный номер от 9589039 до 9793576
Система наклона двигателя, Single Ram (0D252460 и ниже) 2-Х ТАКТНОГО ПЛМ MERCURY 75 Серийный номер от 9589039 до 9793576
Система наклона двигателя, Single Ram (0D252461 и выше) 2-Х ТАКТНОГО ПЛМ MERCURY 75 Серийный номер от 9589039 до 9793576
Система наклона двигателя, Three Ram (Design I ) 2-Х ТАКТНОГО ПЛМ MERCURY 75 Серийный номер от 9589039 до 9793576
Система наклона двигателя, Three Ram (Design II ) 2-Х ТАКТНОГО ПЛМ MERCURY 75 Серийный номер от 9589039 до 9793576
Стартер (Bosch) 2-Х ТАКТНОГО ПЛМ MERCURY 75 Серийный номер от 9589039 до 9793576
Тахометр 2-Х ТАКТНОГО ПЛМ MERCURY 75 Серийный номер от 9589039 до 9793576
Топливный насос (Use With 90 Degree Ceck Valve) 2-Х ТАКТНОГО ПЛМ MERCURY 75 Серийный номер от 9589039 до 9793576
Топливный насос (Use With Inline Check Valve) 2-Х ТАКТНОГО ПЛМ MERCURY 75 Серийный номер от 9589039 до 9793576
Электрические компоненты 2-Х ТАКТНОГО ПЛМ MERCURY 75 Серийный номер от 9589039 до 9793576
Электродвигатель 2-Х ТАКТНОГО ПЛМ MERCURY 75 Серийный номер от 9589039 до 9793576
Запчасти для 2-х тактного ПЛМ MERCURY 75 Серийный номер от 9793577 до 0P016999
GEAR HOUSING CHART (2.31:1 GEAR RATIO) 2-Х ТАКТНОГО ПЛМ MERCURY 75 Серийный номер от 9793577 до 0P016999
Manual tilt assist components 2-Х ТАКТНОГО ПЛМ MERCURY 75 Серийный номер от 9793577 до 0P016999
Аксессуары 2-Х ТАКТНОГО ПЛМ MERCURY 75 Серийный номер от 9793577 до 0P016999
Блок цилиндров (USA-0G127499/BEL-9836632 и ниже) 2-Х ТАКТНОГО ПЛМ MERCURY 75 Серийный номер от 9793577 до 0P016999
Блок цилиндров (USA-S/N-0G127500/BEL-9836633 и выше) 2-Х ТАКТНОГО ПЛМ MERCURY 75 Серийный номер от 9793577 до 0P016999
Верх капота (S/N-USA-0G301750/BEL-9885504 и ниже) 2-Х ТАКТНОГО ПЛМ MERCURY 75 Серийный номер от 9793577 до 0P016999
Верх капота (S/N-USA-0G301751/BEL-9885505 и выше) 2-Х ТАКТНОГО ПЛМ MERCURY 75 Серийный номер от 9793577 до 0P016999
Впрыск масла (S/N-USA-0G301750/BEL-9885504 и ниже) 2-Х ТАКТНОГО ПЛМ MERCURY 75 Серийный номер от 9793577 до 0P016999
Впрыск масла (S/N-USA-0G301751/BEL-9885505 и выше) 2-Х ТАКТНОГО ПЛМ MERCURY 75 Серийный номер от 9793577 до 0P016999
Впускной коллектор и резонатор 2-Х ТАКТНОГО ПЛМ MERCURY 75 Серийный номер от 9793577 до 0P016999
Выхлопная труба 2-Х ТАКТНОГО ПЛМ MERCURY 75 Серийный номер от 9793577 до 0P016999
Гидроподъем (BLACK FILL PLUG)S/N-USA-0G360002/BEL-9934136 и ниже 2-Х ТАКТНОГО ПЛМ MERCURY 75 Серийный номер от 9793577 до 0P016999
Гидроподъем (YELLOW FILL PLUG)S/N-USA-0G360003/BEL-9934137 и выше 2-Х ТАКТНОГО ПЛМ MERCURY 75 Серийный номер от 9793577 до 0P016999
Дроссель и рычаг 2-Х ТАКТНОГО ПЛМ MERCURY 75 Серийный номер от 9793577 до 0P016999
Инструменты 2-Х ТАКТНОГО ПЛМ MERCURY 75 Серийный номер от 9793577 до 0P016999
Карбюратор (WME-29/30/31/41/46/47/48/49) 2-Х ТАКТНОГО ПЛМ MERCURY 75 Серийный номер от 9793577 до 0P016999
Карбюратор (WME-59/60/61/62/75/76/77/78) 2-Х ТАКТНОГО ПЛМ MERCURY 75 Серийный номер от 9793577 до 0P016999
Ключи 2-Х ТАКТНОГО ПЛМ MERCURY 75 Серийный номер от 9793577 до 0P016999
Коленвал, поршни и шатуны 2-Х ТАКТНОГО ПЛМ MERCURY 75 Серийный номер от 9793577 до 0P016999
Компоненты ручного управления (Часть 1) 2-Х ТАКТНОГО ПЛМ MERCURY 75 Серийный номер от 9793577 до 0P016999
Компоненты ручного управления (Часть 2) 2-Х ТАКТНОГО ПЛМ MERCURY 75 Серийный номер от 9793577 до 0P016999
Компоненты топливного насоса 2-Х ТАКТНОГО ПЛМ MERCURY 75 Серийный номер от 9793577 до 0P016999
Корпус карданного вала 2-Х ТАКТНОГО ПЛМ MERCURY 75 Серийный номер от 9793577 до 0P016999
Корпус шестерни (карданный вал)(3 JAW REVERSE CLUTCH) 2-Х ТАКТНОГО ПЛМ MERCURY 75 Серийный номер от 9793577 до 0P016999
Корпус шестерни (карданный вал)(6 JAW REVERSE CLUTCH) 2-Х ТАКТНОГО ПЛМ MERCURY 75 Серийный номер от 9793577 до 0P016999
Корпус шестерни (приводной вал)(3 JAW REVERSE CLUTCH) 2-Х ТАКТНОГО ПЛМ MERCURY 75 Серийный номер от 9793577 до 0P016999
Корпус шестерни (приводной вал)(6 JAW REVERSE CLUTCH) 2-Х ТАКТНОГО ПЛМ MERCURY 75 Серийный номер от 9793577 до 0P016999
Кронштейн транца (MANUAL TILT ASSIST) 2-Х ТАКТНОГО ПЛМ MERCURY 75 Серийный номер от 9793577 до 0P016999
Кронштейн транца (NON POWER TRIM & POWER TRIM) 2-Х ТАКТНОГО ПЛМ MERCURY 75 Серийный номер от 9793577 до 0P016999
Маховик и стартер (USA-0G437999/BEL-9926999 и ниже) 2-Х ТАКТНОГО ПЛМ MERCURY 75 Серийный номер от 9793577 до 0P016999
Маховик и стартер (USA-0G438000/BEL-9927000 и выше) 2-Х ТАКТНОГО ПЛМ MERCURY 75 Серийный номер от 9793577 до 0P016999
Низ капота 2-Х ТАКТНОГО ПЛМ MERCURY 75 Серийный номер от 9793577 до 0P016999
Пластина аттенюатора 2-Х ТАКТНОГО ПЛМ MERCURY 75 Серийный номер от 9793577 до 0P016999
Пластина фиксации поворота 2-Х ТАКТНОГО ПЛМ MERCURY 75 Серийный номер от 9793577 до 0P016999
Поворотный кронштейн и рулевой рычаг 2-Х ТАКТНОГО ПЛМ MERCURY 75 Серийный номер от 9793577 до 0P016999
Румпель 2-Х ТАКТНОГО ПЛМ MERCURY 75 Серийный номер от 9793577 до 0P016999
Система прокачки (USA-0G127500/BEL-9836633 и выше) 2-Х ТАКТНОГО ПЛМ MERCURY 75 Серийный номер от 9793577 до 0P016999
Стартер 2-Х ТАКТНОГО ПЛМ MERCURY 75 Серийный номер от 9793577 до 0P016999
Стартер в сборе (ручной) 2-Х ТАКТНОГО ПЛМ MERCURY 75 Серийный номер от 9793577 до 0P016999
Топливный насос 2-Х ТАКТНОГО ПЛМ MERCURY 75 Серийный номер от 9793577 до 0P016999
Топливный насос в сборе 2-Х ТАКТНОГО ПЛМ MERCURY 75 Серийный номер от 9793577 до 0P016999
Электрика (USA-0G127499/BEL-9836632 и ниже) 2-Х ТАКТНОГО ПЛМ MERCURY 75 Серийный номер от 9793577 до 0P016999
Электрика (USA-0G127500 - 0G437999)(BEL-9836633 - 9926999) 2-Х ТАКТНОГО ПЛМ MERCURY 75 Серийный номер от 9793577 до 0P016999
Электрика (USA-S/N-0G438000/BEL-9937000 и выше) 2-Х ТАКТНОГО ПЛМ MERCURY 75 Серийный номер от 9793577 до 0P016999
Запчасти для 2-х тактного ПЛМ MERCURY 90 Серийный номер от 0A996142 до 0B240450
Аксессуары 2-Х ТАКТНОГО ПЛМ MERCURY 90 Серийный номер от 0A996142 до 0B240450
Блок цилиндров и картер 2-Х ТАКТНОГО ПЛМ MERCURY 90 Серийный номер от 0A996142 до 0B240450
Впускной коллектор и резонатор 2-Х ТАКТНОГО ПЛМ MERCURY 90 Серийный номер от 0A996142 до 0B240450
Выхлопная труба 2-Х ТАКТНОГО ПЛМ MERCURY 90 Серийный номер от 0A996142 до 0B240450
Дроссель и рычаг 2-Х ТАКТНОГО ПЛМ MERCURY 90 Серийный номер от 0A996142 до 0B240450
Капот и передняя крышка 2-Х ТАКТНОГО ПЛМ MERCURY 90 Серийный номер от 0A996142 до 0B240450
Карбюратор 2-Х ТАКТНОГО ПЛМ MERCURY 90 Серийный номер от 0A996142 до 0B240450
Карбюратор и пластина аттенюатора 2-Х ТАКТНОГО ПЛМ MERCURY 90 Серийный номер от 0A996142 до 0B240450
Коленвал, поршни и шатуны (#638-8532--1) 2-Х ТАКТНОГО ПЛМ MERCURY 90 Серийный номер от 0A996142 до 0B240450
Коленвал, поршни и шатуны (#646-818846) (Часть 1) 2-Х ТАКТНОГО ПЛМ MERCURY 90 Серийный номер от 0A996142 до 0B240450
Коленвал, поршни и шатуны (#646-818846) (Часть 2) 2-Х ТАКТНОГО ПЛМ MERCURY 90 Серийный номер от 0A996142 до 0B240450
Компоненты закачки масла 2-Х ТАКТНОГО ПЛМ MERCURY 90 Серийный номер от 0A996142 до 0B240450
Компоненты ручного управления (Часть 1) 2-Х ТАКТНОГО ПЛМ MERCURY 90 Серийный номер от 0A996142 до 0B240450
Компоненты ручного управления (Часть 2) 2-Х ТАКТНОГО ПЛМ MERCURY 90 Серийный номер от 0A996142 до 0B240450
Компоненты силовой отделки 2-Х ТАКТНОГО ПЛМ MERCURY 90 Серийный номер от 0A996142 до 0B240450
Корпус карданного вала 2-Х ТАКТНОГО ПЛМ MERCURY 90 Серийный номер от 0A996142 до 0B240450
Корпус редуктора (карданный вал) 2-Х ТАКТНОГО ПЛМ MERCURY 90 Серийный номер от 0A996142 до 0B240450
Корпус редуктора (приводной вал) 2-Х ТАКТНОГО ПЛМ MERCURY 90 Серийный номер от 0A996142 до 0B240450
Крепления 2-Х ТАКТНОГО ПЛМ MERCURY 90 Серийный номер от 0A996142 до 0B240450
Кронштейн транца 2-Х ТАКТНОГО ПЛМ MERCURY 90 Серийный номер от 0A996142 до 0B240450
Маховик и стартер 2-Х ТАКТНОГО ПЛМ MERCURY 90 Серийный номер от 0A996142 до 0B240450
Насос регулировки мощности 2-Х ТАКТНОГО ПЛМ MERCURY 90 Серийный номер от 0A996142 до 0B240450
Пластина фиксации поворота мотора 2-Х ТАКТНОГО ПЛМ MERCURY 90 Серийный номер от 0A996142 до 0B240450
Поворотный кронштейн и рулевой рычаг 2-Х ТАКТНОГО ПЛМ MERCURY 90 Серийный номер от 0A996142 до 0B240450
Стартер (BOSCH) 2-Х ТАКТНОГО ПЛМ MERCURY 90 Серийный номер от 0A996142 до 0B240450
Тахометр 2-Х ТАКТНОГО ПЛМ MERCURY 90 Серийный номер от 0A996142 до 0B240450
Топливный насос 2-Х ТАКТНОГО ПЛМ MERCURY 90 Серийный номер от 0A996142 до 0B240450
Электрические компоненты 2-Х ТАКТНОГО ПЛМ MERCURY 90 Серийный номер от 0A996142 до 0B240450
Запчасти для 2-х тактного ПЛМ MERCURY 90 Серийный номер от 0B240451 до 0C221999
Аксессуары 2-Х ТАКТНОГО ПЛМ MERCURY 90 Серийный номер от 0B240451 до 0C221999
Блок цилиндров и картер 2-Х ТАКТНОГО ПЛМ MERCURY 90 Серийный номер от 0B240451 до 0C221999
Впускной коллектор и резонатор 2-Х ТАКТНОГО ПЛМ MERCURY 90 Серийный номер от 0B240451 до 0C221999
Выхлопная труба 2-Х ТАКТНОГО ПЛМ MERCURY 90 Серийный номер от 0B240451 до 0C221999
Дроссель и рычаг 2-Х ТАКТНОГО ПЛМ MERCURY 90 Серийный номер от 0B240451 до 0C221999
Капот и передняя крышка 2-Х ТАКТНОГО ПЛМ MERCURY 90 Серийный номер от 0B240451 до 0C221999
Карбюратор 2-Х ТАКТНОГО ПЛМ MERCURY 90 Серийный номер от 0B240451 до 0C221999
Карбюратор и пластина аттенюатора 2-Х ТАКТНОГО ПЛМ MERCURY 90 Серийный номер от 0B240451 до 0C221999
Коленвал, поршни и шатуны (#638-8532--1) 2-Х ТАКТНОГО ПЛМ MERCURY 90 Серийный номер от 0B240451 до 0C221999
Коленвал, поршни и шатуны (#646-818846) 2-Х ТАКТНОГО ПЛМ MERCURY 90 Серийный номер от 0B240451 до 0C221999
Компоненты закачки масла 2-Х ТАКТНОГО ПЛМ MERCURY 90 Серийный номер от 0B240451 до 0C221999
Компоненты ручного управления (с рулевым рычагом) 2-Х ТАКТНОГО ПЛМ MERCURY 90 Серийный номер от 0B240451 до 0C221999
Компоненты ручного управления 2-Х ТАКТНОГО ПЛМ MERCURY 90 Серийный номер от 0B240451 до 0C221999
Компоненты силовой отделки 2-Х ТАКТНОГО ПЛМ MERCURY 90 Серийный номер от 0B240451 до 0C221999
Корпус карданного вала 2-Х ТАКТНОГО ПЛМ MERCURY 90 Серийный номер от 0B240451 до 0C221999
Корпус редуктора (карданный вал) 2-Х ТАКТНОГО ПЛМ MERCURY 90 Серийный номер от 0B240451 до 0C221999
Корпус редуктора (приводной вал) 2-Х ТАКТНОГО ПЛМ MERCURY 90 Серийный номер от 0B240451 до 0C221999
Крепления 2-Х ТАКТНОГО ПЛМ MERCURY 90 Серийный номер от 0B240451 до 0C221999
Кронштейн транца 2-Х ТАКТНОГО ПЛМ MERCURY 90 Серийный номер от 0B240451 до 0C221999
Маховик и стартер 2-Х ТАКТНОГО ПЛМ MERCURY 90 Серийный номер от 0B240451 до 0C221999
Насос регулировки мощности 2-Х ТАКТНОГО ПЛМ MERCURY 90 Серийный номер от 0B240451 до 0C221999
Пластина фиксации поворота мотора 2-Х ТАКТНОГО ПЛМ MERCURY 90 Серийный номер от 0B240451 до 0C221999
Поворотный кронштейн и рулевой рычаг 2-Х ТАКТНОГО ПЛМ MERCURY 90 Серийный номер от 0B240451 до 0C221999
Стартер (BOSCH) 2-Х ТАКТНОГО ПЛМ MERCURY 90 Серийный номер от 0B240451 до 0C221999
Тахометр 2-Х ТАКТНОГО ПЛМ MERCURY 90 Серийный номер от 0B240451 до 0C221999
Топливный насос 2-Х ТАКТНОГО ПЛМ MERCURY 90 Серийный номер от 0B240451 до 0C221999
Электрические компоненты 2-Х ТАКТНОГО ПЛМ MERCURY 90 Серийный номер от 0B240451 до 0C221999
Запчасти для 2-х тактного ПЛМ MERCURY 90 Серийный номер от 0C222000 до 0D283221
Блок цилиндров и картер 2-Х ТАКТНОГО ПЛМ MERCURY 90 Серийный номер от 0C222000 до 0D283221
Впускной коллектор и резонатор 2-Х ТАКТНОГО ПЛМ MERCURY 90 Серийный номер от 0C222000 до 0D283221
Выхлопная труба 2-Х ТАКТНОГО ПЛМ MERCURY 90 Серийный номер от 0C222000 до 0D283221
Дроссель и рычаг 2-Х ТАКТНОГО ПЛМ MERCURY 90 Серийный номер от 0C222000 до 0D283221
Капот и передняя крышка 2-Х ТАКТНОГО ПЛМ MERCURY 90 Серийный номер от 0C222000 до 0D283221
Карбюратор 2-Х ТАКТНОГО ПЛМ MERCURY 90 Серийный номер от 0C222000 до 0D283221
Коленвал, поршни и шатуны (#638-8532-1) 2-Х ТАКТНОГО ПЛМ MERCURY 90 Серийный номер от 0C222000 до 0D283221
Коленвал, поршни и шатуны (#646-818846) 2-Х ТАКТНОГО ПЛМ MERCURY 90 Серийный номер от 0C222000 до 0D283221
Компоненты закачки масла 2-Х ТАКТНОГО ПЛМ MERCURY 90 Серийный номер от 0C222000 до 0D283221
Компоненты рулевой ручки 2-Х ТАКТНОГО ПЛМ MERCURY 90 Серийный номер от 0C222000 до 0D283221
Компоненты рулевой ручки(с рулевым рычагом) 2-Х ТАКТНОГО ПЛМ MERCURY 90 Серийный номер от 0C222000 до 0D283221
Корпус ведущего вала 2-Х ТАКТНОГО ПЛМ MERCURY 90 Серийный номер от 0C222000 до 0D283221
Корпус шестерни (карданный вал) 2-Х ТАКТНОГО ПЛМ MERCURY 90 Серийный номер от 0C222000 до 0D283221
Корпус шестерни (приводной вал) 2-Х ТАКТНОГО ПЛМ MERCURY 90 Серийный номер от 0C222000 до 0D283221
Крепления 2-Х ТАКТНОГО ПЛМ MERCURY 90 Серийный номер от 0C222000 до 0D283221
Кронштейн транца 2-Х ТАКТНОГО ПЛМ MERCURY 90 Серийный номер от 0C222000 до 0D283221
Маховик и стартер 2-Х ТАКТНОГО ПЛМ MERCURY 90 Серийный номер от 0C222000 до 0D283221
Насос регулировки мощности 2-Х ТАКТНОГО ПЛМ MERCURY 90 Серийный номер от 0C222000 до 0D283221
Пластина аттенюатора 2-Х ТАКТНОГО ПЛМ MERCURY 90 Серийный номер от 0C222000 до 0D283221
Пластина фиксации поворота мотора 2-Х ТАКТНОГО ПЛМ MERCURY 90 Серийный номер от 0C222000 до 0D283221
Поворотный кронштейн и рулевой рычаг (Casting Number 1499-8709C6) 2-Х ТАКТНОГО ПЛМ MERCURY 90 Серийный номер от 0C222000 до 0D283221
Поворотный кронштейн и рулевой рычаг(Casting Number 1499-8709C5) 2-Х ТАКТНОГО ПЛМ MERCURY 90 Серийный номер от 0C222000 до 0D283221
Система наклона двигателя, Single Ram (0D252460 и ниже) 2-Х ТАКТНОГО ПЛМ MERCURY 90 Серийный номер от 0C222000 до 0D283221
Система наклона двигателя, Single Ram (0D252461 и выше) 2-Х ТАКТНОГО ПЛМ MERCURY 90 Серийный номер от 0C222000 до 0D283221
Система наклона двигателя, Three Ram (Design I ) 2-Х ТАКТНОГО ПЛМ MERCURY 90 Серийный номер от 0C222000 до 0D283221
Система наклона двигателя, Three Ram (Design II ) 2-Х ТАКТНОГО ПЛМ MERCURY 90 Серийный номер от 0C222000 до 0D283221
Стартер (Bosch) 2-Х ТАКТНОГО ПЛМ MERCURY 90 Серийный номер от 0C222000 до 0D283221
Тахометр 2-Х ТАКТНОГО ПЛМ MERCURY 90 Серийный номер от 0C222000 до 0D283221
Топливный насос (Use With 90 Degree Ceck Valve) 2-Х ТАКТНОГО ПЛМ MERCURY 90 Серийный номер от 0C222000 до 0D283221
Топливный насос (Use With Inline Check Valve) 2-Х ТАКТНОГО ПЛМ MERCURY 90 Серийный номер от 0C222000 до 0D283221
Электрические компоненты 2-Х ТАКТНОГО ПЛМ MERCURY 90 Серийный номер от 0C222000 до 0D283221
Электродвигатель 2-Х ТАКТНОГО ПЛМ MERCURY 90 Серийный номер от 0C222000 до 0D283221
Запчасти для 2-х тактного ПЛМ MERCURY 90 Серийный номер от 0D283222 до 0G760299
GEAR HOUSING CHART (2.31:1 GEAR RATIO) 2-Х ТАКТНОГО ПЛМ MERCURY 90 Серийный номер от 0D283222 до 0G760299
Manual tilt assist components 2-Х ТАКТНОГО ПЛМ MERCURY 90 Серийный номер от 0D283222 до 0G760299
Аксессуары 2-Х ТАКТНОГО ПЛМ MERCURY 90 Серийный номер от 0D283222 до 0G760299
Блок цилиндров (USA-0G127499/BEL-9836632 и ниже) 2-Х ТАКТНОГО ПЛМ MERCURY 90 Серийный номер от 0D283222 до 0G760299
Блок цилиндров (USA-S/N-0G127500/BEL-9836633 и выше) 2-Х ТАКТНОГО ПЛМ MERCURY 90 Серийный номер от 0D283222 до 0G760299
Верх капота (S/N-USA-0G301750/BEL-9885504 и ниже) 2-Х ТАКТНОГО ПЛМ MERCURY 90 Серийный номер от 0D283222 до 0G760299
Верх капота (S/N-USA-0G301751/BEL-9885505 и выше) 2-Х ТАКТНОГО ПЛМ MERCURY 90 Серийный номер от 0D283222 до 0G760299
Впрыск масла (S/N-USA-0G301750/BEL-9885504 и ниже) 2-Х ТАКТНОГО ПЛМ MERCURY 90 Серийный номер от 0D283222 до 0G760299
Впрыск масла (S/N-USA-0G301751/BEL-9885505 и выше) 2-Х ТАКТНОГО ПЛМ MERCURY 90 Серийный номер от 0D283222 до 0G760299
Впускной коллектор и резонатор 2-Х ТАКТНОГО ПЛМ MERCURY 90 Серийный номер от 0D283222 до 0G760299
Выхлопная труба 2-Х ТАКТНОГО ПЛМ MERCURY 90 Серийный номер от 0D283222 до 0G760299
Гидроподъем (BLACK FILL PLUG)S/N-USA-0G360002/BEL-9934136 и ниже 2-Х ТАКТНОГО ПЛМ MERCURY 90 Серийный номер от 0D283222 до 0G760299
Гидроподъем (YELLOW FILL PLUG)S/N-USA-0G360003/BEL-9934137 и выше 2-Х ТАКТНОГО ПЛМ MERCURY 90 Серийный номер от 0D283222 до 0G760299
Дроссель и рычаг 2-Х ТАКТНОГО ПЛМ MERCURY 90 Серийный номер от 0D283222 до 0G760299
Инструменты 2-Х ТАКТНОГО ПЛМ MERCURY 90 Серийный номер от 0D283222 до 0G760299
Карбюратор (WME-29/30/31/41/46/47/48/49) 2-Х ТАКТНОГО ПЛМ MERCURY 90 Серийный номер от 0D283222 до 0G760299
Карбюратор (WME-59/60/61/62/75/76/77/78) 2-Х ТАКТНОГО ПЛМ MERCURY 90 Серийный номер от 0D283222 до 0G760299
Ключи 2-Х ТАКТНОГО ПЛМ MERCURY 90 Серийный номер от 0D283222 до 0G760299
Коленвал, поршни и шатуны 2-Х ТАКТНОГО ПЛМ MERCURY 90 Серийный номер от 0D283222 до 0G760299
Компоненты ручного управления (Часть 1) 2-Х ТАКТНОГО ПЛМ MERCURY 90 Серийный номер от 0D283222 до 0G760299
Компоненты ручного управления (Часть 2) 2-Х ТАКТНОГО ПЛМ MERCURY 90 Серийный номер от 0D283222 до 0G760299
Компоненты топливного насоса 2-Х ТАКТНОГО ПЛМ MERCURY 90 Серийный номер от 0D283222 до 0G760299
Корпус карданного вала 2-Х ТАКТНОГО ПЛМ MERCURY 90 Серийный номер от 0D283222 до 0G760299
Корпус шестерни (карданный вал)(3 JAW REVERSE CLUTCH) 2-Х ТАКТНОГО ПЛМ MERCURY 90 Серийный номер от 0D283222 до 0G760299
Корпус шестерни (карданный вал)(6 JAW REVERSE CLUTCH) 2-Х ТАКТНОГО ПЛМ MERCURY 90 Серийный номер от 0D283222 до 0G760299
Корпус шестерни (приводной вал)(3 JAW REVERSE CLUTCH) 2-Х ТАКТНОГО ПЛМ MERCURY 90 Серийный номер от 0D283222 до 0G760299
Корпус шестерни (приводной вал)(6 JAW REVERSE CLUTCH) 2-Х ТАКТНОГО ПЛМ MERCURY 90 Серийный номер от 0D283222 до 0G760299
Кронштейн транца (MANUAL TILT ASSIST) 2-Х ТАКТНОГО ПЛМ MERCURY 90 Серийный номер от 0D283222 до 0G760299
Кронштейн транца (NON POWER TRIM & POWER TRIM) 2-Х ТАКТНОГО ПЛМ MERCURY 90 Серийный номер от 0D283222 до 0G760299
Маховик и стартер (USA-0G437999/BEL-9926999 и ниже) 2-Х ТАКТНОГО ПЛМ MERCURY 90 Серийный номер от 0D283222 до 0G760299
Маховик и стартер (USA-0G438000/BEL-9927000 и выше) 2-Х ТАКТНОГО ПЛМ MERCURY 90 Серийный номер от 0D283222 до 0G760299
Низ капота 2-Х ТАКТНОГО ПЛМ MERCURY 90 Серийный номер от 0D283222 до 0G760299
Пластина аттенюатора 2-Х ТАКТНОГО ПЛМ MERCURY 90 Серийный номер от 0D283222 до 0G760299
Пластина фиксации поворота 2-Х ТАКТНОГО ПЛМ MERCURY 90 Серийный номер от 0D283222 до 0G760299
Поворотный кронштейн и рулевой рычаг 2-Х ТАКТНОГО ПЛМ MERCURY 90 Серийный номер от 0D283222 до 0G760299
Румпель 2-Х ТАКТНОГО ПЛМ MERCURY 90 Серийный номер от 0D283222 до 0G760299
Система прокачки (USA-0G127500/BEL-9836633 и выше) 2-Х ТАКТНОГО ПЛМ MERCURY 90 Серийный номер от 0D283222 до 0G760299
Стартер 2-Х ТАКТНОГО ПЛМ MERCURY 90 Серийный номер от 0D283222 до 0G760299
Стартер в сборе (ручной) 2-Х ТАКТНОГО ПЛМ MERCURY 90 Серийный номер от 0D283222 до 0G760299
Топливный насос 2-Х ТАКТНОГО ПЛМ MERCURY 90 Серийный номер от 0D283222 до 0G760299
Топливный насос в сборе 2-Х ТАКТНОГО ПЛМ MERCURY 90 Серийный номер от 0D283222 до 0G760299
Электрика (USA-0G127499/BEL-9836632 и ниже) 2-Х ТАКТНОГО ПЛМ MERCURY 90 Серийный номер от 0D283222 до 0G760299
Электрика (USA-0G127500 - 0G437999)(BEL-9836633 - 9926999) 2-Х ТАКТНОГО ПЛМ MERCURY 90 Серийный номер от 0D283222 до 0G760299
Электрика (USA-S/N-0G438000/BEL-9937000 и выше) 2-Х ТАКТНОГО ПЛМ MERCURY 90 Серийный номер от 0D283222 до 0G760299
Запчасти для 2-х тактного ПЛМ MERCURY 90 Серийный номер от 0G760300 до 0T979999
Manual Tilt Assist Componets 2-Х ТАКТНОГО ПЛМ MERCURY 90 Серийный номер от 0G760300 до 0T979999
Аксессуары 2-Х ТАКТНОГО ПЛМ MERCURY 90 Серийный номер от 0G760300 до 0T979999
Блок цилиндров 2-Х ТАКТНОГО ПЛМ MERCURY 90 Серийный номер от 0G760300 до 0T979999
Верх капота 2-Х ТАКТНОГО ПЛМ MERCURY 90 Серийный номер от 0G760300 до 0T979999
Впускной коллектор и резонатор 2-Х ТАКТНОГО ПЛМ MERCURY 90 Серийный номер от 0G760300 до 0T979999
Выхлопная труба(SN USA-0T800999/ BEL-0P267999 и ниже) 2-Х ТАКТНОГО ПЛМ MERCURY 90 Серийный номер от 0G760300 до 0T979999
Выхлопная труба(SN USA-0T801000/ BEL-0P268000 и выше) 2-Х ТАКТНОГО ПЛМ MERCURY 90 Серийный номер от 0G760300 до 0T979999
Дроссель и рычаг 2-Х ТАКТНОГО ПЛМ MERCURY 90 Серийный номер от 0G760300 до 0T979999
Инструменты 2-Х ТАКТНОГО ПЛМ MERCURY 90 Серийный номер от 0G760300 до 0T979999
Карбюратор 2-Х ТАКТНОГО ПЛМ MERCURY 90 Серийный номер от 0G760300 до 0T979999
Ключи 2-Х ТАКТНОГО ПЛМ MERCURY 90 Серийный номер от 0G760300 до 0T979999
Коленвал, поршни и шатуны 2-Х ТАКТНОГО ПЛМ MERCURY 90 Серийный номер от 0G760300 до 0T979999
Компоненты закачки масла 2-Х ТАКТНОГО ПЛМ MERCURY 90 Серийный номер от 0G760300 до 0T979999
Компоненты комплекта прокладок, капитального ремонта 2-Х ТАКТНОГО ПЛМ MERCURY 90 Серийный номер от 0G760300 до 0T979999
Компоненты насоса топлива 2-Х ТАКТНОГО ПЛМ MERCURY 90 Серийный номер от 0G760300 до 0T979999
Компоненты ручного управления 2-Х ТАКТНОГО ПЛМ MERCURY 90 Серийный номер от 0G760300 до 0T979999
Компоненты силовой отделки 2-Х ТАКТНОГО ПЛМ MERCURY 90 Серийный номер от 0G760300 до 0T979999
Корпус ведущего вала(USA 0T801000/ BEL 0P268000 и выше) 2-Х ТАКТНОГО ПЛМ MERCURY 90 Серийный номер от 0G760300 до 0T979999
Корпус ведущего вала(USA-0T800999/BEL-0P267999 и ниже) 2-Х ТАКТНОГО ПЛМ MERCURY 90 Серийный номер от 0G760300 до 0T979999
Корпус шестерни, Drive 2.31:1 USA 0T627235/BEL 0P215669 и выше 2-Х ТАКТНОГО ПЛМ MERCURY 90 Серийный номер от 0G760300 до 0T979999
Корпус шестерни, Drive 2.31:1 USA0T627234/BEL0P215631 и ниже 2-Х ТАКТНОГО ПЛМ MERCURY 90 Серийный номер от 0G760300 до 0T979999
Корпус шестерни, Prop 2.31:1 USA 0T627235/BEL 0P215669 и выше 2-Х ТАКТНОГО ПЛМ MERCURY 90 Серийный номер от 0G760300 до 0T979999
Корпус шестерни, Prop 2.31:1 USA0T627234/BEL0P215631 и ниже 2-Х ТАКТНОГО ПЛМ MERCURY 90 Серийный номер от 0G760300 до 0T979999
Кронштейн транца(SN- USA 0T800999/ BEL 0P267999 и ниже) 2-Х ТАКТНОГО ПЛМ MERCURY 90 Серийный номер от 0G760300 до 0T979999
Кронштейн транца(SN- USA 0T801000/ BEL 0P268000 и выше) 2-Х ТАКТНОГО ПЛМ MERCURY 90 Серийный номер от 0G760300 до 0T979999
Маховик и стартер 2-Х ТАКТНОГО ПЛМ MERCURY 90 Серийный номер от 0G760300 до 0T979999
Низ капота 2-Х ТАКТНОГО ПЛМ MERCURY 90 Серийный номер от 0G760300 до 0T979999
Пластина аттенюатора 2-Х ТАКТНОГО ПЛМ MERCURY 90 Серийный номер от 0G760300 до 0T979999
Пластина фиксации поворота мотора 2-Х ТАКТНОГО ПЛМ MERCURY 90 Серийный номер от 0G760300 до 0T979999
Поворотный кронштейн и рулевой рычаг 2-Х ТАКТНОГО ПЛМ MERCURY 90 Серийный номер от 0G760300 до 0T979999
Рукоятка рулевого управления 2-Х ТАКТНОГО ПЛМ MERCURY 90 Серийный номер от 0G760300 до 0T979999
Румпель 2-Х ТАКТНОГО ПЛМ MERCURY 90 Серийный номер от 0G760300 до 0T979999
Система прокачки 2-Х ТАКТНОГО ПЛМ MERCURY 90 Серийный номер от 0G760300 до 0T979999
Стартер 2-Х ТАКТНОГО ПЛМ MERCURY 90 Серийный номер от 0G760300 до 0T979999
Стартер в сборе (ручной) 2-Х ТАКТНОГО ПЛМ MERCURY 90 Серийный номер от 0G760300 до 0T979999
Топливный насос 2-Х ТАКТНОГО ПЛМ MERCURY 90 Серийный номер от 0G760300 до 0T979999
Топливный насос в сборе 2-Х ТАКТНОГО ПЛМ MERCURY 90 Серийный номер от 0G760300 до 0T979999
Электрические компоненты 2-Х ТАКТНОГО ПЛМ MERCURY 90 Серийный номер от 0G760300 до 0T979999
Запчасти для 2-х тактного ПЛМ MERCURY 90 Серийный номер от 0P017000 до 0P325499
Manual Tilt Assist Componets 2-Х ТАКТНОГО ПЛМ MERCURY 90 Серийный номер от 0P017000 до 0P325499
Аксессуары 2-Х ТАКТНОГО ПЛМ MERCURY 90 Серийный номер от 0P017000 до 0P325499
Блок цилиндров 2-Х ТАКТНОГО ПЛМ MERCURY 90 Серийный номер от 0P017000 до 0P325499
Верх капота 2-Х ТАКТНОГО ПЛМ MERCURY 90 Серийный номер от 0P017000 до 0P325499
Впускной коллектор и резонатор 2-Х ТАКТНОГО ПЛМ MERCURY 90 Серийный номер от 0P017000 до 0P325499
Выхлопная труба(SN USA-0T800999/ BEL-0P267999 и ниже) 2-Х ТАКТНОГО ПЛМ MERCURY 90 Серийный номер от 0P017000 до 0P325499
Выхлопная труба(SN USA-0T801000/ BEL-0P268000 и выше) 2-Х ТАКТНОГО ПЛМ MERCURY 90 Серийный номер от 0P017000 до 0P325499
Дроссель и рычаг 2-Х ТАКТНОГО ПЛМ MERCURY 90 Серийный номер от 0P017000 до 0P325499
Инструменты 2-Х ТАКТНОГО ПЛМ MERCURY 90 Серийный номер от 0P017000 до 0P325499
Карбюратор 2-Х ТАКТНОГО ПЛМ MERCURY 90 Серийный номер от 0P017000 до 0P325499
Ключи 2-Х ТАКТНОГО ПЛМ MERCURY 90 Серийный номер от 0P017000 до 0P325499
Коленвал, поршни и шатуны 2-Х ТАКТНОГО ПЛМ MERCURY 90 Серийный номер от 0P017000 до 0P325499
Компоненты закачки масла 2-Х ТАКТНОГО ПЛМ MERCURY 90 Серийный номер от 0P017000 до 0P325499
Компоненты комплекта прокладок, капитального ремонта 2-Х ТАКТНОГО ПЛМ MERCURY 90 Серийный номер от 0P017000 до 0P325499
Компоненты насоса топлива 2-Х ТАКТНОГО ПЛМ MERCURY 90 Серийный номер от 0P017000 до 0P325499
Компоненты ручного управления 2-Х ТАКТНОГО ПЛМ MERCURY 90 Серийный номер от 0P017000 до 0P325499
Компоненты силовой отделки 2-Х ТАКТНОГО ПЛМ MERCURY 90 Серийный номер от 0P017000 до 0P325499
Корпус ведущего вала(USA 0T801000/ BEL 0P268000 и выше) 2-Х ТАКТНОГО ПЛМ MERCURY 90 Серийный номер от 0P017000 до 0P325499
Корпус ведущего вала(USA-0T800999/BEL-0P267999 и ниже) 2-Х ТАКТНОГО ПЛМ MERCURY 90 Серийный номер от 0P017000 до 0P325499
Корпус шестерни, Drive 2.31:1 USA 0T627235/BEL 0P215669 и выше 2-Х ТАКТНОГО ПЛМ MERCURY 90 Серийный номер от 0P017000 до 0P325499
Корпус шестерни, Drive 2.31:1 USA0T627234/BEL0P215631 и ниже 2-Х ТАКТНОГО ПЛМ MERCURY 90 Серийный номер от 0P017000 до 0P325499
Корпус шестерни, Prop 2.31:1 USA 0T627235/BEL 0P215669 и выше 2-Х ТАКТНОГО ПЛМ MERCURY 90 Серийный номер от 0P017000 до 0P325499
Корпус шестерни, Prop 2.31:1 USA0T627234/BEL0P215631 и ниже 2-Х ТАКТНОГО ПЛМ MERCURY 90 Серийный номер от 0P017000 до 0P325499
Кронштейн транца(SN- USA 0T800999/ BEL 0P267999 и ниже) 2-Х ТАКТНОГО ПЛМ MERCURY 90 Серийный номер от 0P017000 до 0P325499
Кронштейн транца(SN- USA 0T801000/ BEL 0P268000 и выше) 2-Х ТАКТНОГО ПЛМ MERCURY 90 Серийный номер от 0P017000 до 0P325499
Маховик и стартер 2-Х ТАКТНОГО ПЛМ MERCURY 90 Серийный номер от 0P017000 до 0P325499
Низ капота 2-Х ТАКТНОГО ПЛМ MERCURY 90 Серийный номер от 0P017000 до 0P325499
Пластина аттенюатора 2-Х ТАКТНОГО ПЛМ MERCURY 90 Серийный номер от 0P017000 до 0P325499
Пластина фиксации поворота мотора 2-Х ТАКТНОГО ПЛМ MERCURY 90 Серийный номер от 0P017000 до 0P325499
Поворотный кронштейн и рулевой рычаг 2-Х ТАКТНОГО ПЛМ MERCURY 90 Серийный номер от 0P017000 до 0P325499
Рукоятка рулевого управления 2-Х ТАКТНОГО ПЛМ MERCURY 90 Серийный номер от 0P017000 до 0P325499
Румпель 2-Х ТАКТНОГО ПЛМ MERCURY 90 Серийный номер от 0P017000 до 0P325499
Система прокачки 2-Х ТАКТНОГО ПЛМ MERCURY 90 Серийный номер от 0P017000 до 0P325499
Стартер 2-Х ТАКТНОГО ПЛМ MERCURY 90 Серийный номер от 0P017000 до 0P325499
Стартер в сборе (ручной) 2-Х ТАКТНОГО ПЛМ MERCURY 90 Серийный номер от 0P017000 до 0P325499
Топливный насос 2-Х ТАКТНОГО ПЛМ MERCURY 90 Серийный номер от 0P017000 до 0P325499
Топливный насос в сборе 2-Х ТАКТНОГО ПЛМ MERCURY 90 Серийный номер от 0P017000 до 0P325499
Электрические компоненты 2-Х ТАКТНОГО ПЛМ MERCURY 90 Серийный номер от 0P017000 до 0P325499
Запчасти для 2-х тактного ПЛМ MERCURY 90 Серийный номер от 0P325500 и выше
Manual Tilt Assist Components 2-Х ТАКТНОГО ПЛМ MERCURY 90 Серийный номер от 0P325500 и выше
Аксессуары 2-Х ТАКТНОГО ПЛМ MERCURY 90 Серийный номер от 0P325500 и выше
Блок цилиндров 2-Х ТАКТНОГО ПЛМ MERCURY 90 Серийный номер от 0P325500 и выше
Верх капота 2-Х ТАКТНОГО ПЛМ MERCURY 90 Серийный номер от 0P325500 и выше
Впускной коллектор и резонатор 2-Х ТАКТНОГО ПЛМ MERCURY 90 Серийный номер от 0P325500 и выше
Выхлопная труба 2-Х ТАКТНОГО ПЛМ MERCURY 90 Серийный номер от 0P325500 и выше
Дроссель и рычаг 2-Х ТАКТНОГО ПЛМ MERCURY 90 Серийный номер от 0P325500 и выше
Инструменты 2-Х ТАКТНОГО ПЛМ MERCURY 90 Серийный номер от 0P325500 и выше
Карбюратор 2-Х ТАКТНОГО ПЛМ MERCURY 90 Серийный номер от 0P325500 и выше
Ключи 2-Х ТАКТНОГО ПЛМ MERCURY 90 Серийный номер от 0P325500 и выше
Коленвал, поршни и шатуны 2-Х ТАКТНОГО ПЛМ MERCURY 90 Серийный номер от 0P325500 и выше
Компоненты закачки масла 2-Х ТАКТНОГО ПЛМ MERCURY 90 Серийный номер от 0P325500 и выше
Компоненты комплекта прокладок, капитального ремонта 2-Х ТАКТНОГО ПЛМ MERCURY 90 Серийный номер от 0P325500 и выше
Компоненты ручного управления 2-Х ТАКТНОГО ПЛМ MERCURY 90 Серийный номер от 0P325500 и выше
Компоненты топливного насоса 2-Х ТАКТНОГО ПЛМ MERCURY 90 Серийный номер от 0P325500 и выше
Корпус карданного вала 2-Х ТАКТНОГО ПЛМ MERCURY 90 Серийный номер от 0P325500 и выше
Корпус шестерни (карданный вал 2.31:1 передаточное число) 2-Х ТАКТНОГО ПЛМ MERCURY 90 Серийный номер от 0P325500 и выше
Корпус шестерни (приводной вал 2.31:1) 2-Х ТАКТНОГО ПЛМ MERCURY 90 Серийный номер от 0P325500 и выше
Кронштейн транца 2-Х ТАКТНОГО ПЛМ MERCURY 90 Серийный номер от 0P325500 и выше
Маховик и стартер 2-Х ТАКТНОГО ПЛМ MERCURY 90 Серийный номер от 0P325500 и выше
Низ капота 2-Х ТАКТНОГО ПЛМ MERCURY 90 Серийный номер от 0P325500 и выше
Пластина аттенюатора 2-Х ТАКТНОГО ПЛМ MERCURY 90 Серийный номер от 0P325500 и выше
Пластина фиксации поворота мотора 2-Х ТАКТНОГО ПЛМ MERCURY 90 Серийный номер от 0P325500 и выше
Поворотный кронштейн и рулевой рычаг 2-Х ТАКТНОГО ПЛМ MERCURY 90 Серийный номер от 0P325500 и выше
Румпель 2-Х ТАКТНОГО ПЛМ MERCURY 90 Серийный номер от 0P325500 и выше
Ручное управление 2-Х ТАКТНОГО ПЛМ MERCURY 90 Серийный номер от 0P325500 и выше
Система наклона двигателя 2-Х ТАКТНОГО ПЛМ MERCURY 90 Серийный номер от 0P325500 и выше
Система прокачки 2-Х ТАКТНОГО ПЛМ MERCURY 90 Серийный номер от 0P325500 и выше
Стартер в сборе (ручной) 2-Х ТАКТНОГО ПЛМ MERCURY 90 Серийный номер от 0P325500 и выше
Стартер, сервис 2-Х ТАКТНОГО ПЛМ MERCURY 90 Серийный номер от 0P325500 и выше
Топливный насос 2-Х ТАКТНОГО ПЛМ MERCURY 90 Серийный номер от 0P325500 и выше
Топливный насос в сборе 2-Х ТАКТНОГО ПЛМ MERCURY 90 Серийный номер от 0P325500 и выше
Электрические компоненты 2-Х ТАКТНОГО ПЛМ MERCURY 90 Серийный номер от 0P325500 и выше
Запчасти для 2-х тактного ПЛМ MERCURY 90 Серийный номер от 0T980000 до 0T999999
Manual Tilt Assist Components 2-Х ТАКТНОГО ПЛМ MERCURY 90 Серийный номер от 0T980000 до 0T999999
Аксессуары 2-Х ТАКТНОГО ПЛМ MERCURY 90 Серийный номер от 0T980000 до 0T999999
Блок цилиндров 2-Х ТАКТНОГО ПЛМ MERCURY 90 Серийный номер от 0T980000 до 0T999999
Верх капота 2-Х ТАКТНОГО ПЛМ MERCURY 90 Серийный номер от 0T980000 до 0T999999
Впускной коллектор и резонатор 2-Х ТАКТНОГО ПЛМ MERCURY 90 Серийный номер от 0T980000 до 0T999999
Выхлопная труба 2-Х ТАКТНОГО ПЛМ MERCURY 90 Серийный номер от 0T980000 до 0T999999
Дроссель и рычаг 2-Х ТАКТНОГО ПЛМ MERCURY 90 Серийный номер от 0T980000 до 0T999999
Инструменты 2-Х ТАКТНОГО ПЛМ MERCURY 90 Серийный номер от 0T980000 до 0T999999
Карбюратор 2-Х ТАКТНОГО ПЛМ MERCURY 90 Серийный номер от 0T980000 до 0T999999
Ключи 2-Х ТАКТНОГО ПЛМ MERCURY 90 Серийный номер от 0T980000 до 0T999999
Коленвал, поршни и шатуны 2-Х ТАКТНОГО ПЛМ MERCURY 90 Серийный номер от 0T980000 до 0T999999
Компоненты закачки масла 2-Х ТАКТНОГО ПЛМ MERCURY 90 Серийный номер от 0T980000 до 0T999999
Компоненты комплекта прокладок, капитального ремонта 2-Х ТАКТНОГО ПЛМ MERCURY 90 Серийный номер от 0T980000 до 0T999999
Компоненты ручного управления 2-Х ТАКТНОГО ПЛМ MERCURY 90 Серийный номер от 0T980000 до 0T999999
Компоненты топливного насоса 2-Х ТАКТНОГО ПЛМ MERCURY 90 Серийный номер от 0T980000 до 0T999999
Корпус карданного вала 2-Х ТАКТНОГО ПЛМ MERCURY 90 Серийный номер от 0T980000 до 0T999999
Корпус шестерни (карданный вал 2.31:1 передаточное число) 2-Х ТАКТНОГО ПЛМ MERCURY 90 Серийный номер от 0T980000 до 0T999999
Корпус шестерни (приводной вал 2.31:1) 2-Х ТАКТНОГО ПЛМ MERCURY 90 Серийный номер от 0T980000 до 0T999999
Кронштейн транца 2-Х ТАКТНОГО ПЛМ MERCURY 90 Серийный номер от 0T980000 до 0T999999
Маховик и стартер 2-Х ТАКТНОГО ПЛМ MERCURY 90 Серийный номер от 0T980000 до 0T999999
Низ капота 2-Х ТАКТНОГО ПЛМ MERCURY 90 Серийный номер от 0T980000 до 0T999999
Пластина аттенюатора 2-Х ТАКТНОГО ПЛМ MERCURY 90 Серийный номер от 0T980000 до 0T999999
Пластина фиксации поворота мотора 2-Х ТАКТНОГО ПЛМ MERCURY 90 Серийный номер от 0T980000 до 0T999999
Поворотный кронштейн и рулевой рычаг 2-Х ТАКТНОГО ПЛМ MERCURY 90 Серийный номер от 0T980000 до 0T999999
Румпель 2-Х ТАКТНОГО ПЛМ MERCURY 90 Серийный номер от 0T980000 до 0T999999
Ручное управление 2-Х ТАКТНОГО ПЛМ MERCURY 90 Серийный номер от 0T980000 до 0T999999
Система наклона двигателя 2-Х ТАКТНОГО ПЛМ MERCURY 90 Серийный номер от 0T980000 до 0T999999
Система прокачки 2-Х ТАКТНОГО ПЛМ MERCURY 90 Серийный номер от 0T980000 до 0T999999
Стартер в сборе (ручной) 2-Х ТАКТНОГО ПЛМ MERCURY 90 Серийный номер от 0T980000 до 0T999999
Стартер, сервис 2-Х ТАКТНОГО ПЛМ MERCURY 90 Серийный номер от 0T980000 до 0T999999
Топливный насос 2-Х ТАКТНОГО ПЛМ MERCURY 90 Серийный номер от 0T980000 до 0T999999
Топливный насос в сборе 2-Х ТАКТНОГО ПЛМ MERCURY 90 Серийный номер от 0T980000 до 0T999999
Электрические компоненты 2-Х ТАКТНОГО ПЛМ MERCURY 90 Серийный номер от 0T980000 до 0T999999
Запчасти для 2-х тактного ПЛМ MERCURY 90 Серийный номер от 1B000001 и выше
Manual Tilt Assist Components 2-Х ТАКТНОГО ПЛМ MERCURY 90 Серийный номер от 1B000001 и выше
Аксессуары 2-Х ТАКТНОГО ПЛМ MERCURY 90 Серийный номер от 1B000001 и выше
Блок цилиндров 2-Х ТАКТНОГО ПЛМ MERCURY 90 Серийный номер от 1B000001 и выше
Верх капота 2-Х ТАКТНОГО ПЛМ MERCURY 90 Серийный номер от 1B000001 и выше
Впускной коллектор и резонатор 2-Х ТАКТНОГО ПЛМ MERCURY 90 Серийный номер от 1B000001 и выше
Выхлопная труба 2-Х ТАКТНОГО ПЛМ MERCURY 90 Серийный номер от 1B000001 и выше
Дроссель и рычаг 2-Х ТАКТНОГО ПЛМ MERCURY 90 Серийный номер от 1B000001 и выше
Инструменты 2-Х ТАКТНОГО ПЛМ MERCURY 90 Серийный номер от 1B000001 и выше
Карбюратор 2-Х ТАКТНОГО ПЛМ MERCURY 90 Серийный номер от 1B000001 и выше
Ключи 2-Х ТАКТНОГО ПЛМ MERCURY 90 Серийный номер от 1B000001 и выше
Коленвал, поршни и шатуны 2-Х ТАКТНОГО ПЛМ MERCURY 90 Серийный номер от 1B000001 и выше
Компоненты закачки масла 2-Х ТАКТНОГО ПЛМ MERCURY 90 Серийный номер от 1B000001 и выше
Компоненты комплекта прокладок, капитального ремонта 2-Х ТАКТНОГО ПЛМ MERCURY 90 Серийный номер от 1B000001 и выше
Компоненты ручного управления 2-Х ТАКТНОГО ПЛМ MERCURY 90 Серийный номер от 1B000001 и выше
Компоненты топливного насоса 2-Х ТАКТНОГО ПЛМ MERCURY 90 Серийный номер от 1B000001 и выше
Корпус карданного вала 2-Х ТАКТНОГО ПЛМ MERCURY 90 Серийный номер от 1B000001 и выше
Корпус шестерни (карданный вал 2.31:1 передаточное число) 2-Х ТАКТНОГО ПЛМ MERCURY 90 Серийный номер от 1B000001 и выше
Корпус шестерни (приводной вал 2.31:1) 2-Х ТАКТНОГО ПЛМ MERCURY 90 Серийный номер от 1B000001 и выше
Кронштейн транца 2-Х ТАКТНОГО ПЛМ MERCURY 90 Серийный номер от 1B000001 и выше
Маховик и стартер 2-Х ТАКТНОГО ПЛМ MERCURY 90 Серийный номер от 1B000001 и выше
Низ капота 2-Х ТАКТНОГО ПЛМ MERCURY 90 Серийный номер от 1B000001 и выше
Пластина аттенюатора 2-Х ТАКТНОГО ПЛМ MERCURY 90 Серийный номер от 1B000001 и выше
Пластина фиксации поворота мотора 2-Х ТАКТНОГО ПЛМ MERCURY 90 Серийный номер от 1B000001 и выше
Поворотный кронштейн и рулевой рычаг 2-Х ТАКТНОГО ПЛМ MERCURY 90 Серийный номер от 1B000001 и выше
Румпель 2-Х ТАКТНОГО ПЛМ MERCURY 90 Серийный номер от 1B000001 и выше
Ручное управление 2-Х ТАКТНОГО ПЛМ MERCURY 90 Серийный номер от 1B000001 и выше
Система наклона двигателя 2-Х ТАКТНОГО ПЛМ MERCURY 90 Серийный номер от 1B000001 и выше
Система прокачки 2-Х ТАКТНОГО ПЛМ MERCURY 90 Серийный номер от 1B000001 и выше
Стартер в сборе (ручной) 2-Х ТАКТНОГО ПЛМ MERCURY 90 Серийный номер от 1B000001 и выше
Стартер, сервис 2-Х ТАКТНОГО ПЛМ MERCURY 90 Серийный номер от 1B000001 и выше
Топливный насос 2-Х ТАКТНОГО ПЛМ MERCURY 90 Серийный номер от 1B000001 и выше
Топливный насос в сборе 2-Х ТАКТНОГО ПЛМ MERCURY 90 Серийный номер от 1B000001 и выше
Электрические компоненты 2-Х ТАКТНОГО ПЛМ MERCURY 90 Серийный номер от 1B000001 и выше
Запчасти для 2-х тактного ПЛМ MERCURY 90 Серийный номер от 9483121 до 9506480
Аксессуары 2-Х ТАКТНОГО ПЛМ MERCURY 90 Серийный номер от 9483121 до 9506480
Блок цилиндров и картер 2-Х ТАКТНОГО ПЛМ MERCURY 90 Серийный номер от 9483121 до 9506480
Впускной коллектор и резонатор 2-Х ТАКТНОГО ПЛМ MERCURY 90 Серийный номер от 9483121 до 9506480
Выхлопная труба 2-Х ТАКТНОГО ПЛМ MERCURY 90 Серийный номер от 9483121 до 9506480
Дроссель и рычаг 2-Х ТАКТНОГО ПЛМ MERCURY 90 Серийный номер от 9483121 до 9506480
Капот и передняя крышка 2-Х ТАКТНОГО ПЛМ MERCURY 90 Серийный номер от 9483121 до 9506480
Карбюратор 2-Х ТАКТНОГО ПЛМ MERCURY 90 Серийный номер от 9483121 до 9506480
Карбюратор и пластина аттенюатора 2-Х ТАКТНОГО ПЛМ MERCURY 90 Серийный номер от 9483121 до 9506480
Коленвал, поршни и шатуны (#638-8532--1) 2-Х ТАКТНОГО ПЛМ MERCURY 90 Серийный номер от 9483121 до 9506480
Коленвал, поршни и шатуны (#646-818846) (Часть 1) 2-Х ТАКТНОГО ПЛМ MERCURY 90 Серийный номер от 9483121 до 9506480
Коленвал, поршни и шатуны (#646-818846) (Часть 2) 2-Х ТАКТНОГО ПЛМ MERCURY 90 Серийный номер от 9483121 до 9506480
Компоненты закачки масла 2-Х ТАКТНОГО ПЛМ MERCURY 90 Серийный номер от 9483121 до 9506480
Компоненты ручного управления (Часть 1) 2-Х ТАКТНОГО ПЛМ MERCURY 90 Серийный номер от 9483121 до 9506480
Компоненты ручного управления (Часть 2) 2-Х ТАКТНОГО ПЛМ MERCURY 90 Серийный номер от 9483121 до 9506480
Компоненты силовой отделки 2-Х ТАКТНОГО ПЛМ MERCURY 90 Серийный номер от 9483121 до 9506480
Корпус карданного вала 2-Х ТАКТНОГО ПЛМ MERCURY 90 Серийный номер от 9483121 до 9506480
Корпус редуктора (карданный вал) 2-Х ТАКТНОГО ПЛМ MERCURY 90 Серийный номер от 9483121 до 9506480
Корпус редуктора (приводной вал) 2-Х ТАКТНОГО ПЛМ MERCURY 90 Серийный номер от 9483121 до 9506480
Крепления 2-Х ТАКТНОГО ПЛМ MERCURY 90 Серийный номер от 9483121 до 9506480
Кронштейн транца 2-Х ТАКТНОГО ПЛМ MERCURY 90 Серийный номер от 9483121 до 9506480
Маховик и стартер 2-Х ТАКТНОГО ПЛМ MERCURY 90 Серийный номер от 9483121 до 9506480
Насос регулировки мощности 2-Х ТАКТНОГО ПЛМ MERCURY 90 Серийный номер от 9483121 до 9506480
Пластина фиксации поворота мотора 2-Х ТАКТНОГО ПЛМ MERCURY 90 Серийный номер от 9483121 до 9506480
Поворотный кронштейн и рулевой рычаг 2-Х ТАКТНОГО ПЛМ MERCURY 90 Серийный номер от 9483121 до 9506480
Стартер (BOSCH) 2-Х ТАКТНОГО ПЛМ MERCURY 90 Серийный номер от 9483121 до 9506480
Тахометр 2-Х ТАКТНОГО ПЛМ MERCURY 90 Серийный номер от 9483121 до 9506480
Топливный насос 2-Х ТАКТНОГО ПЛМ MERCURY 90 Серийный номер от 9483121 до 9506480
Электрические компоненты 2-Х ТАКТНОГО ПЛМ MERCURY 90 Серийный номер от 9483121 до 9506480
Запчасти для 2-х тактного ПЛМ MERCURY 90 Серийный номер от 9506481 до 9589038
Аксессуары 2-Х ТАКТНОГО ПЛМ MERCURY 90 Серийный номер от 9506481 до 9589038
Блок цилиндров и картер 2-Х ТАКТНОГО ПЛМ MERCURY 90 Серийный номер от 9506481 до 9589038
Впускной коллектор и резонатор 2-Х ТАКТНОГО ПЛМ MERCURY 90 Серийный номер от 9506481 до 9589038
Выхлопная труба 2-Х ТАКТНОГО ПЛМ MERCURY 90 Серийный номер от 9506481 до 9589038
Дроссель и рычаг 2-Х ТАКТНОГО ПЛМ MERCURY 90 Серийный номер от 9506481 до 9589038
Капот и передняя крышка 2-Х ТАКТНОГО ПЛМ MERCURY 90 Серийный номер от 9506481 до 9589038
Карбюратор 2-Х ТАКТНОГО ПЛМ MERCURY 90 Серийный номер от 9506481 до 9589038
Карбюратор и пластина аттенюатора 2-Х ТАКТНОГО ПЛМ MERCURY 90 Серийный номер от 9506481 до 9589038
Коленвал, поршни и шатуны (#638-8532--1) 2-Х ТАКТНОГО ПЛМ MERCURY 90 Серийный номер от 9506481 до 9589038
Коленвал, поршни и шатуны (#646-818846) 2-Х ТАКТНОГО ПЛМ MERCURY 90 Серийный номер от 9506481 до 9589038
Компоненты закачки масла 2-Х ТАКТНОГО ПЛМ MERCURY 90 Серийный номер от 9506481 до 9589038
Компоненты ручного управления (с рулевым рычагом) 2-Х ТАКТНОГО ПЛМ MERCURY 90 Серийный номер от 9506481 до 9589038
Компоненты ручного управления 2-Х ТАКТНОГО ПЛМ MERCURY 90 Серийный номер от 9506481 до 9589038
Компоненты силовой отделки 2-Х ТАКТНОГО ПЛМ MERCURY 90 Серийный номер от 9506481 до 9589038
Корпус карданного вала 2-Х ТАКТНОГО ПЛМ MERCURY 90 Серийный номер от 9506481 до 9589038
Корпус редуктора (карданный вал) 2-Х ТАКТНОГО ПЛМ MERCURY 90 Серийный номер от 9506481 до 9589038
Корпус редуктора (приводной вал) 2-Х ТАКТНОГО ПЛМ MERCURY 90 Серийный номер от 9506481 до 9589038
Крепления 2-Х ТАКТНОГО ПЛМ MERCURY 90 Серийный номер от 9506481 до 9589038
Кронштейн транца 2-Х ТАКТНОГО ПЛМ MERCURY 90 Серийный номер от 9506481 до 9589038
Маховик и стартер 2-Х ТАКТНОГО ПЛМ MERCURY 90 Серийный номер от 9506481 до 9589038
Насос регулировки мощности 2-Х ТАКТНОГО ПЛМ MERCURY 90 Серийный номер от 9506481 до 9589038
Пластина фиксации поворота мотора 2-Х ТАКТНОГО ПЛМ MERCURY 90 Серийный номер от 9506481 до 9589038
Поворотный кронштейн и рулевой рычаг 2-Х ТАКТНОГО ПЛМ MERCURY 90 Серийный номер от 9506481 до 9589038
Стартер (BOSCH) 2-Х ТАКТНОГО ПЛМ MERCURY 90 Серийный номер от 9506481 до 9589038
Тахометр 2-Х ТАКТНОГО ПЛМ MERCURY 90 Серийный номер от 9506481 до 9589038
Топливный насос 2-Х ТАКТНОГО ПЛМ MERCURY 90 Серийный номер от 9506481 до 9589038
Электрические компоненты 2-Х ТАКТНОГО ПЛМ MERCURY 90 Серийный номер от 9506481 до 9589038
Запчасти для 2-х тактного ПЛМ MERCURY 90 Серийный номер от 9589039 до 9793576
Блок цилиндров и картер 2-Х ТАКТНОГО ПЛМ MERCURY 90 Серийный номер от 9589039 до 9793576
Впускной коллектор и резонатор 2-Х ТАКТНОГО ПЛМ MERCURY 90 Серийный номер от 9589039 до 9793576
Выхлопная труба 2-Х ТАКТНОГО ПЛМ MERCURY 90 Серийный номер от 9589039 до 9793576
Дроссель и рычаг 2-Х ТАКТНОГО ПЛМ MERCURY 90 Серийный номер от 9589039 до 9793576
Капот и передняя крышка 2-Х ТАКТНОГО ПЛМ MERCURY 90 Серийный номер от 9589039 до 9793576
Карбюратор 2-Х ТАКТНОГО ПЛМ MERCURY 90 Серийный номер от 9589039 до 9793576
Коленвал, поршни и шатуны (#638-8532-1) 2-Х ТАКТНОГО ПЛМ MERCURY 90 Серийный номер от 9589039 до 9793576
Коленвал, поршни и шатуны (#646-818846) 2-Х ТАКТНОГО ПЛМ MERCURY 90 Серийный номер от 9589039 до 9793576
Компоненты закачки масла 2-Х ТАКТНОГО ПЛМ MERCURY 90 Серийный номер от 9589039 до 9793576
Компоненты рулевой ручки 2-Х ТАКТНОГО ПЛМ MERCURY 90 Серийный номер от 9589039 до 9793576
Компоненты рулевой ручки(с рулевым рычагом) 2-Х ТАКТНОГО ПЛМ MERCURY 90 Серийный номер от 9589039 до 9793576
Корпус ведущего вала 2-Х ТАКТНОГО ПЛМ MERCURY 90 Серийный номер от 9589039 до 9793576
Корпус шестерни (карданный вал) 2-Х ТАКТНОГО ПЛМ MERCURY 90 Серийный номер от 9589039 до 9793576
Корпус шестерни (приводной вал) 2-Х ТАКТНОГО ПЛМ MERCURY 90 Серийный номер от 9589039 до 9793576
Крепления 2-Х ТАКТНОГО ПЛМ MERCURY 90 Серийный номер от 9589039 до 9793576
Кронштейн транца 2-Х ТАКТНОГО ПЛМ MERCURY 90 Серийный номер от 9589039 до 9793576
Маховик и стартер 2-Х ТАКТНОГО ПЛМ MERCURY 90 Серийный номер от 9589039 до 9793576
Насос регулировки мощности 2-Х ТАКТНОГО ПЛМ MERCURY 90 Серийный номер от 9589039 до 9793576
Пластина аттенюатора 2-Х ТАКТНОГО ПЛМ MERCURY 90 Серийный номер от 9589039 до 9793576
Пластина фиксации поворота мотора 2-Х ТАКТНОГО ПЛМ MERCURY 90 Серийный номер от 9589039 до 9793576
Поворотный кронштейн и рулевой рычаг (Casting Number 1499-8709C6) 2-Х ТАКТНОГО ПЛМ MERCURY 90 Серийный номер от 9589039 до 9793576
Поворотный кронштейн и рулевой рычаг(Casting Number 1499-8709C5) 2-Х ТАКТНОГО ПЛМ MERCURY 90 Серийный номер от 9589039 до 9793576
Система наклона двигателя, Single Ram (0D252460 и ниже) 2-Х ТАКТНОГО ПЛМ MERCURY 90 Серийный номер от 9589039 до 9793576
Система наклона двигателя, Single Ram (0D252461 и выше) 2-Х ТАКТНОГО ПЛМ MERCURY 90 Серийный номер от 9589039 до 9793576
Система наклона двигателя, Three Ram (Design I ) 2-Х ТАКТНОГО ПЛМ MERCURY 90 Серийный номер от 9589039 до 9793576
Система наклона двигателя, Three Ram (Design II ) 2-Х ТАКТНОГО ПЛМ MERCURY 90 Серийный номер от 9589039 до 9793576
Стартер (Bosch) 2-Х ТАКТНОГО ПЛМ MERCURY 90 Серийный номер от 9589039 до 9793576
Тахометр 2-Х ТАКТНОГО ПЛМ MERCURY 90 Серийный номер от 9589039 до 9793576
Топливный насос (Use With 90 Degree Ceck Valve) 2-Х ТАКТНОГО ПЛМ MERCURY 90 Серийный номер от 9589039 до 9793576
Топливный насос (Use With Inline Check Valve) 2-Х ТАКТНОГО ПЛМ MERCURY 90 Серийный номер от 9589039 до 9793576
Электрические компоненты 2-Х ТАКТНОГО ПЛМ MERCURY 90 Серийный номер от 9589039 до 9793576
Электродвигатель 2-Х ТАКТНОГО ПЛМ MERCURY 90 Серийный номер от 9589039 до 9793576
Запчасти для 2-х тактного ПЛМ MERCURY 90 Серийный номер от 9793577 до 0P016999
GEAR HOUSING CHART (2.31:1 GEAR RATIO) 2-Х ТАКТНОГО ПЛМ MERCURY 90 Серийный номер от 9793577 до 0P016999
Manual tilt assist components 2-Х ТАКТНОГО ПЛМ MERCURY 90 Серийный номер от 9793577 до 0P016999
Аксессуары 2-Х ТАКТНОГО ПЛМ MERCURY 90 Серийный номер от 9793577 до 0P016999
Блок цилиндров (USA-0G127499/BEL-9836632 и ниже) 2-Х ТАКТНОГО ПЛМ MERCURY 90 Серийный номер от 9793577 до 0P016999
Блок цилиндров (USA-S/N-0G127500/BEL-9836633 и выше) 2-Х ТАКТНОГО ПЛМ MERCURY 90 Серийный номер от 9793577 до 0P016999
Верх капота (S/N-USA-0G301750/BEL-9885504 и ниже) 2-Х ТАКТНОГО ПЛМ MERCURY 90 Серийный номер от 9793577 до 0P016999
Верх капота (S/N-USA-0G301751/BEL-9885505 и выше) 2-Х ТАКТНОГО ПЛМ MERCURY 90 Серийный номер от 9793577 до 0P016999
Впрыск масла (S/N-USA-0G301750/BEL-9885504 и ниже) 2-Х ТАКТНОГО ПЛМ MERCURY 90 Серийный номер от 9793577 до 0P016999
Впрыск масла (S/N-USA-0G301751/BEL-9885505 и выше) 2-Х ТАКТНОГО ПЛМ MERCURY 90 Серийный номер от 9793577 до 0P016999
Впускной коллектор и резонатор 2-Х ТАКТНОГО ПЛМ MERCURY 90 Серийный номер от 9793577 до 0P016999
Выхлопная труба 2-Х ТАКТНОГО ПЛМ MERCURY 90 Серийный номер от 9793577 до 0P016999
Гидроподъем (BLACK FILL PLUG)S/N-USA-0G360002/BEL-9934136 и ниже 2-Х ТАКТНОГО ПЛМ MERCURY 90 Серийный номер от 9793577 до 0P016999
Гидроподъем (YELLOW FILL PLUG)S/N-USA-0G360003/BEL-9934137 и выше 2-Х ТАКТНОГО ПЛМ MERCURY 90 Серийный номер от 9793577 до 0P016999
Дроссель и рычаг 2-Х ТАКТНОГО ПЛМ MERCURY 90 Серийный номер от 9793577 до 0P016999
Инструменты 2-Х ТАКТНОГО ПЛМ MERCURY 90 Серийный номер от 9793577 до 0P016999
Карбюратор (WME-29/30/31/41/46/47/48/49) 2-Х ТАКТНОГО ПЛМ MERCURY 90 Серийный номер от 9793577 до 0P016999
Карбюратор (WME-59/60/61/62/75/76/77/78) 2-Х ТАКТНОГО ПЛМ MERCURY 90 Серийный номер от 9793577 до 0P016999
Ключи 2-Х ТАКТНОГО ПЛМ MERCURY 90 Серийный номер от 9793577 до 0P016999
Коленвал, поршни и шатуны 2-Х ТАКТНОГО ПЛМ MERCURY 90 Серийный номер от 9793577 до 0P016999
Компоненты ручного управления (Часть 1) 2-Х ТАКТНОГО ПЛМ MERCURY 90 Серийный номер от 9793577 до 0P016999
Компоненты ручного управления (Часть 2) 2-Х ТАКТНОГО ПЛМ MERCURY 90 Серийный номер от 9793577 до 0P016999
Компоненты топливного насоса 2-Х ТАКТНОГО ПЛМ MERCURY 90 Серийный номер от 9793577 до 0P016999
Корпус карданного вала 2-Х ТАКТНОГО ПЛМ MERCURY 90 Серийный номер от 9793577 до 0P016999
Корпус шестерни (карданный вал)(3 JAW REVERSE CLUTCH) 2-Х ТАКТНОГО ПЛМ MERCURY 90 Серийный номер от 9793577 до 0P016999
Корпус шестерни (карданный вал)(6 JAW REVERSE CLUTCH) 2-Х ТАКТНОГО ПЛМ MERCURY 90 Серийный номер от 9793577 до 0P016999
Корпус шестерни (приводной вал)(3 JAW REVERSE CLUTCH) 2-Х ТАКТНОГО ПЛМ MERCURY 90 Серийный номер от 9793577 до 0P016999
Корпус шестерни (приводной вал)(6 JAW REVERSE CLUTCH) 2-Х ТАКТНОГО ПЛМ MERCURY 90 Серийный номер от 9793577 до 0P016999
Кронштейн транца (MANUAL TILT ASSIST) 2-Х ТАКТНОГО ПЛМ MERCURY 90 Серийный номер от 9793577 до 0P016999
Кронштейн транца (NON POWER TRIM & POWER TRIM) 2-Х ТАКТНОГО ПЛМ MERCURY 90 Серийный номер от 9793577 до 0P016999
Маховик и стартер (USA-0G437999/BEL-9926999 и ниже) 2-Х ТАКТНОГО ПЛМ MERCURY 90 Серийный номер от 9793577 до 0P016999
Маховик и стартер (USA-0G438000/BEL-9927000 и выше) 2-Х ТАКТНОГО ПЛМ MERCURY 90 Серийный номер от 9793577 до 0P016999
Низ капота 2-Х ТАКТНОГО ПЛМ MERCURY 90 Серийный номер от 9793577 до 0P016999
Пластина аттенюатора 2-Х ТАКТНОГО ПЛМ MERCURY 90 Серийный номер от 9793577 до 0P016999
Пластина фиксации поворота 2-Х ТАКТНОГО ПЛМ MERCURY 90 Серийный номер от 9793577 до 0P016999
Поворотный кронштейн и рулевой рычаг 2-Х ТАКТНОГО ПЛМ MERCURY 90 Серийный номер от 9793577 до 0P016999
Румпель 2-Х ТАКТНОГО ПЛМ MERCURY 90 Серийный номер от 9793577 до 0P016999
Система прокачки (USA-0G127500/BEL-9836633 и выше) 2-Х ТАКТНОГО ПЛМ MERCURY 90 Серийный номер от 9793577 до 0P016999
Стартер 2-Х ТАКТНОГО ПЛМ MERCURY 90 Серийный номер от 9793577 до 0P016999
Стартер в сборе (ручной) 2-Х ТАКТНОГО ПЛМ MERCURY 90 Серийный номер от 9793577 до 0P016999
Топливный насос 2-Х ТАКТНОГО ПЛМ MERCURY 90 Серийный номер от 9793577 до 0P016999
Топливный насос в сборе 2-Х ТАКТНОГО ПЛМ MERCURY 90 Серийный номер от 9793577 до 0P016999
Электрика (USA-0G127499/BEL-9836632 и ниже) 2-Х ТАКТНОГО ПЛМ MERCURY 90 Серийный номер от 9793577 до 0P016999
Электрика (USA-0G127500 - 0G437999)(BEL-9836633 - 9926999) 2-Х ТАКТНОГО ПЛМ MERCURY 90 Серийный номер от 9793577 до 0P016999
Электрика (USA-S/N-0G438000/BEL-9937000 и выше) 2-Х ТАКТНОГО ПЛМ MERCURY 90 Серийный номер от 9793577 до 0P016999
Запчасти для 2-х тактного ПЛМ MERCURY 150 PRO XS L OPTIMAX Серийный номер от 1B690542 и выше
Аварийный световой сигнализатор 2-Х ТАКТНОГО ПЛМ MERCURY 150 PRO XS L OPTIMAX Серийный номер от 1B690542 и выше
Аксессуары 2-Х ТАКТНОГО ПЛМ MERCURY 150 PRO XS L OPTIMAX Серийный номер от 1B690542 и выше
Блок цилиндров 2-Х ТАКТНОГО ПЛМ MERCURY 150 PRO XS L OPTIMAX Серийный номер от 1B690542 и выше
Верх капота 2-Х ТАКТНОГО ПЛМ MERCURY 150 PRO XS L OPTIMAX Серийный номер от 1B690542 и выше
Водяной шланг 2-Х ТАКТНОГО ПЛМ MERCURY 150 PRO XS L OPTIMAX Серийный номер от 1B690542 и выше
Воздухозаборник 2-Х ТАКТНОГО ПЛМ MERCURY 150 PRO XS L OPTIMAX Серийный номер от 1B690542 и выше
Воздушный шланг 2-Х ТАКТНОГО ПЛМ MERCURY 150 PRO XS L OPTIMAX Серийный номер от 1B690542 и выше
Выпускной коллектор и выпускная пластина 2-Х ТАКТНОГО ПЛМ MERCURY 150 PRO XS L OPTIMAX Серийный номер от 1B690542 и выше
Головка цилиндра 2-Х ТАКТНОГО ПЛМ MERCURY 150 PRO XS L OPTIMAX Серийный номер от 1B690542 и выше
Заливная горловина 2-Х ТАКТНОГО ПЛМ MERCURY 150 PRO XS L OPTIMAX Серийный номер от 1B690542 и выше
Инструменты 2-Х ТАКТНОГО ПЛМ MERCURY 150 PRO XS L OPTIMAX Серийный номер от 1B690542 и выше
Коленвал, поршни и шатуны 2-Х ТАКТНОГО ПЛМ MERCURY 150 PRO XS L OPTIMAX Серийный номер от 1B690542 и выше
Комплект Mercathode 2-Х ТАКТНОГО ПЛМ MERCURY 150 PRO XS L OPTIMAX Серийный номер от 1B690542 и выше
Комплект тяг для двойной установки двигателей 2-Х ТАКТНОГО ПЛМ MERCURY 150 PRO XS L OPTIMAX Серийный номер от 1B690542 и выше
Компоненты воздушного компрессора 2-Х ТАКТНОГО ПЛМ MERCURY 150 PRO XS L OPTIMAX Серийный номер от 1B690542 и выше
Компоненты впрыска масла 2-Х ТАКТНОГО ПЛМ MERCURY 150 PRO XS L OPTIMAX Серийный номер от 1B690542 и выше
Компоненты гидроподъема 2-Х ТАКТНОГО ПЛМ MERCURY 150 PRO XS L OPTIMAX Серийный номер от 1B690542 и выше
Корпус карданного вала и выхлопная труба 2-Х ТАКТНОГО ПЛМ MERCURY 150 PRO XS L OPTIMAX Серийный номер от 1B690542 и выше
Корпус редуктора, карданный вал 2-Х ТАКТНОГО ПЛМ MERCURY 150 PRO XS L OPTIMAX Серийный номер от 1B690542 и выше
Корпус редуктора, приводной вал 2-Х ТАКТНОГО ПЛМ MERCURY 150 PRO XS L OPTIMAX Серийный номер от 1B690542 и выше
Кронштейн транца 2-Х ТАКТНОГО ПЛМ MERCURY 150 PRO XS L OPTIMAX Серийный номер от 1B690542 и выше
Крышка воздухозаборника 2-Х ТАКТНОГО ПЛМ MERCURY 150 PRO XS L OPTIMAX Серийный номер от 1B690542 и выше
Маслопровод 2-Х ТАКТНОГО ПЛМ MERCURY 150 PRO XS L OPTIMAX Серийный номер от 1B690542 и выше
Маховик / генератор переменного тока 2-Х ТАКТНОГО ПЛМ MERCURY 150 PRO XS L OPTIMAX Серийный номер от 1B690542 и выше
Модуль управления движителем 2-Х ТАКТНОГО ПЛМ MERCURY 150 PRO XS L OPTIMAX Серийный номер от 1B690542 и выше
Набор прокладок 2-Х ТАКТНОГО ПЛМ MERCURY 150 PRO XS L OPTIMAX Серийный номер от 1B690542 и выше
Низ капота 2-Х ТАКТНОГО ПЛМ MERCURY 150 PRO XS L OPTIMAX Серийный номер от 1B690542 и выше
Паросепаратор 2-Х ТАКТНОГО ПЛМ MERCURY 150 PRO XS L OPTIMAX Серийный номер от 1B690542 и выше
Пластина, крепление катушки 2-Х ТАКТНОГО ПЛМ MERCURY 150 PRO XS L OPTIMAX Серийный номер от 1B690542 и выше
Поворотный кронштейн и рулевой рычаг 2-Х ТАКТНОГО ПЛМ MERCURY 150 PRO XS L OPTIMAX Серийный номер от 1B690542 и выше
Рычаг дроссельной заслонки и вал переключения 2-Х ТАКТНОГО ПЛМ MERCURY 150 PRO XS L OPTIMAX Серийный номер от 1B690542 и выше
Стартер 2-Х ТАКТНОГО ПЛМ MERCURY 150 PRO XS L OPTIMAX Серийный номер от 1B690542 и выше
Топливный насос 2-Х ТАКТНОГО ПЛМ MERCURY 150 PRO XS L OPTIMAX Серийный номер от 1B690542 и выше
Топливный шланг 2-Х ТАКТНОГО ПЛМ MERCURY 150 PRO XS L OPTIMAX Серийный номер от 1B690542 и выше
Топливопроводы 2-Х ТАКТНОГО ПЛМ MERCURY 150 PRO XS L OPTIMAX Серийный номер от 1B690542 и выше
Электрическая пластина 2-Х ТАКТНОГО ПЛМ MERCURY 150 PRO XS L OPTIMAX Серийный номер от 1B690542 и выше
Запчасти для подвесных лодочных моторов MERCURY (4х-тактные)
Запчасти для 4-х тактного ПЛМ MERCURY 2.5 Серийный номер от 0R131842 и выше
Блок цилиндров, Serial # 0R318095 и ниже 4-Х ТАКТНОГО ПЛМ MERCURY 2.5 Серийный номер от 0R131842 и выше
Блок цилиндров, Serial # 0R318096 и выше 4-Х ТАКТНОГО ПЛМ MERCURY 2.5 Серийный номер от 0R131842 и выше
Зажимной кронштейн 4-Х ТАКТНОГО ПЛМ MERCURY 2.5 Серийный номер от 0R131842 и выше
Инструменты 4-Х ТАКТНОГО ПЛМ MERCURY 2.5 Серийный номер от 0R131842 и выше
Капот 4-Х ТАКТНОГО ПЛМ MERCURY 2.5 Серийный номер от 0R131842 и выше
Карбюратор, Serial # 0R318095 и ниже 4-Х ТАКТНОГО ПЛМ MERCURY 2.5 Серийный номер от 0R131842 и выше
Карбюратор, Serial # 0R318096 и выше 4-Х ТАКТНОГО ПЛМ MERCURY 2.5 Серийный номер от 0R131842 и выше
Коленчатый вал, поршень и шатун 4-Х ТАКТНОГО ПЛМ MERCURY 2.5 Серийный номер от 0R131842 и выше
Комплекты прокладок 4-Х ТАКТНОГО ПЛМ MERCURY 2.5 Серийный номер от 0R131842 и выше
Корпус карданного вала 4-Х ТАКТНОГО ПЛМ MERCURY 2.5 Серийный номер от 0R131842 и выше
Корпус редуктора в сборе, карданный вал 4-Х ТАКТНОГО ПЛМ MERCURY 2.5 Серийный номер от 0R131842 и выше
Корпус редуктора в сборе, приводной вал 4-Х ТАКТНОГО ПЛМ MERCURY 2.5 Серийный номер от 0R131842 и выше
Масляный поддон, Serial # 0R318095 и ниже 4-Х ТАКТНОГО ПЛМ MERCURY 2.5 Серийный номер от 0R131842 и выше
Масляный поддон, Serial # 0R318096 и выше 4-Х ТАКТНОГО ПЛМ MERCURY 2.5 Серийный номер от 0R131842 и выше
Распредвал и клапаны, Serial # 0R318095 и ниже 4-Х ТАКТНОГО ПЛМ MERCURY 2.5 Серийный номер от 0R131842 и выше
Распредвал и клапаны, Serial # 0R318096 и выше 4-Х ТАКТНОГО ПЛМ MERCURY 2.5 Серийный номер от 0R131842 и выше
Рукоятка румпеля 4-Х ТАКТНОГО ПЛМ MERCURY 2.5 Серийный номер от 0R131842 и выше
Ручной стартер 4-Х ТАКТНОГО ПЛМ MERCURY 2.5 Серийный номер от 0R131842 и выше
Рычаг переключения передач 4-Х ТАКТНОГО ПЛМ MERCURY 2.5 Серийный номер от 0R131842 и выше
Топливный бак, Serial # 0R318095 и ниже 4-Х ТАКТНОГО ПЛМ MERCURY 2.5 Серийный номер от 0R131842 и выше
Топливный бак, Serial # 0R318096 и выше 4-Х ТАКТНОГО ПЛМ MERCURY 2.5 Серийный номер от 0R131842 и выше
Чашка маховика, Serial # 0R318095 и ниже 4-Х ТАКТНОГО ПЛМ MERCURY 2.5 Серийный номер от 0R131842 и выше
Чашка маховика, Serial # 0R318096 и выше 4-Х ТАКТНОГО ПЛМ MERCURY 2.5 Серийный номер от 0R131842 и выше
Запчасти для 4-х тактного ПЛМ MERCURY 3.5 Серийный номер от 0R131842 и выше
Блок цилиндров, Serial # 0R318095 и ниже 4-Х ТАКТНОГО ПЛМ MERCURY 3.5 Серийный номер от 0R131842 и выше
Блок цилиндров, Serial # 0R318096 и выше 4-Х ТАКТНОГО ПЛМ MERCURY 3.5 Серийный номер от 0R131842 и выше
Зажимной кронштейн 4-Х ТАКТНОГО ПЛМ MERCURY 3.5 Серийный номер от 0R131842 и выше
Инструменты 4-Х ТАКТНОГО ПЛМ MERCURY 3.5 Серийный номер от 0R131842 и выше
Капот 4-Х ТАКТНОГО ПЛМ MERCURY 3.5 Серийный номер от 0R131842 и выше
Карбюратор, Serial # 0R318095 и ниже 4-Х ТАКТНОГО ПЛМ MERCURY 3.5 Серийный номер от 0R131842 и выше
Карбюратор, Serial # 0R318096 и выше 4-Х ТАКТНОГО ПЛМ MERCURY 3.5 Серийный номер от 0R131842 и выше
Коленчатый вал, поршень и шатун 4-Х ТАКТНОГО ПЛМ MERCURY 3.5 Серийный номер от 0R131842 и выше
Комплекты прокладок 4-Х ТАКТНОГО ПЛМ MERCURY 3.5 Серийный номер от 0R131842 и выше
Корпус карданного вала 4-Х ТАКТНОГО ПЛМ MERCURY 3.5 Серийный номер от 0R131842 и выше
Корпус редуктора в сборе, карданный вал 4-Х ТАКТНОГО ПЛМ MERCURY 3.5 Серийный номер от 0R131842 и выше
Корпус редуктора в сборе, приводной вал 4-Х ТАКТНОГО ПЛМ MERCURY 3.5 Серийный номер от 0R131842 и выше
Масляный поддон, Serial # 0R318095 и ниже 4-Х ТАКТНОГО ПЛМ MERCURY 3.5 Серийный номер от 0R131842 и выше
Масляный поддон, Serial # 0R318096 и выше 4-Х ТАКТНОГО ПЛМ MERCURY 3.5 Серийный номер от 0R131842 и выше
Распредвал и клапаны, Serial # 0R318095 и ниже 4-Х ТАКТНОГО ПЛМ MERCURY 3.5 Серийный номер от 0R131842 и выше
Распредвал и клапаны, Serial # 0R318096 и выше 4-Х ТАКТНОГО ПЛМ MERCURY 3.5 Серийный номер от 0R131842 и выше
Рукоятка румпеля 4-Х ТАКТНОГО ПЛМ MERCURY 3.5 Серийный номер от 0R131842 и выше
Ручной стартер 4-Х ТАКТНОГО ПЛМ MERCURY 3.5 Серийный номер от 0R131842 и выше
Рычаг переключения передач 4-Х ТАКТНОГО ПЛМ MERCURY 3.5 Серийный номер от 0R131842 и выше
Топливный бак, Serial # 0R318095 и ниже 4-Х ТАКТНОГО ПЛМ MERCURY 3.5 Серийный номер от 0R131842 и выше
Топливный бак, Serial # 0R318096 и выше 4-Х ТАКТНОГО ПЛМ MERCURY 3.5 Серийный номер от 0R131842 и выше
Чашка маховика, Serial # 0R318095 и ниже 4-Х ТАКТНОГО ПЛМ MERCURY 3.5 Серийный номер от 0R131842 и выше
Чашка маховика, Serial # 0R318096 и выше 4-Х ТАКТНОГО ПЛМ MERCURY 3.5 Серийный номер от 0R131842 и выше
Запчасти для 4-х тактного ПЛМ MERCURY 4 Серийный номер от 0P073456 до 0P400999
Аксессуары 4-Х ТАКТНОГО ПЛМ MERCURY 4 Серийный номер от 0P073456 до 0P400999
Бак в сборе, топливный - пластик - 3,2 галлона 4-Х ТАКТНОГО ПЛМ MERCURY 4 Серийный номер от 0P073456 до 0P400999
Блок цилиндров 4-Х ТАКТНОГО ПЛМ MERCURY 4 Серийный номер от 0P073456 до 0P400999
Впускные / выпускные клапаны 4-Х ТАКТНОГО ПЛМ MERCURY 4 Серийный номер от 0P073456 до 0P400999
Вспомогательные части 4-Х ТАКТНОГО ПЛМ MERCURY 4 Серийный номер от 0P073456 до 0P400999
Встроенный топливный бак 4-Х ТАКТНОГО ПЛМ MERCURY 4 Серийный номер от 0P073456 до 0P400999
Дистанционное управление 4-Х ТАКТНОГО ПЛМ MERCURY 4 Серийный номер от 0P073456 до 0P400999
Дистанционное управление 4000, боковое крепление 4-Х ТАКТНОГО ПЛМ MERCURY 4 Серийный номер от 0P073456 до 0P400999
Зажимной кронштейн 4-Х ТАКТНОГО ПЛМ MERCURY 4 Серийный номер от 0P073456 до 0P400999
Зарядная катушка 4-Х ТАКТНОГО ПЛМ MERCURY 4 Серийный номер от 0P073456 до 0P400999
Инструменты (Часть 1) 4-Х ТАКТНОГО ПЛМ MERCURY 4 Серийный номер от 0P073456 до 0P400999
Инструменты (Часть 2) 4-Х ТАКТНОГО ПЛМ MERCURY 4 Серийный номер от 0P073456 до 0P400999
Капот 4-Х ТАКТНОГО ПЛМ MERCURY 4 Серийный номер от 0P073456 до 0P400999
Карбюратор 4-Х ТАКТНОГО ПЛМ MERCURY 4 Серийный номер от 0P073456 до 0P400999
Коленвал, поршни и шатуны 4-Х ТАКТНОГО ПЛМ MERCURY 4 Серийный номер от 0P073456 до 0P400999
Комплект для дистанционного управления 4-Х ТАКТНОГО ПЛМ MERCURY 4 Серийный номер от 0P073456 до 0P400999
Корпус карданного вала 4-Х ТАКТНОГО ПЛМ MERCURY 4 Серийный номер от 0P073456 до 0P400999
Корпус шестерни карданный вал 4-Х ТАКТНОГО ПЛМ MERCURY 4 Серийный номер от 0P073456 до 0P400999
Корпус шестерни приводной вал 4-Х ТАКТНОГО ПЛМ MERCURY 4 Серийный номер от 0P073456 до 0P400999
Маслосборник 4-Х ТАКТНОГО ПЛМ MERCURY 4 Серийный номер от 0P073456 до 0P400999
Прокладки двигателя 4-Х ТАКТНОГО ПЛМ MERCURY 4 Серийный номер от 0P073456 до 0P400999
Рукоятка рулевого управления 4-Х ТАКТНОГО ПЛМ MERCURY 4 Серийный номер от 0P073456 до 0P400999
Ручка переключения передач 4-Х ТАКТНОГО ПЛМ MERCURY 4 Серийный номер от 0P073456 до 0P400999
Ручной стартер 4-Х ТАКТНОГО ПЛМ MERCURY 4 Серийный номер от 0P073456 до 0P400999
Топливная система 4-Х ТАКТНОГО ПЛМ MERCURY 4 Серийный номер от 0P073456 до 0P400999
Тросы дроссельной заслонки 4-Х ТАКТНОГО ПЛМ MERCURY 4 Серийный номер от 0P073456 до 0P400999
Электрические компоненты 4-Х ТАКТНОГО ПЛМ MERCURY 4 Серийный номер от 0P073456 до 0P400999
Запчасти для 4-х тактного ПЛМ MERCURY 4 Серийный номер от 0P401000 и выше
Аксессуары 4-Х ТАКТНОГО ПЛМ MERCURY 4 Серийный номер от 0P401000 и выше
Бак в сборе, топливный - пластик - 3,2 галлона 4-Х ТАКТНОГО ПЛМ MERCURY 4 Серийный номер от 0P401000 и выше
Блок цилиндров 4-Х ТАКТНОГО ПЛМ MERCURY 4 Серийный номер от 0P401000 и выше
Впускные / выпускные клапаны 4-Х ТАКТНОГО ПЛМ MERCURY 4 Серийный номер от 0P401000 и выше
Вспомогательные части 4-Х ТАКТНОГО ПЛМ MERCURY 4 Серийный номер от 0P401000 и выше
Встроенный топливный бак, 4 л.с 4-Х ТАКТНОГО ПЛМ MERCURY 4 Серийный номер от 0P401000 и выше
Дистанционное управление 4000, боковое крепление 4-Х ТАКТНОГО ПЛМ MERCURY 4 Серийный номер от 0P401000 и выше
Зажимной кронштейн 4-Х ТАКТНОГО ПЛМ MERCURY 4 Серийный номер от 0P401000 и выше
Зарядная катушка 4-Х ТАКТНОГО ПЛМ MERCURY 4 Серийный номер от 0P401000 и выше
Инструменты (Часть 1) 4-Х ТАКТНОГО ПЛМ MERCURY 4 Серийный номер от 0P401000 и выше
Инструменты (Часть 2) 4-Х ТАКТНОГО ПЛМ MERCURY 4 Серийный номер от 0P401000 и выше
Капот 4-Х ТАКТНОГО ПЛМ MERCURY 4 Серийный номер от 0P401000 и выше
Карбюратор 4-Х ТАКТНОГО ПЛМ MERCURY 4 Серийный номер от 0P401000 и выше
Коленвал, поршни и шатуны 4-Х ТАКТНОГО ПЛМ MERCURY 4 Серийный номер от 0P401000 и выше
Комплект для дистанционного управления 4-Х ТАКТНОГО ПЛМ MERCURY 4 Серийный номер от 0P401000 и выше
Корпус карданного вала 4-Х ТАКТНОГО ПЛМ MERCURY 4 Серийный номер от 0P401000 и выше
Корпус шестерни карданный вал 4-Х ТАКТНОГО ПЛМ MERCURY 4 Серийный номер от 0P401000 и выше
Корпус шестерни приводной вал 4-Х ТАКТНОГО ПЛМ MERCURY 4 Серийный номер от 0P401000 и выше
Маслосборник 4-Х ТАКТНОГО ПЛМ MERCURY 4 Серийный номер от 0P401000 и выше
Прокладки двигателя 4-Х ТАКТНОГО ПЛМ MERCURY 4 Серийный номер от 0P401000 и выше
Рукоятка рулевого управления 4-Х ТАКТНОГО ПЛМ MERCURY 4 Серийный номер от 0P401000 и выше
Ручка переключения передач 4-Х ТАКТНОГО ПЛМ MERCURY 4 Серийный номер от 0P401000 и выше
Ручной стартер 4-Х ТАКТНОГО ПЛМ MERCURY 4 Серийный номер от 0P401000 и выше
Топливная система 4-Х ТАКТНОГО ПЛМ MERCURY 4 Серийный номер от 0P401000 и выше
Тросы дроссельной заслонки 4-Х ТАКТНОГО ПЛМ MERCURY 4 Серийный номер от 0P401000 и выше
Электрические компоненты 4-Х ТАКТНОГО ПЛМ MERCURY 4 Серийный номер от 0P401000 и выше
Запчасти для 4-х тактного ПЛМ MERCURY 4 Серийный номер от 0R000001 до 0R067089
Аксессуары 4-Х ТАКТНОГО ПЛМ MERCURY 4 Серийный номер от 0R000001 до 0R067089
Бак в сборе, топливный - пластик - 3,2 галлона 4-Х ТАКТНОГО ПЛМ MERCURY 4 Серийный номер от 0R000001 до 0R067089
Блок цилиндров 4-Х ТАКТНОГО ПЛМ MERCURY 4 Серийный номер от 0R000001 до 0R067089
Впускные / выпускные клапаны 4-Х ТАКТНОГО ПЛМ MERCURY 4 Серийный номер от 0R000001 до 0R067089
Вспомогательные части 4-Х ТАКТНОГО ПЛМ MERCURY 4 Серийный номер от 0R000001 до 0R067089
Встроенный топливный бак 4-Х ТАКТНОГО ПЛМ MERCURY 4 Серийный номер от 0R000001 до 0R067089
Дистанционное управление 4-Х ТАКТНОГО ПЛМ MERCURY 4 Серийный номер от 0R000001 до 0R067089
Дистанционное управление 4000, боковое крепление 4-Х ТАКТНОГО ПЛМ MERCURY 4 Серийный номер от 0R000001 до 0R067089
Зажимной кронштейн 4-Х ТАКТНОГО ПЛМ MERCURY 4 Серийный номер от 0R000001 до 0R067089
Зарядная катушка 4-Х ТАКТНОГО ПЛМ MERCURY 4 Серийный номер от 0R000001 до 0R067089
Инструменты (Часть 1) 4-Х ТАКТНОГО ПЛМ MERCURY 4 Серийный номер от 0R000001 до 0R067089
Инструменты (Часть 2) 4-Х ТАКТНОГО ПЛМ MERCURY 4 Серийный номер от 0R000001 до 0R067089
Капот 4-Х ТАКТНОГО ПЛМ MERCURY 4 Серийный номер от 0R000001 до 0R067089
Карбюратор 4-Х ТАКТНОГО ПЛМ MERCURY 4 Серийный номер от 0R000001 до 0R067089
Коленвал, поршни и шатуны 4-Х ТАКТНОГО ПЛМ MERCURY 4 Серийный номер от 0R000001 до 0R067089
Комплект для дистанционного управления 4-Х ТАКТНОГО ПЛМ MERCURY 4 Серийный номер от 0R000001 до 0R067089
Корпус карданного вала 4-Х ТАКТНОГО ПЛМ MERCURY 4 Серийный номер от 0R000001 до 0R067089
Корпус шестерни карданный вал 4-Х ТАКТНОГО ПЛМ MERCURY 4 Серийный номер от 0R000001 до 0R067089
Корпус шестерни приводной вал 4-Х ТАКТНОГО ПЛМ MERCURY 4 Серийный номер от 0R000001 до 0R067089
Маслосборник 4-Х ТАКТНОГО ПЛМ MERCURY 4 Серийный номер от 0R000001 до 0R067089
Прокладки двигателя 4-Х ТАКТНОГО ПЛМ MERCURY 4 Серийный номер от 0R000001 до 0R067089
Рукоятка рулевого управления 4-Х ТАКТНОГО ПЛМ MERCURY 4 Серийный номер от 0R000001 до 0R067089
Ручка переключения передач 4-Х ТАКТНОГО ПЛМ MERCURY 4 Серийный номер от 0R000001 до 0R067089
Ручной стартер 4-Х ТАКТНОГО ПЛМ MERCURY 4 Серийный номер от 0R000001 до 0R067089
Топливная система 4-Х ТАКТНОГО ПЛМ MERCURY 4 Серийный номер от 0R000001 до 0R067089
Тросы дроссельной заслонки 4-Х ТАКТНОГО ПЛМ MERCURY 4 Серийный номер от 0R000001 до 0R067089
Электрические компоненты 4-Х ТАКТНОГО ПЛМ MERCURY 4 Серийный номер от 0R000001 до 0R067089
Запчасти для 4-х тактного ПЛМ MERCURY 4 Серийный номер от 0R067090 и выше
Аксессуары 4-Х ТАКТНОГО ПЛМ MERCURY 4 Серийный номер от 0R067090 и выше
Бак в сборе, топливный - пластик - 3,2 галлона 4-Х ТАКТНОГО ПЛМ MERCURY 4 Серийный номер от 0R067090 и выше
Блок цилиндров 4-Х ТАКТНОГО ПЛМ MERCURY 4 Серийный номер от 0R067090 и выше
Впускные / выпускные клапаны 4-Х ТАКТНОГО ПЛМ MERCURY 4 Серийный номер от 0R067090 и выше
Вспомогательные части 4-Х ТАКТНОГО ПЛМ MERCURY 4 Серийный номер от 0R067090 и выше
Встроенный топливный бак, 4 л.с. 4-Х ТАКТНОГО ПЛМ MERCURY 4 Серийный номер от 0R067090 и выше
Зажимной кронштейн 4-Х ТАКТНОГО ПЛМ MERCURY 4 Серийный номер от 0R067090 и выше
Зарядная катушка 4-Х ТАКТНОГО ПЛМ MERCURY 4 Серийный номер от 0R067090 и выше
Инструменты (Часть 1) 4-Х ТАКТНОГО ПЛМ MERCURY 4 Серийный номер от 0R067090 и выше
Инструменты (Часть 2) 4-Х ТАКТНОГО ПЛМ MERCURY 4 Серийный номер от 0R067090 и выше
Капот 4-Х ТАКТНОГО ПЛМ MERCURY 4 Серийный номер от 0R067090 и выше
Карбюратор 4-Х ТАКТНОГО ПЛМ MERCURY 4 Серийный номер от 0R067090 и выше
Коленвал, поршни и шатуны 4-Х ТАКТНОГО ПЛМ MERCURY 4 Серийный номер от 0R067090 и выше
Комплект для дистанционного управления 4-Х ТАКТНОГО ПЛМ MERCURY 4 Серийный номер от 0R067090 и выше
Корпус карданного вала 4-Х ТАКТНОГО ПЛМ MERCURY 4 Серийный номер от 0R067090 и выше
Корпус шестерни карданный вал 4-Х ТАКТНОГО ПЛМ MERCURY 4 Серийный номер от 0R067090 и выше
Корпус шестерни приводной вал 4-Х ТАКТНОГО ПЛМ MERCURY 4 Серийный номер от 0R067090 и выше
Маслосборник 4-Х ТАКТНОГО ПЛМ MERCURY 4 Серийный номер от 0R067090 и выше
Прокладки двигателя 4-Х ТАКТНОГО ПЛМ MERCURY 4 Серийный номер от 0R067090 и выше
Пульт дистанционного управления 4000, боковое крепление 4-Х ТАКТНОГО ПЛМ MERCURY 4 Серийный номер от 0R067090 и выше
Рукоятка рулевого управления 4-Х ТАКТНОГО ПЛМ MERCURY 4 Серийный номер от 0R067090 и выше
Ручка переключения передач 4-Х ТАКТНОГО ПЛМ MERCURY 4 Серийный номер от 0R067090 и выше
Ручной стартер 4-Х ТАКТНОГО ПЛМ MERCURY 4 Серийный номер от 0R067090 и выше
Топливная система 4-Х ТАКТНОГО ПЛМ MERCURY 4 Серийный номер от 0R067090 и выше
Тросы дроссельной заслонки 4-Х ТАКТНОГО ПЛМ MERCURY 4 Серийный номер от 0R067090 и выше
Электрические компоненты 4-Х ТАКТНОГО ПЛМ MERCURY 4 Серийный номер от 0R067090 и выше
Запчасти для 4-х тактного ПЛМ MERCURY 5 Серийный номер от 0P073456 до 0P400999
Аксессуары 4-Х ТАКТНОГО ПЛМ MERCURY 5 Серийный номер от 0P073456 до 0P400999
Бак в сборе, топливный - пластик - 3,2 галлона 4-Х ТАКТНОГО ПЛМ MERCURY 5 Серийный номер от 0P073456 до 0P400999
Блок цилиндров 4-Х ТАКТНОГО ПЛМ MERCURY 5 Серийный номер от 0P073456 до 0P400999
Впускные / выпускные клапаны 4-Х ТАКТНОГО ПЛМ MERCURY 5 Серийный номер от 0P073456 до 0P400999
Вспомогательные части 4-Х ТАКТНОГО ПЛМ MERCURY 5 Серийный номер от 0P073456 до 0P400999
Встроенный топливный бак 4-Х ТАКТНОГО ПЛМ MERCURY 5 Серийный номер от 0P073456 до 0P400999
Дистанционное управление 4-Х ТАКТНОГО ПЛМ MERCURY 5 Серийный номер от 0P073456 до 0P400999
Дистанционное управление 4000, боковое крепление 4-Х ТАКТНОГО ПЛМ MERCURY 5 Серийный номер от 0P073456 до 0P400999
Зажимной кронштейн 4-Х ТАКТНОГО ПЛМ MERCURY 5 Серийный номер от 0P073456 до 0P400999
Зарядная катушка 4-Х ТАКТНОГО ПЛМ MERCURY 5 Серийный номер от 0P073456 до 0P400999
Инструменты (Часть 1) 4-Х ТАКТНОГО ПЛМ MERCURY 5 Серийный номер от 0P073456 до 0P400999
Инструменты (Часть 2) 4-Х ТАКТНОГО ПЛМ MERCURY 5 Серийный номер от 0P073456 до 0P400999
Капот 4-Х ТАКТНОГО ПЛМ MERCURY 5 Серийный номер от 0P073456 до 0P400999
Карбюратор 4-Х ТАКТНОГО ПЛМ MERCURY 5 Серийный номер от 0P073456 до 0P400999
Коленвал, поршни и шатуны 4-Х ТАКТНОГО ПЛМ MERCURY 5 Серийный номер от 0P073456 до 0P400999
Комплект для дистанционного управления 4-Х ТАКТНОГО ПЛМ MERCURY 5 Серийный номер от 0P073456 до 0P400999
Корпус карданного вала 4-Х ТАКТНОГО ПЛМ MERCURY 5 Серийный номер от 0P073456 до 0P400999
Корпус шестерни карданный вал 4-Х ТАКТНОГО ПЛМ MERCURY 5 Серийный номер от 0P073456 до 0P400999
Корпус шестерни приводной вал 4-Х ТАКТНОГО ПЛМ MERCURY 5 Серийный номер от 0P073456 до 0P400999
Маслосборник 4-Х ТАКТНОГО ПЛМ MERCURY 5 Серийный номер от 0P073456 до 0P400999
Прокладки двигателя 4-Х ТАКТНОГО ПЛМ MERCURY 5 Серийный номер от 0P073456 до 0P400999
Рукоятка рулевого управления 4-Х ТАКТНОГО ПЛМ MERCURY 5 Серийный номер от 0P073456 до 0P400999
Ручка переключения передач 4-Х ТАКТНОГО ПЛМ MERCURY 5 Серийный номер от 0P073456 до 0P400999
Ручной стартер 4-Х ТАКТНОГО ПЛМ MERCURY 5 Серийный номер от 0P073456 до 0P400999
Топливная система 4-Х ТАКТНОГО ПЛМ MERCURY 5 Серийный номер от 0P073456 до 0P400999
Тросы дроссельной заслонки 4-Х ТАКТНОГО ПЛМ MERCURY 5 Серийный номер от 0P073456 до 0P400999
Электрические компоненты 4-Х ТАКТНОГО ПЛМ MERCURY 5 Серийный номер от 0P073456 до 0P400999
Запчасти для 4-х тактного ПЛМ MERCURY 5 Серийный номер от 0P401000 и выше
Аксессуары 4-Х ТАКТНОГО ПЛМ MERCURY 5 Серийный номер от 0P401000 и выше
Бак в сборе, топливный - пластик - 3,2 галлона 4-Х ТАКТНОГО ПЛМ MERCURY 5 Серийный номер от 0P401000 и выше
Блок цилиндров 4-Х ТАКТНОГО ПЛМ MERCURY 5 Серийный номер от 0P401000 и выше
Впускные / выпускные клапаны 4-Х ТАКТНОГО ПЛМ MERCURY 5 Серийный номер от 0P401000 и выше
Вспомогательные части 4-Х ТАКТНОГО ПЛМ MERCURY 5 Серийный номер от 0P401000 и выше
Встроенный топливный бак, 4 л.с. 4-Х ТАКТНОГО ПЛМ MERCURY 5 Серийный номер от 0P401000 и выше
Дистанционное управление 4000, боковое крепление 4-Х ТАКТНОГО ПЛМ MERCURY 5 Серийный номер от 0P401000 и выше
Зажимной кронштейн 4-Х ТАКТНОГО ПЛМ MERCURY 5 Серийный номер от 0P401000 и выше
Зарядная катушка 4-Х ТАКТНОГО ПЛМ MERCURY 5 Серийный номер от 0P401000 и выше
Инструменты (Часть 1) 4-Х ТАКТНОГО ПЛМ MERCURY 5 Серийный номер от 0P401000 и выше
Инструменты (Часть 2) 4-Х ТАКТНОГО ПЛМ MERCURY 5 Серийный номер от 0P401000 и выше
Капот 4-Х ТАКТНОГО ПЛМ MERCURY 5 Серийный номер от 0P401000 и выше
Карбюратор 4-Х ТАКТНОГО ПЛМ MERCURY 5 Серийный номер от 0P401000 и выше
Коленвал, поршни и шатуны 4-Х ТАКТНОГО ПЛМ MERCURY 5 Серийный номер от 0P401000 и выше
Комплект для дистанционного управления 4-Х ТАКТНОГО ПЛМ MERCURY 5 Серийный номер от 0P401000 и выше
Корпус карданного вала 4-Х ТАКТНОГО ПЛМ MERCURY 5 Серийный номер от 0P401000 и выше
Корпус шестерни карданный вал 4-Х ТАКТНОГО ПЛМ MERCURY 5 Серийный номер от 0P401000 и выше
Корпус шестерни приводной вал 4-Х ТАКТНОГО ПЛМ MERCURY 5 Серийный номер от 0P401000 и выше
Маслосборник 4-Х ТАКТНОГО ПЛМ MERCURY 5 Серийный номер от 0P401000 и выше
Прокладки двигателя 4-Х ТАКТНОГО ПЛМ MERCURY 5 Серийный номер от 0P401000 и выше
Рукоятка рулевого управления 4-Х ТАКТНОГО ПЛМ MERCURY 5 Серийный номер от 0P401000 и выше
Ручка переключения передач 4-Х ТАКТНОГО ПЛМ MERCURY 5 Серийный номер от 0P401000 и выше
Ручной стартер 4-Х ТАКТНОГО ПЛМ MERCURY 5 Серийный номер от 0P401000 и выше
Топливная система 4-Х ТАКТНОГО ПЛМ MERCURY 5 Серийный номер от 0P401000 и выше
Тросы дроссельной заслонки 4-Х ТАКТНОГО ПЛМ MERCURY 5 Серийный номер от 0P401000 и выше
Электрические компоненты 4-Х ТАКТНОГО ПЛМ MERCURY 5 Серийный номер от 0P401000 и выше
Запчасти для 4-х тактного ПЛМ MERCURY 5 Серийный номер от 0R000001 до 0R067089
Аксессуары 4-Х ТАКТНОГО ПЛМ MERCURY 5 Серийный номер от 0R000001 до 0R067089
Бак в сборе, топливный - пластик - 3,2 галлона 4-Х ТАКТНОГО ПЛМ MERCURY 5 Серийный номер от 0R000001 до 0R067089
Блок цилиндров 4-Х ТАКТНОГО ПЛМ MERCURY 5 Серийный номер от 0R000001 до 0R067089
Впускные / выпускные клапаны 4-Х ТАКТНОГО ПЛМ MERCURY 5 Серийный номер от 0R000001 до 0R067089
Вспомогательные части 4-Х ТАКТНОГО ПЛМ MERCURY 5 Серийный номер от 0R000001 до 0R067089
Встроенный топливный бак 4-Х ТАКТНОГО ПЛМ MERCURY 5 Серийный номер от 0R000001 до 0R067089
Дистанционное управление 4-Х ТАКТНОГО ПЛМ MERCURY 5 Серийный номер от 0R000001 до 0R067089
Дистанционное управление 4000, боковое крепление 4-Х ТАКТНОГО ПЛМ MERCURY 5 Серийный номер от 0R000001 до 0R067089
Зажимной кронштейн 4-Х ТАКТНОГО ПЛМ MERCURY 5 Серийный номер от 0R000001 до 0R067089
Зарядная катушка 4-Х ТАКТНОГО ПЛМ MERCURY 5 Серийный номер от 0R000001 до 0R067089
Инструменты (Часть 1) 4-Х ТАКТНОГО ПЛМ MERCURY 5 Серийный номер от 0R000001 до 0R067089
Инструменты (Часть 2) 4-Х ТАКТНОГО ПЛМ MERCURY 5 Серийный номер от 0R000001 до 0R067089
Капот 4-Х ТАКТНОГО ПЛМ MERCURY 5 Серийный номер от 0R000001 до 0R067089
Карбюратор 4-Х ТАКТНОГО ПЛМ MERCURY 5 Серийный номер от 0R000001 до 0R067089
Коленвал, поршни и шатуны 4-Х ТАКТНОГО ПЛМ MERCURY 5 Серийный номер от 0R000001 до 0R067089
Комплект для дистанционного управления 4-Х ТАКТНОГО ПЛМ MERCURY 5 Серийный номер от 0R000001 до 0R067089
Корпус карданного вала 4-Х ТАКТНОГО ПЛМ MERCURY 5 Серийный номер от 0R000001 до 0R067089
Корпус шестерни карданный вал 4-Х ТАКТНОГО ПЛМ MERCURY 5 Серийный номер от 0R000001 до 0R067089
Корпус шестерни приводной вал 4-Х ТАКТНОГО ПЛМ MERCURY 5 Серийный номер от 0R000001 до 0R067089
Маслосборник 4-Х ТАКТНОГО ПЛМ MERCURY 5 Серийный номер от 0R000001 до 0R067089
Прокладки двигателя 4-Х ТАКТНОГО ПЛМ MERCURY 5 Серийный номер от 0R000001 до 0R067089
Рукоятка рулевого управления 4-Х ТАКТНОГО ПЛМ MERCURY 5 Серийный номер от 0R000001 до 0R067089
Ручка переключения передач 4-Х ТАКТНОГО ПЛМ MERCURY 5 Серийный номер от 0R000001 до 0R067089
Ручной стартер 4-Х ТАКТНОГО ПЛМ MERCURY 5 Серийный номер от 0R000001 до 0R067089
Топливная система 4-Х ТАКТНОГО ПЛМ MERCURY 5 Серийный номер от 0R000001 до 0R067089
Тросы дроссельной заслонки 4-Х ТАКТНОГО ПЛМ MERCURY 5 Серийный номер от 0R000001 до 0R067089
Электрические компоненты 4-Х ТАКТНОГО ПЛМ MERCURY 5 Серийный номер от 0R000001 до 0R067089
Запчасти для 4-х тактного ПЛМ MERCURY 5 Серийный номер от 0R067090 и выше
Аксессуары 4-Х ТАКТНОГО ПЛМ MERCURY 5 Серийный номер от 0R067090 и выше
Бак в сборе, топливный - пластик - 3,2 галлона 4-Х ТАКТНОГО ПЛМ MERCURY 5 Серийный номер от 0R067090 и выше
Блок цилиндров 4-Х ТАКТНОГО ПЛМ MERCURY 5 Серийный номер от 0R067090 и выше
Впускные / выпускные клапаны 4-Х ТАКТНОГО ПЛМ MERCURY 5 Серийный номер от 0R067090 и выше
Вспомогательные части 4-Х ТАКТНОГО ПЛМ MERCURY 5 Серийный номер от 0R067090 и выше
Встроенный топливный бак, 4 л.с. 4-Х ТАКТНОГО ПЛМ MERCURY 5 Серийный номер от 0R067090 и выше
Дистанционное управление 4000, боковое крепление 4-Х ТАКТНОГО ПЛМ MERCURY 5 Серийный номер от 0R067090 и выше
Зажимной кронштейн 4-Х ТАКТНОГО ПЛМ MERCURY 5 Серийный номер от 0R067090 и выше
Зарядная катушка 4-Х ТАКТНОГО ПЛМ MERCURY 5 Серийный номер от 0R067090 и выше
Инструменты (Часть 1) 4-Х ТАКТНОГО ПЛМ MERCURY 5 Серийный номер от 0R067090 и выше
Инструменты (Часть 2) 4-Х ТАКТНОГО ПЛМ MERCURY 5 Серийный номер от 0R067090 и выше
Капот 4-Х ТАКТНОГО ПЛМ MERCURY 5 Серийный номер от 0R067090 и выше
Карбюратор 4-Х ТАКТНОГО ПЛМ MERCURY 5 Серийный номер от 0R067090 и выше
Коленвал, поршни и шатуны 4-Х ТАКТНОГО ПЛМ MERCURY 5 Серийный номер от 0R067090 и выше
Комплект для дистанционного управления 4-Х ТАКТНОГО ПЛМ MERCURY 5 Серийный номер от 0R067090 и выше
Корпус карданного вала 4-Х ТАКТНОГО ПЛМ MERCURY 5 Серийный номер от 0R067090 и выше
Корпус шестерни карданный вал 4-Х ТАКТНОГО ПЛМ MERCURY 5 Серийный номер от 0R067090 и выше
Корпус шестерни приводной вал 4-Х ТАКТНОГО ПЛМ MERCURY 5 Серийный номер от 0R067090 и выше
Маслосборник 4-Х ТАКТНОГО ПЛМ MERCURY 5 Серийный номер от 0R067090 и выше
Прокладки двигателя 4-Х ТАКТНОГО ПЛМ MERCURY 5 Серийный номер от 0R067090 и выше
Рукоятка рулевого управления 4-Х ТАКТНОГО ПЛМ MERCURY 5 Серийный номер от 0R067090 и выше
Ручка переключения передач 4-Х ТАКТНОГО ПЛМ MERCURY 5 Серийный номер от 0R067090 и выше
Ручной стартер 4-Х ТАКТНОГО ПЛМ MERCURY 5 Серийный номер от 0R067090 и выше
Топливная система 4-Х ТАКТНОГО ПЛМ MERCURY 5 Серийный номер от 0R067090 и выше
Тросы дроссельной заслонки 4-Х ТАКТНОГО ПЛМ MERCURY 5 Серийный номер от 0R067090 и выше
Электрические компоненты 4-Х ТАКТНОГО ПЛМ MERCURY 5 Серийный номер от 0R067090 и выше
Запчасти для 4-х тактного ПЛМ MERCURY 6 Серийный номер от 0P073456 до 0P400999
Аксессуары 4-Х ТАКТНОГО ПЛМ MERCURY 6 Серийный номер от 0P073456 до 0P400999
Бак в сборе, топливный - пластик - 3,2 галлона 4-Х ТАКТНОГО ПЛМ MERCURY 6 Серийный номер от 0P073456 до 0P400999
Блок цилиндров 4-Х ТАКТНОГО ПЛМ MERCURY 6 Серийный номер от 0P073456 до 0P400999
Впускные / выпускные клапаны 4-Х ТАКТНОГО ПЛМ MERCURY 6 Серийный номер от 0P073456 до 0P400999
Вспомогательные части 4-Х ТАКТНОГО ПЛМ MERCURY 6 Серийный номер от 0P073456 до 0P400999
Встроенный топливный бак 4-Х ТАКТНОГО ПЛМ MERCURY 6 Серийный номер от 0P073456 до 0P400999
Дистанционное управление 4-Х ТАКТНОГО ПЛМ MERCURY 6 Серийный номер от 0P073456 до 0P400999
Дистанционное управление 4000, боковое крепление 4-Х ТАКТНОГО ПЛМ MERCURY 6 Серийный номер от 0P073456 до 0P400999
Зажимной кронштейн 4-Х ТАКТНОГО ПЛМ MERCURY 6 Серийный номер от 0P073456 до 0P400999
Зарядная катушка 4-Х ТАКТНОГО ПЛМ MERCURY 6 Серийный номер от 0P073456 до 0P400999
Инструменты (Часть 1) 4-Х ТАКТНОГО ПЛМ MERCURY 6 Серийный номер от 0P073456 до 0P400999
Инструменты (Часть 2) 4-Х ТАКТНОГО ПЛМ MERCURY 6 Серийный номер от 0P073456 до 0P400999
Капот 4-Х ТАКТНОГО ПЛМ MERCURY 6 Серийный номер от 0P073456 до 0P400999
Карбюратор 4-Х ТАКТНОГО ПЛМ MERCURY 6 Серийный номер от 0P073456 до 0P400999
Коленвал, поршни и шатуны 4-Х ТАКТНОГО ПЛМ MERCURY 6 Серийный номер от 0P073456 до 0P400999
Комплект для дистанционного управления 4-Х ТАКТНОГО ПЛМ MERCURY 6 Серийный номер от 0P073456 до 0P400999
Корпус карданного вала 4-Х ТАКТНОГО ПЛМ MERCURY 6 Серийный номер от 0P073456 до 0P400999
Корпус шестерни, карданный вал 4-Х ТАКТНОГО ПЛМ MERCURY 6 Серийный номер от 0P073456 до 0P400999
Корпус шестерни, приводной вал 4-Х ТАКТНОГО ПЛМ MERCURY 6 Серийный номер от 0P073456 до 0P400999
Маслосборник 4-Х ТАКТНОГО ПЛМ MERCURY 6 Серийный номер от 0P073456 до 0P400999
Прокладки двигателя 4-Х ТАКТНОГО ПЛМ MERCURY 6 Серийный номер от 0P073456 до 0P400999
Рукоятка рулевого управления 4-Х ТАКТНОГО ПЛМ MERCURY 6 Серийный номер от 0P073456 до 0P400999
Ручка переключения передач 4-Х ТАКТНОГО ПЛМ MERCURY 6 Серийный номер от 0P073456 до 0P400999
Ручной стартер 4-Х ТАКТНОГО ПЛМ MERCURY 6 Серийный номер от 0P073456 до 0P400999
Топливная система 4-Х ТАКТНОГО ПЛМ MERCURY 6 Серийный номер от 0P073456 до 0P400999
Тросы дроссельной заслонки 4-Х ТАКТНОГО ПЛМ MERCURY 6 Серийный номер от 0P073456 до 0P400999
Электрические компоненты 4-Х ТАКТНОГО ПЛМ MERCURY 6 Серийный номер от 0P073456 до 0P400999
Запчасти для 4-х тактного ПЛМ MERCURY 6 Серийный номер от 0P401000 и выше
Аксессуары 4-Х ТАКТНОГО ПЛМ MERCURY 6 Серийный номер от 0P401000 и выше
Бак в сборе, топливный - пластик - 3,2 галлона 4-Х ТАКТНОГО ПЛМ MERCURY 6 Серийный номер от 0P401000 и выше
Блок цилиндров 4-Х ТАКТНОГО ПЛМ MERCURY 6 Серийный номер от 0P401000 и выше
Впускные / выпускные клапаны 4-Х ТАКТНОГО ПЛМ MERCURY 6 Серийный номер от 0P401000 и выше
Вспомогательные части 4-Х ТАКТНОГО ПЛМ MERCURY 6 Серийный номер от 0P401000 и выше
Встроенный топливный бак, 4 л.с. 4-Х ТАКТНОГО ПЛМ MERCURY 6 Серийный номер от 0P401000 и выше
Дистанционное управление 4000, боковое крепление 4-Х ТАКТНОГО ПЛМ MERCURY 6 Серийный номер от 0P401000 и выше
Зажимной кронштейн 4-Х ТАКТНОГО ПЛМ MERCURY 6 Серийный номер от 0P401000 и выше
Зарядная катушка 4-Х ТАКТНОГО ПЛМ MERCURY 6 Серийный номер от 0P401000 и выше
Инструменты (Часть 1) 4-Х ТАКТНОГО ПЛМ MERCURY 6 Серийный номер от 0P401000 и выше
Инструменты (Часть 2) 4-Х ТАКТНОГО ПЛМ MERCURY 6 Серийный номер от 0P401000 и выше
Капот 4-Х ТАКТНОГО ПЛМ MERCURY 6 Серийный номер от 0P401000 и выше
Карбюратор 4-Х ТАКТНОГО ПЛМ MERCURY 6 Серийный номер от 0P401000 и выше
Коленвал, поршни и шатуны 4-Х ТАКТНОГО ПЛМ MERCURY 6 Серийный номер от 0P401000 и выше
Комплект для дистанционного управления 4-Х ТАКТНОГО ПЛМ MERCURY 6 Серийный номер от 0P401000 и выше
Корпус карданного вала 4-Х ТАКТНОГО ПЛМ MERCURY 6 Серийный номер от 0P401000 и выше
Корпус шестерни, карданный вал 4-Х ТАКТНОГО ПЛМ MERCURY 6 Серийный номер от 0P401000 и выше
Корпус шестерни, приводной вал 4-Х ТАКТНОГО ПЛМ MERCURY 6 Серийный номер от 0P401000 и выше
Маслосборник 4-Х ТАКТНОГО ПЛМ MERCURY 6 Серийный номер от 0P401000 и выше
Прокладки двигателя 4-Х ТАКТНОГО ПЛМ MERCURY 6 Серийный номер от 0P401000 и выше
Рукоятка рулевого управления 4-Х ТАКТНОГО ПЛМ MERCURY 6 Серийный номер от 0P401000 и выше
Ручка переключения передач 4-Х ТАКТНОГО ПЛМ MERCURY 6 Серийный номер от 0P401000 и выше
Ручной стартер 4-Х ТАКТНОГО ПЛМ MERCURY 6 Серийный номер от 0P401000 и выше
Топливная система 4-Х ТАКТНОГО ПЛМ MERCURY 6 Серийный номер от 0P401000 и выше
Тросы дроссельной заслонки 4-Х ТАКТНОГО ПЛМ MERCURY 6 Серийный номер от 0P401000 и выше
Электрические компоненты 4-Х ТАКТНОГО ПЛМ MERCURY 6 Серийный номер от 0P401000 и выше
Запчасти для 4-х тактного ПЛМ MERCURY 6 Серийный номер от 0R000001 до 0R067089
Аксессуары 4-Х ТАКТНОГО ПЛМ MERCURY 6 Серийный номер от 0R000001 до 0R067089
Бак в сборе, топливный - пластик - 3,2 галлона 4-Х ТАКТНОГО ПЛМ MERCURY 6 Серийный номер от 0R000001 до 0R067089
Блок цилиндров 4-Х ТАКТНОГО ПЛМ MERCURY 6 Серийный номер от 0R000001 до 0R067089
Впускные / выпускные клапаны 4-Х ТАКТНОГО ПЛМ MERCURY 6 Серийный номер от 0R000001 до 0R067089
Вспомогательные части 4-Х ТАКТНОГО ПЛМ MERCURY 6 Серийный номер от 0R000001 до 0R067089
Встроенный топливный бак 4-Х ТАКТНОГО ПЛМ MERCURY 6 Серийный номер от 0R000001 до 0R067089
Дистанционное управление 4-Х ТАКТНОГО ПЛМ MERCURY 6 Серийный номер от 0R000001 до 0R067089
Дистанционное управление 4000, боковое крепление 4-Х ТАКТНОГО ПЛМ MERCURY 6 Серийный номер от 0R000001 до 0R067089
Зажимной кронштейн 4-Х ТАКТНОГО ПЛМ MERCURY 6 Серийный номер от 0R000001 до 0R067089
Зарядная катушка 4-Х ТАКТНОГО ПЛМ MERCURY 6 Серийный номер от 0R000001 до 0R067089
Инструменты (Часть 1) 4-Х ТАКТНОГО ПЛМ MERCURY 6 Серийный номер от 0R000001 до 0R067089
Инструменты (Часть 2) 4-Х ТАКТНОГО ПЛМ MERCURY 6 Серийный номер от 0R000001 до 0R067089
Капот 4-Х ТАКТНОГО ПЛМ MERCURY 6 Серийный номер от 0R000001 до 0R067089
Карбюратор 4-Х ТАКТНОГО ПЛМ MERCURY 6 Серийный номер от 0R000001 до 0R067089
Коленвал, поршни и шатуны 4-Х ТАКТНОГО ПЛМ MERCURY 6 Серийный номер от 0R000001 до 0R067089
Комплект для дистанционного управления 4-Х ТАКТНОГО ПЛМ MERCURY 6 Серийный номер от 0R000001 до 0R067089
Корпус карданного вала 4-Х ТАКТНОГО ПЛМ MERCURY 6 Серийный номер от 0R000001 до 0R067089
Корпус шестерни, карданный вал 4-Х ТАКТНОГО ПЛМ MERCURY 6 Серийный номер от 0R000001 до 0R067089
Корпус шестерни, приводной вал 4-Х ТАКТНОГО ПЛМ MERCURY 6 Серийный номер от 0R000001 до 0R067089
Маслосборник 4-Х ТАКТНОГО ПЛМ MERCURY 6 Серийный номер от 0R000001 до 0R067089
Прокладки двигателя 4-Х ТАКТНОГО ПЛМ MERCURY 6 Серийный номер от 0R000001 до 0R067089
Рукоятка рулевого управления 4-Х ТАКТНОГО ПЛМ MERCURY 6 Серийный номер от 0R000001 до 0R067089
Ручка переключения передач 4-Х ТАКТНОГО ПЛМ MERCURY 6 Серийный номер от 0R000001 до 0R067089
Ручной стартер 4-Х ТАКТНОГО ПЛМ MERCURY 6 Серийный номер от 0R000001 до 0R067089
Топливная система 4-Х ТАКТНОГО ПЛМ MERCURY 6 Серийный номер от 0R000001 до 0R067089
Тросы дроссельной заслонки 4-Х ТАКТНОГО ПЛМ MERCURY 6 Серийный номер от 0R000001 до 0R067089
Электрические компоненты 4-Х ТАКТНОГО ПЛМ MERCURY 6 Серийный номер от 0R000001 до 0R067089
Запчасти для 4-х тактного ПЛМ MERCURY 6 Серийный номер от 0R067090 и выше
Аксессуары 4-Х ТАКТНОГО ПЛМ MERCURY 6 Серийный номер от 0R067090 и выше
Бак в сборе, топливный - пластик - 3,2 галлона 4-Х ТАКТНОГО ПЛМ MERCURY 6 Серийный номер от 0R067090 и выше
Блок цилиндров 4-Х ТАКТНОГО ПЛМ MERCURY 6 Серийный номер от 0R067090 и выше
Впускные / выпускные клапаны 4-Х ТАКТНОГО ПЛМ MERCURY 6 Серийный номер от 0R067090 и выше
Вспомогательные части 4-Х ТАКТНОГО ПЛМ MERCURY 6 Серийный номер от 0R067090 и выше
Встроенный топливный бак 4-Х ТАКТНОГО ПЛМ MERCURY 6 Серийный номер от 0R067090 и выше
Дистанционное управление 4000, боковое крепление 4-Х ТАКТНОГО ПЛМ MERCURY 6 Серийный номер от 0R067090 и выше
Зажимной кронштейн 4-Х ТАКТНОГО ПЛМ MERCURY 6 Серийный номер от 0R067090 и выше
Зарядная катушка 4-Х ТАКТНОГО ПЛМ MERCURY 6 Серийный номер от 0R067090 и выше
Инструменты (Часть 1) 4-Х ТАКТНОГО ПЛМ MERCURY 6 Серийный номер от 0R067090 и выше
Инструменты (Часть 2) 4-Х ТАКТНОГО ПЛМ MERCURY 6 Серийный номер от 0R067090 и выше
Капот 4-Х ТАКТНОГО ПЛМ MERCURY 6 Серийный номер от 0R067090 и выше
Карбюратор 4-Х ТАКТНОГО ПЛМ MERCURY 6 Серийный номер от 0R067090 и выше
Коленвал, поршни и шатуны 4-Х ТАКТНОГО ПЛМ MERCURY 6 Серийный номер от 0R067090 и выше
Комплект для дистанционного управления 4-Х ТАКТНОГО ПЛМ MERCURY 6 Серийный номер от 0R067090 и выше
Корпус карданного вала 4-Х ТАКТНОГО ПЛМ MERCURY 6 Серийный номер от 0R067090 и выше
Корпус шестерни, карданный вал 4-Х ТАКТНОГО ПЛМ MERCURY 6 Серийный номер от 0R067090 и выше
Корпус шестерни, приводной вал 4-Х ТАКТНОГО ПЛМ MERCURY 6 Серийный номер от 0R067090 и выше
Маслосборник 4-Х ТАКТНОГО ПЛМ MERCURY 6 Серийный номер от 0R067090 и выше
Прокладки двигателя 4-Х ТАКТНОГО ПЛМ MERCURY 6 Серийный номер от 0R067090 и выше
Рукоятка рулевого управления 4-Х ТАКТНОГО ПЛМ MERCURY 6 Серийный номер от 0R067090 и выше
Ручка переключения передач 4-Х ТАКТНОГО ПЛМ MERCURY 6 Серийный номер от 0R067090 и выше
Ручной стартер 4-Х ТАКТНОГО ПЛМ MERCURY 6 Серийный номер от 0R067090 и выше
Топливная система 4-Х ТАКТНОГО ПЛМ MERCURY 6 Серийный номер от 0R067090 и выше
Тросы дроссельной заслонки 4-Х ТАКТНОГО ПЛМ MERCURY 6 Серийный номер от 0R067090 и выше
Электрические компоненты 4-Х ТАКТНОГО ПЛМ MERCURY 6 Серийный номер от 0R067090 и выше
Запчасти для 4-х тактного ПЛМ MERCURY 8 Серийный номер от 0P325500 и выше
Power Tilt Components 4-Х ТАКТНОГО ПЛМ MERCURY 8 Серийный номер от 0P325500 и выше
Power Trim Kit, 850700A07 4-Х ТАКТНОГО ПЛМ MERCURY 8 Серийный номер от 0P325500 и выше
Аксессуары 4-Х ТАКТНОГО ПЛМ MERCURY 8 Серийный номер от 0P325500 и выше
Блок цилиндров 4-Х ТАКТНОГО ПЛМ MERCURY 8 Серийный номер от 0P325500 и выше
Впускной коллектор и топливный насос 4-Х ТАКТНОГО ПЛМ MERCURY 8 Серийный номер от 0P325500 и выше
Впускные/выпускные клапаны 4-Х ТАКТНОГО ПЛМ MERCURY 8 Серийный номер от 0P325500 и выше
Головка цилиндра 4-Х ТАКТНОГО ПЛМ MERCURY 8 Серийный номер от 0P325500 и выше
Зажимной кронштейн, Non-Power Tilt 4-Х ТАКТНОГО ПЛМ MERCURY 8 Серийный номер от 0P325500 и выше
Зажимной кронштейн, Power Tilt 4-Х ТАКТНОГО ПЛМ MERCURY 8 Серийный номер от 0P325500 и выше
Инструменты 4-Х ТАКТНОГО ПЛМ MERCURY 8 Серийный номер от 0P325500 и выше
Капот 4-Х ТАКТНОГО ПЛМ MERCURY 8 Серийный номер от 0P325500 и выше
Карбюратор 4-Х ТАКТНОГО ПЛМ MERCURY 8 Серийный номер от 0P325500 и выше
Коленчатый вал, поршни и шатуны, 0R310614 и ниже 4-Х ТАКТНОГО ПЛМ MERCURY 8 Серийный номер от 0P325500 и выше
Коленчатый вал, поршни и шатуны, 0R310615 и выше 4-Х ТАКТНОГО ПЛМ MERCURY 8 Серийный номер от 0P325500 и выше
Комплект кабельных разъемов, 898289A20 4-Х ТАКТНОГО ПЛМ MERCURY 8 Серийный номер от 0P325500 и выше
Комплект крепления, рулевая тяга, 17024A03 4-Х ТАКТНОГО ПЛМ MERCURY 8 Серийный номер от 0P325500 и выше
Комплект переделки в дистанционное управление, 895284A01 4-Х ТАКТНОГО ПЛМ MERCURY 8 Серийный номер от 0P325500 и выше
Комплект переделки в дистанционное управление, 895284A02 4-Х ТАКТНОГО ПЛМ MERCURY 8 Серийный номер от 0P325500 и выше
Компоненты зажигания 4-Х ТАКТНОГО ПЛМ MERCURY 8 Серийный номер от 0P325500 и выше
Компоненты переключения передач, Non Bigfoot 4-Х ТАКТНОГО ПЛМ MERCURY 8 Серийный номер от 0P325500 и выше
Компоненты переключения передач,Bigfoot 4-Х ТАКТНОГО ПЛМ MERCURY 8 Серийный номер от 0P325500 и выше
Корпус карданного вала, Bigfoot 4-Х ТАКТНОГО ПЛМ MERCURY 8 Серийный номер от 0P325500 и выше
Корпус карданного вала, Non Bigfoot 4-Х ТАКТНОГО ПЛМ MERCURY 8 Серийный номер от 0P325500 и выше
Корпус шестерни, карданный вал-Bigfoot 4-Х ТАКТНОГО ПЛМ MERCURY 8 Серийный номер от 0P325500 и выше
Корпус шестерни, карданный вал-Non Bigfoot 4-Х ТАКТНОГО ПЛМ MERCURY 8 Серийный номер от 0P325500 и выше
Корпус шестерни, приводной вал-Bigfoot 4-Х ТАКТНОГО ПЛМ MERCURY 8 Серийный номер от 0P325500 и выше
Корпус шестерни, приводной вал-Non Bigfoot 4-Х ТАКТНОГО ПЛМ MERCURY 8 Серийный номер от 0P325500 и выше
Масляный насос распредвала 4-Х ТАКТНОГО ПЛМ MERCURY 8 Серийный номер от 0P325500 и выше
Набор переоборудования ручки румпеля, электрический - 889246A79 4-Х ТАКТНОГО ПЛМ MERCURY 8 Серийный номер от 0P325500 и выше
Набор переоборудования ручки румпеля, электрический - 889246A86 4-Х ТАКТНОГО ПЛМ MERCURY 8 Серийный номер от 0P325500 и выше
Набор переоборудования ручки румпеля, электрический - 896289A02 4-Х ТАКТНОГО ПЛМ MERCURY 8 Серийный номер от 0P325500 и выше
Набор переоборудования ручки румпеля, электрический - 8M0051063 4-Х ТАКТНОГО ПЛМ MERCURY 8 Серийный номер от 0P325500 и выше
Набор переоборудования ручки румпеля, электрический - 8M0051064 4-Х ТАКТНОГО ПЛМ MERCURY 8 Серийный номер от 0P325500 и выше
Набор переоборудования ручки румпеля, электрический - 8M0051066 4-Х ТАКТНОГО ПЛМ MERCURY 8 Серийный номер от 0P325500 и выше
Набор переоборудования ручки румпеля, электрический - 96289A01 4-Х ТАКТНОГО ПЛМ MERCURY 8 Серийный номер от 0P325500 и выше
Поворотный кронштейн, Non-Power Tilt 4-Х ТАКТНОГО ПЛМ MERCURY 8 Серийный номер от 0P325500 и выше
Поворотный кронштейн, Power Tilt 4-Х ТАКТНОГО ПЛМ MERCURY 8 Серийный номер от 0P325500 и выше
Рукоятка румпеля 4-Х ТАКТНОГО ПЛМ MERCURY 8 Серийный номер от 0P325500 и выше
Ручной стартер 4-Х ТАКТНОГО ПЛМ MERCURY 8 Серийный номер от 0P325500 и выше
Рычаг дроссельной заслонки/Переключения передач, 9.9 Remote Models 4-Х ТАКТНОГО ПЛМ MERCURY 8 Серийный номер от 0P325500 и выше
Топливный бак 4-Х ТАКТНОГО ПЛМ MERCURY 8 Серийный номер от 0P325500 и выше
Электрические компоненты, Electric Start Models 4-Х ТАКТНОГО ПЛМ MERCURY 8 Серийный номер от 0P325500 и выше
Электростартер Conversion Kit, 895298A01 4-Х ТАКТНОГО ПЛМ MERCURY 8 Серийный номер от 0P325500 и выше
Запчасти для 4-х тактного ПЛМ MERCURY 8 Серийный номер от 0R042475 и выше
Power Tilt Components 4-Х ТАКТНОГО ПЛМ MERCURY 8 Серийный номер от 0R042475 и выше
Power Trim Kit, 850700A07 4-Х ТАКТНОГО ПЛМ MERCURY 8 Серийный номер от 0R042475 и выше
Аксессуары 4-Х ТАКТНОГО ПЛМ MERCURY 8 Серийный номер от 0R042475 и выше
Блок цилиндров 4-Х ТАКТНОГО ПЛМ MERCURY 8 Серийный номер от 0R042475 и выше
Впускной коллектор и топливный насос 4-Х ТАКТНОГО ПЛМ MERCURY 8 Серийный номер от 0R042475 и выше
Впускные/выпускные клапаны 4-Х ТАКТНОГО ПЛМ MERCURY 8 Серийный номер от 0R042475 и выше
Головка цилиндра 4-Х ТАКТНОГО ПЛМ MERCURY 8 Серийный номер от 0R042475 и выше
Зажимной кронштейн, Non-Power Tilt 4-Х ТАКТНОГО ПЛМ MERCURY 8 Серийный номер от 0R042475 и выше
Зажимной кронштейн, Power Tilt 4-Х ТАКТНОГО ПЛМ MERCURY 8 Серийный номер от 0R042475 и выше
Инструменты 4-Х ТАКТНОГО ПЛМ MERCURY 8 Серийный номер от 0R042475 и выше
Капот 4-Х ТАКТНОГО ПЛМ MERCURY 8 Серийный номер от 0R042475 и выше
Карбюратор 4-Х ТАКТНОГО ПЛМ MERCURY 8 Серийный номер от 0R042475 и выше
Коленчатый вал, поршни и шатуны, 0R310614 и ниже 4-Х ТАКТНОГО ПЛМ MERCURY 8 Серийный номер от 0R042475 и выше
Коленчатый вал, поршни и шатуны, 0R310615 и выше 4-Х ТАКТНОГО ПЛМ MERCURY 8 Серийный номер от 0R042475 и выше
Комплект кабельных разъемов, 898289A20 4-Х ТАКТНОГО ПЛМ MERCURY 8 Серийный номер от 0R042475 и выше
Комплект крепления, рулевая тяга, 17024A03 4-Х ТАКТНОГО ПЛМ MERCURY 8 Серийный номер от 0R042475 и выше
Комплект переделки в дистанционное управление, 895284A01 4-Х ТАКТНОГО ПЛМ MERCURY 8 Серийный номер от 0R042475 и выше
Комплект переделки в дистанционное управление, 895284A02 4-Х ТАКТНОГО ПЛМ MERCURY 8 Серийный номер от 0R042475 и выше
Компоненты зажигания 4-Х ТАКТНОГО ПЛМ MERCURY 8 Серийный номер от 0R042475 и выше
Компоненты переключения передач, Bigfoot 4-Х ТАКТНОГО ПЛМ MERCURY 8 Серийный номер от 0R042475 и выше
Компоненты переключения передач, Non Bigfoot 4-Х ТАКТНОГО ПЛМ MERCURY 8 Серийный номер от 0R042475 и выше
Корпус карданного вала, Bigfoot 4-Х ТАКТНОГО ПЛМ MERCURY 8 Серийный номер от 0R042475 и выше
Корпус карданного вала, Non Bigfoot 4-Х ТАКТНОГО ПЛМ MERCURY 8 Серийный номер от 0R042475 и выше
Корпус шестерни, карданный вал-Bigfoot 4-Х ТАКТНОГО ПЛМ MERCURY 8 Серийный номер от 0R042475 и выше
Корпус шестерни, карданный вал-Non Bigfoot 4-Х ТАКТНОГО ПЛМ MERCURY 8 Серийный номер от 0R042475 и выше
Корпус шестерни, приводной вал-Bigfoot 4-Х ТАКТНОГО ПЛМ MERCURY 8 Серийный номер от 0R042475 и выше
Корпус шестерни, приводной вал-Non Bigfoot 4-Х ТАКТНОГО ПЛМ MERCURY 8 Серийный номер от 0R042475 и выше
Масляный насос распредвала 4-Х ТАКТНОГО ПЛМ MERCURY 8 Серийный номер от 0R042475 и выше
Набор переоборудования ручки румпеля, электрический - 889246A79 4-Х ТАКТНОГО ПЛМ MERCURY 8 Серийный номер от 0R042475 и выше
Набор переоборудования ручки румпеля, электрический - 889246A86 4-Х ТАКТНОГО ПЛМ MERCURY 8 Серийный номер от 0R042475 и выше
Набор переоборудования ручки румпеля, электрический - 896289A02 4-Х ТАКТНОГО ПЛМ MERCURY 8 Серийный номер от 0R042475 и выше
Набор переоборудования ручки румпеля, электрический - 8M0051063 4-Х ТАКТНОГО ПЛМ MERCURY 8 Серийный номер от 0R042475 и выше
Набор переоборудования ручки румпеля, электрический - 8M0051064 4-Х ТАКТНОГО ПЛМ MERCURY 8 Серийный номер от 0R042475 и выше
Набор переоборудования ручки румпеля, электрический - 8M0051066 4-Х ТАКТНОГО ПЛМ MERCURY 8 Серийный номер от 0R042475 и выше
Набор переоборудования ручки румпеля, электрический - 96289A01 4-Х ТАКТНОГО ПЛМ MERCURY 8 Серийный номер от 0R042475 и выше
Поворотный кронштейн, Non-Power Tilt 4-Х ТАКТНОГО ПЛМ MERCURY 8 Серийный номер от 0R042475 и выше
Поворотный кронштейн, Power Tilt 4-Х ТАКТНОГО ПЛМ MERCURY 8 Серийный номер от 0R042475 и выше
Рукоятка румпеля 4-Х ТАКТНОГО ПЛМ MERCURY 8 Серийный номер от 0R042475 и выше
Ручной стартер 4-Х ТАКТНОГО ПЛМ MERCURY 8 Серийный номер от 0R042475 и выше
Рычаг дроссельной заслонки/Переключения передач, 9.9 Remote Models 4-Х ТАКТНОГО ПЛМ MERCURY 8 Серийный номер от 0R042475 и выше
Топливный бак 4-Х ТАКТНОГО ПЛМ MERCURY 8 Серийный номер от 0R042475 и выше
Электрические компоненты, Electric Start Models 4-Х ТАКТНОГО ПЛМ MERCURY 8 Серийный номер от 0R042475 и выше
Электростартер Conversion Kit, 895298A01 4-Х ТАКТНОГО ПЛМ MERCURY 8 Серийный номер от 0R042475 и выше
Запчасти для 4-х тактного ПЛМ MERCURY 9.9 Серийный номер от 0P325500 и выше
Power Tilt Components 4-Х ТАКТНОГО ПЛМ MERCURY 9.9 Серийный номер от 0P325500 и выше
Power Trim Kit, 850700A07 4-Х ТАКТНОГО ПЛМ MERCURY 9.9 Серийный номер от 0P325500 и выше
Аксессуары 4-Х ТАКТНОГО ПЛМ MERCURY 9.9 Серийный номер от 0P325500 и выше
Блок цилиндров 4-Х ТАКТНОГО ПЛМ MERCURY 9.9 Серийный номер от 0P325500 и выше
Впускной коллектор и топливный насос 4-Х ТАКТНОГО ПЛМ MERCURY 9.9 Серийный номер от 0P325500 и выше
Впускные/выпускные клапаны 4-Х ТАКТНОГО ПЛМ MERCURY 9.9 Серийный номер от 0P325500 и выше
Головка цилиндра 4-Х ТАКТНОГО ПЛМ MERCURY 9.9 Серийный номер от 0P325500 и выше
Зажимной кронштейн, Non-Power Tilt 4-Х ТАКТНОГО ПЛМ MERCURY 9.9 Серийный номер от 0P325500 и выше
Зажимной кронштейн, Power Tilt 4-Х ТАКТНОГО ПЛМ MERCURY 9.9 Серийный номер от 0P325500 и выше
Инструменты 4-Х ТАКТНОГО ПЛМ MERCURY 9.9 Серийный номер от 0P325500 и выше
Капот 4-Х ТАКТНОГО ПЛМ MERCURY 9.9 Серийный номер от 0P325500 и выше
Карбюратор 4-Х ТАКТНОГО ПЛМ MERCURY 9.9 Серийный номер от 0P325500 и выше
Коленчатый вал, поршни и шатуны, 0R310614 и ниже 4-Х ТАКТНОГО ПЛМ MERCURY 9.9 Серийный номер от 0P325500 и выше
Коленчатый вал, поршни и шатуны, 0R310615 и выше 4-Х ТАКТНОГО ПЛМ MERCURY 9.9 Серийный номер от 0P325500 и выше
Комплект кабельных разъемов, 898289A20 4-Х ТАКТНОГО ПЛМ MERCURY 9.9 Серийный номер от 0P325500 и выше
Комплект крепления, рулевая тяга, 17024A03 4-Х ТАКТНОГО ПЛМ MERCURY 9.9 Серийный номер от 0P325500 и выше
Комплект переделки в дистанционное управление, 895284A01 4-Х ТАКТНОГО ПЛМ MERCURY 9.9 Серийный номер от 0P325500 и выше
Комплект переделки в дистанционное управление, 895284A02 4-Х ТАКТНОГО ПЛМ MERCURY 9.9 Серийный номер от 0P325500 и выше
Компоненты зажигания 4-Х ТАКТНОГО ПЛМ MERCURY 9.9 Серийный номер от 0P325500 и выше
Компоненты переключения передач, Bigfoot 4-Х ТАКТНОГО ПЛМ MERCURY 9.9 Серийный номер от 0P325500 и выше
Компоненты переключения передач, Non Bigfoot 4-Х ТАКТНОГО ПЛМ MERCURY 9.9 Серийный номер от 0P325500 и выше
Корпус карданного вала, Bigfoot 4-Х ТАКТНОГО ПЛМ MERCURY 9.9 Серийный номер от 0P325500 и выше
Корпус карданного вала, Non Bigfoot 4-Х ТАКТНОГО ПЛМ MERCURY 9.9 Серийный номер от 0P325500 и выше
Корпус шестерни, карданный вал-Bigfoot 4-Х ТАКТНОГО ПЛМ MERCURY 9.9 Серийный номер от 0P325500 и выше
Корпус шестерни, карданный вал-Non Bigfoot 4-Х ТАКТНОГО ПЛМ MERCURY 9.9 Серийный номер от 0P325500 и выше
Корпус шестерни, приводной вал-Bigfoot 4-Х ТАКТНОГО ПЛМ MERCURY 9.9 Серийный номер от 0P325500 и выше
Корпус шестерни, приводной вал-Non Bigfoot 4-Х ТАКТНОГО ПЛМ MERCURY 9.9 Серийный номер от 0P325500 и выше
Масляный насос распредвала 4-Х ТАКТНОГО ПЛМ MERCURY 9.9 Серийный номер от 0P325500 и выше
Набор переоборудования ручки румпеля, электрический - 889246A79 4-Х ТАКТНОГО ПЛМ MERCURY 9.9 Серийный номер от 0P325500 и выше
Набор переоборудования ручки румпеля, электрический - 889246A86 4-Х ТАКТНОГО ПЛМ MERCURY 9.9 Серийный номер от 0P325500 и выше
Набор переоборудования ручки румпеля, электрический - 896289A02 4-Х ТАКТНОГО ПЛМ MERCURY 9.9 Серийный номер от 0P325500 и выше
Набор переоборудования ручки румпеля, электрический - 8M0051063 4-Х ТАКТНОГО ПЛМ MERCURY 9.9 Серийный номер от 0P325500 и выше
Набор переоборудования ручки румпеля, электрический - 8M0051064 4-Х ТАКТНОГО ПЛМ MERCURY 9.9 Серийный номер от 0P325500 и выше
Набор переоборудования ручки румпеля, электрический - 8M0051066 4-Х ТАКТНОГО ПЛМ MERCURY 9.9 Серийный номер от 0P325500 и выше
Набор переоборудования ручки румпеля, электрический - 96289A01 4-Х ТАКТНОГО ПЛМ MERCURY 9.9 Серийный номер от 0P325500 и выше
Поворотный кронштейн, Non-Power Tilt 4-Х ТАКТНОГО ПЛМ MERCURY 9.9 Серийный номер от 0P325500 и выше
Поворотный кронштейн, Power Tilt 4-Х ТАКТНОГО ПЛМ MERCURY 9.9 Серийный номер от 0P325500 и выше
Рукоятка румпеля 4-Х ТАКТНОГО ПЛМ MERCURY 9.9 Серийный номер от 0P325500 и выше
Ручной стартер 4-Х ТАКТНОГО ПЛМ MERCURY 9.9 Серийный номер от 0P325500 и выше
Рычаг дроссельной заслонки/Переключения передач, 9.9 Remote Models 4-Х ТАКТНОГО ПЛМ MERCURY 9.9 Серийный номер от 0P325500 и выше
Топливный бак 4-Х ТАКТНОГО ПЛМ MERCURY 9.9 Серийный номер от 0P325500 и выше
Электрические компоненты, Electric Start Models 4-Х ТАКТНОГО ПЛМ MERCURY 9.9 Серийный номер от 0P325500 и выше
Электростартер Conversion Kit, 895298A01 4-Х ТАКТНОГО ПЛМ MERCURY 9.9 Серийный номер от 0P325500 и выше
Запчасти для 4-х тактного ПЛМ MERCURY 9.9 Серийный номер от 0R042475 и выше
Power Tilt Components 4-Х ТАКТНОГО ПЛМ MERCURY 9.9 Серийный номер от 0R042475 и выше
Power Trim Kit, 850700A07 4-Х ТАКТНОГО ПЛМ MERCURY 9.9 Серийный номер от 0R042475 и выше
Аксессуары 4-Х ТАКТНОГО ПЛМ MERCURY 9.9 Серийный номер от 0R042475 и выше
Блок цилиндров 4-Х ТАКТНОГО ПЛМ MERCURY 9.9 Серийный номер от 0R042475 и выше
Впускной коллектор и топливный насос 4-Х ТАКТНОГО ПЛМ MERCURY 9.9 Серийный номер от 0R042475 и выше
Впускные/выпускные клапаны 4-Х ТАКТНОГО ПЛМ MERCURY 9.9 Серийный номер от 0R042475 и выше
Головка цилиндра 4-Х ТАКТНОГО ПЛМ MERCURY 9.9 Серийный номер от 0R042475 и выше
Зажимной кронштейн, Non-Power Tilt 4-Х ТАКТНОГО ПЛМ MERCURY 9.9 Серийный номер от 0R042475 и выше
Зажимной кронштейн, Power Tilt 4-Х ТАКТНОГО ПЛМ MERCURY 9.9 Серийный номер от 0R042475 и выше
Инструменты 4-Х ТАКТНОГО ПЛМ MERCURY 9.9 Серийный номер от 0R042475 и выше
Капот 4-Х ТАКТНОГО ПЛМ MERCURY 9.9 Серийный номер от 0R042475 и выше
Карбюратор 4-Х ТАКТНОГО ПЛМ MERCURY 9.9 Серийный номер от 0R042475 и выше
Коленчатый вал, поршни и шатуны, 0R310614 и ниже 4-Х ТАКТНОГО ПЛМ MERCURY 9.9 Серийный номер от 0R042475 и выше
Коленчатый вал, поршни и шатуны, 0R310615 и выше 4-Х ТАКТНОГО ПЛМ MERCURY 9.9 Серийный номер от 0R042475 и выше
Комплект кабельных разъемов, 898289A20 4-Х ТАКТНОГО ПЛМ MERCURY 9.9 Серийный номер от 0R042475 и выше
Комплект крепления, рулевая тяга, 17024A03 4-Х ТАКТНОГО ПЛМ MERCURY 9.9 Серийный номер от 0R042475 и выше
Комплект переделки в дистанционное управление, 895284A01 4-Х ТАКТНОГО ПЛМ MERCURY 9.9 Серийный номер от 0R042475 и выше
Комплект переделки в дистанционное управление, 895284A02 4-Х ТАКТНОГО ПЛМ MERCURY 9.9 Серийный номер от 0R042475 и выше
Компоненты зажигания 4-Х ТАКТНОГО ПЛМ MERCURY 9.9 Серийный номер от 0R042475 и выше
Компоненты переключения передач, Bigfoot 4-Х ТАКТНОГО ПЛМ MERCURY 9.9 Серийный номер от 0R042475 и выше
Компоненты переключения передач, Non Bigfoot 4-Х ТАКТНОГО ПЛМ MERCURY 9.9 Серийный номер от 0R042475 и выше
Корпус карданного вала, Bigfoot 4-Х ТАКТНОГО ПЛМ MERCURY 9.9 Серийный номер от 0R042475 и выше
Корпус карданного вала, Non Bigfoot 4-Х ТАКТНОГО ПЛМ MERCURY 9.9 Серийный номер от 0R042475 и выше
Корпус шестерни, карданный вал-Bigfoot 4-Х ТАКТНОГО ПЛМ MERCURY 9.9 Серийный номер от 0R042475 и выше
Корпус шестерни, карданный вал-Non Bigfoot 4-Х ТАКТНОГО ПЛМ MERCURY 9.9 Серийный номер от 0R042475 и выше
Корпус шестерни, приводной вал-Bigfoot 4-Х ТАКТНОГО ПЛМ MERCURY 9.9 Серийный номер от 0R042475 и выше
Корпус шестерни, приводной вал-Non Bigfoot 4-Х ТАКТНОГО ПЛМ MERCURY 9.9 Серийный номер от 0R042475 и выше
Масляный насос распредвала 4-Х ТАКТНОГО ПЛМ MERCURY 9.9 Серийный номер от 0R042475 и выше
Набор переоборудования ручки румпеля, электрический - 889246A79 4-Х ТАКТНОГО ПЛМ MERCURY 9.9 Серийный номер от 0R042475 и выше
Набор переоборудования ручки румпеля, электрический - 889246A86 4-Х ТАКТНОГО ПЛМ MERCURY 9.9 Серийный номер от 0R042475 и выше
Набор переоборудования ручки румпеля, электрический - 896289A02 4-Х ТАКТНОГО ПЛМ MERCURY 9.9 Серийный номер от 0R042475 и выше
Набор переоборудования ручки румпеля, электрический - 8M0051063 4-Х ТАКТНОГО ПЛМ MERCURY 9.9 Серийный номер от 0R042475 и выше
Набор переоборудования ручки румпеля, электрический - 8M0051064 4-Х ТАКТНОГО ПЛМ MERCURY 9.9 Серийный номер от 0R042475 и выше
Набор переоборудования ручки румпеля, электрический - 8M0051066 4-Х ТАКТНОГО ПЛМ MERCURY 9.9 Серийный номер от 0R042475 и выше
Набор переоборудования ручки румпеля, электрический - 96289A01 4-Х ТАКТНОГО ПЛМ MERCURY 9.9 Серийный номер от 0R042475 и выше
Поворотный кронштейн, Non-Power Tilt 4-Х ТАКТНОГО ПЛМ MERCURY 9.9 Серийный номер от 0R042475 и выше
Поворотный кронштейн, Power Tilt 4-Х ТАКТНОГО ПЛМ MERCURY 9.9 Серийный номер от 0R042475 и выше
Рукоятка румпеля 4-Х ТАКТНОГО ПЛМ MERCURY 9.9 Серийный номер от 0R042475 и выше
Ручной стартер 4-Х ТАКТНОГО ПЛМ MERCURY 9.9 Серийный номер от 0R042475 и выше
Рычаг дроссельной заслонки/Переключения передач, 9.9 Remote Models 4-Х ТАКТНОГО ПЛМ MERCURY 9.9 Серийный номер от 0R042475 и выше
Топливный бак 4-Х ТАКТНОГО ПЛМ MERCURY 9.9 Серийный номер от 0R042475 и выше
Электрические компоненты, Electric Start Models 4-Х ТАКТНОГО ПЛМ MERCURY 9.9 Серийный номер от 0R042475 и выше
Электростартер Conversion Kit, 895298A01 4-Х ТАКТНОГО ПЛМ MERCURY 9.9 Серийный номер от 0R042475 и выше
Запчасти для 4-х тактного ПЛМ MERCURY F15 Серийный номер от 0G590000 до 0G760299
Аксессуары 4-Х ТАКТНОГО ПЛМ MERCURY F15 Серийный номер от 0G590000 до 0G760299
Блок цилиндров 4-Х ТАКТНОГО ПЛМ MERCURY F15 Серийный номер от 0G590000 до 0G760299
Верх капота 4-Х ТАКТНОГО ПЛМ MERCURY F15 Серийный номер от 0G590000 до 0G760299
Впускной коллектор 4-Х ТАКТНОГО ПЛМ MERCURY F15 Серийный номер от 0G590000 до 0G760299
Впускные/выпускные клапаны 4-Х ТАКТНОГО ПЛМ MERCURY F15 Серийный номер от 0G590000 до 0G760299
Головка цилиндра 4-Х ТАКТНОГО ПЛМ MERCURY F15 Серийный номер от 0G590000 до 0G760299
Зажимной кронштейн 4-Х ТАКТНОГО ПЛМ MERCURY F15 Серийный номер от 0G590000 до 0G760299
Инструменты 4-Х ТАКТНОГО ПЛМ MERCURY F15 Серийный номер от 0G590000 до 0G760299
Карбюратор 4-Х ТАКТНОГО ПЛМ MERCURY F15 Серийный номер от 0G590000 до 0G760299
Коленчатый вал, поршни и шатуны 4-Х ТАКТНОГО ПЛМ MERCURY F15 Серийный номер от 0G590000 до 0G760299
Корпус карданного вала 4-Х ТАКТНОГО ПЛМ MERCURY F15 Серийный номер от 0G590000 до 0G760299
Корпус шестерни, карданный вал - 2.00:1 передаточное число 4-Х ТАКТНОГО ПЛМ MERCURY F15 Серийный номер от 0G590000 до 0G760299
Корпус шестерни, карданный вал - 2.42:1 передаточное число 4-Х ТАКТНОГО ПЛМ MERCURY F15 Серийный номер от 0G590000 до 0G760299
Корпус шестерни, приводной вал - 2.00:1 передаточное число 4-Х ТАКТНОГО ПЛМ MERCURY F15 Серийный номер от 0G590000 до 0G760299
Корпус шестерни, приводной вал - 2.42:1 передаточное число 4-Х ТАКТНОГО ПЛМ MERCURY F15 Серийный номер от 0G590000 до 0G760299
Маховик 4-Х ТАКТНОГО ПЛМ MERCURY F15 Серийный номер от 0G590000 до 0G760299
Низ капота 4-Х ТАКТНОГО ПЛМ MERCURY F15 Серийный номер от 0G590000 до 0G760299
Поворотный кронштейн 4-Х ТАКТНОГО ПЛМ MERCURY F15 Серийный номер от 0G590000 до 0G760299
Распредвал и масляный насос 4-Х ТАКТНОГО ПЛМ MERCURY F15 Серийный номер от 0G590000 до 0G760299
Рукоятка румпеля 4-Х ТАКТНОГО ПЛМ MERCURY F15 Серийный номер от 0G590000 до 0G760299
Ручной стартер 4-Х ТАКТНОГО ПЛМ MERCURY F15 Серийный номер от 0G590000 до 0G760299
Рычаг дроссельной заслонки, Handle Models 4-Х ТАКТНОГО ПЛМ MERCURY F15 Серийный номер от 0G590000 до 0G760299
Рычаг дроссельной заслонки, Non-Handle Models 4-Х ТАКТНОГО ПЛМ MERCURY F15 Серийный номер от 0G590000 до 0G760299
Сигнализатор уровня масла 4-Х ТАКТНОГО ПЛМ MERCURY F15 Серийный номер от 0G590000 до 0G760299
Стартер 4-Х ТАКТНОГО ПЛМ MERCURY F15 Серийный номер от 0G590000 до 0G760299
Топливный насос 4-Х ТАКТНОГО ПЛМ MERCURY F15 Серийный номер от 0G590000 до 0G760299
Электрические компоненты 4-Х ТАКТНОГО ПЛМ MERCURY F15 Серийный номер от 0G590000 до 0G760299
Запчасти для 4-х тактного ПЛМ MERCURY F15 Серийный номер от 0G760300 до 1B226999
Аксессуары 4-Х ТАКТНОГО ПЛМ MERCURY F15 Серийный номер от 0G760300 до 1B226999
Блок цилиндров и крышки 4-Х ТАКТНОГО ПЛМ MERCURY F15 Серийный номер от 0G760300 до 1B226999
Верх капота 4-Х ТАКТНОГО ПЛМ MERCURY F15 Серийный номер от 0G760300 до 1B226999
Впускной коллектор 4-Х ТАКТНОГО ПЛМ MERCURY F15 Серийный номер от 0G760300 до 1B226999
Впускные/выпускные клапаны 4-Х ТАКТНОГО ПЛМ MERCURY F15 Серийный номер от 0G760300 до 1B226999
Головка цилиндра 4-Х ТАКТНОГО ПЛМ MERCURY F15 Серийный номер от 0G760300 до 1B226999
Зажимной кронштейн 4-Х ТАКТНОГО ПЛМ MERCURY F15 Серийный номер от 0G760300 до 1B226999
Инструменты 4-Х ТАКТНОГО ПЛМ MERCURY F15 Серийный номер от 0G760300 до 1B226999
Карбюратор 4-Х ТАКТНОГО ПЛМ MERCURY F15 Серийный номер от 0G760300 до 1B226999
Карданный вал 4-Х ТАКТНОГО ПЛМ MERCURY F15 Серийный номер от 0G760300 до 1B226999
Коленчатый вал, поршни и шатуны 4-Х ТАКТНОГО ПЛМ MERCURY F15 Серийный номер от 0G760300 до 1B226999
Корпус карданного вала 4-Х ТАКТНОГО ПЛМ MERCURY F15 Серийный номер от 0G760300 до 1B226999
Корпус шестерни, карданный вал - 2.00:1 передаточное число 4-Х ТАКТНОГО ПЛМ MERCURY F15 Серийный номер от 0G760300 до 1B226999
Корпус шестерни, карданный вал - 2.42:1 передаточное число 4-Х ТАКТНОГО ПЛМ MERCURY F15 Серийный номер от 0G760300 до 1B226999
Корпус шестерни, приводной вал - 2.00:1 передаточное число 4-Х ТАКТНОГО ПЛМ MERCURY F15 Серийный номер от 0G760300 до 1B226999
Корпус шестерни, приводной вал - 2.42:1 передаточное число 4-Х ТАКТНОГО ПЛМ MERCURY F15 Серийный номер от 0G760300 до 1B226999
Маховик 4-Х ТАКТНОГО ПЛМ MERCURY F15 Серийный номер от 0G760300 до 1B226999
Набор прокладок 4-Х ТАКТНОГО ПЛМ MERCURY F15 Серийный номер от 0G760300 до 1B226999
Низ капота 4-Х ТАКТНОГО ПЛМ MERCURY F15 Серийный номер от 0G760300 до 1B226999
Поворотный кронштейн 4-Х ТАКТНОГО ПЛМ MERCURY F15 Серийный номер от 0G760300 до 1B226999
Распредвал и масляный насос 4-Х ТАКТНОГО ПЛМ MERCURY F15 Серийный номер от 0G760300 до 1B226999
Рукоятка румпеля 4-Х ТАКТНОГО ПЛМ MERCURY F15 Серийный номер от 0G760300 до 1B226999
Рычаг дроссельной заслонки, Handle Models 4-Х ТАКТНОГО ПЛМ MERCURY F15 Серийный номер от 0G760300 до 1B226999
Рычаг дроссельной заслонки, Non-Handle Models 4-Х ТАКТНОГО ПЛМ MERCURY F15 Серийный номер от 0G760300 до 1B226999
Сигнализатор уровня масла 4-Х ТАКТНОГО ПЛМ MERCURY F15 Серийный номер от 0G760300 до 1B226999
Стартер 4-Х ТАКТНОГО ПЛМ MERCURY F15 Серийный номер от 0G760300 до 1B226999
Стартер в сборе 4-Х ТАКТНОГО ПЛМ MERCURY F15 Серийный номер от 0G760300 до 1B226999
Топливный бак 4-Х ТАКТНОГО ПЛМ MERCURY F15 Серийный номер от 0G760300 до 1B226999
Топливный насос 4-Х ТАКТНОГО ПЛМ MERCURY F15 Серийный номер от 0G760300 до 1B226999
Электрические компоненты 4-Х ТАКТНОГО ПЛМ MERCURY F15 Серийный номер от 0G760300 до 1B226999
Запчасти для 4-х тактного ПЛМ MERCURY F15 Серийный номер от 0P075166 до 0P400999
Аксессуары 4-Х ТАКТНОГО ПЛМ MERCURY F15 Серийный номер от 0P075166 до 0P400999
Блок цилиндров и крышки 4-Х ТАКТНОГО ПЛМ MERCURY F15 Серийный номер от 0P075166 до 0P400999
Верх капота 4-Х ТАКТНОГО ПЛМ MERCURY F15 Серийный номер от 0P075166 до 0P400999
Впускной коллектор 4-Х ТАКТНОГО ПЛМ MERCURY F15 Серийный номер от 0P075166 до 0P400999
Впускные/выпускные клапаны 4-Х ТАКТНОГО ПЛМ MERCURY F15 Серийный номер от 0P075166 до 0P400999
Головка цилиндра 4-Х ТАКТНОГО ПЛМ MERCURY F15 Серийный номер от 0P075166 до 0P400999
Зажимной кронштейн 4-Х ТАКТНОГО ПЛМ MERCURY F15 Серийный номер от 0P075166 до 0P400999
Инструменты 4-Х ТАКТНОГО ПЛМ MERCURY F15 Серийный номер от 0P075166 до 0P400999
Карбюратор 4-Х ТАКТНОГО ПЛМ MERCURY F15 Серийный номер от 0P075166 до 0P400999
Карданный вал 4-Х ТАКТНОГО ПЛМ MERCURY F15 Серийный номер от 0P075166 до 0P400999
Коленчатый вал, поршни и шатуны 4-Х ТАКТНОГО ПЛМ MERCURY F15 Серийный номер от 0P075166 до 0P400999
Корпус карданного вала 4-Х ТАКТНОГО ПЛМ MERCURY F15 Серийный номер от 0P075166 до 0P400999
Корпус шестерни, карданный вал - 2.00:1 передаточное число 4-Х ТАКТНОГО ПЛМ MERCURY F15 Серийный номер от 0P075166 до 0P400999
Корпус шестерни, карданный вал - 2.42:1 передаточное число 4-Х ТАКТНОГО ПЛМ MERCURY F15 Серийный номер от 0P075166 до 0P400999
Корпус шестерни, приводной вал - 2.00:1 передаточное число 4-Х ТАКТНОГО ПЛМ MERCURY F15 Серийный номер от 0P075166 до 0P400999
Корпус шестерни, приводной вал - 2.42:1 передаточное число 4-Х ТАКТНОГО ПЛМ MERCURY F15 Серийный номер от 0P075166 до 0P400999
Маховик 4-Х ТАКТНОГО ПЛМ MERCURY F15 Серийный номер от 0P075166 до 0P400999
Набор прокладок 4-Х ТАКТНОГО ПЛМ MERCURY F15 Серийный номер от 0P075166 до 0P400999
Низ капота 4-Х ТАКТНОГО ПЛМ MERCURY F15 Серийный номер от 0P075166 до 0P400999
Поворотный кронштейн 4-Х ТАКТНОГО ПЛМ MERCURY F15 Серийный номер от 0P075166 до 0P400999
Распредвал и масляный насос 4-Х ТАКТНОГО ПЛМ MERCURY F15 Серийный номер от 0P075166 до 0P400999
Рукоятка румпеля 4-Х ТАКТНОГО ПЛМ MERCURY F15 Серийный номер от 0P075166 до 0P400999
Рычаг дроссельной заслонки, Handle Models 4-Х ТАКТНОГО ПЛМ MERCURY F15 Серийный номер от 0P075166 до 0P400999
Рычаг дроссельной заслонки, Non-Handle Models 4-Х ТАКТНОГО ПЛМ MERCURY F15 Серийный номер от 0P075166 до 0P400999
Сигнализатор уровня масла 4-Х ТАКТНОГО ПЛМ MERCURY F15 Серийный номер от 0P075166 до 0P400999
Стартер 4-Х ТАКТНОГО ПЛМ MERCURY F15 Серийный номер от 0P075166 до 0P400999
Стартер в сборе 4-Х ТАКТНОГО ПЛМ MERCURY F15 Серийный номер от 0P075166 до 0P400999
Топливный бак 4-Х ТАКТНОГО ПЛМ MERCURY F15 Серийный номер от 0P075166 до 0P400999
Топливный насос 4-Х ТАКТНОГО ПЛМ MERCURY F15 Серийный номер от 0P075166 до 0P400999
Электрические компоненты 4-Х ТАКТНОГО ПЛМ MERCURY F15 Серийный номер от 0P075166 до 0P400999
Запчасти для 4-х тактного ПЛМ MERCURY F15 Серийный номер от 0P401000 и выше
Аксессуары 4-Х ТАКТНОГО ПЛМ MERCURY F15 Серийный номер от 0P401000 и выше
Блок цилиндров и крышки 4-Х ТАКТНОГО ПЛМ MERCURY F15 Серийный номер от 0P401000 и выше
Верх капота 4-Х ТАКТНОГО ПЛМ MERCURY F15 Серийный номер от 0P401000 и выше
Впускной коллектор 4-Х ТАКТНОГО ПЛМ MERCURY F15 Серийный номер от 0P401000 и выше
Впускные/выпускные клапаны 4-Х ТАКТНОГО ПЛМ MERCURY F15 Серийный номер от 0P401000 и выше
Головка цилиндра 4-Х ТАКТНОГО ПЛМ MERCURY F15 Серийный номер от 0P401000 и выше
Зажимной кронштейн 4-Х ТАКТНОГО ПЛМ MERCURY F15 Серийный номер от 0P401000 и выше
Инструменты 4-Х ТАКТНОГО ПЛМ MERCURY F15 Серийный номер от 0P401000 и выше
Карбюратор 4-Х ТАКТНОГО ПЛМ MERCURY F15 Серийный номер от 0P401000 и выше
Коленчатый вал, поршни и шатуны 4-Х ТАКТНОГО ПЛМ MERCURY F15 Серийный номер от 0P401000 и выше
Комплект прокладок 4-Х ТАКТНОГО ПЛМ MERCURY F15 Серийный номер от 0P401000 и выше
Корпус карданного вала 4-Х ТАКТНОГО ПЛМ MERCURY F15 Серийный номер от 0P401000 и выше
Корпус шестерни, карданный вал - 2.00:1 передаточное число(Non-Bigfoot) 4-Х ТАКТНОГО ПЛМ MERCURY F15 Серийный номер от 0P401000 и выше
Корпус шестерни, карданный вал - 2.42:1 передаточное число(Bigfoot) 4-Х ТАКТНОГО ПЛМ MERCURY F15 Серийный номер от 0P401000 и выше
Корпус шестерни, приводной вал - 2.00:1 передаточное число(Non-Bigfoot) 4-Х ТАКТНОГО ПЛМ MERCURY F15 Серийный номер от 0P401000 и выше
Корпус шестерни, приводной вал - 2.42:1 передаточное число(Bigfoot) 4-Х ТАКТНОГО ПЛМ MERCURY F15 Серийный номер от 0P401000 и выше
Маховик 4-Х ТАКТНОГО ПЛМ MERCURY F15 Серийный номер от 0P401000 и выше
Низ капота 4-Х ТАКТНОГО ПЛМ MERCURY F15 Серийный номер от 0P401000 и выше
Поворотный кронштейн 4-Х ТАКТНОГО ПЛМ MERCURY F15 Серийный номер от 0P401000 и выше
Распредвал и масляный насос 4-Х ТАКТНОГО ПЛМ MERCURY F15 Серийный номер от 0P401000 и выше
Рукоятка румпеля 4-Х ТАКТНОГО ПЛМ MERCURY F15 Серийный номер от 0P401000 и выше
Рычаг дроссельной заслонки, Handle Models 4-Х ТАКТНОГО ПЛМ MERCURY F15 Серийный номер от 0P401000 и выше
Рычаг дроссельной заслонки, Non-Handle Models 4-Х ТАКТНОГО ПЛМ MERCURY F15 Серийный номер от 0P401000 и выше
Сигнализатор уровня масла 4-Х ТАКТНОГО ПЛМ MERCURY F15 Серийный номер от 0P401000 и выше
Стартер 4-Х ТАКТНОГО ПЛМ MERCURY F15 Серийный номер от 0P401000 и выше
Стартер в сборе 4-Х ТАКТНОГО ПЛМ MERCURY F15 Серийный номер от 0P401000 и выше
Топливный бак 4-Х ТАКТНОГО ПЛМ MERCURY F15 Серийный номер от 0P401000 и выше
Топливный насос 4-Х ТАКТНОГО ПЛМ MERCURY F15 Серийный номер от 0P401000 и выше
Электрические компоненты 4-Х ТАКТНОГО ПЛМ MERCURY F15 Серийный номер от 0P401000 и выше
Запчасти для 4-х тактного ПЛМ MERCURY F15 Серийный номер от 1B227000 до 1B727495
Аксессуары 4-Х ТАКТНОГО ПЛМ MERCURY F15 Серийный номер от 1B227000 до 1B727495
Блок цилиндров и крышки 4-Х ТАКТНОГО ПЛМ MERCURY F15 Серийный номер от 1B227000 до 1B727495
Верх капота 4-Х ТАКТНОГО ПЛМ MERCURY F15 Серийный номер от 1B227000 до 1B727495
Впускной коллектор 4-Х ТАКТНОГО ПЛМ MERCURY F15 Серийный номер от 1B227000 до 1B727495
Впускные/выпускные клапаны 4-Х ТАКТНОГО ПЛМ MERCURY F15 Серийный номер от 1B227000 до 1B727495
Головка цилиндра 4-Х ТАКТНОГО ПЛМ MERCURY F15 Серийный номер от 1B227000 до 1B727495
Зажимной кронштейн 4-Х ТАКТНОГО ПЛМ MERCURY F15 Серийный номер от 1B227000 до 1B727495
Инструменты 4-Х ТАКТНОГО ПЛМ MERCURY F15 Серийный номер от 1B227000 до 1B727495
Карбюратор 4-Х ТАКТНОГО ПЛМ MERCURY F15 Серийный номер от 1B227000 до 1B727495
Коленчатый вал, поршни и шатуны 4-Х ТАКТНОГО ПЛМ MERCURY F15 Серийный номер от 1B227000 до 1B727495
Комплект прокладок 4-Х ТАКТНОГО ПЛМ MERCURY F15 Серийный номер от 1B227000 до 1B727495
Корпус карданного вала 4-Х ТАКТНОГО ПЛМ MERCURY F15 Серийный номер от 1B227000 до 1B727495
Корпус шестерни, карданный вал - 2.00:1 передаточное число(Non-Bigfoot) 4-Х ТАКТНОГО ПЛМ MERCURY F15 Серийный номер от 1B227000 до 1B727495
Корпус шестерни, карданный вал - 2.42:1 передаточное число(Bigfoot) 4-Х ТАКТНОГО ПЛМ MERCURY F15 Серийный номер от 1B227000 до 1B727495
Корпус шестерни, приводной вал - 2.00:1 передаточное число(Non-Bigfoot) 4-Х ТАКТНОГО ПЛМ MERCURY F15 Серийный номер от 1B227000 до 1B727495
Корпус шестерни, приводной вал - 2.42:1 передаточное число(Bigfoot) 4-Х ТАКТНОГО ПЛМ MERCURY F15 Серийный номер от 1B227000 до 1B727495
Маховик 4-Х ТАКТНОГО ПЛМ MERCURY F15 Серийный номер от 1B227000 до 1B727495
Низ капота 4-Х ТАКТНОГО ПЛМ MERCURY F15 Серийный номер от 1B227000 до 1B727495
Поворотный кронштейн 4-Х ТАКТНОГО ПЛМ MERCURY F15 Серийный номер от 1B227000 до 1B727495
Распредвал и масляный насос 4-Х ТАКТНОГО ПЛМ MERCURY F15 Серийный номер от 1B227000 до 1B727495
Рукоятка румпеля 4-Х ТАКТНОГО ПЛМ MERCURY F15 Серийный номер от 1B227000 до 1B727495
Рычаг дроссельной заслонки, Handle Models 4-Х ТАКТНОГО ПЛМ MERCURY F15 Серийный номер от 1B227000 до 1B727495
Рычаг дроссельной заслонки, Non-Handle Models 4-Х ТАКТНОГО ПЛМ MERCURY F15 Серийный номер от 1B227000 до 1B727495
Сигнализатор уровня масла 4-Х ТАКТНОГО ПЛМ MERCURY F15 Серийный номер от 1B227000 до 1B727495
Стартер 4-Х ТАКТНОГО ПЛМ MERCURY F15 Серийный номер от 1B227000 до 1B727495
Стартер в сборе 4-Х ТАКТНОГО ПЛМ MERCURY F15 Серийный номер от 1B227000 до 1B727495
Топливный бак 4-Х ТАКТНОГО ПЛМ MERCURY F15 Серийный номер от 1B227000 до 1B727495
Топливный насос 4-Х ТАКТНОГО ПЛМ MERCURY F15 Серийный номер от 1B227000 до 1B727495
Электрические компоненты 4-Х ТАКТНОГО ПЛМ MERCURY F15 Серийный номер от 1B227000 до 1B727495
Запчасти для 4-х тактного ПЛМ MERCURY F15 Серийный номер от 9973100 до 0P016999
Аксессуары 4-Х ТАКТНОГО ПЛМ MERCURY F15 Серийный номер от 9973100 до 0P016999
Блок цилиндров 4-Х ТАКТНОГО ПЛМ MERCURY F15 Серийный номер от 9973100 до 0P016999
Верх капота 4-Х ТАКТНОГО ПЛМ MERCURY F15 Серийный номер от 9973100 до 0P016999
Впускной коллектор 4-Х ТАКТНОГО ПЛМ MERCURY F15 Серийный номер от 9973100 до 0P016999
Впускные/выпускные клапаны 4-Х ТАКТНОГО ПЛМ MERCURY F15 Серийный номер от 9973100 до 0P016999
Головка цилиндра 4-Х ТАКТНОГО ПЛМ MERCURY F15 Серийный номер от 9973100 до 0P016999
Зажимной кронштейн 4-Х ТАКТНОГО ПЛМ MERCURY F15 Серийный номер от 9973100 до 0P016999
Инструменты 4-Х ТАКТНОГО ПЛМ MERCURY F15 Серийный номер от 9973100 до 0P016999
Карбюратор 4-Х ТАКТНОГО ПЛМ MERCURY F15 Серийный номер от 9973100 до 0P016999
Коленчатый вал, поршни и шатуны 4-Х ТАКТНОГО ПЛМ MERCURY F15 Серийный номер от 9973100 до 0P016999
Корпус карданного вала 4-Х ТАКТНОГО ПЛМ MERCURY F15 Серийный номер от 9973100 до 0P016999
Корпус шестерни, карданный вал - 2.00:1 передаточное число 4-Х ТАКТНОГО ПЛМ MERCURY F15 Серийный номер от 9973100 до 0P016999
Корпус шестерни, карданный вал - 2.42:1 передаточное число 4-Х ТАКТНОГО ПЛМ MERCURY F15 Серийный номер от 9973100 до 0P016999
Корпус шестерни, приводной вал - 2.00:1 передаточное число 4-Х ТАКТНОГО ПЛМ MERCURY F15 Серийный номер от 9973100 до 0P016999
Корпус шестерни, приводной вал - 2.42:1 передаточное число 4-Х ТАКТНОГО ПЛМ MERCURY F15 Серийный номер от 9973100 до 0P016999
Маховик 4-Х ТАКТНОГО ПЛМ MERCURY F15 Серийный номер от 9973100 до 0P016999
Низ капота 4-Х ТАКТНОГО ПЛМ MERCURY F15 Серийный номер от 9973100 до 0P016999
Поворотный кронштейн 4-Х ТАКТНОГО ПЛМ MERCURY F15 Серийный номер от 9973100 до 0P016999
Распредвал и масляный насос 4-Х ТАКТНОГО ПЛМ MERCURY F15 Серийный номер от 9973100 до 0P016999
Рукоятка румпеля 4-Х ТАКТНОГО ПЛМ MERCURY F15 Серийный номер от 9973100 до 0P016999
Ручной стартер 4-Х ТАКТНОГО ПЛМ MERCURY F15 Серийный номер от 9973100 до 0P016999
Рычаг дроссельной заслонки, Handle Models 4-Х ТАКТНОГО ПЛМ MERCURY F15 Серийный номер от 9973100 до 0P016999
Рычаг дроссельной заслонки, Non-Handle Models 4-Х ТАКТНОГО ПЛМ MERCURY F15 Серийный номер от 9973100 до 0P016999
Сигнализатор уровня масла 4-Х ТАКТНОГО ПЛМ MERCURY F15 Серийный номер от 9973100 до 0P016999
Стартер 4-Х ТАКТНОГО ПЛМ MERCURY F15 Серийный номер от 9973100 до 0P016999
Топливный насос 4-Х ТАКТНОГО ПЛМ MERCURY F15 Серийный номер от 9973100 до 0P016999
Электрические компоненты 4-Х ТАКТНОГО ПЛМ MERCURY F15 Серийный номер от 9973100 до 0P016999
Запчасти для 4-х тактного ПЛМ MERCURY 30 Серийный номер от 0P153500 до 0P400999
Аксессуары 4-Х ТАКТНОГО ПЛМ MERCURY 30 Серийный номер от 0P153500 до 0P400999
Блок цилиндров 4-Х ТАКТНОГО ПЛМ MERCURY 30 Серийный номер от 0P153500 до 0P400999
Верх капота 4-Х ТАКТНОГО ПЛМ MERCURY 30 Серийный номер от 0P153500 до 0P400999
Впускной коллектор 4-Х ТАКТНОГО ПЛМ MERCURY 30 Серийный номер от 0P153500 до 0P400999
Впускные, выпускные клапаны 4-Х ТАКТНОГО ПЛМ MERCURY 30 Серийный номер от 0P153500 до 0P400999
Гидроподъем 4-Х ТАКТНОГО ПЛМ MERCURY 30 Серийный номер от 0P153500 до 0P400999
Головка цилиндра 4-Х ТАКТНОГО ПЛМ MERCURY 30 Серийный номер от 0P153500 до 0P400999
Инструменты (Часть 1) 4-Х ТАКТНОГО ПЛМ MERCURY 30 Серийный номер от 0P153500 до 0P400999
Инструменты (Часть 2) 4-Х ТАКТНОГО ПЛМ MERCURY 30 Серийный номер от 0P153500 до 0P400999
Инструменты (Часть 3) 4-Х ТАКТНОГО ПЛМ MERCURY 30 Серийный номер от 0P153500 до 0P400999
Катушка зажигания, S/N-USA-0T979999/BEL-0P325499 и ниже 4-Х ТАКТНОГО ПЛМ MERCURY 30 Серийный номер от 0P153500 до 0P400999
Катушка зажигания, SS/N-USA-0T980000/BEL-0P325500 и выше 4-Х ТАКТНОГО ПЛМ MERCURY 30 Серийный номер от 0P153500 до 0P400999
Коленвал 4-Х ТАКТНОГО ПЛМ MERCURY 30 Серийный номер от 0P153500 до 0P400999
Комплекты прокладок 4-Х ТАКТНОГО ПЛМ MERCURY 30 Серийный номер от 0P153500 до 0P400999
Компоненты гидроподъема (Часть 1) 4-Х ТАКТНОГО ПЛМ MERCURY 30 Серийный номер от 0P153500 до 0P400999
Компоненты гидроподъема (Часть 2) 4-Х ТАКТНОГО ПЛМ MERCURY 30 Серийный номер от 0P153500 до 0P400999
Корпус карданного вала 4-Х ТАКТНОГО ПЛМ MERCURY 30 Серийный номер от 0P153500 до 0P400999
Корпус шестерни, карданный вал - 2:1 передаточное число 4-Х ТАКТНОГО ПЛМ MERCURY 30 Серийный номер от 0P153500 до 0P400999
Корпус шестерни, приводной вал - 2:1 передаточное число 4-Х ТАКТНОГО ПЛМ MERCURY 30 Серийный номер от 0P153500 до 0P400999
Кронштейн транца 4-Х ТАКТНОГО ПЛМ MERCURY 30 Серийный номер от 0P153500 до 0P400999
Масляный насос распредвала 4-Х ТАКТНОГО ПЛМ MERCURY 30 Серийный номер от 0P153500 до 0P400999
Маховик 4-Х ТАКТНОГО ПЛМ MERCURY 30 Серийный номер от 0P153500 до 0P400999
Низ капота 4-Х ТАКТНОГО ПЛМ MERCURY 30 Серийный номер от 0P153500 до 0P400999
Паросепаратор(USA-1B036613/BEL-0P340241 и ниже) 4-Х ТАКТНОГО ПЛМ MERCURY 30 Серийный номер от 0P153500 до 0P400999
Паросепаратор(USA-1B036614/BEL-0P340242 и выше) 4-Х ТАКТНОГО ПЛМ MERCURY 30 Серийный номер от 0P153500 до 0P400999
Переходная пластина 4-Х ТАКТНОГО ПЛМ MERCURY 30 Серийный номер от 0P153500 до 0P400999
Поворотный кронштейн 4-Х ТАКТНОГО ПЛМ MERCURY 30 Серийный номер от 0P153500 до 0P400999
Рукоятка румпеля 4-Х ТАКТНОГО ПЛМ MERCURY 30 Серийный номер от 0P153500 до 0P400999
Рулевой рычаг 4-Х ТАКТНОГО ПЛМ MERCURY 30 Серийный номер от 0P153500 до 0P400999
Рычаг переключения передач 4-Х ТАКТНОГО ПЛМ MERCURY 30 Серийный номер от 0P153500 до 0P400999
Стартер 4-Х ТАКТНОГО ПЛМ MERCURY 30 Серийный номер от 0P153500 до 0P400999
Топливные линии 4-Х ТАКТНОГО ПЛМ MERCURY 30 Серийный номер от 0P153500 до 0P400999
Топливный насос 4-Х ТАКТНОГО ПЛМ MERCURY 30 Серийный номер от 0P153500 до 0P400999
Электрические компоненты 4-Х ТАКТНОГО ПЛМ MERCURY 30 Серийный номер от 0P153500 до 0P400999
Запчасти для 4-х тактного ПЛМ MERCURY 30 Серийный номер от 0T409000 до 1B226999
Аксессуары 4-Х ТАКТНОГО ПЛМ MERCURY 30 Серийный номер от 0T409000 до 1B226999
Блок цилиндров 4-Х ТАКТНОГО ПЛМ MERCURY 30 Серийный номер от 0T409000 до 1B226999
Верх капота 4-Х ТАКТНОГО ПЛМ MERCURY 30 Серийный номер от 0T409000 до 1B226999
Впускной коллектор 4-Х ТАКТНОГО ПЛМ MERCURY 30 Серийный номер от 0T409000 до 1B226999
Впускные, выпускные клапаны 4-Х ТАКТНОГО ПЛМ MERCURY 30 Серийный номер от 0T409000 до 1B226999
Гидроподъем 4-Х ТАКТНОГО ПЛМ MERCURY 30 Серийный номер от 0T409000 до 1B226999
Головка цилиндра 4-Х ТАКТНОГО ПЛМ MERCURY 30 Серийный номер от 0T409000 до 1B226999
Инструменты (Часть 1) 4-Х ТАКТНОГО ПЛМ MERCURY 30 Серийный номер от 0T409000 до 1B226999
Инструменты (Часть 2) 4-Х ТАКТНОГО ПЛМ MERCURY 30 Серийный номер от 0T409000 до 1B226999
Инструменты (Часть 3) 4-Х ТАКТНОГО ПЛМ MERCURY 30 Серийный номер от 0T409000 до 1B226999
Катушка зажигания, S/N-USA-0T979999/BEL-0P325499 и ниже 4-Х ТАКТНОГО ПЛМ MERCURY 30 Серийный номер от 0T409000 до 1B226999
Катушка зажигания, SS/N-USA-0T980000/BEL-0P325500 и выше 4-Х ТАКТНОГО ПЛМ MERCURY 30 Серийный номер от 0T409000 до 1B226999
Коленвал 4-Х ТАКТНОГО ПЛМ MERCURY 30 Серийный номер от 0T409000 до 1B226999
Комплекты прокладок 4-Х ТАКТНОГО ПЛМ MERCURY 30 Серийный номер от 0T409000 до 1B226999
Компоненты гидроподъема (Часть 1) 4-Х ТАКТНОГО ПЛМ MERCURY 30 Серийный номер от 0T409000 до 1B226999
Компоненты гидроподъема (Часть 2) 4-Х ТАКТНОГО ПЛМ MERCURY 30 Серийный номер от 0T409000 до 1B226999
Корпус карданного вала 4-Х ТАКТНОГО ПЛМ MERCURY 30 Серийный номер от 0T409000 до 1B226999
Корпус шестерни, карданный вал - 2:1 передаточное число 4-Х ТАКТНОГО ПЛМ MERCURY 30 Серийный номер от 0T409000 до 1B226999
Корпус шестерни, приводной вал - 2:1 передаточное число 4-Х ТАКТНОГО ПЛМ MERCURY 30 Серийный номер от 0T409000 до 1B226999
Кронштейн транца 4-Х ТАКТНОГО ПЛМ MERCURY 30 Серийный номер от 0T409000 до 1B226999
Масляный насос распредвала 4-Х ТАКТНОГО ПЛМ MERCURY 30 Серийный номер от 0T409000 до 1B226999
Маховик 4-Х ТАКТНОГО ПЛМ MERCURY 30 Серийный номер от 0T409000 до 1B226999
Низ капота 4-Х ТАКТНОГО ПЛМ MERCURY 30 Серийный номер от 0T409000 до 1B226999
Паросепаратор(USA-1B036613/BEL-0P340241 и ниже) 4-Х ТАКТНОГО ПЛМ MERCURY 30 Серийный номер от 0T409000 до 1B226999
Паросепаратор(USA-1B036614/BEL-0P340242 и выше) 4-Х ТАКТНОГО ПЛМ MERCURY 30 Серийный номер от 0T409000 до 1B226999
Переходная пластина 4-Х ТАКТНОГО ПЛМ MERCURY 30 Серийный номер от 0T409000 до 1B226999
Поворотный кронштейн 4-Х ТАКТНОГО ПЛМ MERCURY 30 Серийный номер от 0T409000 до 1B226999
Рукоятка румпеля 4-Х ТАКТНОГО ПЛМ MERCURY 30 Серийный номер от 0T409000 до 1B226999
Рулевой рычаг 4-Х ТАКТНОГО ПЛМ MERCURY 30 Серийный номер от 0T409000 до 1B226999
Рычаг переключения передач 4-Х ТАКТНОГО ПЛМ MERCURY 30 Серийный номер от 0T409000 до 1B226999
Стартер 4-Х ТАКТНОГО ПЛМ MERCURY 30 Серийный номер от 0T409000 до 1B226999
Топливные линии 4-Х ТАКТНОГО ПЛМ MERCURY 30 Серийный номер от 0T409000 до 1B226999
Топливный насос 4-Х ТАКТНОГО ПЛМ MERCURY 30 Серийный номер от 0T409000 до 1B226999
Электрические компоненты 4-Х ТАКТНОГО ПЛМ MERCURY 30 Серийный номер от 0T409000 до 1B226999
Запчасти для 4-х тактного ПЛМ MERCURY 30 Серийный номер от 1C109093 и выше
Аксессуары 4-Х ТАКТНОГО ПЛМ MERCURY 30 Серийный номер от 1C109093 и выше
Блок цилиндров 4-Х ТАКТНОГО ПЛМ MERCURY 30 Серийный номер от 1C109093 и выше
Верх капота 4-Х ТАКТНОГО ПЛМ MERCURY 30 Серийный номер от 1C109093 и выше
Впускной коллектор 4-Х ТАКТНОГО ПЛМ MERCURY 30 Серийный номер от 1C109093 и выше
Впускные, выпускные клапаны 4-Х ТАКТНОГО ПЛМ MERCURY 30 Серийный номер от 1C109093 и выше
Гидроподъем 4-Х ТАКТНОГО ПЛМ MERCURY 30 Серийный номер от 1C109093 и выше
Гидроподъем, 830150A11 4-Х ТАКТНОГО ПЛМ MERCURY 30 Серийный номер от 1C109093 и выше
Головка цилиндра 4-Х ТАКТНОГО ПЛМ MERCURY 30 Серийный номер от 1C109093 и выше
Инструменты (Часть 1) 4-Х ТАКТНОГО ПЛМ MERCURY 30 Серийный номер от 1C109093 и выше
Инструменты (Часть 2) 4-Х ТАКТНОГО ПЛМ MERCURY 30 Серийный номер от 1C109093 и выше
Инструменты (Часть 3) 4-Х ТАКТНОГО ПЛМ MERCURY 30 Серийный номер от 1C109093 и выше
Катушка зажигания, 1C104333/0P560349 и ниже 4-Х ТАКТНОГО ПЛМ MERCURY 30 Серийный номер от 1C109093 и выше
Катушка зажигания, 1C104334/0P560350 и выше 4-Х ТАКТНОГО ПЛМ MERCURY 30 Серийный номер от 1C109093 и выше
Коленвал, поршни и шатуны 4-Х ТАКТНОГО ПЛМ MERCURY 30 Серийный номер от 1C109093 и выше
Комплекты прокладок 4-Х ТАКТНОГО ПЛМ MERCURY 30 Серийный номер от 1C109093 и выше
Компоненты гидроподъема (Часть 1) 4-Х ТАКТНОГО ПЛМ MERCURY 30 Серийный номер от 1C109093 и выше
Компоненты гидроподъема (Часть 2) 4-Х ТАКТНОГО ПЛМ MERCURY 30 Серийный номер от 1C109093 и выше
Корпус карданного вала 4-Х ТАКТНОГО ПЛМ MERCURY 30 Серийный номер от 1C109093 и выше
Корпус шестерни, карданный вал - 2:1 передаточное число 4-Х ТАКТНОГО ПЛМ MERCURY 30 Серийный номер от 1C109093 и выше
Корпус шестерни, приводной вал - 2:1 передаточное число 4-Х ТАКТНОГО ПЛМ MERCURY 30 Серийный номер от 1C109093 и выше
Кронштейн транца 4-Х ТАКТНОГО ПЛМ MERCURY 30 Серийный номер от 1C109093 и выше
Масляный насос распредвала 4-Х ТАКТНОГО ПЛМ MERCURY 30 Серийный номер от 1C109093 и выше
Маховик 4-Х ТАКТНОГО ПЛМ MERCURY 30 Серийный номер от 1C109093 и выше
Набор ключей, дросселей и рупоров, 15000A14 4-Х ТАКТНОГО ПЛМ MERCURY 30 Серийный номер от 1C109093 и выше
Низ капота 4-Х ТАКТНОГО ПЛМ MERCURY 30 Серийный номер от 1C109093 и выше
Паросепаратор 4-Х ТАКТНОГО ПЛМ MERCURY 30 Серийный номер от 1C109093 и выше
Переходная пластина 4-Х ТАКТНОГО ПЛМ MERCURY 30 Серийный номер от 1C109093 и выше
Поворотный кронштейн 4-Х ТАКТНОГО ПЛМ MERCURY 30 Серийный номер от 1C109093 и выше
Рукоятка румпеля 4-Х ТАКТНОГО ПЛМ MERCURY 30 Серийный номер от 1C109093 и выше
Рулевой рычаг 4-Х ТАКТНОГО ПЛМ MERCURY 30 Серийный номер от 1C109093 и выше
Рычаг дроссельной заслонки, внешний 4-Х ТАКТНОГО ПЛМ MERCURY 30 Серийный номер от 1C109093 и выше
Рычаг дроссельной заслонки, румпель 4-Х ТАКТНОГО ПЛМ MERCURY 30 Серийный номер от 1C109093 и выше
Рычаг переключения передач, внешний 4-Х ТАКТНОГО ПЛМ MERCURY 30 Серийный номер от 1C109093 и выше
Рычаг переключения передач, румпель 4-Х ТАКТНОГО ПЛМ MERCURY 30 Серийный номер от 1C109093 и выше
Топливные линии 4-Х ТАКТНОГО ПЛМ MERCURY 30 Серийный номер от 1C109093 и выше
Топливный насос 4-Х ТАКТНОГО ПЛМ MERCURY 30 Серийный номер от 1C109093 и выше
Электрические компоненты, 1C104333/0P560349 и ниже 4-Х ТАКТНОГО ПЛМ MERCURY 30 Серийный номер от 1C109093 и выше
Электрические компоненты, 1C104334/0P560350 и выше 4-Х ТАКТНОГО ПЛМ MERCURY 30 Серийный номер от 1C109093 и выше
Запчасти для 4-х тактного ПЛМ MERCURY 40 Серийный номер от 0P153500 до 0P400999
Аксессуары 4-Х ТАКТНОГО ПЛМ MERCURY 40 Серийный номер от 0P153500 до 0P400999
Блок цилиндров 4-Х ТАКТНОГО ПЛМ MERCURY 40 Серийный номер от 0P153500 до 0P400999
Верх капота 4-Х ТАКТНОГО ПЛМ MERCURY 40 Серийный номер от 0P153500 до 0P400999
Впускной коллектор 4-Х ТАКТНОГО ПЛМ MERCURY 40 Серийный номер от 0P153500 до 0P400999
Впускные, выпускные клапаны 4-Х ТАКТНОГО ПЛМ MERCURY 40 Серийный номер от 0P153500 до 0P400999
Гидроподъем 4-Х ТАКТНОГО ПЛМ MERCURY 40 Серийный номер от 0P153500 до 0P400999
Головка цилиндра 4-Х ТАКТНОГО ПЛМ MERCURY 40 Серийный номер от 0P153500 до 0P400999
Инструменты (Часть 1) 4-Х ТАКТНОГО ПЛМ MERCURY 40 Серийный номер от 0P153500 до 0P400999
Инструменты (Часть 2) 4-Х ТАКТНОГО ПЛМ MERCURY 40 Серийный номер от 0P153500 до 0P400999
Инструменты (Часть 3) 4-Х ТАКТНОГО ПЛМ MERCURY 40 Серийный номер от 0P153500 до 0P400999
Катушка зажигания, S/N-USA-0T979999/BEL-0P325499 и ниже 4-Х ТАКТНОГО ПЛМ MERCURY 40 Серийный номер от 0P153500 до 0P400999
Катушка зажигания, S/N-USA-0T980000/BEL-0P325500 и выше 4-Х ТАКТНОГО ПЛМ MERCURY 40 Серийный номер от 0P153500 до 0P400999
Коленвал 4-Х ТАКТНОГО ПЛМ MERCURY 40 Серийный номер от 0P153500 до 0P400999
Комплекты прокладок 4-Х ТАКТНОГО ПЛМ MERCURY 40 Серийный номер от 0P153500 до 0P400999
Компоненты гидроподъема (Часть 1) 4-Х ТАКТНОГО ПЛМ MERCURY 40 Серийный номер от 0P153500 до 0P400999
Компоненты гидроподъема (Часть 2) 4-Х ТАКТНОГО ПЛМ MERCURY 40 Серийный номер от 0P153500 до 0P400999
Корпус карданного вала 4-Х ТАКТНОГО ПЛМ MERCURY 40 Серийный номер от 0P153500 до 0P400999
Корпус шестерни, карданный вал - 2:1 передаточное число 4-Х ТАКТНОГО ПЛМ MERCURY 40 Серийный номер от 0P153500 до 0P400999
Корпус шестерни, приводной вал - 2:1 передаточное число 4-Х ТАКТНОГО ПЛМ MERCURY 40 Серийный номер от 0P153500 до 0P400999
Кронштейн транца 4-Х ТАКТНОГО ПЛМ MERCURY 40 Серийный номер от 0P153500 до 0P400999
Масляный насос распредвала 4-Х ТАКТНОГО ПЛМ MERCURY 40 Серийный номер от 0P153500 до 0P400999
Маховик 4-Х ТАКТНОГО ПЛМ MERCURY 40 Серийный номер от 0P153500 до 0P400999
Низ капота 4-Х ТАКТНОГО ПЛМ MERCURY 40 Серийный номер от 0P153500 до 0P400999
Паросепаратор(USA-1B036613/BEL-0P340241 и ниже) 4-Х ТАКТНОГО ПЛМ MERCURY 40 Серийный номер от 0P153500 до 0P400999
Паросепаратор(USA-1B036614/BEL-0P340242 и выше) 4-Х ТАКТНОГО ПЛМ MERCURY 40 Серийный номер от 0P153500 до 0P400999
Переходная пластина 4-Х ТАКТНОГО ПЛМ MERCURY 40 Серийный номер от 0P153500 до 0P400999
Поворотный кронштейн 4-Х ТАКТНОГО ПЛМ MERCURY 40 Серийный номер от 0P153500 до 0P400999
Рукоятка румпеля 4-Х ТАКТНОГО ПЛМ MERCURY 40 Серийный номер от 0P153500 до 0P400999
Рулевой рычаг 4-Х ТАКТНОГО ПЛМ MERCURY 40 Серийный номер от 0P153500 до 0P400999
Рычаг переключения передач 4-Х ТАКТНОГО ПЛМ MERCURY 40 Серийный номер от 0P153500 до 0P400999
Стартер 4-Х ТАКТНОГО ПЛМ MERCURY 40 Серийный номер от 0P153500 до 0P400999
Топливные линии 4-Х ТАКТНОГО ПЛМ MERCURY 40 Серийный номер от 0P153500 до 0P400999
Топливный насос 4-Х ТАКТНОГО ПЛМ MERCURY 40 Серийный номер от 0P153500 до 0P400999
Электрические компоненты 4-Х ТАКТНОГО ПЛМ MERCURY 40 Серийный номер от 0P153500 до 0P400999
Запчасти для 4-х тактного ПЛМ MERCURY 40 Серийный номер от 0P401000 до 0P515896
Аксессуары 4-Х ТАКТНОГО ПЛМ MERCURY 40 Серийный номер от 0P401000 до 0P515896
Блок цилиндров 4-Х ТАКТНОГО ПЛМ MERCURY 40 Серийный номер от 0P401000 до 0P515896
Верх капота 4-Х ТАКТНОГО ПЛМ MERCURY 40 Серийный номер от 0P401000 до 0P515896
Впускной коллектор 4-Х ТАКТНОГО ПЛМ MERCURY 40 Серийный номер от 0P401000 до 0P515896
Впускные, выпускные клапаны 4-Х ТАКТНОГО ПЛМ MERCURY 40 Серийный номер от 0P401000 до 0P515896
Гидроподъем 4-Х ТАКТНОГО ПЛМ MERCURY 40 Серийный номер от 0P401000 до 0P515896
Головка цилиндра 4-Х ТАКТНОГО ПЛМ MERCURY 40 Серийный номер от 0P401000 до 0P515896
Инструменты (Часть 1) 4-Х ТАКТНОГО ПЛМ MERCURY 40 Серийный номер от 0P401000 до 0P515896
Инструменты (Часть 2) 4-Х ТАКТНОГО ПЛМ MERCURY 40 Серийный номер от 0P401000 до 0P515896
Инструменты (Часть 3) 4-Х ТАКТНОГО ПЛМ MERCURY 40 Серийный номер от 0P401000 до 0P515896
Катушка зажигания 4-Х ТАКТНОГО ПЛМ MERCURY 40 Серийный номер от 0P401000 до 0P515896
Коленвал, поршни и шатуны 4-Х ТАКТНОГО ПЛМ MERCURY 40 Серийный номер от 0P401000 до 0P515896
Комплект для дистанционного управления(859185A 2) 4-Х ТАКТНОГО ПЛМ MERCURY 40 Серийный номер от 0P401000 до 0P515896
Комплекты прокладок 4-Х ТАКТНОГО ПЛМ MERCURY 40 Серийный номер от 0P401000 до 0P515896
Компоненты гидроподъема (Часть 1) 4-Х ТАКТНОГО ПЛМ MERCURY 40 Серийный номер от 0P401000 до 0P515896
Компоненты гидроподъема (Часть 2) 4-Х ТАКТНОГО ПЛМ MERCURY 40 Серийный номер от 0P401000 до 0P515896
Корпус карданного вала, длинный 4-Х ТАКТНОГО ПЛМ MERCURY 40 Серийный номер от 0P401000 до 0P515896
Корпус карданного вала, короткий 4-Х ТАКТНОГО ПЛМ MERCURY 40 Серийный номер от 0P401000 до 0P515896
Корпус шестерни, карданный вал, длинный - 2:1 передаточное число 4-Х ТАКТНОГО ПЛМ MERCURY 40 Серийный номер от 0P401000 до 0P515896
Корпус шестерни, карданный вал, короткий - 2:1 передаточное число 4-Х ТАКТНОГО ПЛМ MERCURY 40 Серийный номер от 0P401000 до 0P515896
Корпус шестерни, приводной вал, длинный - 2:1 передаточное число 4-Х ТАКТНОГО ПЛМ MERCURY 40 Серийный номер от 0P401000 до 0P515896
Корпус шестерни, приводной вал, короткий - 2:1 передаточное число 4-Х ТАКТНОГО ПЛМ MERCURY 40 Серийный номер от 0P401000 до 0P515896
Кронштейн транца 4-Х ТАКТНОГО ПЛМ MERCURY 40 Серийный номер от 0P401000 до 0P515896
Масляный насос распредвала 4-Х ТАКТНОГО ПЛМ MERCURY 40 Серийный номер от 0P401000 до 0P515896
Маховик 4-Х ТАКТНОГО ПЛМ MERCURY 40 Серийный номер от 0P401000 до 0P515896
Низ капота 4-Х ТАКТНОГО ПЛМ MERCURY 40 Серийный номер от 0P401000 до 0P515896
Паросепаратор 4-Х ТАКТНОГО ПЛМ MERCURY 40 Серийный номер от 0P401000 до 0P515896
Переходная пластина 4-Х ТАКТНОГО ПЛМ MERCURY 40 Серийный номер от 0P401000 до 0P515896
Поворотный кронштейн 4-Х ТАКТНОГО ПЛМ MERCURY 40 Серийный номер от 0P401000 до 0P515896
Рукоятка румпеля 4-Х ТАКТНОГО ПЛМ MERCURY 40 Серийный номер от 0P401000 до 0P515896
Рулевой рычаг 4-Х ТАКТНОГО ПЛМ MERCURY 40 Серийный номер от 0P401000 до 0P515896
Рычаг переключения передач, внешний, длинный 4-Х ТАКТНОГО ПЛМ MERCURY 40 Серийный номер от 0P401000 до 0P515896
Рычаг переключения передач, короткий 4-Х ТАКТНОГО ПЛМ MERCURY 40 Серийный номер от 0P401000 до 0P515896
Рычаг переключения передач, румпель, длинный 4-Х ТАКТНОГО ПЛМ MERCURY 40 Серийный номер от 0P401000 до 0P515896
Топливные линии 4-Х ТАКТНОГО ПЛМ MERCURY 40 Серийный номер от 0P401000 до 0P515896
Топливный насос 4-Х ТАКТНОГО ПЛМ MERCURY 40 Серийный номер от 0P401000 до 0P515896
Электрические компоненты 4-Х ТАКТНОГО ПЛМ MERCURY 40 Серийный номер от 0P401000 до 0P515896
Запчасти для 4-х тактного ПЛМ MERCURY 40 Серийный номер от 0T409000 до 1B226999
Аксессуары 4-Х ТАКТНОГО ПЛМ MERCURY 40 Серийный номер от 0T409000 до 1B226999
Блок цилиндров 4-Х ТАКТНОГО ПЛМ MERCURY 40 Серийный номер от 0T409000 до 1B226999
Верх капота 4-Х ТАКТНОГО ПЛМ MERCURY 40 Серийный номер от 0T409000 до 1B226999
Впускной коллектор 4-Х ТАКТНОГО ПЛМ MERCURY 40 Серийный номер от 0T409000 до 1B226999
Впускные, выпускные клапаны 4-Х ТАКТНОГО ПЛМ MERCURY 40 Серийный номер от 0T409000 до 1B226999
Гидроподъем 4-Х ТАКТНОГО ПЛМ MERCURY 40 Серийный номер от 0T409000 до 1B226999
Головка цилиндра 4-Х ТАКТНОГО ПЛМ MERCURY 40 Серийный номер от 0T409000 до 1B226999
Инструменты (Часть 1) 4-Х ТАКТНОГО ПЛМ MERCURY 40 Серийный номер от 0T409000 до 1B226999
Инструменты (Часть 2) 4-Х ТАКТНОГО ПЛМ MERCURY 40 Серийный номер от 0T409000 до 1B226999
Инструменты (Часть 3) 4-Х ТАКТНОГО ПЛМ MERCURY 40 Серийный номер от 0T409000 до 1B226999
Катушка зажигания, S/N-USA-0T979999/BEL-0P325499 и ниже 4-Х ТАКТНОГО ПЛМ MERCURY 40 Серийный номер от 0T409000 до 1B226999
Катушка зажигания, S/N-USA-0T980000/BEL-0P325500 и выше 4-Х ТАКТНОГО ПЛМ MERCURY 40 Серийный номер от 0T409000 до 1B226999
Коленвал 4-Х ТАКТНОГО ПЛМ MERCURY 40 Серийный номер от 0T409000 до 1B226999
Комплекты прокладок 4-Х ТАКТНОГО ПЛМ MERCURY 40 Серийный номер от 0T409000 до 1B226999
Компоненты гидроподъема (Часть 1) 4-Х ТАКТНОГО ПЛМ MERCURY 40 Серийный номер от 0T409000 до 1B226999
Компоненты гидроподъема (Часть 2) 4-Х ТАКТНОГО ПЛМ MERCURY 40 Серийный номер от 0T409000 до 1B226999
Корпус карданного вала 4-Х ТАКТНОГО ПЛМ MERCURY 40 Серийный номер от 0T409000 до 1B226999
Корпус шестерни, карданный вал - 2:1 передаточное число 4-Х ТАКТНОГО ПЛМ MERCURY 40 Серийный номер от 0T409000 до 1B226999
Корпус шестерни, приводной вал - 2:1 передаточное число 4-Х ТАКТНОГО ПЛМ MERCURY 40 Серийный номер от 0T409000 до 1B226999
Кронштейн транца 4-Х ТАКТНОГО ПЛМ MERCURY 40 Серийный номер от 0T409000 до 1B226999
Масляный насос распредвала 4-Х ТАКТНОГО ПЛМ MERCURY 40 Серийный номер от 0T409000 до 1B226999
Маховик 4-Х ТАКТНОГО ПЛМ MERCURY 40 Серийный номер от 0T409000 до 1B226999
Низ капота 4-Х ТАКТНОГО ПЛМ MERCURY 40 Серийный номер от 0T409000 до 1B226999
Паросепаратор(USA-1B036613/BEL-0P340241 и ниже) 4-Х ТАКТНОГО ПЛМ MERCURY 40 Серийный номер от 0T409000 до 1B226999
Паросепаратор(USA-1B036614/BEL-0P340242 и выше) 4-Х ТАКТНОГО ПЛМ MERCURY 40 Серийный номер от 0T409000 до 1B226999
Переходная пластина 4-Х ТАКТНОГО ПЛМ MERCURY 40 Серийный номер от 0T409000 до 1B226999
Поворотный кронштейн 4-Х ТАКТНОГО ПЛМ MERCURY 40 Серийный номер от 0T409000 до 1B226999
Рукоятка румпеля 4-Х ТАКТНОГО ПЛМ MERCURY 40 Серийный номер от 0T409000 до 1B226999
Рулевой рычаг 4-Х ТАКТНОГО ПЛМ MERCURY 40 Серийный номер от 0T409000 до 1B226999
Рычаг переключения передач 4-Х ТАКТНОГО ПЛМ MERCURY 40 Серийный номер от 0T409000 до 1B226999
Стартер 4-Х ТАКТНОГО ПЛМ MERCURY 40 Серийный номер от 0T409000 до 1B226999
Топливные линии 4-Х ТАКТНОГО ПЛМ MERCURY 40 Серийный номер от 0T409000 до 1B226999
Топливный насос 4-Х ТАКТНОГО ПЛМ MERCURY 40 Серийный номер от 0T409000 до 1B226999
Электрические компоненты 4-Х ТАКТНОГО ПЛМ MERCURY 40 Серийный номер от 0T409000 до 1B226999
Запчасти для 4-х тактного ПЛМ MERCURY 40 Серийный номер от 1B227000 до 1B344398
Аксессуары 4-Х ТАКТНОГО ПЛМ MERCURY 40 Серийный номер от 1B227000 до 1B344398
Блок цилиндров 4-Х ТАКТНОГО ПЛМ MERCURY 40 Серийный номер от 1B227000 до 1B344398
Верх капота 4-Х ТАКТНОГО ПЛМ MERCURY 40 Серийный номер от 1B227000 до 1B344398
Впускной коллектор 4-Х ТАКТНОГО ПЛМ MERCURY 40 Серийный номер от 1B227000 до 1B344398
Впускные, выпускные клапаны 4-Х ТАКТНОГО ПЛМ MERCURY 40 Серийный номер от 1B227000 до 1B344398
Гидроподъем 4-Х ТАКТНОГО ПЛМ MERCURY 40 Серийный номер от 1B227000 до 1B344398
Головка цилиндра 4-Х ТАКТНОГО ПЛМ MERCURY 40 Серийный номер от 1B227000 до 1B344398
Инструменты (Часть 1) 4-Х ТАКТНОГО ПЛМ MERCURY 40 Серийный номер от 1B227000 до 1B344398
Инструменты (Часть 2) 4-Х ТАКТНОГО ПЛМ MERCURY 40 Серийный номер от 1B227000 до 1B344398
Инструменты (Часть 3) 4-Х ТАКТНОГО ПЛМ MERCURY 40 Серийный номер от 1B227000 до 1B344398
Катушка зажигания 4-Х ТАКТНОГО ПЛМ MERCURY 40 Серийный номер от 1B227000 до 1B344398
Коленвал, поршни и шатуны 4-Х ТАКТНОГО ПЛМ MERCURY 40 Серийный номер от 1B227000 до 1B344398
Комплекты прокладок 4-Х ТАКТНОГО ПЛМ MERCURY 40 Серийный номер от 1B227000 до 1B344398
Компоненты гидроподъема (Часть 1) 4-Х ТАКТНОГО ПЛМ MERCURY 40 Серийный номер от 1B227000 до 1B344398
Компоненты гидроподъема (Часть 2) 4-Х ТАКТНОГО ПЛМ MERCURY 40 Серийный номер от 1B227000 до 1B344398
Корпус карданного вала, длинный 4-Х ТАКТНОГО ПЛМ MERCURY 40 Серийный номер от 1B227000 до 1B344398
Корпус карданного вала, короткий 4-Х ТАКТНОГО ПЛМ MERCURY 40 Серийный номер от 1B227000 до 1B344398
Корпус шестерни, карданный вал, длинный - 2:1 передаточное число 4-Х ТАКТНОГО ПЛМ MERCURY 40 Серийный номер от 1B227000 до 1B344398
Корпус шестерни, карданный вал, короткий - 2:1 передаточное число 4-Х ТАКТНОГО ПЛМ MERCURY 40 Серийный номер от 1B227000 до 1B344398
Корпус шестерни, приводной вал, длинный - 2:1 передаточное число 4-Х ТАКТНОГО ПЛМ MERCURY 40 Серийный номер от 1B227000 до 1B344398
Корпус шестерни, приводной вал, короткий - 2:1 передаточное число 4-Х ТАКТНОГО ПЛМ MERCURY 40 Серийный номер от 1B227000 до 1B344398
Кронштейн транца 4-Х ТАКТНОГО ПЛМ MERCURY 40 Серийный номер от 1B227000 до 1B344398
Масляный насос распредвала 4-Х ТАКТНОГО ПЛМ MERCURY 40 Серийный номер от 1B227000 до 1B344398
Маховик 4-Х ТАКТНОГО ПЛМ MERCURY 40 Серийный номер от 1B227000 до 1B344398
Низ капота 4-Х ТАКТНОГО ПЛМ MERCURY 40 Серийный номер от 1B227000 до 1B344398
Паросепаратор 4-Х ТАКТНОГО ПЛМ MERCURY 40 Серийный номер от 1B227000 до 1B344398
Переходная пластина 4-Х ТАКТНОГО ПЛМ MERCURY 40 Серийный номер от 1B227000 до 1B344398
Поворотный кронштейн 4-Х ТАКТНОГО ПЛМ MERCURY 40 Серийный номер от 1B227000 до 1B344398
Рукоятка румпеля 4-Х ТАКТНОГО ПЛМ MERCURY 40 Серийный номер от 1B227000 до 1B344398
Рулевой рычаг 4-Х ТАКТНОГО ПЛМ MERCURY 40 Серийный номер от 1B227000 до 1B344398
Рычаг переключения передач, внешний, длинный 4-Х ТАКТНОГО ПЛМ MERCURY 40 Серийный номер от 1B227000 до 1B344398
Рычаг переключения передач, короткий 4-Х ТАКТНОГО ПЛМ MERCURY 40 Серийный номер от 1B227000 до 1B344398
Рычаг переключения передач, румпель, длинный 4-Х ТАКТНОГО ПЛМ MERCURY 40 Серийный номер от 1B227000 до 1B344398
Стартер (Serial Number 1B249767 и ниже) 4-Х ТАКТНОГО ПЛМ MERCURY 40 Серийный номер от 1B227000 до 1B344398
Топливные линии 4-Х ТАКТНОГО ПЛМ MERCURY 40 Серийный номер от 1B227000 до 1B344398
Топливный насос 4-Х ТАКТНОГО ПЛМ MERCURY 40 Серийный номер от 1B227000 до 1B344398
Электрические компоненты 4-Х ТАКТНОГО ПЛМ MERCURY 40 Серийный номер от 1B227000 до 1B344398
Запчасти для 4-х тактного ПЛМ MERCURY 40 Серийный номер от 1C000001 до 1C049738
Аксессуары 4-Х ТАКТНОГО ПЛМ MERCURY 40 Серийный номер от 1C000001 до 1C049738
Блок цилиндров 4-Х ТАКТНОГО ПЛМ MERCURY 40 Серийный номер от 1C000001 до 1C049738
Верх капота 4-Х ТАКТНОГО ПЛМ MERCURY 40 Серийный номер от 1C000001 до 1C049738
Впускной коллектор 4-Х ТАКТНОГО ПЛМ MERCURY 40 Серийный номер от 1C000001 до 1C049738
Впускные, выпускные клапаны 4-Х ТАКТНОГО ПЛМ MERCURY 40 Серийный номер от 1C000001 до 1C049738
Гидроподъем 4-Х ТАКТНОГО ПЛМ MERCURY 40 Серийный номер от 1C000001 до 1C049738
Головка цилиндра 4-Х ТАКТНОГО ПЛМ MERCURY 40 Серийный номер от 1C000001 до 1C049738
Инструменты (Часть 1) 4-Х ТАКТНОГО ПЛМ MERCURY 40 Серийный номер от 1C000001 до 1C049738
Инструменты (Часть 2) 4-Х ТАКТНОГО ПЛМ MERCURY 40 Серийный номер от 1C000001 до 1C049738
Инструменты (Часть 3) 4-Х ТАКТНОГО ПЛМ MERCURY 40 Серийный номер от 1C000001 до 1C049738
Катушка зажигания 4-Х ТАКТНОГО ПЛМ MERCURY 40 Серийный номер от 1C000001 до 1C049738
Коленвал, поршни и шатуны 4-Х ТАКТНОГО ПЛМ MERCURY 40 Серийный номер от 1C000001 до 1C049738
Комплект для дистанционного управления(859185A 2) 4-Х ТАКТНОГО ПЛМ MERCURY 40 Серийный номер от 1C000001 до 1C049738
Комплекты прокладок 4-Х ТАКТНОГО ПЛМ MERCURY 40 Серийный номер от 1C000001 до 1C049738
Компоненты гидроподъема (Часть 1) 4-Х ТАКТНОГО ПЛМ MERCURY 40 Серийный номер от 1C000001 до 1C049738
Компоненты гидроподъема (Часть 2) 4-Х ТАКТНОГО ПЛМ MERCURY 40 Серийный номер от 1C000001 до 1C049738
Корпус карданного вала, длинный 4-Х ТАКТНОГО ПЛМ MERCURY 40 Серийный номер от 1C000001 до 1C049738
Корпус карданного вала, короткий 4-Х ТАКТНОГО ПЛМ MERCURY 40 Серийный номер от 1C000001 до 1C049738
Корпус шестерни, карданный вал, длинный - 2:1 передаточное число 4-Х ТАКТНОГО ПЛМ MERCURY 40 Серийный номер от 1C000001 до 1C049738
Корпус шестерни, карданный вал, короткий - 2:1 передаточное число 4-Х ТАКТНОГО ПЛМ MERCURY 40 Серийный номер от 1C000001 до 1C049738
Корпус шестерни, приводной вал, длинный - 2:1 передаточное число 4-Х ТАКТНОГО ПЛМ MERCURY 40 Серийный номер от 1C000001 до 1C049738
Корпус шестерни, приводной вал, короткий - 2:1 передаточное число 4-Х ТАКТНОГО ПЛМ MERCURY 40 Серийный номер от 1C000001 до 1C049738
Кронштейн транца 4-Х ТАКТНОГО ПЛМ MERCURY 40 Серийный номер от 1C000001 до 1C049738
Масляный насос распредвала 4-Х ТАКТНОГО ПЛМ MERCURY 40 Серийный номер от 1C000001 до 1C049738
Маховик 4-Х ТАКТНОГО ПЛМ MERCURY 40 Серийный номер от 1C000001 до 1C049738
Низ капота 4-Х ТАКТНОГО ПЛМ MERCURY 40 Серийный номер от 1C000001 до 1C049738
Паросепаратор 4-Х ТАКТНОГО ПЛМ MERCURY 40 Серийный номер от 1C000001 до 1C049738
Переходная пластина 4-Х ТАКТНОГО ПЛМ MERCURY 40 Серийный номер от 1C000001 до 1C049738
Поворотный кронштейн 4-Х ТАКТНОГО ПЛМ MERCURY 40 Серийный номер от 1C000001 до 1C049738
Рукоятка румпеля 4-Х ТАКТНОГО ПЛМ MERCURY 40 Серийный номер от 1C000001 до 1C049738
Рулевой рычаг 4-Х ТАКТНОГО ПЛМ MERCURY 40 Серийный номер от 1C000001 до 1C049738
Рычаг переключения передач, внешний, длинный 4-Х ТАКТНОГО ПЛМ MERCURY 40 Серийный номер от 1C000001 до 1C049738
Рычаг переключения передач, короткий 4-Х ТАКТНОГО ПЛМ MERCURY 40 Серийный номер от 1C000001 до 1C049738
Рычаг переключения передач, румпель, длинный 4-Х ТАКТНОГО ПЛМ MERCURY 40 Серийный номер от 1C000001 до 1C049738
Топливные линии 4-Х ТАКТНОГО ПЛМ MERCURY 40 Серийный номер от 1C000001 до 1C049738
Топливный насос 4-Х ТАКТНОГО ПЛМ MERCURY 40 Серийный номер от 1C000001 до 1C049738
Электрические компоненты 4-Х ТАКТНОГО ПЛМ MERCURY 40 Серийный номер от 1C000001 до 1C049738
Запчасти для 4-х тактного ПЛМ MERCURY 40 Серийный номер от 1C049739 и выше
Аксессуары 4-Х ТАКТНОГО ПЛМ MERCURY 40 Серийный номер от 1C049739 и выше
Блок цилиндров 4-Х ТАКТНОГО ПЛМ MERCURY 40 Серийный номер от 1C049739 и выше
Верх капота 4-Х ТАКТНОГО ПЛМ MERCURY 40 Серийный номер от 1C049739 и выше
Впускной коллектор 4-Х ТАКТНОГО ПЛМ MERCURY 40 Серийный номер от 1C049739 и выше
Впускные, выпускные клапаны 4-Х ТАКТНОГО ПЛМ MERCURY 40 Серийный номер от 1C049739 и выше
Гидроподъем 4-Х ТАКТНОГО ПЛМ MERCURY 40 Серийный номер от 1C049739 и выше
Гидроподъем, 830150A11 4-Х ТАКТНОГО ПЛМ MERCURY 40 Серийный номер от 1C049739 и выше
Головка цилиндра 4-Х ТАКТНОГО ПЛМ MERCURY 40 Серийный номер от 1C049739 и выше
Инструменты (Часть 1) 4-Х ТАКТНОГО ПЛМ MERCURY 40 Серийный номер от 1C049739 и выше
Инструменты (Часть 2) 4-Х ТАКТНОГО ПЛМ MERCURY 40 Серийный номер от 1C049739 и выше
Инструменты (Часть 3) 4-Х ТАКТНОГО ПЛМ MERCURY 40 Серийный номер от 1C049739 и выше
Катушка зажигания, 1C104333/0P560349 и ниже 4-Х ТАКТНОГО ПЛМ MERCURY 40 Серийный номер от 1C049739 и выше
Катушка зажигания, 1C104334/0P560350 и выше 4-Х ТАКТНОГО ПЛМ MERCURY 40 Серийный номер от 1C049739 и выше
Коленвал, поршни и шатуны 4-Х ТАКТНОГО ПЛМ MERCURY 40 Серийный номер от 1C049739 и выше
Комплекты прокладок 4-Х ТАКТНОГО ПЛМ MERCURY 40 Серийный номер от 1C049739 и выше
Компоненты гидроподъема (Часть 1) 4-Х ТАКТНОГО ПЛМ MERCURY 40 Серийный номер от 1C049739 и выше
Компоненты гидроподъема (Часть 2) 4-Х ТАКТНОГО ПЛМ MERCURY 40 Серийный номер от 1C049739 и выше
Корпус карданного вала 4-Х ТАКТНОГО ПЛМ MERCURY 40 Серийный номер от 1C049739 и выше
Корпус шестерни, карданный вал - 2:1 передаточное число 4-Х ТАКТНОГО ПЛМ MERCURY 40 Серийный номер от 1C049739 и выше
Корпус шестерни, приводной вал - 2:1 передаточное число 4-Х ТАКТНОГО ПЛМ MERCURY 40 Серийный номер от 1C049739 и выше
Кронштейн транца 4-Х ТАКТНОГО ПЛМ MERCURY 40 Серийный номер от 1C049739 и выше
Масляный насос распредвала 4-Х ТАКТНОГО ПЛМ MERCURY 40 Серийный номер от 1C049739 и выше
Маховик 4-Х ТАКТНОГО ПЛМ MERCURY 40 Серийный номер от 1C049739 и выше
Набор ключей, дросселей и рупоров, 15000A14 4-Х ТАКТНОГО ПЛМ MERCURY 40 Серийный номер от 1C049739 и выше
Низ капота 4-Х ТАКТНОГО ПЛМ MERCURY 40 Серийный номер от 1C049739 и выше
Паросепаратор 4-Х ТАКТНОГО ПЛМ MERCURY 40 Серийный номер от 1C049739 и выше
Переходная пластина 4-Х ТАКТНОГО ПЛМ MERCURY 40 Серийный номер от 1C049739 и выше
Поворотный кронштейн 4-Х ТАКТНОГО ПЛМ MERCURY 40 Серийный номер от 1C049739 и выше
Рукоятка румпеля 4-Х ТАКТНОГО ПЛМ MERCURY 40 Серийный номер от 1C049739 и выше
Рычаг дроссельной заслонки, внешний 4-Х ТАКТНОГО ПЛМ MERCURY 40 Серийный номер от 1C049739 и выше
Рычаг дроссельной заслонки, румпель 4-Х ТАКТНОГО ПЛМ MERCURY 40 Серийный номер от 1C049739 и выше
Рычаг переключения передач, внешний 4-Х ТАКТНОГО ПЛМ MERCURY 40 Серийный номер от 1C049739 и выше
Рычаг переключения передач, румпель 4-Х ТАКТНОГО ПЛМ MERCURY 40 Серийный номер от 1C049739 и выше
Рычаг рулевого управления 4-Х ТАКТНОГО ПЛМ MERCURY 40 Серийный номер от 1C049739 и выше
Топливные линии 4-Х ТАКТНОГО ПЛМ MERCURY 40 Серийный номер от 1C049739 и выше
Топливный насос 4-Х ТАКТНОГО ПЛМ MERCURY 40 Серийный номер от 1C049739 и выше
Электрические компоненты, 1C104333/0P560349 и ниже 4-Х ТАКТНОГО ПЛМ MERCURY 40 Серийный номер от 1C049739 и выше
Электрические компоненты, 1C104334/0P560350 и выше 4-Х ТАКТНОГО ПЛМ MERCURY 40 Серийный номер от 1C049739 и выше
Запчасти для 4-х тактного ПЛМ MERCURY 50 Серийный номер от 0P153500 до 0P400999
Аксессуары 4-Х ТАКТНОГО ПЛМ MERCURY 50 Серийный номер от 0P153500 до 0P400999
Блок цилиндров и картер 4-Х ТАКТНОГО ПЛМ MERCURY 50 Серийный номер от 0P153500 до 0P400999
Верх капота 4-Х ТАКТНОГО ПЛМ MERCURY 50 Серийный номер от 0P153500 до 0P400999
Впускной коллектор 4-Х ТАКТНОГО ПЛМ MERCURY 50 Серийный номер от 0P153500 до 0P400999
Впускные, выпускные клапаны 4-Х ТАКТНОГО ПЛМ MERCURY 50 Серийный номер от 0P153500 до 0P400999
Гидроподъем 4-Х ТАКТНОГО ПЛМ MERCURY 50 Серийный номер от 0P153500 до 0P400999
Головка цилиндра 4-Х ТАКТНОГО ПЛМ MERCURY 50 Серийный номер от 0P153500 до 0P400999
Инструменты (Часть 1) 4-Х ТАКТНОГО ПЛМ MERCURY 50 Серийный номер от 0P153500 до 0P400999
Инструменты (Часть 2) 4-Х ТАКТНОГО ПЛМ MERCURY 50 Серийный номер от 0P153500 до 0P400999
Инструменты (Часть 3) 4-Х ТАКТНОГО ПЛМ MERCURY 50 Серийный номер от 0P153500 до 0P400999
Катушка, Bel-0P325500 thru 0P400999 4-Х ТАКТНОГО ПЛМ MERCURY 50 Серийный номер от 0P153500 до 0P400999
Катушка, USA-0T979999/BEL-0P325499 и ниже 4-Х ТАКТНОГО ПЛМ MERCURY 50 Серийный номер от 0P153500 до 0P400999
Катушка, USA-0T980000 thru 1B226999 4-Х ТАКТНОГО ПЛМ MERCURY 50 Серийный номер от 0P153500 до 0P400999
Катушка, USA-1B227000/Bel-0P401000 и выше 4-Х ТАКТНОГО ПЛМ MERCURY 50 Серийный номер от 0P153500 до 0P400999
Коленвал, поршни и шатуны 4-Х ТАКТНОГО ПЛМ MERCURY 50 Серийный номер от 0P153500 до 0P400999
Комплект удлинителя XL 4-Х ТАКТНОГО ПЛМ MERCURY 50 Серийный номер от 0P153500 до 0P400999
Комплекты прокладок 4-Х ТАКТНОГО ПЛМ MERCURY 50 Серийный номер от 0P153500 до 0P400999
Компоненты гидроподъема 4-Х ТАКТНОГО ПЛМ MERCURY 50 Серийный номер от 0P153500 до 0P400999
Корпус карданного вала 4-Х ТАКТНОГО ПЛМ MERCURY 50 Серийный номер от 0P153500 до 0P400999
Корпус шестерни, Drive-2.33:1-USA-0T625304/BEL-0P216185 и выше 4-Х ТАКТНОГО ПЛМ MERCURY 50 Серийный номер от 0P153500 до 0P400999
Корпус шестерни, Prop-2.31:1-USA-0T625303/BEL-0P216184 и ниже 4-Х ТАКТНОГО ПЛМ MERCURY 50 Серийный номер от 0P153500 до 0P400999
Корпус шестерни, Prop-2.33:1-USA-0T625304/BEL-0P216185 и выше 4-Х ТАКТНОГО ПЛМ MERCURY 50 Серийный номер от 0P153500 до 0P400999
Корпус шестерни, Propeller Shaft - 1.83:1 передаточное число 4-Х ТАКТНОГО ПЛМ MERCURY 50 Серийный номер от 0P153500 до 0P400999
Корпус шестерни(Drive-2.31:1)(Belgium-0P216184 и ниже) 4-Х ТАКТНОГО ПЛМ MERCURY 50 Серийный номер от 0P153500 до 0P400999
Корпус шестерни(Drive-2.31:1)(USA-0T625303 и ниже) 4-Х ТАКТНОГО ПЛМ MERCURY 50 Серийный номер от 0P153500 до 0P400999
Корпус шестерни(Driveshaft)(1.83:1 передаточное число) 4-Х ТАКТНОГО ПЛМ MERCURY 50 Серийный номер от 0P153500 до 0P400999
Кронштейн транца 4-Х ТАКТНОГО ПЛМ MERCURY 50 Серийный номер от 0P153500 до 0P400999
Масляный насос распредвала 4-Х ТАКТНОГО ПЛМ MERCURY 50 Серийный номер от 0P153500 до 0P400999
Маховик 4-Х ТАКТНОГО ПЛМ MERCURY 50 Серийный номер от 0P153500 до 0P400999
Низ капота 4-Х ТАКТНОГО ПЛМ MERCURY 50 Серийный номер от 0P153500 до 0P400999
Паросепаратор(USA-1B036613/BEL-0P340241 и ниже) 4-Х ТАКТНОГО ПЛМ MERCURY 50 Серийный номер от 0P153500 до 0P400999
Паросепаратор(USA-1B036614/BEL-0P340242 и выше) 4-Х ТАКТНОГО ПЛМ MERCURY 50 Серийный номер от 0P153500 до 0P400999
Переходная пластина 4-Х ТАКТНОГО ПЛМ MERCURY 50 Серийный номер от 0P153500 до 0P400999
Поворотный кронштейн 4-Х ТАКТНОГО ПЛМ MERCURY 50 Серийный номер от 0P153500 до 0P400999
Рукоятка рулевого управления 4-Х ТАКТНОГО ПЛМ MERCURY 50 Серийный номер от 0P153500 до 0P400999
Рукоятка румпеля 4-Х ТАКТНОГО ПЛМ MERCURY 50 Серийный номер от 0P153500 до 0P400999
Рычаг переключения передач, внешний 4-Х ТАКТНОГО ПЛМ MERCURY 50 Серийный номер от 0P153500 до 0P400999
Рычаг переключения передач, румпель 4-Х ТАКТНОГО ПЛМ MERCURY 50 Серийный номер от 0P153500 до 0P400999
Стартер(USA- 1B282399 и ниже) 4-Х ТАКТНОГО ПЛМ MERCURY 50 Серийный номер от 0P153500 до 0P400999
Топливные линии 4-Х ТАКТНОГО ПЛМ MERCURY 50 Серийный номер от 0P153500 до 0P400999
Топливный насос 4-Х ТАКТНОГО ПЛМ MERCURY 50 Серийный номер от 0P153500 до 0P400999
Электрические компоненты(USA-1B226999/Bel-0P400999 и ниже) 4-Х ТАКТНОГО ПЛМ MERCURY 50 Серийный номер от 0P153500 до 0P400999
Электрические компоненты(USA-1B227000/Bel-0P401000 и выше) 4-Х ТАКТНОГО ПЛМ MERCURY 50 Серийный номер от 0P153500 до 0P400999
Запчасти для 4-х тактного ПЛМ MERCURY 50 Серийный номер от 0P401000 до 0P515896
Аксессуары 4-Х ТАКТНОГО ПЛМ MERCURY 50 Серийный номер от 0P401000 до 0P515896
Блок цилиндров и картер 4-Х ТАКТНОГО ПЛМ MERCURY 50 Серийный номер от 0P401000 до 0P515896
Верх капота 4-Х ТАКТНОГО ПЛМ MERCURY 50 Серийный номер от 0P401000 до 0P515896
Впускной коллектор 4-Х ТАКТНОГО ПЛМ MERCURY 50 Серийный номер от 0P401000 до 0P515896
Впускные, выпускные клапаны 4-Х ТАКТНОГО ПЛМ MERCURY 50 Серийный номер от 0P401000 до 0P515896
Гидроподъем 4-Х ТАКТНОГО ПЛМ MERCURY 50 Серийный номер от 0P401000 до 0P515896
Головка цилиндра 4-Х ТАКТНОГО ПЛМ MERCURY 50 Серийный номер от 0P401000 до 0P515896
Инструменты (Часть 1) 4-Х ТАКТНОГО ПЛМ MERCURY 50 Серийный номер от 0P401000 до 0P515896
Инструменты (Часть 2) 4-Х ТАКТНОГО ПЛМ MERCURY 50 Серийный номер от 0P401000 до 0P515896
Инструменты (Часть 3) 4-Х ТАКТНОГО ПЛМ MERCURY 50 Серийный номер от 0P401000 до 0P515896
Катушка зажигания 4-Х ТАКТНОГО ПЛМ MERCURY 50 Серийный номер от 0P401000 до 0P515896
Коленвал, поршни и шатуны 4-Х ТАКТНОГО ПЛМ MERCURY 50 Серийный номер от 0P401000 до 0P515896
Комплект дистанционного управления(880093A 2) 4-Х ТАКТНОГО ПЛМ MERCURY 50 Серийный номер от 0P401000 до 0P515896
Комплект удлинителей-5 дюймов, корпус карданного вала 12092A18 4-Х ТАКТНОГО ПЛМ MERCURY 50 Серийный номер от 0P401000 до 0P515896
Комплекты прокладок 4-Х ТАКТНОГО ПЛМ MERCURY 50 Серийный номер от 0P401000 до 0P515896
Компоненты гидроподъема 4-Х ТАКТНОГО ПЛМ MERCURY 50 Серийный номер от 0P401000 до 0P515896
Корпус карданного вала 4-Х ТАКТНОГО ПЛМ MERCURY 50 Серийный номер от 0P401000 до 0P515896
Корпус шестерни(карданный вал-2.33:1)(Serial #1C033810 и ниже) 4-Х ТАКТНОГО ПЛМ MERCURY 50 Серийный номер от 0P401000 до 0P515896
Корпус шестерни(карданный вал) - 1.83:1 передаточное число 4-Х ТАКТНОГО ПЛМ MERCURY 50 Серийный номер от 0P401000 до 0P515896
Корпус шестерни(карданный вал)(Serial #1C033811 и выше) 4-Х ТАКТНОГО ПЛМ MERCURY 50 Серийный номер от 0P401000 до 0P515896
Корпус шестерни(приводной вал-2.33:1)(Serial #1C033810 и ниже) 4-Х ТАКТНОГО ПЛМ MERCURY 50 Серийный номер от 0P401000 до 0P515896
Корпус шестерни(приводной вал)(1.83:1 передаточное число) 4-Х ТАКТНОГО ПЛМ MERCURY 50 Серийный номер от 0P401000 до 0P515896
Корпус шестерни(приводной вал)(Serial #1C033811 и выше) 4-Х ТАКТНОГО ПЛМ MERCURY 50 Серийный номер от 0P401000 до 0P515896
Кронштейн транца 4-Х ТАКТНОГО ПЛМ MERCURY 50 Серийный номер от 0P401000 до 0P515896
Масляный насос распредвала 4-Х ТАКТНОГО ПЛМ MERCURY 50 Серийный номер от 0P401000 до 0P515896
Маховик 4-Х ТАКТНОГО ПЛМ MERCURY 50 Серийный номер от 0P401000 до 0P515896
Низ капота 4-Х ТАКТНОГО ПЛМ MERCURY 50 Серийный номер от 0P401000 до 0P515896
Паросепаратор 4-Х ТАКТНОГО ПЛМ MERCURY 50 Серийный номер от 0P401000 до 0P515896
Переходная пластина 4-Х ТАКТНОГО ПЛМ MERCURY 50 Серийный номер от 0P401000 до 0P515896
Поворотный кронштейн 4-Х ТАКТНОГО ПЛМ MERCURY 50 Серийный номер от 0P401000 до 0P515896
Рукоятка рулевого управления 4-Х ТАКТНОГО ПЛМ MERCURY 50 Серийный номер от 0P401000 до 0P515896
Рукоятка румпеля 4-Х ТАКТНОГО ПЛМ MERCURY 50 Серийный номер от 0P401000 до 0P515896
Рычаг переключения передач, внешний 4-Х ТАКТНОГО ПЛМ MERCURY 50 Серийный номер от 0P401000 до 0P515896
Рычаг переключения передач, румпель 4-Х ТАКТНОГО ПЛМ MERCURY 50 Серийный номер от 0P401000 до 0P515896
Топливные линии 4-Х ТАКТНОГО ПЛМ MERCURY 50 Серийный номер от 0P401000 до 0P515896
Топливный насос 4-Х ТАКТНОГО ПЛМ MERCURY 50 Серийный номер от 0P401000 до 0P515896
Электрические компоненты 4-Х ТАКТНОГО ПЛМ MERCURY 50 Серийный номер от 0P401000 до 0P515896
Запчасти для 4-х тактного ПЛМ MERCURY 50 Серийный номер от 0P515897 и выше
Jet Unit 4-Х ТАКТНОГО ПЛМ MERCURY 50 Серийный номер от 0P515897 и выше
Аксессуары 4-Х ТАКТНОГО ПЛМ MERCURY 50 Серийный номер от 0P515897 и выше
Блок цилиндров и картер 4-Х ТАКТНОГО ПЛМ MERCURY 50 Серийный номер от 0P515897 и выше
Верх капота 4-Х ТАКТНОГО ПЛМ MERCURY 50 Серийный номер от 0P515897 и выше
Впускной коллектор 4-Х ТАКТНОГО ПЛМ MERCURY 50 Серийный номер от 0P515897 и выше
Впускные, выпускные клапаны 4-Х ТАКТНОГО ПЛМ MERCURY 50 Серийный номер от 0P515897 и выше
Гидроподъем 4-Х ТАКТНОГО ПЛМ MERCURY 50 Серийный номер от 0P515897 и выше
Головка цилиндра 4-Х ТАКТНОГО ПЛМ MERCURY 50 Серийный номер от 0P515897 и выше
Инструменты (Часть 1) 4-Х ТАКТНОГО ПЛМ MERCURY 50 Серийный номер от 0P515897 и выше
Инструменты (Часть 2) 4-Х ТАКТНОГО ПЛМ MERCURY 50 Серийный номер от 0P515897 и выше
Инструменты (Часть 3) 4-Х ТАКТНОГО ПЛМ MERCURY 50 Серийный номер от 0P515897 и выше
Катушка зажигания, 1C104423/0P560349 и ниже 4-Х ТАКТНОГО ПЛМ MERCURY 50 Серийный номер от 0P515897 и выше
Катушка зажигания, 1C104424/0P560350 и выше 4-Х ТАКТНОГО ПЛМ MERCURY 50 Серийный номер от 0P515897 и выше
Коленвал, поршни и шатуны 4-Х ТАКТНОГО ПЛМ MERCURY 50 Серийный номер от 0P515897 и выше
Комплект удлинителя - 2.5 Inch, Driveshaft Housing (879150A88) 4-Х ТАКТНОГО ПЛМ MERCURY 50 Серийный номер от 0P515897 и выше
Комплект удлинителя - 5 Inch, Driveshaft Housing (12092A20) 4-Х ТАКТНОГО ПЛМ MERCURY 50 Серийный номер от 0P515897 и выше
Комплект удлинителя, Driveshaft Housing 12092A20 - Bigfoot 4-Х ТАКТНОГО ПЛМ MERCURY 50 Серийный номер от 0P515897 и выше
Комплекты прокладок 4-Х ТАКТНОГО ПЛМ MERCURY 50 Серийный номер от 0P515897 и выше
Компоненты гидроподъема (Часть 1) 4-Х ТАКТНОГО ПЛМ MERCURY 50 Серийный номер от 0P515897 и выше
Компоненты гидроподъема (Часть 2) 4-Х ТАКТНОГО ПЛМ MERCURY 50 Серийный номер от 0P515897 и выше
Компоненты струйного водяного насоса 4-Х ТАКТНОГО ПЛМ MERCURY 50 Серийный номер от 0P515897 и выше
Корпус карданного вала 4-Х ТАКТНОГО ПЛМ MERCURY 50 Серийный номер от 0P515897 и выше
Корпус шестерни,карданный вал - 1.83:1 передаточное число 4-Х ТАКТНОГО ПЛМ MERCURY 50 Серийный номер от 0P515897 и выше
Корпус шестерни,карданный вал - 2.33:1 передаточное число 4-Х ТАКТНОГО ПЛМ MERCURY 50 Серийный номер от 0P515897 и выше
Корпус шестерни,приводной вал - 1.83:1 передаточное число 4-Х ТАКТНОГО ПЛМ MERCURY 50 Серийный номер от 0P515897 и выше
Корпус шестерни,приводной вал - 2.33:1 передаточное число 4-Х ТАКТНОГО ПЛМ MERCURY 50 Серийный номер от 0P515897 и выше
Кронштейн транца 4-Х ТАКТНОГО ПЛМ MERCURY 50 Серийный номер от 0P515897 и выше
Масляный насос распредвала 4-Х ТАКТНОГО ПЛМ MERCURY 50 Серийный номер от 0P515897 и выше
Маховик 4-Х ТАКТНОГО ПЛМ MERCURY 50 Серийный номер от 0P515897 и выше
Набор ключей, дросселей, рупоров, 15000A14 4-Х ТАКТНОГО ПЛМ MERCURY 50 Серийный номер от 0P515897 и выше
Низ капота 4-Х ТАКТНОГО ПЛМ MERCURY 50 Серийный номер от 0P515897 и выше
Паросепаратор 4-Х ТАКТНОГО ПЛМ MERCURY 50 Серийный номер от 0P515897 и выше
Переходная пластина 4-Х ТАКТНОГО ПЛМ MERCURY 50 Серийный номер от 0P515897 и выше
Поворотный кронштейн 4-Х ТАКТНОГО ПЛМ MERCURY 50 Серийный номер от 0P515897 и выше
Рукоятка рулевого управления 4-Х ТАКТНОГО ПЛМ MERCURY 50 Серийный номер от 0P515897 и выше
Рукоятка румпеля 4-Х ТАКТНОГО ПЛМ MERCURY 50 Серийный номер от 0P515897 и выше
Рычаг дроссельной заслонки, Jet 4-Х ТАКТНОГО ПЛМ MERCURY 50 Серийный номер от 0P515897 и выше
Рычаг дроссельной заслонки, внешний 4-Х ТАКТНОГО ПЛМ MERCURY 50 Серийный номер от 0P515897 и выше
Рычаг дроссельной заслонки, румпель 4-Х ТАКТНОГО ПЛМ MERCURY 50 Серийный номер от 0P515897 и выше
Рычаг переключения передач, внешний 4-Х ТАКТНОГО ПЛМ MERCURY 50 Серийный номер от 0P515897 и выше
Рычаг переключения передач, румпель 4-Х ТАКТНОГО ПЛМ MERCURY 50 Серийный номер от 0P515897 и выше
Топливные линии 4-Х ТАКТНОГО ПЛМ MERCURY 50 Серийный номер от 0P515897 и выше
Топливный насос 4-Х ТАКТНОГО ПЛМ MERCURY 50 Серийный номер от 0P515897 и выше
Электрические компоненты, 1C104423/0P560349 и ниже 4-Х ТАКТНОГО ПЛМ MERCURY 50 Серийный номер от 0P515897 и выше
Электрические компоненты, 1C104424/0P560350 и выше 4-Х ТАКТНОГО ПЛМ MERCURY 50 Серийный номер от 0P515897 и выше
Запчасти для 4-х тактного ПЛМ MERCURY 50 Серийный номер от 0T409000 до 1B344306
Аксессуары 4-Х ТАКТНОГО ПЛМ MERCURY 50 Серийный номер от 0T409000 до 1B344306
Блок цилиндров и картер 4-Х ТАКТНОГО ПЛМ MERCURY 50 Серийный номер от 0T409000 до 1B344306
Верх капота 4-Х ТАКТНОГО ПЛМ MERCURY 50 Серийный номер от 0T409000 до 1B344306
Впускной коллектор 4-Х ТАКТНОГО ПЛМ MERCURY 50 Серийный номер от 0T409000 до 1B344306
Впускные, выпускные клапаны 4-Х ТАКТНОГО ПЛМ MERCURY 50 Серийный номер от 0T409000 до 1B344306
Гидроподъем 4-Х ТАКТНОГО ПЛМ MERCURY 50 Серийный номер от 0T409000 до 1B344306
Головка цилиндра 4-Х ТАКТНОГО ПЛМ MERCURY 50 Серийный номер от 0T409000 до 1B344306
Инструменты (Часть 1) 4-Х ТАКТНОГО ПЛМ MERCURY 50 Серийный номер от 0T409000 до 1B344306
Инструменты (Часть 2) 4-Х ТАКТНОГО ПЛМ MERCURY 50 Серийный номер от 0T409000 до 1B344306
Инструменты (Часть 3) 4-Х ТАКТНОГО ПЛМ MERCURY 50 Серийный номер от 0T409000 до 1B344306
Катушка, Bel-0P325500 thru 0P400999 4-Х ТАКТНОГО ПЛМ MERCURY 50 Серийный номер от 0T409000 до 1B344306
Катушка, USA-0T979999/BEL-0P325499 и ниже 4-Х ТАКТНОГО ПЛМ MERCURY 50 Серийный номер от 0T409000 до 1B344306
Катушка, USA-0T980000 thru 1B226999 4-Х ТАКТНОГО ПЛМ MERCURY 50 Серийный номер от 0T409000 до 1B344306
Катушка, USA-1B227000/Bel-0P401000 и выше 4-Х ТАКТНОГО ПЛМ MERCURY 50 Серийный номер от 0T409000 до 1B344306
Коленвал, поршни и шатуны 4-Х ТАКТНОГО ПЛМ MERCURY 50 Серийный номер от 0T409000 до 1B344306
Комплект удлинителя XL 4-Х ТАКТНОГО ПЛМ MERCURY 50 Серийный номер от 0T409000 до 1B344306
Комплекты прокладок 4-Х ТАКТНОГО ПЛМ MERCURY 50 Серийный номер от 0T409000 до 1B344306
Компоненты гидроподъема 4-Х ТАКТНОГО ПЛМ MERCURY 50 Серийный номер от 0T409000 до 1B344306
Корпус карданного вала 4-Х ТАКТНОГО ПЛМ MERCURY 50 Серийный номер от 0T409000 до 1B344306
Корпус шестерни, Drive-2.33:1-USA-0T625304/BEL-0P216185 и выше 4-Х ТАКТНОГО ПЛМ MERCURY 50 Серийный номер от 0T409000 до 1B344306
Корпус шестерни, Prop-2.31:1-USA-0T625303/BEL-0P216184 и ниже 4-Х ТАКТНОГО ПЛМ MERCURY 50 Серийный номер от 0T409000 до 1B344306
Корпус шестерни, Prop-2.33:1-USA-0T625304/BEL-0P216185 и выше 4-Х ТАКТНОГО ПЛМ MERCURY 50 Серийный номер от 0T409000 до 1B344306
Корпус шестерни, карданный вал - 1.83:1 передаточное число 4-Х ТАКТНОГО ПЛМ MERCURY 50 Серийный номер от 0T409000 до 1B344306
Корпус шестерни(Drive-2.31:1)(Belgium-0P216184 и ниже) 4-Х ТАКТНОГО ПЛМ MERCURY 50 Серийный номер от 0T409000 до 1B344306
Корпус шестерни(Drive-2.31:1)(USA-0T625303 и ниже) 4-Х ТАКТНОГО ПЛМ MERCURY 50 Серийный номер от 0T409000 до 1B344306
Корпус шестерни(приводной вал)(1.83:1 передаточное число) 4-Х ТАКТНОГО ПЛМ MERCURY 50 Серийный номер от 0T409000 до 1B344306
Кронштейн транца 4-Х ТАКТНОГО ПЛМ MERCURY 50 Серийный номер от 0T409000 до 1B344306
Масляный насос распредвала 4-Х ТАКТНОГО ПЛМ MERCURY 50 Серийный номер от 0T409000 до 1B344306
Маховик 4-Х ТАКТНОГО ПЛМ MERCURY 50 Серийный номер от 0T409000 до 1B344306
Низ капота 4-Х ТАКТНОГО ПЛМ MERCURY 50 Серийный номер от 0T409000 до 1B344306
Паросепаратор(USA-1B036613/BEL-0P340241 и ниже) 4-Х ТАКТНОГО ПЛМ MERCURY 50 Серийный номер от 0T409000 до 1B344306
Паросепаратор(USA-1B036614/BEL-0P340242 и выше) 4-Х ТАКТНОГО ПЛМ MERCURY 50 Серийный номер от 0T409000 до 1B344306
Переходная пластина 4-Х ТАКТНОГО ПЛМ MERCURY 50 Серийный номер от 0T409000 до 1B344306
Поворотный кронштейн 4-Х ТАКТНОГО ПЛМ MERCURY 50 Серийный номер от 0T409000 до 1B344306
Рукоятка рулевого управления 4-Х ТАКТНОГО ПЛМ MERCURY 50 Серийный номер от 0T409000 до 1B344306
Рукоятка румпеля 4-Х ТАКТНОГО ПЛМ MERCURY 50 Серийный номер от 0T409000 до 1B344306
Рычаг переключения передач, внешний 4-Х ТАКТНОГО ПЛМ MERCURY 50 Серийный номер от 0T409000 до 1B344306
Рычаг переключения передач, румпель 4-Х ТАКТНОГО ПЛМ MERCURY 50 Серийный номер от 0T409000 до 1B344306
Стартер(USA- 1B282399 и ниже) 4-Х ТАКТНОГО ПЛМ MERCURY 50 Серийный номер от 0T409000 до 1B344306
Топливные линии 4-Х ТАКТНОГО ПЛМ MERCURY 50 Серийный номер от 0T409000 до 1B344306
Топливный насос 4-Х ТАКТНОГО ПЛМ MERCURY 50 Серийный номер от 0T409000 до 1B344306
Электрические компоненты(USA-1B226999/Bel-0P400999 и ниже) 4-Х ТАКТНОГО ПЛМ MERCURY 50 Серийный номер от 0T409000 до 1B344306
Электрические компоненты(USA-1B227000/Bel-0P401000 и выше) 4-Х ТАКТНОГО ПЛМ MERCURY 50 Серийный номер от 0T409000 до 1B344306
Запчасти для 4-х тактного ПЛМ MERCURY 50 Серийный номер от 1C000001 до 1C050251
Аксессуары 4-Х ТАКТНОГО ПЛМ MERCURY 50 Серийный номер от 1C000001 до 1C050251
Блок цилиндров и картер 4-Х ТАКТНОГО ПЛМ MERCURY 50 Серийный номер от 1C000001 до 1C050251
Верх капота 4-Х ТАКТНОГО ПЛМ MERCURY 50 Серийный номер от 1C000001 до 1C050251
Впускной коллектор 4-Х ТАКТНОГО ПЛМ MERCURY 50 Серийный номер от 1C000001 до 1C050251
Впускные, выпускные клапаны 4-Х ТАКТНОГО ПЛМ MERCURY 50 Серийный номер от 1C000001 до 1C050251
Гидроподъем 4-Х ТАКТНОГО ПЛМ MERCURY 50 Серийный номер от 1C000001 до 1C050251
Головка цилиндра 4-Х ТАКТНОГО ПЛМ MERCURY 50 Серийный номер от 1C000001 до 1C050251
Инструменты (Часть 1) 4-Х ТАКТНОГО ПЛМ MERCURY 50 Серийный номер от 1C000001 до 1C050251
Инструменты (Часть 2) 4-Х ТАКТНОГО ПЛМ MERCURY 50 Серийный номер от 1C000001 до 1C050251
Инструменты (Часть 3) 4-Х ТАКТНОГО ПЛМ MERCURY 50 Серийный номер от 1C000001 до 1C050251
Катушка зажигания 4-Х ТАКТНОГО ПЛМ MERCURY 50 Серийный номер от 1C000001 до 1C050251
Коленвал, поршни и шатуны 4-Х ТАКТНОГО ПЛМ MERCURY 50 Серийный номер от 1C000001 до 1C050251
Комплект дистанционного управления(880093A 2) 4-Х ТАКТНОГО ПЛМ MERCURY 50 Серийный номер от 1C000001 до 1C050251
Комплект удлинителей-5 дюймов, корпус карданного вала 12092A18 4-Х ТАКТНОГО ПЛМ MERCURY 50 Серийный номер от 1C000001 до 1C050251
Комплекты прокладок 4-Х ТАКТНОГО ПЛМ MERCURY 50 Серийный номер от 1C000001 до 1C050251
Компоненты гидроподъема 4-Х ТАКТНОГО ПЛМ MERCURY 50 Серийный номер от 1C000001 до 1C050251
Корпус карданного вала 4-Х ТАКТНОГО ПЛМ MERCURY 50 Серийный номер от 1C000001 до 1C050251
Корпус шестерни(карданный вал-2.33:1)(Serial #1C033810 и ниже) 4-Х ТАКТНОГО ПЛМ MERCURY 50 Серийный номер от 1C000001 до 1C050251
Корпус шестерни(карданный вал) - 1.83:1 передаточное число 4-Х ТАКТНОГО ПЛМ MERCURY 50 Серийный номер от 1C000001 до 1C050251
Корпус шестерни(карданный вал)(Serial #1C033811 и выше) 4-Х ТАКТНОГО ПЛМ MERCURY 50 Серийный номер от 1C000001 до 1C050251
Корпус шестерни(приводной вал-2.33:1)(Serial #1C033810 и ниже) 4-Х ТАКТНОГО ПЛМ MERCURY 50 Серийный номер от 1C000001 до 1C050251
Корпус шестерни(приводной вал)(1.83:1 передаточное число) 4-Х ТАКТНОГО ПЛМ MERCURY 50 Серийный номер от 1C000001 до 1C050251
Корпус шестерни(приводной вал)(Serial #1C033811 и выше) 4-Х ТАКТНОГО ПЛМ MERCURY 50 Серийный номер от 1C000001 до 1C050251
Кронштейн транца 4-Х ТАКТНОГО ПЛМ MERCURY 50 Серийный номер от 1C000001 до 1C050251
Масляный насос распредвала 4-Х ТАКТНОГО ПЛМ MERCURY 50 Серийный номер от 1C000001 до 1C050251
Маховик 4-Х ТАКТНОГО ПЛМ MERCURY 50 Серийный номер от 1C000001 до 1C050251
Низ капота 4-Х ТАКТНОГО ПЛМ MERCURY 50 Серийный номер от 1C000001 до 1C050251
Паросепаратор 4-Х ТАКТНОГО ПЛМ MERCURY 50 Серийный номер от 1C000001 до 1C050251
Переходная пластина 4-Х ТАКТНОГО ПЛМ MERCURY 50 Серийный номер от 1C000001 до 1C050251
Поворотный кронштейн 4-Х ТАКТНОГО ПЛМ MERCURY 50 Серийный номер от 1C000001 до 1C050251
Рукоятка рулевого управления 4-Х ТАКТНОГО ПЛМ MERCURY 50 Серийный номер от 1C000001 до 1C050251
Рукоятка румпеля 4-Х ТАКТНОГО ПЛМ MERCURY 50 Серийный номер от 1C000001 до 1C050251
Рычаг переключения передач, внешний 4-Х ТАКТНОГО ПЛМ MERCURY 50 Серийный номер от 1C000001 до 1C050251
Рычаг переключения передач, румпель 4-Х ТАКТНОГО ПЛМ MERCURY 50 Серийный номер от 1C000001 до 1C050251
Топливные линии 4-Х ТАКТНОГО ПЛМ MERCURY 50 Серийный номер от 1C000001 до 1C050251
Топливный насос 4-Х ТАКТНОГО ПЛМ MERCURY 50 Серийный номер от 1C000001 до 1C050251
Электрические компоненты 4-Х ТАКТНОГО ПЛМ MERCURY 50 Серийный номер от 1C000001 до 1C050251
Запчасти для 4-х тактного ПЛМ MERCURY 50 Серийный номер от 1C050252 и выше
Jet Unit 4-Х ТАКТНОГО ПЛМ MERCURY 50 Серийный номер от 1C050252 и выше
Аксессуары 4-Х ТАКТНОГО ПЛМ MERCURY 50 Серийный номер от 1C050252 и выше
Блок цилиндров и картер 4-Х ТАКТНОГО ПЛМ MERCURY 50 Серийный номер от 1C050252 и выше
Верх капота 4-Х ТАКТНОГО ПЛМ MERCURY 50 Серийный номер от 1C050252 и выше
Впускной коллектор 4-Х ТАКТНОГО ПЛМ MERCURY 50 Серийный номер от 1C050252 и выше
Впускные, выпускные клапаны 4-Х ТАКТНОГО ПЛМ MERCURY 50 Серийный номер от 1C050252 и выше
Гидроподъем 4-Х ТАКТНОГО ПЛМ MERCURY 50 Серийный номер от 1C050252 и выше
Головка цилиндра 4-Х ТАКТНОГО ПЛМ MERCURY 50 Серийный номер от 1C050252 и выше
Дроссельная тяга, Jet 4-Х ТАКТНОГО ПЛМ MERCURY 50 Серийный номер от 1C050252 и выше
Дроссельная тяга, внешний 4-Х ТАКТНОГО ПЛМ MERCURY 50 Серийный номер от 1C050252 и выше
Дроссельная тяга, румпель 4-Х ТАКТНОГО ПЛМ MERCURY 50 Серийный номер от 1C050252 и выше
Инструменты (Часть 1) 4-Х ТАКТНОГО ПЛМ MERCURY 50 Серийный номер от 1C050252 и выше
Инструменты (Часть 2) 4-Х ТАКТНОГО ПЛМ MERCURY 50 Серийный номер от 1C050252 и выше
Инструменты (Часть 3) 4-Х ТАКТНОГО ПЛМ MERCURY 50 Серийный номер от 1C050252 и выше
Катушка зажигания, 1C104423/0P560349 и ниже 4-Х ТАКТНОГО ПЛМ MERCURY 50 Серийный номер от 1C050252 и выше
Катушка зажигания, 1C104424/0P560350 и выше 4-Х ТАКТНОГО ПЛМ MERCURY 50 Серийный номер от 1C050252 и выше
Коленвал, поршни и шатуны 4-Х ТАКТНОГО ПЛМ MERCURY 50 Серийный номер от 1C050252 и выше
Комплект удлинителя - 2.5 Inch, корпус карданного вала (879150A88) 4-Х ТАКТНОГО ПЛМ MERCURY 50 Серийный номер от 1C050252 и выше
Комплект удлинителя - 5 Inch, корпус карданного вала (12092A20) 4-Х ТАКТНОГО ПЛМ MERCURY 50 Серийный номер от 1C050252 и выше
Комплект удлинителя, корпус карданного вала 12092A20 - Bigfoot 4-Х ТАКТНОГО ПЛМ MERCURY 50 Серийный номер от 1C050252 и выше
Комплекты прокладок 4-Х ТАКТНОГО ПЛМ MERCURY 50 Серийный номер от 1C050252 и выше
Компоненты гидроподъема (Часть 1) 4-Х ТАКТНОГО ПЛМ MERCURY 50 Серийный номер от 1C050252 и выше
Компоненты гидроподъема (Часть 2) 4-Х ТАКТНОГО ПЛМ MERCURY 50 Серийный номер от 1C050252 и выше
Компоненты струйного водяного насоса 4-Х ТАКТНОГО ПЛМ MERCURY 50 Серийный номер от 1C050252 и выше
Корпус карданного вала 4-Х ТАКТНОГО ПЛМ MERCURY 50 Серийный номер от 1C050252 и выше
Корпус шестерни, карданный вал - 1.83:1 передаточное число 4-Х ТАКТНОГО ПЛМ MERCURY 50 Серийный номер от 1C050252 и выше
Корпус шестерни, карданный вал - 2.33:1 передаточное число 4-Х ТАКТНОГО ПЛМ MERCURY 50 Серийный номер от 1C050252 и выше
Корпус шестерни, приводной вал - 1.83:1 передаточное число 4-Х ТАКТНОГО ПЛМ MERCURY 50 Серийный номер от 1C050252 и выше
Корпус шестерни, приводной вал - 2.33:1 передаточное число 4-Х ТАКТНОГО ПЛМ MERCURY 50 Серийный номер от 1C050252 и выше
Кронштейн транца 4-Х ТАКТНОГО ПЛМ MERCURY 50 Серийный номер от 1C050252 и выше
Масляный насос распредвала 4-Х ТАКТНОГО ПЛМ MERCURY 50 Серийный номер от 1C050252 и выше
Маховик 4-Х ТАКТНОГО ПЛМ MERCURY 50 Серийный номер от 1C050252 и выше
Набор ключей, дросселей, рупоров 15000A14 4-Х ТАКТНОГО ПЛМ MERCURY 50 Серийный номер от 1C050252 и выше
Низ капота 4-Х ТАКТНОГО ПЛМ MERCURY 50 Серийный номер от 1C050252 и выше
Паросепаратор 4-Х ТАКТНОГО ПЛМ MERCURY 50 Серийный номер от 1C050252 и выше
Переходная пластина 4-Х ТАКТНОГО ПЛМ MERCURY 50 Серийный номер от 1C050252 и выше
Поворотный кронштейн 4-Х ТАКТНОГО ПЛМ MERCURY 50 Серийный номер от 1C050252 и выше
Рукоятка рулевого управления 4-Х ТАКТНОГО ПЛМ MERCURY 50 Серийный номер от 1C050252 и выше
Рукоятка румпеля 4-Х ТАКТНОГО ПЛМ MERCURY 50 Серийный номер от 1C050252 и выше
Рычаг переключения передач, внешний 4-Х ТАКТНОГО ПЛМ MERCURY 50 Серийный номер от 1C050252 и выше
Рычаг переключения передач, румпель 4-Х ТАКТНОГО ПЛМ MERCURY 50 Серийный номер от 1C050252 и выше
Топливные линии 4-Х ТАКТНОГО ПЛМ MERCURY 50 Серийный номер от 1C050252 и выше
Топливный насос 4-Х ТАКТНОГО ПЛМ MERCURY 50 Серийный номер от 1C050252 и выше
Электрические компоненты, 1C104423/0P560349 и ниже 4-Х ТАКТНОГО ПЛМ MERCURY 50 Серийный номер от 1C050252 и выше
Электрические компоненты, 1C104424/0P560350 и выше 4-Х ТАКТНОГО ПЛМ MERCURY 50 Серийный номер от 1C050252 и выше
Запчасти для 4-х тактного ПЛМ MERCURY 60 Серийный номер от 0P153500 до 0P400999
Аксессуары 4-Х ТАКТНОГО ПЛМ MERCURY 60 Серийный номер от 0P153500 до 0P400999
Блок цилиндров и картер 4-Х ТАКТНОГО ПЛМ MERCURY 60 Серийный номер от 0P153500 до 0P400999
Верх капота 4-Х ТАКТНОГО ПЛМ MERCURY 60 Серийный номер от 0P153500 до 0P400999
Впускной коллектор 4-Х ТАКТНОГО ПЛМ MERCURY 60 Серийный номер от 0P153500 до 0P400999
Впускные, выпускные клапаны 4-Х ТАКТНОГО ПЛМ MERCURY 60 Серийный номер от 0P153500 до 0P400999
Гидроподъем 4-Х ТАКТНОГО ПЛМ MERCURY 60 Серийный номер от 0P153500 до 0P400999
Головка цилиндра 4-Х ТАКТНОГО ПЛМ MERCURY 60 Серийный номер от 0P153500 до 0P400999
Инструменты (Часть 1) 4-Х ТАКТНОГО ПЛМ MERCURY 60 Серийный номер от 0P153500 до 0P400999
Инструменты (Часть 2) 4-Х ТАКТНОГО ПЛМ MERCURY 60 Серийный номер от 0P153500 до 0P400999
Инструменты (Часть 3) 4-Х ТАКТНОГО ПЛМ MERCURY 60 Серийный номер от 0P153500 до 0P400999
Катушка, Bel-0P325500 thru 0P400999 4-Х ТАКТНОГО ПЛМ MERCURY 60 Серийный номер от 0P153500 до 0P400999
Катушка, USA-0T979999/BEL-0P325499 и ниже 4-Х ТАКТНОГО ПЛМ MERCURY 60 Серийный номер от 0P153500 до 0P400999
Катушка, USA-0T980000 thru 1B226999 4-Х ТАКТНОГО ПЛМ MERCURY 60 Серийный номер от 0P153500 до 0P400999
Катушка, USA-1B227000/Bel-0P401000 и выше 4-Х ТАКТНОГО ПЛМ MERCURY 60 Серийный номер от 0P153500 до 0P400999
Коленвал, поршни и шатуны 4-Х ТАКТНОГО ПЛМ MERCURY 60 Серийный номер от 0P153500 до 0P400999
Комплект удлинителя XL 4-Х ТАКТНОГО ПЛМ MERCURY 60 Серийный номер от 0P153500 до 0P400999
Комплекты прокладок 4-Х ТАКТНОГО ПЛМ MERCURY 60 Серийный номер от 0P153500 до 0P400999
Компоненты гидроподъема 4-Х ТАКТНОГО ПЛМ MERCURY 60 Серийный номер от 0P153500 до 0P400999
Корпус карданного вала 4-Х ТАКТНОГО ПЛМ MERCURY 60 Серийный номер от 0P153500 до 0P400999
Корпус шестерни, Drive-2.33:1-USA-0T625304/BEL-0P216185 и выше 4-Х ТАКТНОГО ПЛМ MERCURY 60 Серийный номер от 0P153500 до 0P400999
Корпус шестерни, Prop-2.31:1-USA-0T625303/BEL-0P216184 и ниже 4-Х ТАКТНОГО ПЛМ MERCURY 60 Серийный номер от 0P153500 до 0P400999
Корпус шестерни, Prop-2.33:1-USA-0T625304/BEL-0P216185 и выше 4-Х ТАКТНОГО ПЛМ MERCURY 60 Серийный номер от 0P153500 до 0P400999
Корпус шестерни, Propeller Shaft - 1.83:1 передаточное число 4-Х ТАКТНОГО ПЛМ MERCURY 60 Серийный номер от 0P153500 до 0P400999
Корпус шестерни(Drive-2.31:1)(Belgium-0P216184 и ниже) 4-Х ТАКТНОГО ПЛМ MERCURY 60 Серийный номер от 0P153500 до 0P400999
Корпус шестерни(Drive-2.31:1)(USA-0T625303 и ниже) 4-Х ТАКТНОГО ПЛМ MERCURY 60 Серийный номер от 0P153500 до 0P400999
Корпус шестерни(Driveshaft)(1.83:1 передаточное число) 4-Х ТАКТНОГО ПЛМ MERCURY 60 Серийный номер от 0P153500 до 0P400999
Кронштейн транца 4-Х ТАКТНОГО ПЛМ MERCURY 60 Серийный номер от 0P153500 до 0P400999
Масляный насос распредвала 4-Х ТАКТНОГО ПЛМ MERCURY 60 Серийный номер от 0P153500 до 0P400999
Маховик 4-Х ТАКТНОГО ПЛМ MERCURY 60 Серийный номер от 0P153500 до 0P400999
Низ капота 4-Х ТАКТНОГО ПЛМ MERCURY 60 Серийный номер от 0P153500 до 0P400999
Паросепаратор(USA-1B036613/BEL-0P340241 и ниже) 4-Х ТАКТНОГО ПЛМ MERCURY 60 Серийный номер от 0P153500 до 0P400999
Паросепаратор(USA-1B036614/BEL-0P340242 и выше) 4-Х ТАКТНОГО ПЛМ MERCURY 60 Серийный номер от 0P153500 до 0P400999
Переходная пластина 4-Х ТАКТНОГО ПЛМ MERCURY 60 Серийный номер от 0P153500 до 0P400999
Поворотный кронштейн 4-Х ТАКТНОГО ПЛМ MERCURY 60 Серийный номер от 0P153500 до 0P400999
Рукоятка рулевого управления 4-Х ТАКТНОГО ПЛМ MERCURY 60 Серийный номер от 0P153500 до 0P400999
Рукоятка румпеля 4-Х ТАКТНОГО ПЛМ MERCURY 60 Серийный номер от 0P153500 до 0P400999
Рычаг переключения передач, внешний 4-Х ТАКТНОГО ПЛМ MERCURY 60 Серийный номер от 0P153500 до 0P400999
Рычаг переключения передач, румпель 4-Х ТАКТНОГО ПЛМ MERCURY 60 Серийный номер от 0P153500 до 0P400999
Стартер(USA- 1B282399 и ниже) 4-Х ТАКТНОГО ПЛМ MERCURY 60 Серийный номер от 0P153500 до 0P400999
Топливные линии 4-Х ТАКТНОГО ПЛМ MERCURY 60 Серийный номер от 0P153500 до 0P400999
Топливный насос 4-Х ТАКТНОГО ПЛМ MERCURY 60 Серийный номер от 0P153500 до 0P400999
Электрические компоненты(USA-1B226999/Bel-0P400999 и ниже) 4-Х ТАКТНОГО ПЛМ MERCURY 60 Серийный номер от 0P153500 до 0P400999
Электрические компоненты(USA-1B227000/Bel-0P401000 и выше) 4-Х ТАКТНОГО ПЛМ MERCURY 60 Серийный номер от 0P153500 до 0P400999
Запчасти для 4-х тактного ПЛМ MERCURY 135 Серийный номер от 0P464488 до 0P514868
Аксессуары 4-Х ТАКТНОГО ПЛМ MERCURY 135 Серийный номер от 0P464488 до 0P514868
Антикоррозийный комплект 4-Х ТАКТНОГО ПЛМ MERCURY 135 Серийный номер от 0P464488 до 0P514868
Блок цилиндров / масляный радиатор 4-Х ТАКТНОГО ПЛМ MERCURY 135 Серийный номер от 0P464488 до 0P514868
Блок цилиндров 4-Х ТАКТНОГО ПЛМ MERCURY 135 Серийный номер от 0P464488 до 0P514868
Верх капота 4-Х ТАКТНОГО ПЛМ MERCURY 135 Серийный номер от 0P464488 до 0P514868
Генератор / Ремень 4-Х ТАКТНОГО ПЛМ MERCURY 135 Серийный номер от 0P464488 до 0P514868
Головка цилиндра и распредвал 4-Х ТАКТНОГО ПЛМ MERCURY 135 Серийный номер от 0P464488 до 0P514868
Задний обтекатель 4-Х ТАКТНОГО ПЛМ MERCURY 135 Серийный номер от 0P464488 до 0P514868
Задний обтекатель, замок в сборе 4-Х ТАКТНОГО ПЛМ MERCURY 135 Серийный номер от 0P464488 до 0P514868
Зарядный кулер / впускной коллектор 4-Х ТАКТНОГО ПЛМ MERCURY 135 Серийный номер от 0P464488 до 0P514868
Зарядный кулер / Шланги впускного коллектора 4-Х ТАКТНОГО ПЛМ MERCURY 135 Серийный номер от 0P464488 до 0P514868
Индукционные компоненты 4-Х ТАКТНОГО ПЛМ MERCURY 135 Серийный номер от 0P464488 до 0P514868
Инструменты (Часть 1) 4-Х ТАКТНОГО ПЛМ MERCURY 135 Серийный номер от 0P464488 до 0P514868
Инструменты (Часть 2) 4-Х ТАКТНОГО ПЛМ MERCURY 135 Серийный номер от 0P464488 до 0P514868
Коленвал, поршни и шатуны 4-Х ТАКТНОГО ПЛМ MERCURY 135 Серийный номер от 0P464488 до 0P514868
Комплект прокладок 4-Х ТАКТНОГО ПЛМ MERCURY 135 Серийный номер от 0P464488 до 0P514868
Компоненты блока цилиндров 4-Х ТАКТНОГО ПЛМ MERCURY 135 Серийный номер от 0P464488 до 0P514868
Компоненты силовой отделки 4-Х ТАКТНОГО ПЛМ MERCURY 135 Серийный номер от 0P464488 до 0P514868
Компонеты ручки переключения передач 4-Х ТАКТНОГО ПЛМ MERCURY 135 Серийный номер от 0P464488 до 0P514868
Корпус карданного вала 4-Х ТАКТНОГО ПЛМ MERCURY 135 Серийный номер от 0P464488 до 0P514868
Корпус редуктора (карданный вал) (стандартное / обратное вращение) 4-Х ТАКТНОГО ПЛМ MERCURY 135 Серийный номер от 0P464488 до 0P514868
Корпус редуктора, карданный вал - обратное вращение 4-Х ТАКТНОГО ПЛМ MERCURY 135 Серийный номер от 0P464488 до 0P514868
Корпус редуктора, карданный вал - стандартное вращение 4-Х ТАКТНОГО ПЛМ MERCURY 135 Серийный номер от 0P464488 до 0P514868
Кронштейны транца 4-Х ТАКТНОГО ПЛМ MERCURY 135 Серийный номер от 0P464488 до 0P514868
Масляный насос / Переходная пластина(верхняя) 4-Х ТАКТНОГО ПЛМ MERCURY 135 Серийный номер от 0P464488 до 0P514868
Модуль подачи топлива 4-Х ТАКТНОГО ПЛМ MERCURY 135 Серийный номер от 0P464488 до 0P514868
Нагнетатель 4-Х ТАКТНОГО ПЛМ MERCURY 135 Серийный номер от 0P464488 до 0P514868
Переходная пластина(нижняя) 4-Х ТАКТНОГО ПЛМ MERCURY 135 Серийный номер от 0P464488 до 0P514868
Поворотный кронштейн и рулевой рычаг 4-Х ТАКТНОГО ПЛМ MERCURY 135 Серийный номер от 0P464488 до 0P514868
Рулевой цилиндр в сборе 4-Х ТАКТНОГО ПЛМ MERCURY 135 Серийный номер от 0P464488 до 0P514868
Стартер 4-Х ТАКТНОГО ПЛМ MERCURY 135 Серийный номер от 0P464488 до 0P514868
Шланги для переходных пластин 4-Х ТАКТНОГО ПЛМ MERCURY 135 Серийный номер от 0P464488 до 0P514868
Электрические компоненты 4-Х ТАКТНОГО ПЛМ MERCURY 135 Серийный номер от 0P464488 до 0P514868
Запчасти для 4-х тактного ПЛМ MERCURY 135 Серийный номер от 0P514869 и выше
Аксессуары 4-Х ТАКТНОГО ПЛМ MERCURY 135 Серийный номер от 0P514869 и выше
Антикоррозийный комплект 4-Х ТАКТНОГО ПЛМ MERCURY 135 Серийный номер от 0P514869 и выше
Блок цилиндров / масляный радиатор 4-Х ТАКТНОГО ПЛМ MERCURY 135 Серийный номер от 0P514869 и выше
Блок цилиндров / масляный радиатор-GEN II 4-Х ТАКТНОГО ПЛМ MERCURY 135 Серийный номер от 0P514869 и выше
Блок цилиндров 4-Х ТАКТНОГО ПЛМ MERCURY 135 Серийный номер от 0P514869 и выше
Верх капота 4-Х ТАКТНОГО ПЛМ MERCURY 135 Серийный номер от 0P514869 и выше
Генератор / Ремень 4-Х ТАКТНОГО ПЛМ MERCURY 135 Серийный номер от 0P514869 и выше
Головка цилиндра и распредвал 4-Х ТАКТНОГО ПЛМ MERCURY 135 Серийный номер от 0P514869 и выше
Задний обтекатель 4-Х ТАКТНОГО ПЛМ MERCURY 135 Серийный номер от 0P514869 и выше
Зарядный кулер / впускной коллектор 4-Х ТАКТНОГО ПЛМ MERCURY 135 Серийный номер от 0P514869 и выше
Зарядный кулер / впускной коллектор-GEN II 4-Х ТАКТНОГО ПЛМ MERCURY 135 Серийный номер от 0P514869 и выше
Зарядный кулер / Шланги впускного коллектора 4-Х ТАКТНОГО ПЛМ MERCURY 135 Серийный номер от 0P514869 и выше
Индукционные компоненты 4-Х ТАКТНОГО ПЛМ MERCURY 135 Серийный номер от 0P514869 и выше
Инструменты (Часть 1) 4-Х ТАКТНОГО ПЛМ MERCURY 135 Серийный номер от 0P514869 и выше
Инструменты (Часть 2) 4-Х ТАКТНОГО ПЛМ MERCURY 135 Серийный номер от 0P514869 и выше
Коленвал, поршни и шатуны 4-Х ТАКТНОГО ПЛМ MERCURY 135 Серийный номер от 0P514869 и выше
Комплект прокладок 4-Х ТАКТНОГО ПЛМ MERCURY 135 Серийный номер от 0P514869 и выше
Компоненты блока цилиндров 4-Х ТАКТНОГО ПЛМ MERCURY 135 Серийный номер от 0P514869 и выше
Компоненты ручки переключения передач 4-Х ТАКТНОГО ПЛМ MERCURY 135 Серийный номер от 0P514869 и выше
Компоненты силовой отделки 4-Х ТАКТНОГО ПЛМ MERCURY 135 Серийный номер от 0P514869 и выше
Корпус карданного вала 4-Х ТАКТНОГО ПЛМ MERCURY 135 Серийный номер от 0P514869 и выше
Корпус редуктора (карданный вал) (стандартное / обратное вращение) 4-Х ТАКТНОГО ПЛМ MERCURY 135 Серийный номер от 0P514869 и выше
Корпус редуктора, карданный вал - обратное вращение 4-Х ТАКТНОГО ПЛМ MERCURY 135 Серийный номер от 0P514869 и выше
Корпус редуктора, карданный вал - стандартное вращение 4-Х ТАКТНОГО ПЛМ MERCURY 135 Серийный номер от 0P514869 и выше
Кронштейны транца 4-Х ТАКТНОГО ПЛМ MERCURY 135 Серийный номер от 0P514869 и выше
Масляный насос / Переходная пластина(верхняя) 4-Х ТАКТНОГО ПЛМ MERCURY 135 Серийный номер от 0P514869 и выше
Модуль подачи топлива 4-Х ТАКТНОГО ПЛМ MERCURY 135 Серийный номер от 0P514869 и выше
Нагнетатель 4-Х ТАКТНОГО ПЛМ MERCURY 135 Серийный номер от 0P514869 и выше
Переходная пластина(нижняя) 4-Х ТАКТНОГО ПЛМ MERCURY 135 Серийный номер от 0P514869 и выше
Поворотный кронштейн и рулевой рычаг 4-Х ТАКТНОГО ПЛМ MERCURY 135 Серийный номер от 0P514869 и выше
Стартер 4-Х ТАКТНОГО ПЛМ MERCURY 135 Серийный номер от 0P514869 и выше
Фильтр сепаратора, 8M0046336 4-Х ТАКТНОГО ПЛМ MERCURY 135 Серийный номер от 0P514869 и выше
Шланги для переходных пластин 4-Х ТАКТНОГО ПЛМ MERCURY 135 Серийный номер от 0P514869 и выше
Электрические компоненты 4-Х ТАКТНОГО ПЛМ MERCURY 135 Серийный номер от 0P514869 и выше
Запчасти для 4-х тактного ПЛМ MERCURY 135 Серийный номер от 1B2270001 до 1B381711
Аксессуары 4-Х ТАКТНОГО ПЛМ MERCURY 135 Серийный номер от 1B2270001 до 1B381711
Блок цилиндров / масляный радиатор 4-Х ТАКТНОГО ПЛМ MERCURY 135 Серийный номер от 1B2270001 до 1B381711
Блок цилиндров 4-Х ТАКТНОГО ПЛМ MERCURY 135 Серийный номер от 1B2270001 до 1B381711
Верх капота 4-Х ТАКТНОГО ПЛМ MERCURY 135 Серийный номер от 1B2270001 до 1B381711
Генератор / Ремень 4-Х ТАКТНОГО ПЛМ MERCURY 135 Серийный номер от 1B2270001 до 1B381711
Гидравлический цилиндр рулевой 4-Х ТАКТНОГО ПЛМ MERCURY 135 Серийный номер от 1B2270001 до 1B381711
Головка цилиндра и распредвал 4-Х ТАКТНОГО ПЛМ MERCURY 135 Серийный номер от 1B2270001 до 1B381711
Задний обтекатель 4-Х ТАКТНОГО ПЛМ MERCURY 135 Серийный номер от 1B2270001 до 1B381711
Зарядный кулер / впускной коллектор 4-Х ТАКТНОГО ПЛМ MERCURY 135 Серийный номер от 1B2270001 до 1B381711
Зарядный кулер / Шланги впускного коллектора 4-Х ТАКТНОГО ПЛМ MERCURY 135 Серийный номер от 1B2270001 до 1B381711
Индукционные компоненты 4-Х ТАКТНОГО ПЛМ MERCURY 135 Серийный номер от 1B2270001 до 1B381711
Инструменты (Часть 1) 4-Х ТАКТНОГО ПЛМ MERCURY 135 Серийный номер от 1B2270001 до 1B381711
Инструменты (Часть 2) 4-Х ТАКТНОГО ПЛМ MERCURY 135 Серийный номер от 1B2270001 до 1B381711
Коленвал, поршни и шатуны 4-Х ТАКТНОГО ПЛМ MERCURY 135 Серийный номер от 1B2270001 до 1B381711
Комплект прокладок 4-Х ТАКТНОГО ПЛМ MERCURY 135 Серийный номер от 1B2270001 до 1B381711
Компоненты блока цилиндров 4-Х ТАКТНОГО ПЛМ MERCURY 135 Серийный номер от 1B2270001 до 1B381711
Компоненты силовой отделки 4-Х ТАКТНОГО ПЛМ MERCURY 135 Серийный номер от 1B2270001 до 1B381711
Корпус карданного вала 4-Х ТАКТНОГО ПЛМ MERCURY 135 Серийный номер от 1B2270001 до 1B381711
Корпус редуктора (карданный вал) (стандартное / обратное вращение) 4-Х ТАКТНОГО ПЛМ MERCURY 135 Серийный номер от 1B2270001 до 1B381711
Корпус редуктора, карданный вал - обратное вращение 4-Х ТАКТНОГО ПЛМ MERCURY 135 Серийный номер от 1B2270001 до 1B381711
Корпус редуктора, карданный вал - стандартное вращение 4-Х ТАКТНОГО ПЛМ MERCURY 135 Серийный номер от 1B2270001 до 1B381711
Кронштейны транца 4-Х ТАКТНОГО ПЛМ MERCURY 135 Серийный номер от 1B2270001 до 1B381711
Масляный насос / Переходная пластина(верхняя) 4-Х ТАКТНОГО ПЛМ MERCURY 135 Серийный номер от 1B2270001 до 1B381711
Модуль подачи топлива 4-Х ТАКТНОГО ПЛМ MERCURY 135 Серийный номер от 1B2270001 до 1B381711
Нагнетатель 4-Х ТАКТНОГО ПЛМ MERCURY 135 Серийный номер от 1B2270001 до 1B381711
Переходная пластина(нижняя) 4-Х ТАКТНОГО ПЛМ MERCURY 135 Серийный номер от 1B2270001 до 1B381711
Поворотный кронштейн и рулевой рычаг 4-Х ТАКТНОГО ПЛМ MERCURY 135 Серийный номер от 1B2270001 до 1B381711
Ручка переключения передач(Serial Number 1B290522 и ниже) 4-Х ТАКТНОГО ПЛМ MERCURY 135 Серийный номер от 1B2270001 до 1B381711
Ручка переключения передач(Serial Number 1B290523 и выше) 4-Х ТАКТНОГО ПЛМ MERCURY 135 Серийный номер от 1B2270001 до 1B381711
Стартер 4-Х ТАКТНОГО ПЛМ MERCURY 135 Серийный номер от 1B2270001 до 1B381711
Шланги для переходных пластин 4-Х ТАКТНОГО ПЛМ MERCURY 135 Серийный номер от 1B2270001 до 1B381711
Электрические компоненты 4-Х ТАКТНОГО ПЛМ MERCURY 135 Серийный номер от 1B2270001 до 1B381711
Запчасти для 4-х тактного ПЛМ MERCURY 135 Серийный номер от 1B381712 до 1B517158
Аксессуары 4-Х ТАКТНОГО ПЛМ MERCURY 135 Серийный номер от 1B381712 до 1B517158
Антикоррозийный комплект 4-Х ТАКТНОГО ПЛМ MERCURY 135 Серийный номер от 1B381712 до 1B517158
Блок цилиндров / масляный радиатор 4-Х ТАКТНОГО ПЛМ MERCURY 135 Серийный номер от 1B381712 до 1B517158
Блок цилиндров 4-Х ТАКТНОГО ПЛМ MERCURY 135 Серийный номер от 1B381712 до 1B517158
Верх капота 4-Х ТАКТНОГО ПЛМ MERCURY 135 Серийный номер от 1B381712 до 1B517158
Генератор / Ремень 4-Х ТАКТНОГО ПЛМ MERCURY 135 Серийный номер от 1B381712 до 1B517158
Головка цилиндра и распредвал 4-Х ТАКТНОГО ПЛМ MERCURY 135 Серийный номер от 1B381712 до 1B517158
Задний обтекатель 4-Х ТАКТНОГО ПЛМ MERCURY 135 Серийный номер от 1B381712 до 1B517158
Задний обтекатель, замок в сборе 4-Х ТАКТНОГО ПЛМ MERCURY 135 Серийный номер от 1B381712 до 1B517158
Зарядный кулер / впускной коллектор 4-Х ТАКТНОГО ПЛМ MERCURY 135 Серийный номер от 1B381712 до 1B517158
Зарядный кулер / Шланги впускного коллектора 4-Х ТАКТНОГО ПЛМ MERCURY 135 Серийный номер от 1B381712 до 1B517158
Индукционные компоненты 4-Х ТАКТНОГО ПЛМ MERCURY 135 Серийный номер от 1B381712 до 1B517158
Инструменты (Часть 1) 4-Х ТАКТНОГО ПЛМ MERCURY 135 Серийный номер от 1B381712 до 1B517158
Инструменты (Часть 2) 4-Х ТАКТНОГО ПЛМ MERCURY 135 Серийный номер от 1B381712 до 1B517158
Коленвал, поршни и шатуны 4-Х ТАКТНОГО ПЛМ MERCURY 135 Серийный номер от 1B381712 до 1B517158
Комплект прокладок 4-Х ТАКТНОГО ПЛМ MERCURY 135 Серийный номер от 1B381712 до 1B517158
Компоненты блока цилиндров 4-Х ТАКТНОГО ПЛМ MERCURY 135 Серийный номер от 1B381712 до 1B517158
Компоненты силовой отделки 4-Х ТАКТНОГО ПЛМ MERCURY 135 Серийный номер от 1B381712 до 1B517158
Компонеты ручки переключения передач 4-Х ТАКТНОГО ПЛМ MERCURY 135 Серийный номер от 1B381712 до 1B517158
Корпус карданного вала 4-Х ТАКТНОГО ПЛМ MERCURY 135 Серийный номер от 1B381712 до 1B517158
Корпус редуктора (карданный вал) (стандартное / обратное вращение) 4-Х ТАКТНОГО ПЛМ MERCURY 135 Серийный номер от 1B381712 до 1B517158
Корпус редуктора, карданный вал - обратное вращение 4-Х ТАКТНОГО ПЛМ MERCURY 135 Серийный номер от 1B381712 до 1B517158
Корпус редуктора, карданный вал - стандартное вращение 4-Х ТАКТНОГО ПЛМ MERCURY 135 Серийный номер от 1B381712 до 1B517158
Кронштейны транца 4-Х ТАКТНОГО ПЛМ MERCURY 135 Серийный номер от 1B381712 до 1B517158
Масляный насос / Переходная пластина(верхняя) 4-Х ТАКТНОГО ПЛМ MERCURY 135 Серийный номер от 1B381712 до 1B517158
Модуль подачи топлива 4-Х ТАКТНОГО ПЛМ MERCURY 135 Серийный номер от 1B381712 до 1B517158
Нагнетатель 4-Х ТАКТНОГО ПЛМ MERCURY 135 Серийный номер от 1B381712 до 1B517158
Переходная пластина(нижняя) 4-Х ТАКТНОГО ПЛМ MERCURY 135 Серийный номер от 1B381712 до 1B517158
Поворотный кронштейн и рулевой рычаг 4-Х ТАКТНОГО ПЛМ MERCURY 135 Серийный номер от 1B381712 до 1B517158
Рулевой цилиндр в сборе 4-Х ТАКТНОГО ПЛМ MERCURY 135 Серийный номер от 1B381712 до 1B517158
Стартер 4-Х ТАКТНОГО ПЛМ MERCURY 135 Серийный номер от 1B381712 до 1B517158
Шланги для переходных пластин 4-Х ТАКТНОГО ПЛМ MERCURY 135 Серийный номер от 1B381712 до 1B517158
Электрические компоненты 4-Х ТАКТНОГО ПЛМ MERCURY 135 Серийный номер от 1B381712 до 1B517158
Запчасти для 4-х тактного ПЛМ MERCURY 135 Серийный номер от 1B517159 и выше
Аксессуары 4-Х ТАКТНОГО ПЛМ MERCURY 135 Серийный номер от 1B517159 и выше
Антикоррозийный комплект 4-Х ТАКТНОГО ПЛМ MERCURY 135 Серийный номер от 1B517159 и выше
Блок цилиндров / масляный радиатор 4-Х ТАКТНОГО ПЛМ MERCURY 135 Серийный номер от 1B517159 и выше
Блок цилиндров / масляный радиатор-GEN II 4-Х ТАКТНОГО ПЛМ MERCURY 135 Серийный номер от 1B517159 и выше
Блок цилиндров 4-Х ТАКТНОГО ПЛМ MERCURY 135 Серийный номер от 1B517159 и выше
Верх капота 4-Х ТАКТНОГО ПЛМ MERCURY 135 Серийный номер от 1B517159 и выше
Генератор / Ремень 4-Х ТАКТНОГО ПЛМ MERCURY 135 Серийный номер от 1B517159 и выше
Головка цилиндра и распредвал 4-Х ТАКТНОГО ПЛМ MERCURY 135 Серийный номер от 1B517159 и выше
Задний обтекатель 4-Х ТАКТНОГО ПЛМ MERCURY 135 Серийный номер от 1B517159 и выше
Зарядный кулер / впускной коллектор 4-Х ТАКТНОГО ПЛМ MERCURY 135 Серийный номер от 1B517159 и выше
Зарядный кулер / впускной коллектор-GEN II 4-Х ТАКТНОГО ПЛМ MERCURY 135 Серийный номер от 1B517159 и выше
Зарядный кулер / Шланги впускного коллектора 4-Х ТАКТНОГО ПЛМ MERCURY 135 Серийный номер от 1B517159 и выше
Индукционные компоненты 4-Х ТАКТНОГО ПЛМ MERCURY 135 Серийный номер от 1B517159 и выше
Инструменты (Часть 1) 4-Х ТАКТНОГО ПЛМ MERCURY 135 Серийный номер от 1B517159 и выше
Инструменты (Часть 2) 4-Х ТАКТНОГО ПЛМ MERCURY 135 Серийный номер от 1B517159 и выше
Коленвал, поршни и шатуны 4-Х ТАКТНОГО ПЛМ MERCURY 135 Серийный номер от 1B517159 и выше
Комплект прокладок 4-Х ТАКТНОГО ПЛМ MERCURY 135 Серийный номер от 1B517159 и выше
Компоненты блока цилиндров 4-Х ТАКТНОГО ПЛМ MERCURY 135 Серийный номер от 1B517159 и выше
Компоненты ручки переключения передач 4-Х ТАКТНОГО ПЛМ MERCURY 135 Серийный номер от 1B517159 и выше
Компоненты силовой отделки 4-Х ТАКТНОГО ПЛМ MERCURY 135 Серийный номер от 1B517159 и выше
Корпус карданного вала 4-Х ТАКТНОГО ПЛМ MERCURY 135 Серийный номер от 1B517159 и выше
Корпус редуктора (карданный вал) (стандартное / обратное вращение) 4-Х ТАКТНОГО ПЛМ MERCURY 135 Серийный номер от 1B517159 и выше
Корпус редуктора, карданный вал - обратное вращение 4-Х ТАКТНОГО ПЛМ MERCURY 135 Серийный номер от 1B517159 и выше
Корпус редуктора, карданный вал - стандартное вращение 4-Х ТАКТНОГО ПЛМ MERCURY 135 Серийный номер от 1B517159 и выше
Кронштейны транца 4-Х ТАКТНОГО ПЛМ MERCURY 135 Серийный номер от 1B517159 и выше
Масляный насос / Переходная пластина(верхняя) 4-Х ТАКТНОГО ПЛМ MERCURY 135 Серийный номер от 1B517159 и выше
Модуль подачи топлива 4-Х ТАКТНОГО ПЛМ MERCURY 135 Серийный номер от 1B517159 и выше
Нагнетатель 4-Х ТАКТНОГО ПЛМ MERCURY 135 Серийный номер от 1B517159 и выше
Переходная пластина(нижняя) 4-Х ТАКТНОГО ПЛМ MERCURY 135 Серийный номер от 1B517159 и выше
Поворотный кронштейн и рулевой рычаг 4-Х ТАКТНОГО ПЛМ MERCURY 135 Серийный номер от 1B517159 и выше
Стартер 4-Х ТАКТНОГО ПЛМ MERCURY 135 Серийный номер от 1B517159 и выше
Фильтр сепаратора, 8M0046336 4-Х ТАКТНОГО ПЛМ MERCURY 135 Серийный номер от 1B517159 и выше
Шланги для переходных пластин 4-Х ТАКТНОГО ПЛМ MERCURY 135 Серийный номер от 1B517159 и выше
Электрические компоненты 4-Х ТАКТНОГО ПЛМ MERCURY 135 Серийный номер от 1B517159 и выше
Запчасти для 4-х тактного ПЛМ MERCURY 80 Серийный номер от 1B366823 и выше
Coastal Flush Kit, Outboard 4-Х ТАКТНОГО ПЛМ MERCURY 80 Серийный номер от 1B366823 и выше
Адапторная плита 4-Х ТАКТНОГО ПЛМ MERCURY 80 Серийный номер от 1B366823 и выше
Аксессуары 4-Х ТАКТНОГО ПЛМ MERCURY 80 Серийный номер от 1B366823 и выше
Блок цилиндров 4-Х ТАКТНОГО ПЛМ MERCURY 80 Серийный номер от 1B366823 и выше
Верх капота 4-Х ТАКТНОГО ПЛМ MERCURY 80 Серийный номер от 1B366823 и выше
Головка цилиндра и распредвал 4-Х ТАКТНОГО ПЛМ MERCURY 80 Серийный номер от 1B366823 и выше
Инструменты 4-Х ТАКТНОГО ПЛМ MERCURY 80 Серийный номер от 1B366823 и выше
Интегрированный воздушный топливный модуль 4-Х ТАКТНОГО ПЛМ MERCURY 80 Серийный номер от 1B366823 и выше
Коленчатый вал, поршни и шатуны 4-Х ТАКТНОГО ПЛМ MERCURY 80 Серийный номер от 1B366823 и выше
Комплект рулевой ручки, 816366A52 4-Х ТАКТНОГО ПЛМ MERCURY 80 Серийный номер от 1B366823 и выше
Комплектующие для рулевой ручки, 816366A52 4-Х ТАКТНОГО ПЛМ MERCURY 80 Серийный номер от 1B366823 и выше
Компоненты блока цилиндров 4-Х ТАКТНОГО ПЛМ MERCURY 80 Серийный номер от 1B366823 и выше
Компоненты интегрированного воздушного топливного модуля 4-Х ТАКТНОГО ПЛМ MERCURY 80 Серийный номер от 1B366823 и выше
Корпус карданного вала 4-Х ТАКТНОГО ПЛМ MERCURY 80 Серийный номер от 1B366823 и выше
Корпус редуктора, карданный вал 4-Х ТАКТНОГО ПЛМ MERCURY 80 Серийный номер от 1B366823 и выше
Корпус редуктора, приводной вал 4-Х ТАКТНОГО ПЛМ MERCURY 80 Серийный номер от 1B366823 и выше
Кронштейн дроссельной заслонки 4-Х ТАКТНОГО ПЛМ MERCURY 80 Серийный номер от 1B366823 и выше
Кронштейн транца 4-Х ТАКТНОГО ПЛМ MERCURY 80 Серийный номер от 1B366823 и выше
Масляный насос 4-Х ТАКТНОГО ПЛМ MERCURY 80 Серийный номер от 1B366823 и выше
Модуль подачи топлива (Часть 1) 4-Х ТАКТНОГО ПЛМ MERCURY 80 Серийный номер от 1B366823 и выше
Модуль подачи топлива (Часть 2) 4-Х ТАКТНОГО ПЛМ MERCURY 80 Серийный номер от 1B366823 и выше
Набор прокладок 4-Х ТАКТНОГО ПЛМ MERCURY 80 Серийный номер от 1B366823 и выше
Низ капота 4-Х ТАКТНОГО ПЛМ MERCURY 80 Серийный номер от 1B366823 и выше
Поворотный кронштейн и поворотный штифт 4-Х ТАКТНОГО ПЛМ MERCURY 80 Серийный номер от 1B366823 и выше
Система гидроподъема 4-Х ТАКТНОГО ПЛМ MERCURY 80 Серийный номер от 1B366823 и выше
Стартер, 1B759587 и ниже 4-Х ТАКТНОГО ПЛМ MERCURY 80 Серийный номер от 1B366823 и выше
Стартер, 1B759588 и выше 4-Х ТАКТНОГО ПЛМ MERCURY 80 Серийный номер от 1B366823 и выше
Удлинительный комплект-5 дюймов, корпус карданного вала 12092A19 4-Х ТАКТНОГО ПЛМ MERCURY 80 Серийный номер от 1B366823 и выше
Шланги модуля подачи топлива 4-Х ТАКТНОГО ПЛМ MERCURY 80 Серийный номер от 1B366823 и выше
Электрические компоненты 4-Х ТАКТНОГО ПЛМ MERCURY 80 Серийный номер от 1B366823 и выше
Электропроводка с/н 1B723942 и ниже 4-Х ТАКТНОГО ПЛМ MERCURY 80 Серийный номер от 1B366823 и выше
Электропроводка с/н 1B723943 и выше 4-Х ТАКТНОГО ПЛМ MERCURY 80 Серийный номер от 1B366823 и выше
Запчасти для 4-х тактного ПЛМ MERCURY 100 Серийный номер от 0P459572 и выше
Coastal Flush Kit, Outboard 4-Х ТАКТНОГО ПЛМ MERCURY 100 Серийный номер от 0P459572 и выше
Адапторная пластина 4-Х ТАКТНОГО ПЛМ MERCURY 100 Серийный номер от 0P459572 и выше
Аксессуары 4-Х ТАКТНОГО ПЛМ MERCURY 100 Серийный номер от 0P459572 и выше
Блок цилиндров 4-Х ТАКТНОГО ПЛМ MERCURY 100 Серийный номер от 0P459572 и выше
Верх капота 4-Х ТАКТНОГО ПЛМ MERCURY 100 Серийный номер от 0P459572 и выше
Впускной коллектор 4-Х ТАКТНОГО ПЛМ MERCURY 100 Серийный номер от 0P459572 и выше
Головка цилиндра и распредвал 4-Х ТАКТНОГО ПЛМ MERCURY 100 Серийный номер от 0P459572 и выше
Инструменты 4-Х ТАКТНОГО ПЛМ MERCURY 100 Серийный номер от 0P459572 и выше
Коленвал, поршни и шатуны 4-Х ТАКТНОГО ПЛМ MERCURY 100 Серийный номер от 0P459572 и выше
Компоненты блока цилиндров 4-Х ТАКТНОГО ПЛМ MERCURY 100 Серийный номер от 0P459572 и выше
Компоненты впускного коллектора 4-Х ТАКТНОГО ПЛМ MERCURY 100 Серийный номер от 0P459572 и выше
Компоненты румпеля (Часть 1) 4-Х ТАКТНОГО ПЛМ MERCURY 100 Серийный номер от 0P459572 и выше
Компоненты румпеля (Часть 2) 4-Х ТАКТНОГО ПЛМ MERCURY 100 Серийный номер от 0P459572 и выше
Корпус карданного вала 4-Х ТАКТНОГО ПЛМ MERCURY 100 Серийный номер от 0P459572 и выше
Корпус редуктора, карданный вал 4-Х ТАКТНОГО ПЛМ MERCURY 100 Серийный номер от 0P459572 и выше
Корпус редуктора, приводной вал 4-Х ТАКТНОГО ПЛМ MERCURY 100 Серийный номер от 0P459572 и выше
Кронштейн дроссельной заслонки 4-Х ТАКТНОГО ПЛМ MERCURY 100 Серийный номер от 0P459572 и выше
Кронштейн транца 4-Х ТАКТНОГО ПЛМ MERCURY 100 Серийный номер от 0P459572 и выше
Масляный насос 4-Х ТАКТНОГО ПЛМ MERCURY 100 Серийный номер от 0P459572 и выше
Модуль подачи топлива (Часть 1) 4-Х ТАКТНОГО ПЛМ MERCURY 100 Серийный номер от 0P459572 и выше
Модуль подачи топлива (Часть 2) 4-Х ТАКТНОГО ПЛМ MERCURY 100 Серийный номер от 0P459572 и выше
Набор прокладок 4-Х ТАКТНОГО ПЛМ MERCURY 100 Серийный номер от 0P459572 и выше
Низ капота 4-Х ТАКТНОГО ПЛМ MERCURY 100 Серийный номер от 0P459572 и выше
Поворотный кронштейн и поворотный штифт 4-Х ТАКТНОГО ПЛМ MERCURY 100 Серийный номер от 0P459572 и выше
Система гидроподъема 4-Х ТАКТНОГО ПЛМ MERCURY 100 Серийный номер от 0P459572 и выше
Стартер, 1B759587 и ниже 4-Х ТАКТНОГО ПЛМ MERCURY 100 Серийный номер от 0P459572 и выше
Стартер, 1B759588 и выше 4-Х ТАКТНОГО ПЛМ MERCURY 100 Серийный номер от 0P459572 и выше
Удлинительный комплект-5 дюймов, корпус карданного вала 12092A19 4-Х ТАКТНОГО ПЛМ MERCURY 100 Серийный номер от 0P459572 и выше
Шланги модуля подачи топлива 4-Х ТАКТНОГО ПЛМ MERCURY 100 Серийный номер от 0P459572 и выше
Электрические компоненты 4-Х ТАКТНОГО ПЛМ MERCURY 100 Серийный номер от 0P459572 и выше
Электропроводка с/н 1B723942 и ниже 4-Х ТАКТНОГО ПЛМ MERCURY 100 Серийный номер от 0P459572 и выше
Электропроводка с/н 1B723943 и выше 4-Х ТАКТНОГО ПЛМ MERCURY 100 Серийный номер от 0P459572 и выше
Запчасти для 4-х тактного ПЛМ MERCURY 100 Серийный номер от 1B366823 и выше
Coastal Flush Kit, Outboard 4-Х ТАКТНОГО ПЛМ MERCURY 100 Серийный номер от 1B366823 и выше
Адапторная плита 4-Х ТАКТНОГО ПЛМ MERCURY 100 Серийный номер от 1B366823 и выше
Аксессуары 4-Х ТАКТНОГО ПЛМ MERCURY 100 Серийный номер от 1B366823 и выше
Блок цилиндров 4-Х ТАКТНОГО ПЛМ MERCURY 100 Серийный номер от 1B366823 и выше
Верх капота 4-Х ТАКТНОГО ПЛМ MERCURY 100 Серийный номер от 1B366823 и выше
Впускной коллектор 4-Х ТАКТНОГО ПЛМ MERCURY 100 Серийный номер от 1B366823 и выше
Головка цилиндра и распредвал 4-Х ТАКТНОГО ПЛМ MERCURY 100 Серийный номер от 1B366823 и выше
Инструменты 4-Х ТАКТНОГО ПЛМ MERCURY 100 Серийный номер от 1B366823 и выше
Коленчатый вал, поршни и шатуны 4-Х ТАКТНОГО ПЛМ MERCURY 100 Серийный номер от 1B366823 и выше
Компоненты блока цилиндров 4-Х ТАКТНОГО ПЛМ MERCURY 100 Серийный номер от 1B366823 и выше
Компоненты впускного коллектора 4-Х ТАКТНОГО ПЛМ MERCURY 100 Серийный номер от 1B366823 и выше
Компоненты румпеля (Часть 1) 4-Х ТАКТНОГО ПЛМ MERCURY 100 Серийный номер от 1B366823 и выше
Компоненты румпеля (Часть 2) 4-Х ТАКТНОГО ПЛМ MERCURY 100 Серийный номер от 1B366823 и выше
Корпус карданного вала 4-Х ТАКТНОГО ПЛМ MERCURY 100 Серийный номер от 1B366823 и выше
Корпус редуктора, карданный вал 4-Х ТАКТНОГО ПЛМ MERCURY 100 Серийный номер от 1B366823 и выше
Корпус редуктора, приводной вал 4-Х ТАКТНОГО ПЛМ MERCURY 100 Серийный номер от 1B366823 и выше
Кронштейн дроссельной заслонки 4-Х ТАКТНОГО ПЛМ MERCURY 100 Серийный номер от 1B366823 и выше
Кронштейн транца 4-Х ТАКТНОГО ПЛМ MERCURY 100 Серийный номер от 1B366823 и выше
Масляный насос 4-Х ТАКТНОГО ПЛМ MERCURY 100 Серийный номер от 1B366823 и выше
Модуль подачи топлива (Часть 1) 4-Х ТАКТНОГО ПЛМ MERCURY 100 Серийный номер от 1B366823 и выше
Модуль подачи топлива (Часть 2) 4-Х ТАКТНОГО ПЛМ MERCURY 100 Серийный номер от 1B366823 и выше
Набор прокладок 4-Х ТАКТНОГО ПЛМ MERCURY 100 Серийный номер от 1B366823 и выше
Низ капота 4-Х ТАКТНОГО ПЛМ MERCURY 100 Серийный номер от 1B366823 и выше
Поворотный кронштейн и поворотный штифт 4-Х ТАКТНОГО ПЛМ MERCURY 100 Серийный номер от 1B366823 и выше
Система гидроподъема 4-Х ТАКТНОГО ПЛМ MERCURY 100 Серийный номер от 1B366823 и выше
Стартер, 1B759587 и ниже 4-Х ТАКТНОГО ПЛМ MERCURY 100 Серийный номер от 1B366823 и выше
Стартер, 1B759588 и выше 4-Х ТАКТНОГО ПЛМ MERCURY 100 Серийный номер от 1B366823 и выше
Удлинительный комплект-5 дюймов, корпус карданного вала 12092A19 4-Х ТАКТНОГО ПЛМ MERCURY 100 Серийный номер от 1B366823 и выше
Шланги модуля подачи топлива 4-Х ТАКТНОГО ПЛМ MERCURY 100 Серийный номер от 1B366823 и выше
Электрические компоненты 4-Х ТАКТНОГО ПЛМ MERCURY 100 Серийный номер от 1B366823 и выше
Электропроводка с/н 1B723942 и ниже 4-Х ТАКТНОГО ПЛМ MERCURY 100 Серийный номер от 1B366823 и выше
Электропроводка с/н 1B723943 и выше 4-Х ТАКТНОГО ПЛМ MERCURY 100 Серийный номер от 1B366823 и выше
Запчасти для 4-х тактного ПЛМ MERCURY 115 Серийный номер от 10T801000 до 1B226999
Аксессуары 4-Х ТАКТНОГО ПЛМ MERCURY 115 Серийный номер от 10T801000 до 1B226999
Блок цилиндров 4-Х ТАКТНОГО ПЛМ MERCURY 115 Серийный номер от 10T801000 до 1B226999
Верх капота 4-Х ТАКТНОГО ПЛМ MERCURY 115 Серийный номер от 10T801000 до 1B226999
Впускной коллектор 4-Х ТАКТНОГО ПЛМ MERCURY 115 Серийный номер от 10T801000 до 1B226999
Впускные и выпускные клапаны 4-Х ТАКТНОГО ПЛМ MERCURY 115 Серийный номер от 10T801000 до 1B226999
Выхлопная труба 4-Х ТАКТНОГО ПЛМ MERCURY 115 Серийный номер от 10T801000 до 1B226999
Глушитель шума впуска 4-Х ТАКТНОГО ПЛМ MERCURY 115 Серийный номер от 10T801000 до 1B226999
Головка цилиндра 4-Х ТАКТНОГО ПЛМ MERCURY 115 Серийный номер от 10T801000 до 1B226999
Датчики 4-Х ТАКТНОГО ПЛМ MERCURY 115 Серийный номер от 10T801000 до 1B226999
Дроссель и рычаг 4-Х ТАКТНОГО ПЛМ MERCURY 115 Серийный номер от 10T801000 до 1B226999
Инструменты (Часть 1) 4-Х ТАКТНОГО ПЛМ MERCURY 115 Серийный номер от 10T801000 до 1B226999
Инструменты (Часть 2) 4-Х ТАКТНОГО ПЛМ MERCURY 115 Серийный номер от 10T801000 до 1B226999
Коленвал, поршни и шатуны 4-Х ТАКТНОГО ПЛМ MERCURY 115 Серийный номер от 10T801000 до 1B226999
Комплект прокладок 4-Х ТАКТНОГО ПЛМ MERCURY 115 Серийный номер от 10T801000 до 1B226999
Компоненты гидроподъема 4-Х ТАКТНОГО ПЛМ MERCURY 115 Серийный номер от 10T801000 до 1B226999
Компоненты зажигания 4-Х ТАКТНОГО ПЛМ MERCURY 115 Серийный номер от 10T801000 до 1B226999
Компоненты набора рукоятки рулевого управления 4-Х ТАКТНОГО ПЛМ MERCURY 115 Серийный номер от 10T801000 до 1B226999
Корпус карданного вала 4-Х ТАКТНОГО ПЛМ MERCURY 115 Серийный номер от 10T801000 до 1B226999
Корпус шестерни, карданный вал(2.07:1 передаточное число) 4-Х ТАКТНОГО ПЛМ MERCURY 115 Серийный номер от 10T801000 до 1B226999
Корпус шестерни, приводной вал(2.07:1 передаточное число) 4-Х ТАКТНОГО ПЛМ MERCURY 115 Серийный номер от 10T801000 до 1B226999
Кронштейн транца 4-Х ТАКТНОГО ПЛМ MERCURY 115 Серийный номер от 10T801000 до 1B226999
Масляный насос 4-Х ТАКТНОГО ПЛМ MERCURY 115 Серийный номер от 10T801000 до 1B226999
Маховик 4-Х ТАКТНОГО ПЛМ MERCURY 115 Серийный номер от 10T801000 до 1B226999
Набор рукоятки рулевого управления 4-Х ТАКТНОГО ПЛМ MERCURY 115 Серийный номер от 10T801000 до 1B226999
Низ капота 4-Х ТАКТНОГО ПЛМ MERCURY 115 Серийный номер от 10T801000 до 1B226999
Поворотный кронштейн и рулевой рычаг 4-Х ТАКТНОГО ПЛМ MERCURY 115 Серийный номер от 10T801000 до 1B226999
Стартер 4-Х ТАКТНОГО ПЛМ MERCURY 115 Серийный номер от 10T801000 до 1B226999
Топливный насос (Часть 1) 4-Х ТАКТНОГО ПЛМ MERCURY 115 Серийный номер от 10T801000 до 1B226999
Топливный насос (Часть 2) 4-Х ТАКТНОГО ПЛМ MERCURY 115 Серийный номер от 10T801000 до 1B226999
Форсунка для впрыска топлива 4-Х ТАКТНОГО ПЛМ MERCURY 115 Серийный номер от 10T801000 до 1B226999
Электрические компоненты 4-Х ТАКТНОГО ПЛМ MERCURY 115 Серийный номер от 10T801000 до 1B226999
Запчасти для 4-х тактного ПЛМ MERCURY 115 Серийный номер от 1B227000 до 1B366822
Аксессуары 4-Х ТАКТНОГО ПЛМ MERCURY 115 Серийный номер от 1B227000 до 1B366822
Блок цилиндров 4-Х ТАКТНОГО ПЛМ MERCURY 115 Серийный номер от 1B227000 до 1B366822
Верх капота 4-Х ТАКТНОГО ПЛМ MERCURY 115 Серийный номер от 1B227000 до 1B366822
Впускной коллектор 4-Х ТАКТНОГО ПЛМ MERCURY 115 Серийный номер от 1B227000 до 1B366822
Впускные и выпускные клапаны 4-Х ТАКТНОГО ПЛМ MERCURY 115 Серийный номер от 1B227000 до 1B366822
Выхлопная труба 4-Х ТАКТНОГО ПЛМ MERCURY 115 Серийный номер от 1B227000 до 1B366822
Глушитель шума впуска 4-Х ТАКТНОГО ПЛМ MERCURY 115 Серийный номер от 1B227000 до 1B366822
Головка цилиндра 4-Х ТАКТНОГО ПЛМ MERCURY 115 Серийный номер от 1B227000 до 1B366822
Датчики и жгут 4-Х ТАКТНОГО ПЛМ MERCURY 115 Серийный номер от 1B227000 до 1B366822
Дроссель и рычаг 4-Х ТАКТНОГО ПЛМ MERCURY 115 Серийный номер от 1B227000 до 1B366822
Инструменты (Часть 1) 4-Х ТАКТНОГО ПЛМ MERCURY 115 Серийный номер от 1B227000 до 1B366822
Инструменты (Часть 2) 4-Х ТАКТНОГО ПЛМ MERCURY 115 Серийный номер от 1B227000 до 1B366822
Коленвал, поршни и шатуны 4-Х ТАКТНОГО ПЛМ MERCURY 115 Серийный номер от 1B227000 до 1B366822
Комплект прокладок 4-Х ТАКТНОГО ПЛМ MERCURY 115 Серийный номер от 1B227000 до 1B366822
Компоненты гидроподъема 4-Х ТАКТНОГО ПЛМ MERCURY 115 Серийный номер от 1B227000 до 1B366822
Компоненты зажигания 4-Х ТАКТНОГО ПЛМ MERCURY 115 Серийный номер от 1B227000 до 1B366822
Компоненты набора рукоятки рулевого управления 4-Х ТАКТНОГО ПЛМ MERCURY 115 Серийный номер от 1B227000 до 1B366822
Корпус карданного вала 4-Х ТАКТНОГО ПЛМ MERCURY 115 Серийный номер от 1B227000 до 1B366822
Корпус шестерни, карданный вал(2.07:1 передаточное число) 4-Х ТАКТНОГО ПЛМ MERCURY 115 Серийный номер от 1B227000 до 1B366822
Корпус шестерни, приводной вал(2.07:1 передаточное число) 4-Х ТАКТНОГО ПЛМ MERCURY 115 Серийный номер от 1B227000 до 1B366822
Кронштейн транца 4-Х ТАКТНОГО ПЛМ MERCURY 115 Серийный номер от 1B227000 до 1B366822
Масляный насос 4-Х ТАКТНОГО ПЛМ MERCURY 115 Серийный номер от 1B227000 до 1B366822
Маховик 4-Х ТАКТНОГО ПЛМ MERCURY 115 Серийный номер от 1B227000 до 1B366822
Набор рукоятки рулевого управления 4-Х ТАКТНОГО ПЛМ MERCURY 115 Серийный номер от 1B227000 до 1B366822
Низ капота 4-Х ТАКТНОГО ПЛМ MERCURY 115 Серийный номер от 1B227000 до 1B366822
Поворотный кронштейн и рулевой рычаг 4-Х ТАКТНОГО ПЛМ MERCURY 115 Серийный номер от 1B227000 до 1B366822
Стартер 4-Х ТАКТНОГО ПЛМ MERCURY 115 Серийный номер от 1B227000 до 1B366822
Топливный насос (Часть 1) 4-Х ТАКТНОГО ПЛМ MERCURY 115 Серийный номер от 1B227000 до 1B366822
Топливный насос (Часть 2) 4-Х ТАКТНОГО ПЛМ MERCURY 115 Серийный номер от 1B227000 до 1B366822
Форсунка для впрыска топлива 4-Х ТАКТНОГО ПЛМ MERCURY 115 Серийный номер от 1B227000 до 1B366822
Электрические компоненты 4-Х ТАКТНОГО ПЛМ MERCURY 115 Серийный номер от 1B227000 до 1B366822
Запчасти для 4-х тактного ПЛМ MERCURY 135 Серийный номер от 0P419487 до 0P464487
Аксессуары 4-Х ТАКТНОГО ПЛМ MERCURY 135 Серийный номер от 0P419487 до 0P464487
Блок цилиндров / масляный радиатор 4-Х ТАКТНОГО ПЛМ MERCURY 135 Серийный номер от 0P419487 до 0P464487
Блок цилиндров 4-Х ТАКТНОГО ПЛМ MERCURY 135 Серийный номер от 0P419487 до 0P464487
Верх капота 4-Х ТАКТНОГО ПЛМ MERCURY 135 Серийный номер от 0P419487 до 0P464487
Генератор / Ремень 4-Х ТАКТНОГО ПЛМ MERCURY 135 Серийный номер от 0P419487 до 0P464487
Головка цилиндра и распредвал 4-Х ТАКТНОГО ПЛМ MERCURY 135 Серийный номер от 0P419487 до 0P464487
Задний обтекатель 4-Х ТАКТНОГО ПЛМ MERCURY 135 Серийный номер от 0P419487 до 0P464487
Зарядный кулер / впускной коллектор 4-Х ТАКТНОГО ПЛМ MERCURY 135 Серийный номер от 0P419487 до 0P464487
Зарядный кулер / Шланги впускного коллектора 4-Х ТАКТНОГО ПЛМ MERCURY 135 Серийный номер от 0P419487 до 0P464487
Индукционные компоненты 4-Х ТАКТНОГО ПЛМ MERCURY 135 Серийный номер от 0P419487 до 0P464487
Инструменты (Часть 1) 4-Х ТАКТНОГО ПЛМ MERCURY 135 Серийный номер от 0P419487 до 0P464487
Инструменты (Часть 2) 4-Х ТАКТНОГО ПЛМ MERCURY 135 Серийный номер от 0P419487 до 0P464487
Коленвал, поршни и шатуны 4-Х ТАКТНОГО ПЛМ MERCURY 135 Серийный номер от 0P419487 до 0P464487
Комплект прокладок 4-Х ТАКТНОГО ПЛМ MERCURY 135 Серийный номер от 0P419487 до 0P464487
Компоненты блока цилиндров 4-Х ТАКТНОГО ПЛМ MERCURY 135 Серийный номер от 0P419487 до 0P464487
Компоненты гидроподъема 4-Х ТАКТНОГО ПЛМ MERCURY 135 Серийный номер от 0P419487 до 0P464487
Корпус карданного вала 4-Х ТАКТНОГО ПЛМ MERCURY 135 Серийный номер от 0P419487 до 0P464487
Корпус редуктора (карданный вал) (стандартное / обратное вращение) 4-Х ТАКТНОГО ПЛМ MERCURY 135 Серийный номер от 0P419487 до 0P464487
Корпус редуктора, карданный вал - обратное вращение 4-Х ТАКТНОГО ПЛМ MERCURY 135 Серийный номер от 0P419487 до 0P464487
Корпус редуктора, карданный вал - стандартное вращение 4-Х ТАКТНОГО ПЛМ MERCURY 135 Серийный номер от 0P419487 до 0P464487
Кронштейны транца 4-Х ТАКТНОГО ПЛМ MERCURY 135 Серийный номер от 0P419487 до 0P464487
Масляный насос / Переходная пластина(верхняя) 4-Х ТАКТНОГО ПЛМ MERCURY 135 Серийный номер от 0P419487 до 0P464487
Модуль подачи топлива 4-Х ТАКТНОГО ПЛМ MERCURY 135 Серийный номер от 0P419487 до 0P464487
Нагнетатель 4-Х ТАКТНОГО ПЛМ MERCURY 135 Серийный номер от 0P419487 до 0P464487
Переходная пластина(нижняя) 4-Х ТАКТНОГО ПЛМ MERCURY 135 Серийный номер от 0P419487 до 0P464487
Поворотный кронштейн и рулевой рычаг 4-Х ТАКТНОГО ПЛМ MERCURY 135 Серийный номер от 0P419487 до 0P464487
Рулевой цилиндр в сборе 4-Х ТАКТНОГО ПЛМ MERCURY 135 Серийный номер от 0P419487 до 0P464487
Ручка переключения передач(S/N 1B290522 и ниже) 4-Х ТАКТНОГО ПЛМ MERCURY 135 Серийный номер от 0P419487 до 0P464487
Ручка переключения передач(S/N 1B290523 и выше) 4-Х ТАКТНОГО ПЛМ MERCURY 135 Серийный номер от 0P419487 до 0P464487
Стартер 4-Х ТАКТНОГО ПЛМ MERCURY 135 Серийный номер от 0P419487 до 0P464487
Шланги для переходных пластин 4-Х ТАКТНОГО ПЛМ MERCURY 135 Серийный номер от 0P419487 до 0P464487
Электрические компоненты 4-Х ТАКТНОГО ПЛМ MERCURY 135 Серийный номер от 0P419487 до 0P464487
Запчасти для 4-х тактного ПЛМ MERCURY 20 Серийный номер от 0R235168 и выше
Power Tilt 4-Х ТАКТНОГО ПЛМ MERCURY 20 Серийный номер от 0R235168 и выше
Shift , Manual 4-Х ТАКТНОГО ПЛМ MERCURY 20 Серийный номер от 0R235168 и выше
Shift, Electric 4-Х ТАКТНОГО ПЛМ MERCURY 20 Серийный номер от 0R235168 и выше
Аксессуары 4-Х ТАКТНОГО ПЛМ MERCURY 20 Серийный номер от 0R235168 и выше
Блок цилиндров 4-Х ТАКТНОГО ПЛМ MERCURY 20 Серийный номер от 0R235168 и выше
Верх капота 4-Х ТАКТНОГО ПЛМ MERCURY 20 Серийный номер от 0R235168 и выше
Впускной коллектор и топливный насос 4-Х ТАКТНОГО ПЛМ MERCURY 20 Серийный номер от 0R235168 и выше
Впускные, выпускные клапаны 4-Х ТАКТНОГО ПЛМ MERCURY 20 Серийный номер от 0R235168 и выше
Головка цилиндра 4-Х ТАКТНОГО ПЛМ MERCURY 20 Серийный номер от 0R235168 и выше
Зажимные Кронштейны, Manual Tilt 4-Х ТАКТНОГО ПЛМ MERCURY 20 Серийный номер от 0R235168 и выше
Зажимные Кронштейны, Power Tilt 4-Х ТАКТНОГО ПЛМ MERCURY 20 Серийный номер от 0R235168 и выше
Инструменты 4-Х ТАКТНОГО ПЛМ MERCURY 20 Серийный номер от 0R235168 и выше
Карбюратор 4-Х ТАКТНОГО ПЛМ MERCURY 20 Серийный номер от 0R235168 и выше
Коленвал и масляный насос 4-Х ТАКТНОГО ПЛМ MERCURY 20 Серийный номер от 0R235168 и выше
Коленвал, поршни и шатуны 4-Х ТАКТНОГО ПЛМ MERCURY 20 Серийный номер от 0R235168 и выше
Комплект для преобразования рукоятки румпеля, электрический - 8M0051059 4-Х ТАКТНОГО ПЛМ MERCURY 20 Серийный номер от 0R235168 и выше
Комплект для преобразования рукоятки румпеля, электрический - 8M0051060 4-Х ТАКТНОГО ПЛМ MERCURY 20 Серийный номер от 0R235168 и выше
Комплект прокладок 4-Х ТАКТНОГО ПЛМ MERCURY 20 Серийный номер от 0R235168 и выше
Компоненты стартера 4-Х ТАКТНОГО ПЛМ MERCURY 20 Серийный номер от 0R235168 и выше
Корпус карданного вала 4-Х ТАКТНОГО ПЛМ MERCURY 20 Серийный номер от 0R235168 и выше
Корпус шестерни, карданный вал 4-Х ТАКТНОГО ПЛМ MERCURY 20 Серийный номер от 0R235168 и выше
Корпус шестерни, приводной вал 4-Х ТАКТНОГО ПЛМ MERCURY 20 Серийный номер от 0R235168 и выше
Маховик / Катушка зажигания 4-Х ТАКТНОГО ПЛМ MERCURY 20 Серийный номер от 0R235168 и выше
Низ капота 4-Х ТАКТНОГО ПЛМ MERCURY 20 Серийный номер от 0R235168 и выше
Рукоятка румпеля 4-Х ТАКТНОГО ПЛМ MERCURY 20 Серийный номер от 0R235168 и выше
Рулевой рычаг / поворотный кронштейн, Manual Tilt 4-Х ТАКТНОГО ПЛМ MERCURY 20 Серийный номер от 0R235168 и выше
Ручной стартер 4-Х ТАКТНОГО ПЛМ MERCURY 20 Серийный номер от 0R235168 и выше
Электрические компоненты, выпрямитель 4-Х ТАКТНОГО ПЛМ MERCURY 20 Серийный номер от 0R235168 и выше
Электрические компоненты, стартер и соленоиды 4-Х ТАКТНОГО ПЛМ MERCURY 20 Серийный номер от 0R235168 и выше
Запчасти для 4-х тактного ПЛМ MERCURY 25 Серийный номер от 0R106999 и выше
Jet Unit 4-Х ТАКТНОГО ПЛМ MERCURY 25 Серийный номер от 0R106999 и выше
Аксессуары 4-Х ТАКТНОГО ПЛМ MERCURY 25 Серийный номер от 0R106999 и выше
Блок цилиндров 4-Х ТАКТНОГО ПЛМ MERCURY 25 Серийный номер от 0R106999 и выше
Верх капота 4-Х ТАКТНОГО ПЛМ MERCURY 25 Серийный номер от 0R106999 и выше
Впускной коллектор 4-Х ТАКТНОГО ПЛМ MERCURY 25 Серийный номер от 0R106999 и выше
Впускные, выпускные клапаны 4-Х ТАКТНОГО ПЛМ MERCURY 25 Серийный номер от 0R106999 и выше
Гидроподъем 4-Х ТАКТНОГО ПЛМ MERCURY 25 Серийный номер от 0R106999 и выше
Головка цилиндра 4-Х ТАКТНОГО ПЛМ MERCURY 25 Серийный номер от 0R106999 и выше
Дроссельная заслонка и рулевое управление 4-Х ТАКТНОГО ПЛМ MERCURY 25 Серийный номер от 0R106999 и выше
Зажимные кронштейны 4-Х ТАКТНОГО ПЛМ MERCURY 25 Серийный номер от 0R106999 и выше
Зажимные скобы и вспомогательная система подачи газа 4-Х ТАКТНОГО ПЛМ MERCURY 25 Серийный номер от 0R106999 и выше
Инструменты 4-Х ТАКТНОГО ПЛМ MERCURY 25 Серийный номер от 0R106999 и выше
Коленвал, поршни и шатуны 4-Х ТАКТНОГО ПЛМ MERCURY 25 Серийный номер от 0R106999 и выше
Комплект для переоборудования - ручной запуск, 889246A34 4-Х ТАКТНОГО ПЛМ MERCURY 25 Серийный номер от 0R106999 и выше
Комплект для переоборудования - электростартер, 889246A33 4-Х ТАКТНОГО ПЛМ MERCURY 25 Серийный номер от 0R106999 и выше
Комплект для переоборудования-ручка румпеля - 889246A71 4-Х ТАКТНОГО ПЛМ MERCURY 25 Серийный номер от 0R106999 и выше
Комплект для переоборудования-ручка румпеля, электрическая - 879147A09 4-Х ТАКТНОГО ПЛМ MERCURY 25 Серийный номер от 0R106999 и выше
Комплект для преобразования рукоятки румпеля, электрика - 8M0051062 4-Х ТАКТНОГО ПЛМ MERCURY 25 Серийный номер от 0R106999 и выше
Комплект прокладок 4-Х ТАКТНОГО ПЛМ MERCURY 25 Серийный номер от 0R106999 и выше
Комплект-дист.упр. румпельное управление 4-Х ТАКТНОГО ПЛМ MERCURY 25 Серийный номер от 0R106999 и выше
Компоненты водяного насоса 4-Х ТАКТНОГО ПЛМ MERCURY 25 Серийный номер от 0R106999 и выше
Компоненты стартера 4-Х ТАКТНОГО ПЛМ MERCURY 25 Серийный номер от 0R106999 и выше
Корпус карданного вала 4-Х ТАКТНОГО ПЛМ MERCURY 25 Серийный номер от 0R106999 и выше
Корпус шестерни, карданный вал-1.921 передаточное число 4-Х ТАКТНОГО ПЛМ MERCURY 25 Серийный номер от 0R106999 и выше
Корпус шестерни, приводной вал-1.92:1 передаточное число 4-Х ТАКТНОГО ПЛМ MERCURY 25 Серийный номер от 0R106999 и выше
Кулачек передачи 4-Х ТАКТНОГО ПЛМ MERCURY 25 Серийный номер от 0R106999 и выше
Кулачек передачи, Jet 4-Х ТАКТНОГО ПЛМ MERCURY 25 Серийный номер от 0R106999 и выше
Маховик, ЭБУ и жгут проводов 4-Х ТАКТНОГО ПЛМ MERCURY 25 Серийный номер от 0R106999 и выше
Низ капота 4-Х ТАКТНОГО ПЛМ MERCURY 25 Серийный номер от 0R106999 и выше
Поворотный кронштейн 4-Х ТАКТНОГО ПЛМ MERCURY 25 Серийный номер от 0R106999 и выше
Распредвал и масляный насос 4-Х ТАКТНОГО ПЛМ MERCURY 25 Серийный номер от 0R106999 и выше
Рукоятка румпеля 4-Х ТАКТНОГО ПЛМ MERCURY 25 Серийный номер от 0R106999 и выше
Ручной стартер 4-Х ТАКТНОГО ПЛМ MERCURY 25 Серийный номер от 0R106999 и выше
Рычаг КПП, jet- дистанция 4-Х ТАКТНОГО ПЛМ MERCURY 25 Серийный номер от 0R106999 и выше
Рычаг КПП, ручка румпеля 4-Х ТАКТНОГО ПЛМ MERCURY 25 Серийный номер от 0R106999 и выше
Стартер 4-Х ТАКТНОГО ПЛМ MERCURY 25 Серийный номер от 0R106999 и выше
Топливная рампа и паросепаратор (Часть 1) 4-Х ТАКТНОГО ПЛМ MERCURY 25 Серийный номер от 0R106999 и выше
Топливная рампа и паросепаратор (Часть 2) 4-Х ТАКТНОГО ПЛМ MERCURY 25 Серийный номер от 0R106999 и выше
Топливный насос 4-Х ТАКТНОГО ПЛМ MERCURY 25 Серийный номер от 0R106999 и выше
Электрический кронштейн и крышка 4-Х ТАКТНОГО ПЛМ MERCURY 25 Серийный номер от 0R106999 и выше
Запчасти для 4-х тактного ПЛМ MERCURY 30 Серийный номер от 0R106999 и выше
Jet Unit 4-Х ТАКТНОГО ПЛМ MERCURY 30 Серийный номер от 0R106999 и выше
Аксессуары 4-Х ТАКТНОГО ПЛМ MERCURY 30 Серийный номер от 0R106999 и выше
Блок цилиндров 4-Х ТАКТНОГО ПЛМ MERCURY 30 Серийный номер от 0R106999 и выше
Верх капота 4-Х ТАКТНОГО ПЛМ MERCURY 30 Серийный номер от 0R106999 и выше
Впускной коллектор 4-Х ТАКТНОГО ПЛМ MERCURY 30 Серийный номер от 0R106999 и выше
Впускные, выпускные клапаны 4-Х ТАКТНОГО ПЛМ MERCURY 30 Серийный номер от 0R106999 и выше
Гидроподъем 4-Х ТАКТНОГО ПЛМ MERCURY 30 Серийный номер от 0R106999 и выше
Головка цилиндра 4-Х ТАКТНОГО ПЛМ MERCURY 30 Серийный номер от 0R106999 и выше
Дроссельная заслонка и рулевое управление 4-Х ТАКТНОГО ПЛМ MERCURY 30 Серийный номер от 0R106999 и выше
Зажимные кронштейны 4-Х ТАКТНОГО ПЛМ MERCURY 30 Серийный номер от 0R106999 и выше
Зажимные скобы и вспомогательная система подачи газа 4-Х ТАКТНОГО ПЛМ MERCURY 30 Серийный номер от 0R106999 и выше
Инструменты 4-Х ТАКТНОГО ПЛМ MERCURY 30 Серийный номер от 0R106999 и выше
Коленвал, поршни и шатуны 4-Х ТАКТНОГО ПЛМ MERCURY 30 Серийный номер от 0R106999 и выше
Комплект для переоборудования - ручной запуск, 889246A34 4-Х ТАКТНОГО ПЛМ MERCURY 30 Серийный номер от 0R106999 и выше
Комплект для переоборудования - электростартер, 889246A33 4-Х ТАКТНОГО ПЛМ MERCURY 30 Серийный номер от 0R106999 и выше
Комплект для переоборудования-ручка румпеля - 889246A71 4-Х ТАКТНОГО ПЛМ MERCURY 30 Серийный номер от 0R106999 и выше
Комплект для переоборудования-ручка румпеля, электрическая - 879147A09 4-Х ТАКТНОГО ПЛМ MERCURY 30 Серийный номер от 0R106999 и выше
Комплект для преобразования рукоятки румпеля, электрика - 8M0051062 4-Х ТАКТНОГО ПЛМ MERCURY 30 Серийный номер от 0R106999 и выше
Комплект прокладок 4-Х ТАКТНОГО ПЛМ MERCURY 30 Серийный номер от 0R106999 и выше
Комплект-дист.упр. румпельное управление 4-Х ТАКТНОГО ПЛМ MERCURY 30 Серийный номер от 0R106999 и выше
Компоненты водяного насоса 4-Х ТАКТНОГО ПЛМ MERCURY 30 Серийный номер от 0R106999 и выше
Компоненты стартера 4-Х ТАКТНОГО ПЛМ MERCURY 30 Серийный номер от 0R106999 и выше
Корпус карданного вала 4-Х ТАКТНОГО ПЛМ MERCURY 30 Серийный номер от 0R106999 и выше
Корпус шестерни, карданный вал-1.921 передаточное число 4-Х ТАКТНОГО ПЛМ MERCURY 30 Серийный номер от 0R106999 и выше
Корпус шестерни, приводной вал-1.92:1 передаточное число 4-Х ТАКТНОГО ПЛМ MERCURY 30 Серийный номер от 0R106999 и выше
Кулачек передачи 4-Х ТАКТНОГО ПЛМ MERCURY 30 Серийный номер от 0R106999 и выше
Кулачек передачи, Jet 4-Х ТАКТНОГО ПЛМ MERCURY 30 Серийный номер от 0R106999 и выше
Маховик, ЭБУ и жгут проводов 4-Х ТАКТНОГО ПЛМ MERCURY 30 Серийный номер от 0R106999 и выше
Низ капота 4-Х ТАКТНОГО ПЛМ MERCURY 30 Серийный номер от 0R106999 и выше
Поворотный кронштейн 4-Х ТАКТНОГО ПЛМ MERCURY 30 Серийный номер от 0R106999 и выше
Распредвал и масляный насос 4-Х ТАКТНОГО ПЛМ MERCURY 30 Серийный номер от 0R106999 и выше
Рукоятка румпеля 4-Х ТАКТНОГО ПЛМ MERCURY 30 Серийный номер от 0R106999 и выше
Ручной стартер 4-Х ТАКТНОГО ПЛМ MERCURY 30 Серийный номер от 0R106999 и выше
Рычаг КПП, jet- дистанция 4-Х ТАКТНОГО ПЛМ MERCURY 30 Серийный номер от 0R106999 и выше
Рычаг КПП, ручка румпеля 4-Х ТАКТНОГО ПЛМ MERCURY 30 Серийный номер от 0R106999 и выше
Стартер 4-Х ТАКТНОГО ПЛМ MERCURY 30 Серийный номер от 0R106999 и выше
Топливная рампа и паросепаратор (Часть 1) 4-Х ТАКТНОГО ПЛМ MERCURY 30 Серийный номер от 0R106999 и выше
Топливная рампа и паросепаратор (Часть 2) 4-Х ТАКТНОГО ПЛМ MERCURY 30 Серийный номер от 0R106999 и выше
Топливный насос 4-Х ТАКТНОГО ПЛМ MERCURY 30 Серийный номер от 0R106999 и выше
Электрический кронштейн и крышка 4-Х ТАКТНОГО ПЛМ MERCURY 30 Серийный номер от 0R106999 и выше
Запчасти для 4-х тактного ПЛМ MERCURY 60 Серийный номер от 0T409000 до 1B344306
Аксессуары 4-Х ТАКТНОГО ПЛМ MERCURY 60 Серийный номер от 0T409000 до 1B344306
Блок цилиндров и картер 4-Х ТАКТНОГО ПЛМ MERCURY 60 Серийный номер от 0T409000 до 1B344306
Верх капота 4-Х ТАКТНОГО ПЛМ MERCURY 60 Серийный номер от 0T409000 до 1B344306
Впускной коллектор 4-Х ТАКТНОГО ПЛМ MERCURY 60 Серийный номер от 0T409000 до 1B344306
Впускные, выпускные клапаны 4-Х ТАКТНОГО ПЛМ MERCURY 60 Серийный номер от 0T409000 до 1B344306
Гидроподъем 4-Х ТАКТНОГО ПЛМ MERCURY 60 Серийный номер от 0T409000 до 1B344306
Головка цилиндра 4-Х ТАКТНОГО ПЛМ MERCURY 60 Серийный номер от 0T409000 до 1B344306
Инструменты (Часть 1) 4-Х ТАКТНОГО ПЛМ MERCURY 60 Серийный номер от 0T409000 до 1B344306
Инструменты (Часть 2) 4-Х ТАКТНОГО ПЛМ MERCURY 60 Серийный номер от 0T409000 до 1B344306
Инструменты (Часть 3) 4-Х ТАКТНОГО ПЛМ MERCURY 60 Серийный номер от 0T409000 до 1B344306
Катушка, Bel-0P325500 thru 0P400999 4-Х ТАКТНОГО ПЛМ MERCURY 60 Серийный номер от 0T409000 до 1B344306
Катушка, USA-0T979999/BEL-0P325499 и ниже 4-Х ТАКТНОГО ПЛМ MERCURY 60 Серийный номер от 0T409000 до 1B344306
Катушка, USA-0T980000 thru 1B226999 4-Х ТАКТНОГО ПЛМ MERCURY 60 Серийный номер от 0T409000 до 1B344306
Катушка, USA-1B227000/Bel-0P401000 и выше 4-Х ТАКТНОГО ПЛМ MERCURY 60 Серийный номер от 0T409000 до 1B344306
Коленвал, поршни и шатуны 4-Х ТАКТНОГО ПЛМ MERCURY 60 Серийный номер от 0T409000 до 1B344306
Комплект удлинителя XL 4-Х ТАКТНОГО ПЛМ MERCURY 60 Серийный номер от 0T409000 до 1B344306
Комплекты прокладок 4-Х ТАКТНОГО ПЛМ MERCURY 60 Серийный номер от 0T409000 до 1B344306
Компоненты гидроподъема 4-Х ТАКТНОГО ПЛМ MERCURY 60 Серийный номер от 0T409000 до 1B344306
Корпус карданного вала 4-Х ТАКТНОГО ПЛМ MERCURY 60 Серийный номер от 0T409000 до 1B344306
Корпус шестерни, Drive-2.33:1-USA-0T625304/BEL-0P216185 и выше 4-Х ТАКТНОГО ПЛМ MERCURY 60 Серийный номер от 0T409000 до 1B344306
Корпус шестерни, Prop-2.31:1-USA-0T625303/BEL-0P216184 и ниже 4-Х ТАКТНОГО ПЛМ MERCURY 60 Серийный номер от 0T409000 до 1B344306
Корпус шестерни, Prop-2.33:1-USA-0T625304/BEL-0P216185 и выше 4-Х ТАКТНОГО ПЛМ MERCURY 60 Серийный номер от 0T409000 до 1B344306
Корпус шестерни, Propeller Shaft - 1.83:1 передаточное число 4-Х ТАКТНОГО ПЛМ MERCURY 60 Серийный номер от 0T409000 до 1B344306
Корпус шестерни(Drive-2.31:1)(Belgium-0P216184 и ниже) 4-Х ТАКТНОГО ПЛМ MERCURY 60 Серийный номер от 0T409000 до 1B344306
Корпус шестерни(Drive-2.31:1)(USA-0T625303 и ниже) 4-Х ТАКТНОГО ПЛМ MERCURY 60 Серийный номер от 0T409000 до 1B344306
Корпус шестерни(Driveshaft)(1.83:1 передаточное число) 4-Х ТАКТНОГО ПЛМ MERCURY 60 Серийный номер от 0T409000 до 1B344306
Кронштейн транца 4-Х ТАКТНОГО ПЛМ MERCURY 60 Серийный номер от 0T409000 до 1B344306
Масляный насос распредвала 4-Х ТАКТНОГО ПЛМ MERCURY 60 Серийный номер от 0T409000 до 1B344306
Маховик 4-Х ТАКТНОГО ПЛМ MERCURY 60 Серийный номер от 0T409000 до 1B344306
Низ капота 4-Х ТАКТНОГО ПЛМ MERCURY 60 Серийный номер от 0T409000 до 1B344306
Паросепаратор(USA-1B036613/BEL-0P340241 и ниже) 4-Х ТАКТНОГО ПЛМ MERCURY 60 Серийный номер от 0T409000 до 1B344306
Паросепаратор(USA-1B036614/BEL-0P340242 и выше) 4-Х ТАКТНОГО ПЛМ MERCURY 60 Серийный номер от 0T409000 до 1B344306
Переходная пластина 4-Х ТАКТНОГО ПЛМ MERCURY 60 Серийный номер от 0T409000 до 1B344306
Поворотный кронштейн 4-Х ТАКТНОГО ПЛМ MERCURY 60 Серийный номер от 0T409000 до 1B344306
Рукоятка рулевого управления 4-Х ТАКТНОГО ПЛМ MERCURY 60 Серийный номер от 0T409000 до 1B344306
Рукоятка румпеля 4-Х ТАКТНОГО ПЛМ MERCURY 60 Серийный номер от 0T409000 до 1B344306
Рычаг переключения передач, внешний 4-Х ТАКТНОГО ПЛМ MERCURY 60 Серийный номер от 0T409000 до 1B344306
Рычаг переключения передач, румпель 4-Х ТАКТНОГО ПЛМ MERCURY 60 Серийный номер от 0T409000 до 1B344306
Стартер(USA- 1B282399 и ниже) 4-Х ТАКТНОГО ПЛМ MERCURY 60 Серийный номер от 0T409000 до 1B344306
Топливные шланги 4-Х ТАКТНОГО ПЛМ MERCURY 60 Серийный номер от 0T409000 до 1B344306
Топливный насос 4-Х ТАКТНОГО ПЛМ MERCURY 60 Серийный номер от 0T409000 до 1B344306
Электрические компоненты(USA-1B226999/Bel-0P400999 и ниже) 4-Х ТАКТНОГО ПЛМ MERCURY 60 Серийный номер от 0T409000 до 1B344306
Электрические компоненты(USA-1B227000/Bel-0P401000 и выше) 4-Х ТАКТНОГО ПЛМ MERCURY 60 Серийный номер от 0T409000 до 1B344306
Запчасти для 4-х тактного ПЛМ MERCURY 60 Серийный номер от 1C000001 до 1C050251
Аксессуары 4-Х ТАКТНОГО ПЛМ MERCURY 60 Серийный номер от 1C000001 до 1C050251
Блок цилиндров и картер 4-Х ТАКТНОГО ПЛМ MERCURY 60 Серийный номер от 1C000001 до 1C050251
Верх капота 4-Х ТАКТНОГО ПЛМ MERCURY 60 Серийный номер от 1C000001 до 1C050251
Впускной коллектор 4-Х ТАКТНОГО ПЛМ MERCURY 60 Серийный номер от 1C000001 до 1C050251
Впускные, выпускные клапаны 4-Х ТАКТНОГО ПЛМ MERCURY 60 Серийный номер от 1C000001 до 1C050251
Гидроподъем 4-Х ТАКТНОГО ПЛМ MERCURY 60 Серийный номер от 1C000001 до 1C050251
Головка цилиндра 4-Х ТАКТНОГО ПЛМ MERCURY 60 Серийный номер от 1C000001 до 1C050251
Инструменты (Часть 1) 4-Х ТАКТНОГО ПЛМ MERCURY 60 Серийный номер от 1C000001 до 1C050251
Инструменты (Часть 2) 4-Х ТАКТНОГО ПЛМ MERCURY 60 Серийный номер от 1C000001 до 1C050251
Инструменты (Часть 3) 4-Х ТАКТНОГО ПЛМ MERCURY 60 Серийный номер от 1C000001 до 1C050251
Катушка зажигания 4-Х ТАКТНОГО ПЛМ MERCURY 60 Серийный номер от 1C000001 до 1C050251
Коленвал, поршни и шатуны 4-Х ТАКТНОГО ПЛМ MERCURY 60 Серийный номер от 1C000001 до 1C050251
Комплект крепления - пульт дистанционного управления (880093A 2) 4-Х ТАКТНОГО ПЛМ MERCURY 60 Серийный номер от 1C000001 до 1C050251
Комплект удлинителей - 5 дюймов, корпус карданного вала(12092A18) 4-Х ТАКТНОГО ПЛМ MERCURY 60 Серийный номер от 1C000001 до 1C050251
Комплекты прокладок 4-Х ТАКТНОГО ПЛМ MERCURY 60 Серийный номер от 1C000001 до 1C050251
Компоненты гидроподъема 4-Х ТАКТНОГО ПЛМ MERCURY 60 Серийный номер от 1C000001 до 1C050251
Корпус карданного вала 4-Х ТАКТНОГО ПЛМ MERCURY 60 Серийный номер от 1C000001 до 1C050251
Корпус шестерни(карданный вал-2.33:1 передаточное число) 4-Х ТАКТНОГО ПЛМ MERCURY 60 Серийный номер от 1C000001 до 1C050251
Корпус шестерни(карданный вал-2.33:1)(Serial #1C033810 и ниже) 4-Х ТАКТНОГО ПЛМ MERCURY 60 Серийный номер от 1C000001 до 1C050251
Корпус шестерни(карданный вал-2.33:1)(Serial #1C033811 и выше) 4-Х ТАКТНОГО ПЛМ MERCURY 60 Серийный номер от 1C000001 до 1C050251
Корпус шестерни(приводной вал-2.33:1)(Serial #1C033810 и ниже) 4-Х ТАКТНОГО ПЛМ MERCURY 60 Серийный номер от 1C000001 до 1C050251
Корпус шестерни(приводной вал)(1.83:1 передаточное число) 4-Х ТАКТНОГО ПЛМ MERCURY 60 Серийный номер от 1C000001 до 1C050251
Корпус шестерни(приводной вал)(Serial #1C033811 и выше) 4-Х ТАКТНОГО ПЛМ MERCURY 60 Серийный номер от 1C000001 до 1C050251
Кронштейн транца 4-Х ТАКТНОГО ПЛМ MERCURY 60 Серийный номер от 1C000001 до 1C050251
Масляный насос распредвала 4-Х ТАКТНОГО ПЛМ MERCURY 60 Серийный номер от 1C000001 до 1C050251
Маховик 4-Х ТАКТНОГО ПЛМ MERCURY 60 Серийный номер от 1C000001 до 1C050251
Низ капота 4-Х ТАКТНОГО ПЛМ MERCURY 60 Серийный номер от 1C000001 до 1C050251
Паросепаратор 4-Х ТАКТНОГО ПЛМ MERCURY 60 Серийный номер от 1C000001 до 1C050251
Переходная пластина 4-Х ТАКТНОГО ПЛМ MERCURY 60 Серийный номер от 1C000001 до 1C050251
Поворотный кронштейн 4-Х ТАКТНОГО ПЛМ MERCURY 60 Серийный номер от 1C000001 до 1C050251
Рукоятка рулевого управления 4-Х ТАКТНОГО ПЛМ MERCURY 60 Серийный номер от 1C000001 до 1C050251
Рукоятка румпеля 4-Х ТАКТНОГО ПЛМ MERCURY 60 Серийный номер от 1C000001 до 1C050251
Рычаг переключения передач, внешний 4-Х ТАКТНОГО ПЛМ MERCURY 60 Серийный номер от 1C000001 до 1C050251
Рычаг переключения передач, румпель 4-Х ТАКТНОГО ПЛМ MERCURY 60 Серийный номер от 1C000001 до 1C050251
Топливные шланги 4-Х ТАКТНОГО ПЛМ MERCURY 60 Серийный номер от 1C000001 до 1C050251
Топливный насос 4-Х ТАКТНОГО ПЛМ MERCURY 60 Серийный номер от 1C000001 до 1C050251
Электрические компоненты 4-Х ТАКТНОГО ПЛМ MERCURY 60 Серийный номер от 1C000001 до 1C050251
Запчасти для 4-х тактного ПЛМ MERCURY 60 Серийный номер от 1C050252 и выше
Jet Unit 4-Х ТАКТНОГО ПЛМ MERCURY 60 Серийный номер от 1C050252 и выше
Manual Tilt Components 4-Х ТАКТНОГО ПЛМ MERCURY 60 Серийный номер от 1C050252 и выше
Shift Linkage, Remote 4-Х ТАКТНОГО ПЛМ MERCURY 60 Серийный номер от 1C050252 и выше
Shift Linkage, Tiller 4-Х ТАКТНОГО ПЛМ MERCURY 60 Серийный номер от 1C050252 и выше
Аксессуары 4-Х ТАКТНОГО ПЛМ MERCURY 60 Серийный номер от 1C050252 и выше
Блок цилиндров и картер 4-Х ТАКТНОГО ПЛМ MERCURY 60 Серийный номер от 1C050252 и выше
Верх капота 4-Х ТАКТНОГО ПЛМ MERCURY 60 Серийный номер от 1C050252 и выше
Впускной коллектор 4-Х ТАКТНОГО ПЛМ MERCURY 60 Серийный номер от 1C050252 и выше
Впускные, выпускные клапаны 4-Х ТАКТНОГО ПЛМ MERCURY 60 Серийный номер от 1C050252 и выше
Гидроподъем 4-Х ТАКТНОГО ПЛМ MERCURY 60 Серийный номер от 1C050252 и выше
Головка цилиндра 4-Х ТАКТНОГО ПЛМ MERCURY 60 Серийный номер от 1C050252 и выше
Дроссельная тяга, Jet 4-Х ТАКТНОГО ПЛМ MERCURY 60 Серийный номер от 1C050252 и выше
Дроссельная тяга, дистанция 4-Х ТАКТНОГО ПЛМ MERCURY 60 Серийный номер от 1C050252 и выше
Дроссельная тяга, румпель 4-Х ТАКТНОГО ПЛМ MERCURY 60 Серийный номер от 1C050252 и выше
Инструменты (Часть 1) 4-Х ТАКТНОГО ПЛМ MERCURY 60 Серийный номер от 1C050252 и выше
Инструменты (Часть 2) 4-Х ТАКТНОГО ПЛМ MERCURY 60 Серийный номер от 1C050252 и выше
Инструменты (Часть 3) 4-Х ТАКТНОГО ПЛМ MERCURY 60 Серийный номер от 1C050252 и выше
Катушка зажигания 1C104423/0P560349 и ниже 4-Х ТАКТНОГО ПЛМ MERCURY 60 Серийный номер от 1C050252 и выше
Катушка зажигания 1C104424/0P560350 и выше 4-Х ТАКТНОГО ПЛМ MERCURY 60 Серийный номер от 1C050252 и выше
Коленвал, поршни и шатуны 4-Х ТАКТНОГО ПЛМ MERCURY 60 Серийный номер от 1C050252 и выше
Комплект удлинителей - 2,5 дюйма, корпус карданного вала(879150A88) 4-Х ТАКТНОГО ПЛМ MERCURY 60 Серийный номер от 1C050252 и выше
Комплект удлинителей - 5 дюймов, корпус карданного вала(12092A20) 4-Х ТАКТНОГО ПЛМ MERCURY 60 Серийный номер от 1C050252 и выше
Комплект удлинителей - корпус карданного вала 12092A20 - Bigfoot 4-Х ТАКТНОГО ПЛМ MERCURY 60 Серийный номер от 1C050252 и выше
Компоненты водяной помпы 4-Х ТАКТНОГО ПЛМ MERCURY 60 Серийный номер от 1C050252 и выше
Компоненты гидроподъема 4-Х ТАКТНОГО ПЛМ MERCURY 60 Серийный номер от 1C050252 и выше
Корпус карданного вала 4-Х ТАКТНОГО ПЛМ MERCURY 60 Серийный номер от 1C050252 и выше
Корпус редуктора, карданный вал - Передаточное число 1.83:1 4-Х ТАКТНОГО ПЛМ MERCURY 60 Серийный номер от 1C050252 и выше
Корпус редуктора, карданный вал - Передаточное число 2.33:1 4-Х ТАКТНОГО ПЛМ MERCURY 60 Серийный номер от 1C050252 и выше
Корпус редуктора, приводной вал - Передаточное число 1,83: 1 4-Х ТАКТНОГО ПЛМ MERCURY 60 Серийный номер от 1C050252 и выше
Корпус редуктора, приводной вал - Передаточное число 2.33:1 4-Х ТАКТНОГО ПЛМ MERCURY 60 Серийный номер от 1C050252 и выше
Кронштейн транца 4-Х ТАКТНОГО ПЛМ MERCURY 60 Серийный номер от 1C050252 и выше
Масляный насос распредвала 4-Х ТАКТНОГО ПЛМ MERCURY 60 Серийный номер от 1C050252 и выше
Маховик 4-Х ТАКТНОГО ПЛМ MERCURY 60 Серийный номер от 1C050252 и выше
Набор ключей, дросселей и рупоров, 15000A14 4-Х ТАКТНОГО ПЛМ MERCURY 60 Серийный номер от 1C050252 и выше
Набор прокладок 4-Х ТАКТНОГО ПЛМ MERCURY 60 Серийный номер от 1C050252 и выше
Низ капота 4-Х ТАКТНОГО ПЛМ MERCURY 60 Серийный номер от 1C050252 и выше
Паросепаратор 4-Х ТАКТНОГО ПЛМ MERCURY 60 Серийный номер от 1C050252 и выше
Переходная пластина 4-Х ТАКТНОГО ПЛМ MERCURY 60 Серийный номер от 1C050252 и выше
Поворотный кронштейн 4-Х ТАКТНОГО ПЛМ MERCURY 60 Серийный номер от 1C050252 и выше
Рукоятка рулевого управления 4-Х ТАКТНОГО ПЛМ MERCURY 60 Серийный номер от 1C050252 и выше
Рукоятка румпеля 4-Х ТАКТНОГО ПЛМ MERCURY 60 Серийный номер от 1C050252 и выше
Топливные шланги 4-Х ТАКТНОГО ПЛМ MERCURY 60 Серийный номер от 1C050252 и выше
Топливный насос 4-Х ТАКТНОГО ПЛМ MERCURY 60 Серийный номер от 1C050252 и выше
Электрические компоненты(1C104423/0P560349 и ниже) 4-Х ТАКТНОГО ПЛМ MERCURY 60 Серийный номер от 1C050252 и выше
Электрические компоненты(1C104424/0P560350 и выше) 4-Х ТАКТНОГО ПЛМ MERCURY 60 Серийный номер от 1C050252 и выше
Запчасти для 4-х тактного ПЛМ MERCURY 80 Серийный номер от 0P459572 и выше
Coastal Flush Kit, Outboard 4-Х ТАКТНОГО ПЛМ MERCURY 80 Серийный номер от 0P459572 и выше
Адапторная пластина 4-Х ТАКТНОГО ПЛМ MERCURY 80 Серийный номер от 0P459572 и выше
Аксессуары 4-Х ТАКТНОГО ПЛМ MERCURY 80 Серийный номер от 0P459572 и выше
Блок цилиндров 4-Х ТАКТНОГО ПЛМ MERCURY 80 Серийный номер от 0P459572 и выше
Верх капота 4-Х ТАКТНОГО ПЛМ MERCURY 80 Серийный номер от 0P459572 и выше
Впускной коллектор 4-Х ТАКТНОГО ПЛМ MERCURY 80 Серийный номер от 0P459572 и выше
Головка цилиндра и распредвал 4-Х ТАКТНОГО ПЛМ MERCURY 80 Серийный номер от 0P459572 и выше
Инструменты 4-Х ТАКТНОГО ПЛМ MERCURY 80 Серийный номер от 0P459572 и выше
Коленвал, поршни и шатуны 4-Х ТАКТНОГО ПЛМ MERCURY 80 Серийный номер от 0P459572 и выше
Компоненты блока цилиндров 4-Х ТАКТНОГО ПЛМ MERCURY 80 Серийный номер от 0P459572 и выше
Компоненты впускного коллектора 4-Х ТАКТНОГО ПЛМ MERCURY 80 Серийный номер от 0P459572 и выше
Компоненты румпеля (Часть 1) 4-Х ТАКТНОГО ПЛМ MERCURY 80 Серийный номер от 0P459572 и выше
Компоненты румпеля (Часть 2) 4-Х ТАКТНОГО ПЛМ MERCURY 80 Серийный номер от 0P459572 и выше
Корпус карданного вала 4-Х ТАКТНОГО ПЛМ MERCURY 80 Серийный номер от 0P459572 и выше
Корпус редуктора, карданный вал 4-Х ТАКТНОГО ПЛМ MERCURY 80 Серийный номер от 0P459572 и выше
Корпус редуктора, приводной вал 4-Х ТАКТНОГО ПЛМ MERCURY 80 Серийный номер от 0P459572 и выше
Кронштейн дроссельной заслонки 4-Х ТАКТНОГО ПЛМ MERCURY 80 Серийный номер от 0P459572 и выше
Кронштейн транца 4-Х ТАКТНОГО ПЛМ MERCURY 80 Серийный номер от 0P459572 и выше
Масляный насос 4-Х ТАКТНОГО ПЛМ MERCURY 80 Серийный номер от 0P459572 и выше
Модуль подачи топлива (Часть 1) 4-Х ТАКТНОГО ПЛМ MERCURY 80 Серийный номер от 0P459572 и выше
Модуль подачи топлива (Часть 2) 4-Х ТАКТНОГО ПЛМ MERCURY 80 Серийный номер от 0P459572 и выше
Набор прокладок 4-Х ТАКТНОГО ПЛМ MERCURY 80 Серийный номер от 0P459572 и выше
Низ капота 4-Х ТАКТНОГО ПЛМ MERCURY 80 Серийный номер от 0P459572 и выше
Поворотный кронштейн и поворотный штифт 4-Х ТАКТНОГО ПЛМ MERCURY 80 Серийный номер от 0P459572 и выше
Система гидроподъема 4-Х ТАКТНОГО ПЛМ MERCURY 80 Серийный номер от 0P459572 и выше
Стартер, 1B759587 и ниже 4-Х ТАКТНОГО ПЛМ MERCURY 80 Серийный номер от 0P459572 и выше
Стартер, 1B759588 и выше 4-Х ТАКТНОГО ПЛМ MERCURY 80 Серийный номер от 0P459572 и выше
Удлинительный комплект-5 дюймов, корпус карданного вала 12092A19 4-Х ТАКТНОГО ПЛМ MERCURY 80 Серийный номер от 0P459572 и выше
Шланги модуля подачи топлива 4-Х ТАКТНОГО ПЛМ MERCURY 80 Серийный номер от 0P459572 и выше
Электрические компоненты 4-Х ТАКТНОГО ПЛМ MERCURY 80 Серийный номер от 0P459572 и выше
Электропроводка с/н 1B723942 и ниже 4-Х ТАКТНОГО ПЛМ MERCURY 80 Серийный номер от 0P459572 и выше
Электропроводка с/н 1B723943 и выше 4-Х ТАКТНОГО ПЛМ MERCURY 80 Серийный номер от 0P459572 и выше
Запчасти для 4-х тактного ПЛМ MERCURY 80 Серийный номер от 1B227000 до 1B366822
Аксессуары 4-Х ТАКТНОГО ПЛМ MERCURY 80 Серийный номер от 1B227000 до 1B366822
Блок цилиндров и картер 4-Х ТАКТНОГО ПЛМ MERCURY 80 Серийный номер от 1B227000 до 1B366822
Верх капота 4-Х ТАКТНОГО ПЛМ MERCURY 80 Серийный номер от 1B227000 до 1B366822
Впускной коллектор 4-Х ТАКТНОГО ПЛМ MERCURY 80 Серийный номер от 1B227000 до 1B366822
Впускные / выпускные клапаны 4-Х ТАКТНОГО ПЛМ MERCURY 80 Серийный номер от 1B227000 до 1B366822
Выхлопная труба 4-Х ТАКТНОГО ПЛМ MERCURY 80 Серийный номер от 1B227000 до 1B366822
Глушитель шума впуска 4-Х ТАКТНОГО ПЛМ MERCURY 80 Серийный номер от 1B227000 до 1B366822
Головка цилиндра 4-Х ТАКТНОГО ПЛМ MERCURY 80 Серийный номер от 1B227000 до 1B366822
Датчики 4-Х ТАКТНОГО ПЛМ MERCURY 80 Серийный номер от 1B227000 до 1B366822
Инструменты 4-Х ТАКТНОГО ПЛМ MERCURY 80 Серийный номер от 1B227000 до 1B366822
Коленвал, поршни и шатуны 4-Х ТАКТНОГО ПЛМ MERCURY 80 Серийный номер от 1B227000 до 1B366822
Комплект прокладок 4-Х ТАКТНОГО ПЛМ MERCURY 80 Серийный номер от 1B227000 до 1B366822
Комплект рулевой ручки 4-Х ТАКТНОГО ПЛМ MERCURY 80 Серийный номер от 1B227000 до 1B366822
Компоненты гидоподъема 4-Х ТАКТНОГО ПЛМ MERCURY 80 Серийный номер от 1B227000 до 1B366822
Корпус карданного вала 4-Х ТАКТНОГО ПЛМ MERCURY 80 Серийный номер от 1B227000 до 1B366822
Корпус редуктора (карданный вал) (Передаточное число 2,33:1) 4-Х ТАКТНОГО ПЛМ MERCURY 80 Серийный номер от 1B227000 до 1B366822
Корпус редуктора (приводной вал) (Передаточное число 2,33:1) 4-Х ТАКТНОГО ПЛМ MERCURY 80 Серийный номер от 1B227000 до 1B366822
Кронштейн транца 4-Х ТАКТНОГО ПЛМ MERCURY 80 Серийный номер от 1B227000 до 1B366822
Масляный насос 4-Х ТАКТНОГО ПЛМ MERCURY 80 Серийный номер от 1B227000 до 1B366822
Маховик 4-Х ТАКТНОГО ПЛМ MERCURY 80 Серийный номер от 1B227000 до 1B366822
Низ капота 4-Х ТАКТНОГО ПЛМ MERCURY 80 Серийный номер от 1B227000 до 1B366822
Паросепаратор (Часть 1) 4-Х ТАКТНОГО ПЛМ MERCURY 80 Серийный номер от 1B227000 до 1B366822
Паросепаратор (Часть 2) 4-Х ТАКТНОГО ПЛМ MERCURY 80 Серийный номер от 1B227000 до 1B366822
Поворотный кронштейн и рулевой рычаг 4-Х ТАКТНОГО ПЛМ MERCURY 80 Серийный номер от 1B227000 до 1B366822
Рукоятка рулевого управления 4-Х ТАКТНОГО ПЛМ MERCURY 80 Серийный номер от 1B227000 до 1B366822
Рычаг дроссельной заслонки 4-Х ТАКТНОГО ПЛМ MERCURY 80 Серийный номер от 1B227000 до 1B366822
Стартер 4-Х ТАКТНОГО ПЛМ MERCURY 80 Серийный номер от 1B227000 до 1B366822
Топливный насос 4-Х ТАКТНОГО ПЛМ MERCURY 80 Серийный номер от 1B227000 до 1B366822
Топливный шланг 4-Х ТАКТНОГО ПЛМ MERCURY 80 Серийный номер от 1B227000 до 1B366822
Электрические компоненты, жгут проводов двигателя 4-Х ТАКТНОГО ПЛМ MERCURY 80 Серийный номер от 1B227000 до 1B366822
Электрические компоненты, катушка зажигания и ЭБУ 4-Х ТАКТНОГО ПЛМ MERCURY 80 Серийный номер от 1B227000 до 1B366822
Электрические компоненты, реле 4-Х ТАКТНОГО ПЛМ MERCURY 80 Серийный номер от 1B227000 до 1B366822
Запчасти для 4-х тактного ПЛМ MERCURY 100 Серийный номер от 1B227000 до 1B366822
Аксессуары 4-Х ТАКТНОГО ПЛМ MERCURY 100 Серийный номер от 1B227000 до 1B366822
Блок цилиндров и картер 4-Х ТАКТНОГО ПЛМ MERCURY 100 Серийный номер от 1B227000 до 1B366822
Верх капота 4-Х ТАКТНОГО ПЛМ MERCURY 100 Серийный номер от 1B227000 до 1B366822
Впускной коллектор 4-Х ТАКТНОГО ПЛМ MERCURY 100 Серийный номер от 1B227000 до 1B366822
Впускные / выпускные клапаны 4-Х ТАКТНОГО ПЛМ MERCURY 100 Серийный номер от 1B227000 до 1B366822
Выхлопная труба 4-Х ТАКТНОГО ПЛМ MERCURY 100 Серийный номер от 1B227000 до 1B366822
Глушитель шума впуска 4-Х ТАКТНОГО ПЛМ MERCURY 100 Серийный номер от 1B227000 до 1B366822
Головка цилиндра 4-Х ТАКТНОГО ПЛМ MERCURY 100 Серийный номер от 1B227000 до 1B366822
Датчики 4-Х ТАКТНОГО ПЛМ MERCURY 100 Серийный номер от 1B227000 до 1B366822
Инструменты 4-Х ТАКТНОГО ПЛМ MERCURY 100 Серийный номер от 1B227000 до 1B366822
Коленвал, поршни и шатуны 4-Х ТАКТНОГО ПЛМ MERCURY 100 Серийный номер от 1B227000 до 1B366822
Комплект прокладок 4-Х ТАКТНОГО ПЛМ MERCURY 100 Серийный номер от 1B227000 до 1B366822
Комплект рулевой ручки 4-Х ТАКТНОГО ПЛМ MERCURY 100 Серийный номер от 1B227000 до 1B366822
Компоненты гидроподъема 4-Х ТАКТНОГО ПЛМ MERCURY 100 Серийный номер от 1B227000 до 1B366822
Корпус карданного вала 4-Х ТАКТНОГО ПЛМ MERCURY 100 Серийный номер от 1B227000 до 1B366822
Корпус редуктора (карданный вал) (Передаточное число 2,33:1) 4-Х ТАКТНОГО ПЛМ MERCURY 100 Серийный номер от 1B227000 до 1B366822
Корпус редуктора (приводной вал) (Передаточное число 2,33:1) 4-Х ТАКТНОГО ПЛМ MERCURY 100 Серийный номер от 1B227000 до 1B366822
Кронштейн транца 4-Х ТАКТНОГО ПЛМ MERCURY 100 Серийный номер от 1B227000 до 1B366822
Масляный насос 4-Х ТАКТНОГО ПЛМ MERCURY 100 Серийный номер от 1B227000 до 1B366822
Маховик 4-Х ТАКТНОГО ПЛМ MERCURY 100 Серийный номер от 1B227000 до 1B366822
Низ капота 4-Х ТАКТНОГО ПЛМ MERCURY 100 Серийный номер от 1B227000 до 1B366822
Паросепаратор (Часть 1) 4-Х ТАКТНОГО ПЛМ MERCURY 100 Серийный номер от 1B227000 до 1B366822
Паросепаратор (Часть 2) 4-Х ТАКТНОГО ПЛМ MERCURY 100 Серийный номер от 1B227000 до 1B366822
Поворотный кронштейн и рулевой рычаг 4-Х ТАКТНОГО ПЛМ MERCURY 100 Серийный номер от 1B227000 до 1B366822
Рукоятка рулевого управления 4-Х ТАКТНОГО ПЛМ MERCURY 100 Серийный номер от 1B227000 до 1B366822
Рычаг дроссельной заслонки 4-Х ТАКТНОГО ПЛМ MERCURY 100 Серийный номер от 1B227000 до 1B366822
Стартер 4-Х ТАКТНОГО ПЛМ MERCURY 100 Серийный номер от 1B227000 до 1B366822
Топливный насос 4-Х ТАКТНОГО ПЛМ MERCURY 100 Серийный номер от 1B227000 до 1B366822
Топливный шланг 4-Х ТАКТНОГО ПЛМ MERCURY 100 Серийный номер от 1B227000 до 1B366822
Электрические компоненты, жгут проводов двигателя 4-Х ТАКТНОГО ПЛМ MERCURY 100 Серийный номер от 1B227000 до 1B366822
Электрические компоненты, катушка зажигания и ЭБУ 4-Х ТАКТНОГО ПЛМ MERCURY 100 Серийный номер от 1B227000 до 1B366822
Электрические компоненты, реле 4-Х ТАКТНОГО ПЛМ MERCURY 100 Серийный номер от 1B227000 до 1B366822
Запчасти для 4-х тактного ПЛМ MERCURY 115 Серийный номер от 01B366823 и выше
Coastal Flush Kit, Outboard 4-Х ТАКТНОГО ПЛМ MERCURY 115 Серийный номер от 01B366823 и выше
Аксессуары 4-Х ТАКТНОГО ПЛМ MERCURY 115 Серийный номер от 01B366823 и выше
Блок цилиндров 4-Х ТАКТНОГО ПЛМ MERCURY 115 Серийный номер от 01B366823 и выше
Верх капота 4-Х ТАКТНОГО ПЛМ MERCURY 115 Серийный номер от 01B366823 и выше
Встроенный воздушный топливный модуль 4-Х ТАКТНОГО ПЛМ MERCURY 115 Серийный номер от 01B366823 и выше
Головка цилиндра и распределительный вал 4-Х ТАКТНОГО ПЛМ MERCURY 115 Серийный номер от 01B366823 и выше
Инструменты 4-Х ТАКТНОГО ПЛМ MERCURY 115 Серийный номер от 01B366823 и выше
Коленвал, поршни и шатуны 4-Х ТАКТНОГО ПЛМ MERCURY 115 Серийный номер от 01B366823 и выше
Комплект прокладок 4-Х ТАКТНОГО ПЛМ MERCURY 115 Серийный номер от 01B366823 и выше
Компонент электрической платы, S/N 1B723942 и ниже 4-Х ТАКТНОГО ПЛМ MERCURY 115 Серийный номер от 01B366823 и выше
Компонент электрической платы, S/N 1B723943 и выше 4-Х ТАКТНОГО ПЛМ MERCURY 115 Серийный номер от 01B366823 и выше
Компоненты блока цилиндров 4-Х ТАКТНОГО ПЛМ MERCURY 115 Серийный номер от 01B366823 и выше
Компоненты встроенного воздушного топливного модуля 4-Х ТАКТНОГО ПЛМ MERCURY 115 Серийный номер от 01B366823 и выше
Компоненты гидроподъема 4-Х ТАКТНОГО ПЛМ MERCURY 115 Серийный номер от 01B366823 и выше
Компоненты румпеля, 816366A52 (Часть 1) 4-Х ТАКТНОГО ПЛМ MERCURY 115 Серийный номер от 01B366823 и выше
Компоненты румпеля, 816366A52 (Часть 2) 4-Х ТАКТНОГО ПЛМ MERCURY 115 Серийный номер от 01B366823 и выше
Корпус карданного вала 4-Х ТАКТНОГО ПЛМ MERCURY 115 Серийный номер от 01B366823 и выше
Корпус шестерни, карданный вал 4-Х ТАКТНОГО ПЛМ MERCURY 115 Серийный номер от 01B366823 и выше
Корпус шестерни, приводной вал 4-Х ТАКТНОГО ПЛМ MERCURY 115 Серийный номер от 01B366823 и выше
Крепление модуля подачи топлива 4-Х ТАКТНОГО ПЛМ MERCURY 115 Серийный номер от 01B366823 и выше
Кронштейн в сборе, дроссель 4-Х ТАКТНОГО ПЛМ MERCURY 115 Серийный номер от 01B366823 и выше
Кронштейн транца 4-Х ТАКТНОГО ПЛМ MERCURY 115 Серийный номер от 01B366823 и выше
Масляный насос 4-Х ТАКТНОГО ПЛМ MERCURY 115 Серийный номер от 01B366823 и выше
Модуль подачи топлива 4-Х ТАКТНОГО ПЛМ MERCURY 115 Серийный номер от 01B366823 и выше
Низ капота 4-Х ТАКТНОГО ПЛМ MERCURY 115 Серийный номер от 01B366823 и выше
Переходная пластина 4-Х ТАКТНОГО ПЛМ MERCURY 115 Серийный номер от 01B366823 и выше
Поворотный кронштейн 4-Х ТАКТНОГО ПЛМ MERCURY 115 Серийный номер от 01B366823 и выше
Стартер, 1B759587 и ниже 4-Х ТАКТНОГО ПЛМ MERCURY 115 Серийный номер от 01B366823 и выше
Стартер, 1B759588 и выше 4-Х ТАКТНОГО ПЛМ MERCURY 115 Серийный номер от 01B366823 и выше
Удлинительный комплект-5 дюймов, корпус карданного вала 12092A19 4-Х ТАКТНОГО ПЛМ MERCURY 115 Серийный номер от 01B366823 и выше
Шланги модуля подачи топлива 4-Х ТАКТНОГО ПЛМ MERCURY 115 Серийный номер от 01B366823 и выше
Электрические компоненты 4-Х ТАКТНОГО ПЛМ MERCURY 115 Серийный номер от 01B366823 и выше
Запчасти для 4-х тактного ПЛМ MERCURY 115 Серийный номер от 0T178500 до 0T800999
Блок цилиндров 4-Х ТАКТНОГО ПЛМ MERCURY 115 Серийный номер от 0T178500 до 0T800999
Верх капота 4-Х ТАКТНОГО ПЛМ MERCURY 115 Серийный номер от 0T178500 до 0T800999
Впускной коллектор 4-Х ТАКТНОГО ПЛМ MERCURY 115 Серийный номер от 0T178500 до 0T800999
Впускные и выпускные клапаны 4-Х ТАКТНОГО ПЛМ MERCURY 115 Серийный номер от 0T178500 до 0T800999
Выхлопная труба 4-Х ТАКТНОГО ПЛМ MERCURY 115 Серийный номер от 0T178500 до 0T800999
Глушитель шума впуска 4-Х ТАКТНОГО ПЛМ MERCURY 115 Серийный номер от 0T178500 до 0T800999
Головка цилиндра 4-Х ТАКТНОГО ПЛМ MERCURY 115 Серийный номер от 0T178500 до 0T800999
Датчики 4-Х ТАКТНОГО ПЛМ MERCURY 115 Серийный номер от 0T178500 до 0T800999
Дроссель и рычаг 4-Х ТАКТНОГО ПЛМ MERCURY 115 Серийный номер от 0T178500 до 0T800999
Инструменты (Часть 1) 4-Х ТАКТНОГО ПЛМ MERCURY 115 Серийный номер от 0T178500 до 0T800999
Инструменты (Часть 2) 4-Х ТАКТНОГО ПЛМ MERCURY 115 Серийный номер от 0T178500 до 0T800999
Ключи замка зажигания 4-Х ТАКТНОГО ПЛМ MERCURY 115 Серийный номер от 0T178500 до 0T800999
Коленвал, поршни и шатуны 4-Х ТАКТНОГО ПЛМ MERCURY 115 Серийный номер от 0T178500 до 0T800999
Компоненты гидроподъема 4-Х ТАКТНОГО ПЛМ MERCURY 115 Серийный номер от 0T178500 до 0T800999
Компоненты зажигания 4-Х ТАКТНОГО ПЛМ MERCURY 115 Серийный номер от 0T178500 до 0T800999
Компоненты набора рукоятки рулевого управления 4-Х ТАКТНОГО ПЛМ MERCURY 115 Серийный номер от 0T178500 до 0T800999
Корпус карданного вала 4-Х ТАКТНОГО ПЛМ MERCURY 115 Серийный номер от 0T178500 до 0T800999
Корпус шестерни, карданный вал(2.07:1) (S/N-0T590053 и ниже) 4-Х ТАКТНОГО ПЛМ MERCURY 115 Серийный номер от 0T178500 до 0T800999
Корпус шестерни, карданный вал(2.07:1) (S/N-0T590054 и выше) 4-Х ТАКТНОГО ПЛМ MERCURY 115 Серийный номер от 0T178500 до 0T800999
Корпус шестерни, приводной вал(2.07:1) (S/N-00T590053 и ниже) 4-Х ТАКТНОГО ПЛМ MERCURY 115 Серийный номер от 0T178500 до 0T800999
Корпус шестерни, приводной вал(2.07:1) (S/N-00T590054 и выше) 4-Х ТАКТНОГО ПЛМ MERCURY 115 Серийный номер от 0T178500 до 0T800999
Кронштейн транца 4-Х ТАКТНОГО ПЛМ MERCURY 115 Серийный номер от 0T178500 до 0T800999
Масляный насос 4-Х ТАКТНОГО ПЛМ MERCURY 115 Серийный номер от 0T178500 до 0T800999
Маховик 4-Х ТАКТНОГО ПЛМ MERCURY 115 Серийный номер от 0T178500 до 0T800999
Набор рукоятки рулевого управления 4-Х ТАКТНОГО ПЛМ MERCURY 115 Серийный номер от 0T178500 до 0T800999
Низ капота 4-Х ТАКТНОГО ПЛМ MERCURY 115 Серийный номер от 0T178500 до 0T800999
Поворотный кронштейн и рулевой рычаг 4-Х ТАКТНОГО ПЛМ MERCURY 115 Серийный номер от 0T178500 до 0T800999
Стартер 4-Х ТАКТНОГО ПЛМ MERCURY 115 Серийный номер от 0T178500 до 0T800999
Топливный насос (Часть 1) 4-Х ТАКТНОГО ПЛМ MERCURY 115 Серийный номер от 0T178500 до 0T800999
Топливный насос (Часть 2) 4-Х ТАКТНОГО ПЛМ MERCURY 115 Серийный номер от 0T178500 до 0T800999
Форсунка для впрыска топлива 4-Х ТАКТНОГО ПЛМ MERCURY 115 Серийный номер от 0T178500 до 0T800999
Электрические компоненты 4-Х ТАКТНОГО ПЛМ MERCURY 115 Серийный номер от 0T178500 до 0T800999
Запчасти для 4-х тактного ПЛМ MERCURY 15 Carb(2CYL) Серийный номер от 0R235949 и выше
Power Tilt 4-Х ТАКТНОГО ПЛМ MERCURY 15 Carb(2CYL) Серийный номер от 0R235949 и выше
Shift , Manual 4-Х ТАКТНОГО ПЛМ MERCURY 15 Carb(2CYL) Серийный номер от 0R235949 и выше
Shift, Electric 4-Х ТАКТНОГО ПЛМ MERCURY 15 Carb(2CYL) Серийный номер от 0R235949 и выше
Аксессуары 4-Х ТАКТНОГО ПЛМ MERCURY 15 Carb(2CYL) Серийный номер от 0R235949 и выше
Блок цилиндров 4-Х ТАКТНОГО ПЛМ MERCURY 15 Carb(2CYL) Серийный номер от 0R235949 и выше
Верх капота 4-Х ТАКТНОГО ПЛМ MERCURY 15 Carb(2CYL) Серийный номер от 0R235949 и выше
Впускной коллектор и топливный насос 4-Х ТАКТНОГО ПЛМ MERCURY 15 Carb(2CYL) Серийный номер от 0R235949 и выше
Впускные, выпускные клапаны 4-Х ТАКТНОГО ПЛМ MERCURY 15 Carb(2CYL) Серийный номер от 0R235949 и выше
Головка цилиндра 4-Х ТАКТНОГО ПЛМ MERCURY 15 Carb(2CYL) Серийный номер от 0R235949 и выше
Зажимные Кронштейны, Manual Tilt 4-Х ТАКТНОГО ПЛМ MERCURY 15 Carb(2CYL) Серийный номер от 0R235949 и выше
Зажимные кронштейны, Power Tilt 4-Х ТАКТНОГО ПЛМ MERCURY 15 Carb(2CYL) Серийный номер от 0R235949 и выше
Инструменты 4-Х ТАКТНОГО ПЛМ MERCURY 15 Carb(2CYL) Серийный номер от 0R235949 и выше
Карбюратор 4-Х ТАКТНОГО ПЛМ MERCURY 15 Carb(2CYL) Серийный номер от 0R235949 и выше
Коленвал и масляный насос 4-Х ТАКТНОГО ПЛМ MERCURY 15 Carb(2CYL) Серийный номер от 0R235949 и выше
Коленвал, поршни и шатуны 4-Х ТАКТНОГО ПЛМ MERCURY 15 Carb(2CYL) Серийный номер от 0R235949 и выше
Комплект для преобразования рукоятки румпеля, электрический - 8M0051059 4-Х ТАКТНОГО ПЛМ MERCURY 15 Carb(2CYL) Серийный номер от 0R235949 и выше
Комплект для преобразования рукоятки румпеля, электрический - 8M0051060 4-Х ТАКТНОГО ПЛМ MERCURY 15 Carb(2CYL) Серийный номер от 0R235949 и выше
Комплект прокладок 4-Х ТАКТНОГО ПЛМ MERCURY 15 Carb(2CYL) Серийный номер от 0R235949 и выше
Компоненты стартера 4-Х ТАКТНОГО ПЛМ MERCURY 15 Carb(2CYL) Серийный номер от 0R235949 и выше
Корпус карданного вала 4-Х ТАКТНОГО ПЛМ MERCURY 15 Carb(2CYL) Серийный номер от 0R235949 и выше
Корпус шестерни, карданный вал 4-Х ТАКТНОГО ПЛМ MERCURY 15 Carb(2CYL) Серийный номер от 0R235949 и выше
Корпус шестерни, приводной вал 4-Х ТАКТНОГО ПЛМ MERCURY 15 Carb(2CYL) Серийный номер от 0R235949 и выше
Маховик / Катушка зажигания 4-Х ТАКТНОГО ПЛМ MERCURY 15 Carb(2CYL) Серийный номер от 0R235949 и выше
Низ капота 4-Х ТАКТНОГО ПЛМ MERCURY 15 Carb(2CYL) Серийный номер от 0R235949 и выше
Рукоятка румпеля 4-Х ТАКТНОГО ПЛМ MERCURY 15 Carb(2CYL) Серийный номер от 0R235949 и выше
Рулевой рычаг / поворотный кронштейн, Manual Tilt 4-Х ТАКТНОГО ПЛМ MERCURY 15 Carb(2CYL) Серийный номер от 0R235949 и выше
Ручной стартер 4-Х ТАКТНОГО ПЛМ MERCURY 15 Carb(2CYL) Серийный номер от 0R235949 и выше
Электрические компоненты, выпрямитель 4-Х ТАКТНОГО ПЛМ MERCURY 15 Carb(2CYL) Серийный номер от 0R235949 и выше
Электрические компоненты, стартер и соленоиды 4-Х ТАКТНОГО ПЛМ MERCURY 15 Carb(2CYL) Серийный номер от 0R235949 и выше
Запчасти для 4-х тактного ПЛМ MERCURY 60 Серийный номер от 0P515897 и выше
Jet Unit 4-Х ТАКТНОГО ПЛМ MERCURY 60 Серийный номер от 0P515897 и выше
Manual Tilt Components 4-Х ТАКТНОГО ПЛМ MERCURY 60 Серийный номер от 0P515897 и выше
Shift Linkage, Remote 4-Х ТАКТНОГО ПЛМ MERCURY 60 Серийный номер от 0P515897 и выше
Shift Linkage, Tiller 4-Х ТАКТНОГО ПЛМ MERCURY 60 Серийный номер от 0P515897 и выше
Аксессуары 4-Х ТАКТНОГО ПЛМ MERCURY 60 Серийный номер от 0P515897 и выше
Блок цилиндров и картер 4-Х ТАКТНОГО ПЛМ MERCURY 60 Серийный номер от 0P515897 и выше
Верх капота 4-Х ТАКТНОГО ПЛМ MERCURY 60 Серийный номер от 0P515897 и выше
Впускной коллектор 4-Х ТАКТНОГО ПЛМ MERCURY 60 Серийный номер от 0P515897 и выше
Впускные, выпускные клапаны 4-Х ТАКТНОГО ПЛМ MERCURY 60 Серийный номер от 0P515897 и выше
Гидроподъем 4-Х ТАКТНОГО ПЛМ MERCURY 60 Серийный номер от 0P515897 и выше
Головка цилиндра 4-Х ТАКТНОГО ПЛМ MERCURY 60 Серийный номер от 0P515897 и выше
Дроссельная тяга, Jet 4-Х ТАКТНОГО ПЛМ MERCURY 60 Серийный номер от 0P515897 и выше
Дроссельная тяга, дистанция 4-Х ТАКТНОГО ПЛМ MERCURY 60 Серийный номер от 0P515897 и выше
Дроссельная тяга, румпель 4-Х ТАКТНОГО ПЛМ MERCURY 60 Серийный номер от 0P515897 и выше
Инструменты (Часть 1) 4-Х ТАКТНОГО ПЛМ MERCURY 60 Серийный номер от 0P515897 и выше
Инструменты (Часть 2) 4-Х ТАКТНОГО ПЛМ MERCURY 60 Серийный номер от 0P515897 и выше
Инструменты (Часть 3) 4-Х ТАКТНОГО ПЛМ MERCURY 60 Серийный номер от 0P515897 и выше
Катушка зажигания 1C104423/0P560349 и ниже 4-Х ТАКТНОГО ПЛМ MERCURY 60 Серийный номер от 0P515897 и выше
Катушка зажигания 1C104424/0P560350 и выше 4-Х ТАКТНОГО ПЛМ MERCURY 60 Серийный номер от 0P515897 и выше
Коленвал, поршни и шатуны 4-Х ТАКТНОГО ПЛМ MERCURY 60 Серийный номер от 0P515897 и выше
Комплект удлинителей - 2,5 дюйма, корпус карданного вала(879150A88) 4-Х ТАКТНОГО ПЛМ MERCURY 60 Серийный номер от 0P515897 и выше
Комплект удлинителей - 5 дюймов, корпус карданного вала(12092A20) 4-Х ТАКТНОГО ПЛМ MERCURY 60 Серийный номер от 0P515897 и выше
Комплект удлинителей - корпус карданного вала 12092A20 - Bigfoot 4-Х ТАКТНОГО ПЛМ MERCURY 60 Серийный номер от 0P515897 и выше
Компоненты водяной помпы 4-Х ТАКТНОГО ПЛМ MERCURY 60 Серийный номер от 0P515897 и выше
Компоненты гидроподъема 4-Х ТАКТНОГО ПЛМ MERCURY 60 Серийный номер от 0P515897 и выше
Корпус карданного вала 4-Х ТАКТНОГО ПЛМ MERCURY 60 Серийный номер от 0P515897 и выше
Корпус редуктора, карданный вал - Передаточное число 1.83:1 4-Х ТАКТНОГО ПЛМ MERCURY 60 Серийный номер от 0P515897 и выше
Корпус редуктора, карданный вал - Передаточное число 2.33:1 4-Х ТАКТНОГО ПЛМ MERCURY 60 Серийный номер от 0P515897 и выше
Корпус редуктора, приводной вал - Передаточное число 1,83: 1 4-Х ТАКТНОГО ПЛМ MERCURY 60 Серийный номер от 0P515897 и выше
Корпус редуктора, приводной вал - Передаточное число 2.33:1 4-Х ТАКТНОГО ПЛМ MERCURY 60 Серийный номер от 0P515897 и выше
Кронштейн транца 4-Х ТАКТНОГО ПЛМ MERCURY 60 Серийный номер от 0P515897 и выше
Масляный насос распредвала 4-Х ТАКТНОГО ПЛМ MERCURY 60 Серийный номер от 0P515897 и выше
Маховик 4-Х ТАКТНОГО ПЛМ MERCURY 60 Серийный номер от 0P515897 и выше
Набор ключей, дросселей и рупоров, 15000A14 4-Х ТАКТНОГО ПЛМ MERCURY 60 Серийный номер от 0P515897 и выше
Набор прокладок 4-Х ТАКТНОГО ПЛМ MERCURY 60 Серийный номер от 0P515897 и выше
Низ капота 4-Х ТАКТНОГО ПЛМ MERCURY 60 Серийный номер от 0P515897 и выше
Паросепаратор 4-Х ТАКТНОГО ПЛМ MERCURY 60 Серийный номер от 0P515897 и выше
Переходная пластина 4-Х ТАКТНОГО ПЛМ MERCURY 60 Серийный номер от 0P515897 и выше
Поворотный кронштейн 4-Х ТАКТНОГО ПЛМ MERCURY 60 Серийный номер от 0P515897 и выше
Рукоятка рулевого управления 4-Х ТАКТНОГО ПЛМ MERCURY 60 Серийный номер от 0P515897 и выше
Рукоятка румпеля 4-Х ТАКТНОГО ПЛМ MERCURY 60 Серийный номер от 0P515897 и выше
Топливные шланги 4-Х ТАКТНОГО ПЛМ MERCURY 60 Серийный номер от 0P515897 и выше
Топливный насос 4-Х ТАКТНОГО ПЛМ MERCURY 60 Серийный номер от 0P515897 и выше
Электрические компоненты(1C104423/0P560349 и ниже) 4-Х ТАКТНОГО ПЛМ MERCURY 60 Серийный номер от 0P515897 и выше
Электрические компоненты(1C104424/0P560350 и выше) 4-Х ТАКТНОГО ПЛМ MERCURY 60 Серийный номер от 0P515897 и выше
Запчасти для подвесных лодочных моторов MARLIN
Запчасти для 2-х тактного ПЛМ MARLIN 3F
Двигатель 2-х тактного ПЛМ MARLIN 3F
Дейдвуд 2-х тактного ПЛМ MARLIN 3F
Колпак 2-х тактного ПЛМ MARLIN 3F
Нижний корпус 2-х тактного ПЛМ MARLIN 3F
Поршневая 2-х тактного ПЛМ MARLIN 3F
Редуктор 2-х тактного ПЛМ MARLIN 3F
Румпель 2-х тактного ПЛМ MARLIN 3F
Стартер 2-х тактного ПЛМ MARLIN 3F
Струбцина 2-х тактного ПЛМ MARLIN 3F
Электрика 2-х тактного ПЛМ MARLIN 3F
Запчасти для 2-х тактного ПЛМ MARLIN 3,5F
Двигатель 2-х тактного ПЛМ MARLIN 3,5F
Дейдвуд+румпель 2-х тактного ПЛМ MARLIN 3,5F
Колпак 2-х тактного ПЛМ MARLIN 3,5F
Нижний корпус 2-х тактного ПЛМ MARLIN 3,5F
Редуктор 2-х тактного ПЛМ MARLIN 3,5F
Стартер 2-х тактного ПЛМ MARLIN 3,5F
Струбцина 2-х тактного ПЛМ MARLIN 3,5F
Электрика 2-х тактного ПЛМ MARLIN 3,5F
Запчасти для 2-х тактного ПЛМ MARLIN 4F
Двигатель (NEW) 2-х тактного ПЛМ MARLIN 4F
Дейдвуд+румпель (NEW) 2-х тактного ПЛМ MARLIN 4F
Колпак 2-х тактного ПЛМ MARLIN 4F
Нижний корпус (NEW) 2-х тактного ПЛМ MARLIN 4F
Редуктор (NEW) 2-х тактного ПЛМ MARLIN 4F
Стартер 2-х тактного ПЛМ MARLIN 4F
Струбцина 2-х тактного ПЛМ MARLIN 4F
Электрика 2-х тактного ПЛМ MARLIN 4F
Запчасти для 2-х тактного ПЛМ MARLIN 5F
Двигатель 2-х тактного ПЛМ MARLIN 5F
Дейдвуд 2-х тактного ПЛМ MARLIN 5F
Колпак 2-х тактного ПЛМ MARLIN 5F
Нижний корпус 2-х тактного ПЛМ MARLIN 5F
Поршневая 2-х тактного ПЛМ MARLIN 5F
Редуктор 2-х тактного ПЛМ MARLIN 5F
Румпель 2-х тактного ПЛМ MARLIN 5F
Стартер 2-х тактного ПЛМ MARLIN 5F
Струбцина 2-х тактного ПЛМ MARLIN 5F
Электрика 2-х тактного ПЛМ MARLIN 5F
Запчасти для 2-х тактного ПЛМ MARLIN 9,8F
Двигатель 2-х тактного ПЛМ MARLIN 9,8FВИГАТЕЛЬ
Дейдвуд 2-х тактного ПЛМ MARLIN 9,8F
Колпак 2-х тактного ПЛМ MARLIN 9,8F
Нижний корпус 2-х тактного ПЛМ MARLIN 9,8F
Поршневая 2-х тактного ПЛМ MARLIN 9,8F
Редуктор 2-х тактного ПЛМ MARLIN 9,8F
Румпель 2-х тактного ПЛМ MARLIN 9,8F
Стартер 2-х тактного ПЛМ MARLIN 9,8F
Струбцина 2-х тактного ПЛМ MARLIN 9,8F
Электрика 2-х тактного ПЛМ MARLIN 9,8F
Запчасти для 2-х тактного ПЛМ MARLIN 15F
Двигатель 2-х тактного ПЛМ MARLIN 15F
Дейдвуд 2-х тактного ПЛМ MARLIN 15F
Колпак 2-х тактного ПЛМ MARLIN 15F
Нижний корпус2-х тактного ПЛМ MARLIN 15F
Поршневая группа 2-х тактного ПЛМ MARLIN 15F
Редуктор 2-х тактного ПЛМ MARLIN 15F
Румпель 2-х тактного ПЛМ MARLIN 15F
Стартер 2-х тактного ПЛМ MARLIN 15F
Струбцина 2-х тактного ПЛМ MARLIN 15F (часть 1)
Струбцина 2-х тактного ПЛМ MARLIN 15F(часть 2)
Топливный бак 2-х тактного ПЛМ MARLIN 15F
Узлы в сборе 2-х тактного ПЛМ MARLIN 15F
Электрика 2-х тактного ПЛМ MARLIN 15F
Запчасти для 2-х тактного ПЛМ MARLIN 20F
Двигатель 1 (дистанция) 2-х тактного ПЛМ MARLIN 20F
Двигатель 2 (дистанция) 2-х тактного ПЛМ MARLIN 20F
Двигатель 2-х тактного ПЛМ MARLIN 20F
Колпак 2-х тактного ПЛМ MARLIN 20F
Нижний корпус (дистанция) 2-х тактного ПЛМ MARLIN 20F
Нижний корпус 2-х тактного ПЛМ MARLIN 20F
Поршневая 2-х тактного ПЛМ MARLIN 20F
Редуктор 2-х тактного ПЛМ MARLIN 20F
Румпель 2-х тактного ПЛМ MARLIN 20F
Стартер 2-х тактного ПЛМ MARLIN 20F
Струбцина (дистанция) 2-х тактного ПЛМ MARLIN 20F
Струбцина 2-х тактного ПЛМ MARLIN 20F
Топливный бак 2-х тактного ПЛМ MARLIN 20F
Электрика 2-х тактного ПЛМ MARLIN 20F
Запчасти для 2-х тактного ПЛМ MARLIN 30F
Двигатель (дистанция) 2-х тактного ПЛМ MARLIN 30F
Двигатель 2-х тактного ПЛМ MARLIN 30F
Дейдвуд 2-х тактного ПЛМ MARLIN 30F
Карбюратор (дистанция) 2-х тактного ПЛМ MARLIN 30F
Карбюратор 2-х тактного ПЛМ MARLIN 30F
Колпак 2-х тактного ПЛМ MARLIN 30F
Маховик 2-х тактного ПЛМ MARLIN 30F
Поддон (дистанция) 2-х тактного ПЛМ MARLIN 30F
Поддон 2-х тактного ПЛМ MARLIN 30F
Поршневая 2-х тактного ПЛМ MARLIN 30F
Прокладка базы двигателя 2-х тактного ПЛМ MARLIN 30F
Редуктор 2-х тактного ПЛМ MARLIN 30F
Румпель 2-х тактного ПЛМ MARLIN 30F
Система переключения 2-х тактного ПЛМ MARLIN 30F
Стартер 2-х тактного ПЛМ MARLIN 30F
Струбцина 2-х тактного ПЛМ MARLIN 30F
Электрика 2-х тактного ПЛМ MARLIN 30F
Запчасти для 2-х тактного ПЛМ MARLIN 40F
База двигателя (дистанция) 2-х тактного ПЛМ MARLIN 40F
База двигателя 2-х тактного ПЛМ MARLIN 40F
Двигатель (дистанция) 2-х тактного ПЛМ MARLIN 40F
Двигатель 2-х тактного ПЛМ MARLIN 40F
Дейдвуд 2-х тактного ПЛМ MARLIN 40F
Коленчатый вал 2-х тактного ПЛМ MARLIN 40F
Колпак 2-х тактного ПЛМ MARLIN 40F
Кронштейн 2-х тактного ПЛМ MARLIN 40F
Редуктор 2-х тактного ПЛМ MARLIN 40F
Румпель 2-х тактного ПЛМ MARLIN 40F
Стартер (ручной) 2-х тактного ПЛМ MARLIN 40F
Струбцина 2-х тактного ПЛМ MARLIN 40F
Запчасти для 2-х тактного ПЛМ MARLIN MP 9.9(15) AMHS(L)
Верхний кожух ПЛМ MARLIN MP 9.9(15) AMHS(L)
Водные части ПЛМ MARLIN MP 9.9(15) AMHS(L)
Детали рулевого управления ПЛМ MARLIN MP 9.9(15) AMHS(L)
Зажимные детали ПЛМ MARLIN MP 9.9(15) AMHS(L)
Картер коленчатого вала ПЛМ MARLIN MP 9.9(15) AMHS(L)
Коробка передач ПЛМ MARLIN MP 9.9(15) AMHS(L)
Крышка стартера в сборе ПЛМ MARLIN MP 9.9(15) AMHS(L)
Основание двигателя ПЛМ MARLIN MP 9.9(15) AMHS(L)
Основная сборка ПЛМ MARLIN MP 9.9(15) AMHS(L)
Поворотный кронштейн и рулевое управление ПЛМ MARLIN MP 9.9(15) AMHS(L)
Проводка ПЛМ MARLIN MP 9.9(15) AMHS(L)
Сборка кривошипа и штока ПЛМ MARLIN MP 9.9(15) AMHS(L)
Система впуска ПЛМ MARLIN MP 9.9(15) AMHS(L)
Топливная система ПЛМ MARLIN MP 9.9(15) AMHS(L)
Запчасти для подвесных лодочных моторов PARSUN
Запчасти для 2-х тактного ПЛМ PARSUN T3.5BM
Двигатель 2-Х ТАКТНОГО ПЛМ PARSUN T3.5BM
Дейдвуд 2-Х ТАКТНОГО ПЛМ PARSUN T3.5BM
Поддон 2-Х ТАКТНОГО ПЛМ PARSUN T3.5BM
Поршневая 2-Х ТАКТНОГО ПЛМ PARSUN T3.5BM
Редуктор 2-Х ТАКТНОГО ПЛМ PARSUN T3.5BM
Румпель 2-Х ТАКТНОГО ПЛМ PARSUN T3.5BM
Стартер 2-Х ТАКТНОГО ПЛМ PARSUN T3.5BM
Струбцина 2-Х ТАКТНОГО ПЛМ PARSUN T3.5BM
Узел в сборе 2-Х ТАКТНОГО ПЛМ PARSUN T3.5BM
Запчасти для 2-х тактного ПЛМ PARSUN T5BM
Двигатель 2-Х ТАКТНОГО ПЛМ PARSUN T5BM
Дейдвуд 2-Х ТАКТНОГО ПЛМ PARSUN T5BM
Колпак 2-Х ТАКТНОГО ПЛМ PARSUN T5BM
Кронштейн 2-Х ТАКТНОГО ПЛМ PARSUN T5BM
Маховик 2-Х ТАКТНОГО ПЛМ PARSUN T5BM
Поддон 2-Х ТАКТНОГО ПЛМ PARSUN T5BM
Поршневая 2-Х ТАКТНОГО ПЛМ PARSUN T5BM
Редуктор 2-Х ТАКТНОГО ПЛМ PARSUN T5BM
Румпель 2-Х ТАКТНОГО ПЛМ PARSUN T5BM
Узлы в сборе 2-Х ТАКТНОГО ПЛМ PARSUN T5BM
Запчасти для 2-х тактного ПЛМ PARSUN T8BM
Двигатель 2-Х ТАКТНОГО ПЛМ PARSUN T8BM
Дейдвуд 2-Х ТАКТНОГО ПЛМ PARSUN T8BM
Колпак 2-Х ТАКТНОГО ПЛМ PARSUN T8BM
Кронштейн 2-Х ТАКТНОГО ПЛМ PARSUN T8BM
Поддон 2-Х ТАКТНОГО ПЛМ PARSUN T8BM
Поршневая 2-Х ТАКТНОГО ПЛМ PARSUN T8BM
Редуктор 2-Х ТАКТНОГО ПЛМ PARSUN T8BM
Румпель 2-Х ТАКТНОГО ПЛМ PARSUN T8BM
Стартер 2-Х ТАКТНОГО ПЛМ PARSUN T8BM
Запчасти для 2-х тактного ПЛМ PARSUN T9.8BM
Двигатель 2-Х ТАКТНОГО ПЛМ PARSUN T9.8BM
Дейдвуд 2-Х ТАКТНОГО ПЛМ PARSUN T9.8BM
Колпак 2-Х ТАКТНОГО ПЛМ PARSUN T9.8BM
Кронштейн 2-Х ТАКТНОГО ПЛМ PARSUN T9.8BM
Поддон 2-Х ТАКТНОГО ПЛМ PARSUN T9.8BM
Поршневая 2-Х ТАКТНОГО ПЛМ PARSUN T9.8BM
Редуктор 2-Х ТАКТНОГО ПЛМ PARSUN T9.8BM
Румпель 2-Х ТАКТНОГО ПЛМ PARSUN T9.8BM
Стартер 2-Х ТАКТНОГО ПЛМ PARSUN T9.8BM
Запчасти для 2-х тактного ПЛМ PARSUN T9.9BM LIGHT
Двигатель 2-Х ТАКТНОГО ПЛМ PARSUN T9.9BM LIGHT
Дейдвуд 2-Х ТАКТНОГО ПЛМ PARSUN T9.9BM LIGHT
Колпак 2-Х ТАКТНОГО ПЛМ PARSUN T9.9BM LIGHT
Кронштейн 2-Х ТАКТНОГО ПЛМ PARSUN T9.9BM LIGHT
Поддон 2-Х ТАКТНОГО ПЛМ PARSUN T9.9BM LIGHT
Поршневая 2-Х ТАКТНОГО ПЛМ PARSUN T9.9BM LIGHT
Редуктор 2-Х ТАКТНОГО ПЛМ PARSUN T9.9BM LIGHT
Румпель 2-Х ТАКТНОГО ПЛМ PARSUN T9.9BM LIGHT
Стартер 2-Х ТАКТНОГО ПЛМ PARSUN T9.9BM LIGHT
Запчасти для 2-х тактного ПЛМ PARSUN T9.9BM
Двигатель 2-Х ТАКТНОГО ПЛМ PARSUN T9.9BM
Дейдвуд 2-Х ТАКТНОГО ПЛМ PARSUN T9.9BM
Колпак 2-Х ТАКТНОГО ПЛМ PARSUN T9.9BM
Кронштейн 2-Х ТАКТНОГО ПЛМ PARSUN T9.9BM
Поддон 2-Х ТАКТНОГО ПЛМ PARSUN T9.9BM
Поршневая 2-Х ТАКТНОГО ПЛМ PARSUN T9.9BM
Редуктор 2-Х ТАКТНОГО ПЛМ PARSUN T9.9BM
Румпель 2-Х ТАКТНОГО ПЛМ PARSUN T9.9BM
Стартер 2-Х ТАКТНОГО ПЛМ PARSUN T9.9BM
Струбцина 2-Х ТАКТНОГО ПЛМ PARSUN T9.9BM
Запчасти для 2-х тактного ПЛМ PARSUN T15BM
Двигатель 2-Х ТАКТНОГО ПЛМ PARSUN T15BM
Дейдвуд 2-Х ТАКТНОГО ПЛМ PARSUN T15BM
Колпак 2-Х ТАКТНОГО ПЛМ PARSUN T15BM
Кронштейн 2-Х ТАКТНОГО ПЛМ PARSUN T15BM
Поддон 2-Х ТАКТНОГО ПЛМ PARSUN T15BM
Поршневая 2-Х ТАКТНОГО ПЛМ PARSUN T15BM
Редуктор 2-Х ТАКТНОГО ПЛМ PARSUN T15BM
Румпель 2-Х ТАКТНОГО ПЛМ PARSUN T15BM
Стартер 2-Х ТАКТНОГО ПЛМ PARSUN T15BM
Струбцина 2-Х ТАКТНОГО ПЛМ PARSUN T15BM
Запчасти для 2-х тактного ПЛМ PARSUN T18BM
Двигатель 2-Х ТАКТНОГО ПЛМ PARSUN T18BM
Дейдвуд 2-Х ТАКТНОГО ПЛМ PARSUN T18BM
Колпак 2-Х ТАКТНОГО ПЛМ PARSUN T18BM
Кронштейн 2-Х ТАКТНОГО ПЛМ PARSUN T18BM
Поддон 2-Х ТАКТНОГО ПЛМ PARSUN T18BM
Поршневая 2-Х ТАКТНОГО ПЛМ PARSUN T18BM
Редуктор 2-Х ТАКТНОГО ПЛМ PARSUN T18BM
Румпель 2-Х ТАКТНОГО ПЛМ PARSUN T18BM
Стартер 2-Х ТАКТНОГО ПЛМ PARSUN T18BM
Струбцина 2-Х ТАКТНОГО ПЛМ PARSUN T18BM
Запчасти для 2-х тактного ПЛМ PARSUN T20BM
Двигатель 2-Х ТАКТНОГО ПЛМ PARSUN T20BM
Колпак 2-Х ТАКТНОГО ПЛМ PARSUN T20BM
Кронштейн 2-Х ТАКТНОГО ПЛМ PARSUN T20BM
Поддон 2-Х ТАКТНОГО ПЛМ PARSUN T20BM
Поршневая 2-Х ТАКТНОГО ПЛМ PARSUN T20BM
Редуктор 2-Х ТАКТНОГО ПЛМ PARSUN T20BM
Румпель 2-Х ТАКТНОГО ПЛМ PARSUN T20BM
Стартер 2-Х ТАКТНОГО ПЛМ PARSUN T20BM
Запчасти для 2-х тактного ПЛМ PARSUN T25BM
Двигатель 2-Х ТАКТНОГО ПЛМ PARSUN T25BM
Дейдвуд 2-Х ТАКТНОГО ПЛМ PARSUN T25BM
Карбюратор 2-Х ТАКТНОГО ПЛМ PARSUN T25BM
Колпак 2-Х ТАКТНОГО ПЛМ PARSUN T25BM
Кронштейн 2-Х ТАКТНОГО ПЛМ PARSUN T25BM
Поддон 2-Х ТАКТНОГО ПЛМ PARSUN T25BM
Поршневая 2-Х ТАКТНОГО ПЛМ PARSUN T25BM
Прокладка базы двигателя 2-Х ТАКТНОГО ПЛМ PARSUN T25BM
Редуктор 2-Х ТАКТНОГО ПЛМ PARSUN T25BM
Румпель 2-Х ТАКТНОГО ПЛМ PARSUN T25BM
Система переключения 2-Х ТАКТНОГО ПЛМ PARSUN T25BM
Стартер 2-Х ТАКТНОГО ПЛМ PARSUN T25BM
Электрика 2-Х ТАКТНОГО ПЛМ PARSUN T25BM
Запчасти для 2-х тактного ПЛМ PARSUN T30BM
Двигатель 2-Х ТАКТНОГО ПЛМ PARSUN T30BM
Дейдвуд 2-Х ТАКТНОГО ПЛМ PARSUN T30BM
Карбюратор 2-Х ТАКТНОГО ПЛМ PARSUN T30BM
Колпак 2-Х ТАКТНОГО ПЛМ PARSUN T30BM
Кронштейн 2-Х ТАКТНОГО ПЛМ PARSUN T30BM
Поддон 2-Х ТАКТНОГО ПЛМ PARSUN T30BM
Поршневая 2-Х ТАКТНОГО ПЛМ PARSUN T30BM
Прокладка базы двигателя 2-Х ТАКТНОГО ПЛМ PARSUN T30BM
Редуктор 2-Х ТАКТНОГО ПЛМ PARSUN T30BM
Румпель 2-Х ТАКТНОГО ПЛМ PARSUN T30BM
Система переключения 2-Х ТАКТНОГО ПЛМ PARSUN T30BM
Стартер 2-Х ТАКТНОГО ПЛМ PARSUN T30BM
Электрика 2-Х ТАКТНОГО ПЛМ PARSUN T30BM
Запчасти для 2-х тактного ПЛМ PARSUN T30BML
Двигатель 2-Х ТАКТНОГО ПЛМ PARSUN T30BML
Дейдвуд 2-Х ТАКТНОГО ПЛМ PARSUN T30BML
Карбюратор 2-Х ТАКТНОГО ПЛМ PARSUN T30BML
Колпак 2-Х ТАКТНОГО ПЛМ PARSUN T30BML
Кронштейн 2-Х ТАКТНОГО ПЛМ PARSUN T30BML
Поддон 2-Х ТАКТНОГО ПЛМ PARSUN T30BML
Поршневая 2-Х ТАКТНОГО ПЛМ PARSUN T30BML
Прокладка базы двигателя 2-Х ТАКТНОГО ПЛМ PARSUN T30BML
Редуктор 2-Х ТАКТНОГО ПЛМ PARSUN T30BML
Румпель 2-Х ТАКТНОГО ПЛМ PARSUN T30BML
Система переключения 2-Х ТАКТНОГО ПЛМ PARSUN T30BML
Стартер 2-Х ТАКТНОГО ПЛМ PARSUN T30BML
Электрика 2-Х ТАКТНОГО ПЛМ PARSUN T30BML
Запчасти для 2-х тактного ПЛМ PARSUN T30FW
Двигатель 2-Х ТАКТНОГО ПЛМ PARSUN T30FW
Дейдвуд 2-Х ТАКТНОГО ПЛМ PARSUN T30FW
Карбюратор 2-Х ТАКТНОГО ПЛМ PARSUN T30FW
Колпак 2-Х ТАКТНОГО ПЛМ PARSUN T30FW
Кронштейн 2-Х ТАКТНОГО ПЛМ PARSUN T30FW
Маховик 2-Х ТАКТНОГО ПЛМ PARSUN T30FW
Машинка газ-реверс 2-Х ТАКТНОГО ПЛМ PARSUN T30FW
Поддон 2-Х ТАКТНОГО ПЛМ PARSUN T30FW
Поршневая 2-Х ТАКТНОГО ПЛМ PARSUN T30FW
Прокладка базы 2-Х ТАКТНОГО ПЛМ PARSUN T30FW
Редуктор 2-Х ТАКТНОГО ПЛМ PARSUN T30FW
Рулевой кронштейн 2-Х ТАКТНОГО ПЛМ PARSUN T30FW
Система переключения 2-Х ТАКТНОГО ПЛМ PARSUN T30FW
Стартер 2-Х ТАКТНОГО ПЛМ PARSUN T30FW
Электрика 2-Х ТАКТНОГО ПЛМ PARSUN T30FW
Запчасти для 2-х тактного ПЛМ PARSUN T30FWL
Двигатель 2-Х ТАКТНОГО ПЛМ PARSUN T30FWL
Дейдвуд 2-Х ТАКТНОГО ПЛМ PARSUN T30FWL
Карбюратор 2-Х ТАКТНОГО ПЛМ PARSUN T30FWL
Колпак 2-Х ТАКТНОГО ПЛМ PARSUN T30FWL
Кронштейн 2-Х ТАКТНОГО ПЛМ PARSUN T30FWL
Маховик 2-Х ТАКТНОГО ПЛМ PARSUN T30FWL
Машинка газ-реверс 2-Х ТАКТНОГО ПЛМ PARSUN T30FWL
Поддон 2-Х ТАКТНОГО ПЛМ PARSUN T30FWL
Поршневая 2-Х ТАКТНОГО ПЛМ PARSUN T30FWL
Прокладка базы 2-Х ТАКТНОГО ПЛМ PARSUN T30FWL
Редуктор 2-Х ТАКТНОГО ПЛМ PARSUN T30FWL
Рулевой кронштейн 2-Х ТАКТНОГО ПЛМ PARSUN T30FWL
Система переключения 2-Х ТАКТНОГО ПЛМ PARSUN T30FWL
Стартер 2-Х ТАКТНОГО ПЛМ PARSUN T30FWL
Электрика 2-Х ТАКТНОГО ПЛМ PARSUN T30FWL
Запчасти для 2-х тактного ПЛМ PARSUN T40BM
Двигатель 2-Х ТАКТНОГО ПЛМ PARSUN T40BM
Дейдвуд 2-Х ТАКТНОГО ПЛМ PARSUN T40BM
Колпак 2-Х ТАКТНОГО ПЛМ PARSUN T40BM
Кронштейн 2-Х ТАКТНОГО ПЛМ PARSUN T40BM
Поддон 2-Х ТАКТНОГО ПЛМ PARSUN T40BM
Поршневая 2-Х ТАКТНОГО ПЛМ PARSUN T40BM
Редуктор 2-Х ТАКТНОГО ПЛМ PARSUN T40BM
Рулевое управление 2-Х ТАКТНОГО ПЛМ PARSUN T40BM
Стартер 2-Х ТАКТНОГО ПЛМ PARSUN T40BM
Струбцина 2-Х ТАКТНОГО ПЛМ PARSUN T40BM
Запчасти для 2-х тактного ПЛМ PARSUN T40BML
Двигатель 2-Х ТАКТНОГО ПЛМ PARSUN T40BML
Дейдвуд 2-Х ТАКТНОГО ПЛМ PARSUN T40BML
Колпак 2-Х ТАКТНОГО ПЛМ PARSUN T40BML
Кронштейн 2-Х ТАКТНОГО ПЛМ PARSUN T40BML
Поддон 2-Х ТАКТНОГО ПЛМ PARSUN T40BML
Поршневая 2-Х ТАКТНОГО ПЛМ PARSUN T40BML
Редуктор 2-Х ТАКТНОГО ПЛМ PARSUN T40BML
Рулевое управление 2-Х ТАКТНОГО ПЛМ PARSUN T40BML
Стартер 2-Х ТАКТНОГО ПЛМ PARSUN T40BML
Струбцина 2-Х ТАКТНОГО ПЛМ PARSUN T40BML
Запчасти для 2-х тактного ПЛМ PARSUN T40FW
Двигатель 2-Х ТАКТНОГО ПЛМ PARSUN T40FW
Дейдвуд 2-Х ТАКТНОГО ПЛМ PARSUN T40FW
Колпак 2-Х ТАКТНОГО ПЛМ PARSUN T40FW
Кронштейн (часть 1) 2-Х ТАКТНОГО ПЛМ PARSUN T40FW
Кронштейн (часть 2) 2-Х ТАКТНОГО ПЛМ PARSUN T40FW
Машинка газ-реверс 2-Х ТАКТНОГО ПЛМ PARSUN T40FW
Поддон 2-Х ТАКТНОГО ПЛМ PARSUN T40FW
Поршневая 2-Х ТАКТНОГО ПЛМ PARSUN T40FW
Редуктор 2-Х ТАКТНОГО ПЛМ PARSUN T40FW
Стартер 2-Х ТАКТНОГО ПЛМ PARSUN T40FW
Запчасти для 2-х тактного ПЛМ PARSUN T40FWL
Двигатель 2-Х ТАКТНОГО ПЛМ PARSUN T40FWL
Дейдвуд 2-Х ТАКТНОГО ПЛМ PARSUN T40FWL
Колпак 2-Х ТАКТНОГО ПЛМ PARSUN T40FWL
Кронштейн (часть 1) 2-Х ТАКТНОГО ПЛМ PARSUN T40FWL
Кронштейн (часть 2) 2-Х ТАКТНОГО ПЛМ PARSUN T40FWL
Машинка газ-реверс 2-Х ТАКТНОГО ПЛМ PARSUN T40FWL
Поддон 2-Х ТАКТНОГО ПЛМ PARSUN T40FWL
Поршневая 2-Х ТАКТНОГО ПЛМ PARSUN T40FWL
Редуктор 2-Х ТАКТНОГО ПЛМ PARSUN T40FWL
Стартер 2-Х ТАКТНОГО ПЛМ PARSUN T40FWL
Запчасти для 2-х тактного ПЛМ PARSUN T40A FW
Двигатель 2-Х ТАКТНОГО ПЛМ PARSUN T40A FW
Дейдвуд 2-Х ТАКТНОГО ПЛМ PARSUN T40A FW
Колпак 2-Х ТАКТНОГО ПЛМ PARSUN T40A FW
Кронштейн 2-Х ТАКТНОГО ПЛМ PARSUN T40A FW
Поддон 2-Х ТАКТНОГО ПЛМ PARSUN T40A FW
Поршневая 2-Х ТАКТНОГО ПЛМ PARSUN T40A FW
Редуктор 2-Х ТАКТНОГО ПЛМ PARSUN T40A FW
Стартер 2-Х ТАКТНОГО ПЛМ PARSUN T40A FW
Запчасти для 2-х тактного ПЛМ PARSUN T40A FWL
Двигатель 2-Х ТАКТНОГО ПЛМ PARSUN T40A FWL
Дейдвуд 2-Х ТАКТНОГО ПЛМ PARSUN T40A FWL
Колпак 2-Х ТАКТНОГО ПЛМ PARSUN T40A FWL
Кронштейн 2-Х ТАКТНОГО ПЛМ PARSUN T40A FWL
Поддон 2-Х ТАКТНОГО ПЛМ PARSUN T40A FWL
Поршневая 2-Х ТАКТНОГО ПЛМ PARSUN T40A FWL
Редуктор 2-Х ТАКТНОГО ПЛМ PARSUN T40A FWL
Стартер 2-Х ТАКТНОГО ПЛМ PARSUN T40A FWL
Запчасти для 2-х тактного ПЛМ PARSUN T50BM
Двигатель 2-Х ТАКТНОГО ПЛМ PARSUN T50BM
Дейдвуд 2-Х ТАКТНОГО ПЛМ PARSUN T50BM
Колпак 2-Х ТАКТНОГО ПЛМ PARSUN T50BM
Кронштейн 2-Х ТАКТНОГО ПЛМ PARSUN T50BM
Поддон 2-Х ТАКТНОГО ПЛМ PARSUN T50BM
Поршневая 2-Х ТАКТНОГО ПЛМ PARSUN T50BM
Редуктор 2-Х ТАКТНОГО ПЛМ PARSUN T50BM
Рулевое управление 2-Х ТАКТНОГО ПЛМ PARSUN T50BM
Стартер 2-Х ТАКТНОГО ПЛМ PARSUN T50BM
Струбцина 2-Х ТАКТНОГО ПЛМ PARSUN T50BM
Запчасти для 2-х тактного ПЛМ PARSUN T50BML
Двигатель 2-Х ТАКТНОГО ПЛМ PARSUN T50BML
Дейдвуд 2-Х ТАКТНОГО ПЛМ PARSUN T50BML
Колпак 2-Х ТАКТНОГО ПЛМ PARSUN T50BML
Кронштейн 2-Х ТАКТНОГО ПЛМ PARSUN T50BML
Поддон 2-Х ТАКТНОГО ПЛМ PARSUN T50BML
Поршневая 2-Х ТАКТНОГО ПЛМ PARSUN T50BML
Редуктор 2-Х ТАКТНОГО ПЛМ PARSUN T50BML
Рулевое управление 2-Х ТАКТНОГО ПЛМ PARSUN T50BML
Стартер 2-Х ТАКТНОГО ПЛМ PARSUN T50BML
Струбцина 2-Х ТАКТНОГО ПЛМ PARSUN T50BML
Запчасти для 2-х тактного ПЛМ PARSUN T50FW
Двигатель 2-Х ТАКТНОГО ПЛМ PARSUN T50FW
Дейдвуд 2-Х ТАКТНОГО ПЛМ PARSUN T50FW
Колпак 2-Х ТАКТНОГО ПЛМ PARSUN T50FW
Кронштейн (часть 1) 2-Х ТАКТНОГО ПЛМ PARSUN T50FW
Кронштейн (часть 2) 2-Х ТАКТНОГО ПЛМ PARSUN T50FW
Машинка газ-реверс 2-Х ТАКТНОГО ПЛМ PARSUN T50FW
Поддон 2-Х ТАКТНОГО ПЛМ PARSUN T50FW
Поршневая 2-Х ТАКТНОГО ПЛМ PARSUN T50FW
Редуктор 2-Х ТАКТНОГО ПЛМ PARSUN T50FW
Стартер 2-Х ТАКТНОГО ПЛМ PARSUN T50FW
Запчасти для 2-х тактного ПЛМ PARSUN T50FWL
Двигатель 2-Х ТАКТНОГО ПЛМ PARSUN T50FWL
Дейдвуд 2-Х ТАКТНОГО ПЛМ PARSUN T50FWL
Колпак 2-Х ТАКТНОГО ПЛМ PARSUN T50FWL
Кронштейн (часть 1) 2-Х ТАКТНОГО ПЛМ PARSUN T50FWL
Кронштейн (часть 2) 2-Х ТАКТНОГО ПЛМ PARSUN T50FWL
Машинка газ-реверс 2-Х ТАКТНОГО ПЛМ PARSUN T50FWL
Поддон 2-Х ТАКТНОГО ПЛМ PARSUN T50FWL
Поршневая 2-Х ТАКТНОГО ПЛМ PARSUN T50FWL
Редуктор 2-Х ТАКТНОГО ПЛМ PARSUN T50FWL
Стартер 2-Х ТАКТНОГО ПЛМ PARSUN T50FWL
Запчасти для 2-х тактного ПЛМ PARSUN T50A FW
Двигатель 2-Х ТАКТНОГО ПЛМ PARSUN T50A FW
Дейдвуд 2-Х ТАКТНОГО ПЛМ PARSUN T50A FW
Колпак 2-Х ТАКТНОГО ПЛМ PARSUN T50A FW
Кронштейн 2-Х ТАКТНОГО ПЛМ PARSUN T50A FW
Поддон 2-Х ТАКТНОГО ПЛМ PARSUN T50A FW
Поршневая 2-Х ТАКТНОГО ПЛМ PARSUN T50A FW
Редуктор 2-Х ТАКТНОГО ПЛМ PARSUN T50A FW
Стартер 2-Х ТАКТНОГО ПЛМ PARSUN T50A FW
Запчасти для 2-х тактного ПЛМ PARSUN T50A FWL
Двигатель 2-Х ТАКТНОГО ПЛМ PARSUN T50A FWL
Дейдвуд 2-Х ТАКТНОГО ПЛМ PARSUN T50A FWL
Колпак 2-Х ТАКТНОГО ПЛМ PARSUN T50A FWL
Кронштейн 2-Х ТАКТНОГО ПЛМ PARSUN T50A FWL
Поддон 2-Х ТАКТНОГО ПЛМ PARSUN T50A FWL
Поршневая 2-Х ТАКТНОГО ПЛМ PARSUN T50A FWL
Редуктор 2-Х ТАКТНОГО ПЛМ PARSUN T50A FWL
Стартер 2-Х ТАКТНОГО ПЛМ PARSUN T50A FWL
Запчасти для 2-х тактного ПЛМ PARSUN T60BML
Двигатель (часть 1) 2-Х ТАКТНОГО ПЛМ PARSUN T60BML
Двигатель (часть 2) 2-Х ТАКТНОГО ПЛМ PARSUN T60BML
Двигатель (часть 3) 2-Х ТАКТНОГО ПЛМ PARSUN T60BML
Дейдвуд 2-Х ТАКТНОГО ПЛМ PARSUN T60BML
Колпак 2-Х ТАКТНОГО ПЛМ PARSUN T60BML
Кронштейн 2-Х ТАКТНОГО ПЛМ PARSUN T60BML
Поддон 2-Х ТАКТНОГО ПЛМ PARSUN T60BML
Поршневая 2-Х ТАКТНОГО ПЛМ PARSUN T60BML
Редуктор 2-Х ТАКТНОГО ПЛМ PARSUN T60BML
Румпель 2-Х ТАКТНОГО ПЛМ PARSUN T60BML
Стартер 2-Х ТАКТНОГО ПЛМ PARSUN T60BML
Узел в сборе 2-Х ТАКТНОГО ПЛМ PARSUN T60BML
Запчасти для 2-х тактного ПЛМ PARSUN T60FWL
Двигатель (часть 1) 2-Х ТАКТНОГО ПЛМ PARSUN T60FWL
Двигатель (часть 2) 2-Х ТАКТНОГО ПЛМ PARSUN T60FWL
Двигатель (часть 3) 2-Х ТАКТНОГО ПЛМ PARSUN T60FWL
Дейдвуд 2-Х ТАКТНОГО ПЛМ PARSUN T60FWL
Кабельная установка, крюк 2-Х ТАКТНОГО ПЛМ PARSUN T60FWL
Колпак 2-Х ТАКТНОГО ПЛМ PARSUN T60FWL
Кронштейн 2-Х ТАКТНОГО ПЛМ PARSUN T60FWL
Машинка газ-реверс 2-Х ТАКТНОГО ПЛМ PARSUN T60FWL
Поддон 2-Х ТАКТНОГО ПЛМ PARSUN T60FWL
Поршневая 2-Х ТАКТНОГО ПЛМ PARSUN T60FWL
Редуктор 2-Х ТАКТНОГО ПЛМ PARSUN T60FWL
Стартер 2-Х ТАКТНОГО ПЛМ PARSUN T60FWL
Узел в сборе 2-Х ТАКТНОГО ПЛМ PARSUN T60FWL
Запчасти для 2-х тактного ПЛМ PARSUN T60A FWL
Двигатель (часть 1) 2-Х ТАКТНОГО ПЛМ PARSUN T60A FWL
Двигатель (часть 2) 2-Х ТАКТНОГО ПЛМ PARSUN T60A FWL
Двигатель (часть 3) 2-Х ТАКТНОГО ПЛМ PARSUN T60A FWL
Дейдвуд 2-Х ТАКТНОГО ПЛМ PARSUN T60A FWL
Кабельная установка, крюк 2-Х ТАКТНОГО ПЛМ PARSUN T60A FWL
Колпак 2-Х ТАКТНОГО ПЛМ PARSUN T60A FWL
Кронштейн 2-Х ТАКТНОГО ПЛМ PARSUN T60A FWL
Машинка газ-реверс 2-Х ТАКТНОГО ПЛМ PARSUN T60A FWL
Поддон 2-Х ТАКТНОГО ПЛМ PARSUN T60A FWL
Поршневая 2-Х ТАКТНОГО ПЛМ PARSUN T60A FWL
Редуктор 2-Х ТАКТНОГО ПЛМ PARSUN T60A FWL
Стартер 2-Х ТАКТНОГО ПЛМ PARSUN T60A FWL
Узел в сборе 2-Х ТАКТНОГО ПЛМ PARSUN T60A FWL
Запчасти для 4-х тактного ПЛМ PARSUN F3.5BM
Двигатель 4-Х ТАКТНОГО ПЛМ PARSUN F3.5BM
Дейдвуд 4-Х ТАКТНОГО ПЛМ PARSUN F3.5BM
Клапана 4-Х ТАКТНОГО ПЛМ PARSUN F3.5BM
Колпак 4-Х ТАКТНОГО ПЛМ PARSUN F3.5BM
Кронштейн 4-Х ТАКТНОГО ПЛМ PARSUN F3.5BM
Поддон 4-Х ТАКТНОГО ПЛМ PARSUN F3.5BM
Поршневая 4-Х ТАКТНОГО ПЛМ PARSUN F3.5BM
Редуктор 4-Х ТАКТНОГО ПЛМ PARSUN F3.5BM
Румпель 4-Х ТАКТНОГО ПЛМ PARSUN F3.5BM
Стартер 4-Х ТАКТНОГО ПЛМ PARSUN F3.5BM
Запчасти для 4-х тактного ПЛМ PARSUN F5BM
Двигатель 4-Х ТАКТНОГО ПЛМ PARSUN F5BM
Дейдвуд 4-Х ТАКТНОГО ПЛМ PARSUN F5BM
Клапана 4-Х ТАКТНОГО ПЛМ PARSUN F5BM
Колпак 4-Х ТАКТНОГО ПЛМ PARSUN F5BM
Кронштейн 4-Х ТАКТНОГО ПЛМ PARSUN F5BM
Поддон 4-Х ТАКТНОГО ПЛМ PARSUN F5BM
Поршневая 4-Х ТАКТНОГО ПЛМ PARSUN F5BM
Редуктор 4-Х ТАКТНОГО ПЛМ PARSUN F5BM
Румпель 4-Х ТАКТНОГО ПЛМ PARSUN F5BM
Стартер 4-Х ТАКТНОГО ПЛМ PARSUN F5BM
Узлы в сборе 4-Х ТАКТНОГО ПЛМ PARSUN F5BM
Запчасти для 4-х тактного ПЛМ PARSUN F9.9BM
Двигатель 4-Х ТАКТНОГО ПЛМ PARSUN F9.9BM
Дейдвуд 4-Х ТАКТНОГО ПЛМ PARSUN F9.9BM
Клапана 4-Х ТАКТНОГО ПЛМ PARSUN F9.9BM
Колпак 4-Х ТАКТНОГО ПЛМ PARSUN F9.9BM
Кронштейн 4-Х ТАКТНОГО ПЛМ PARSUN F9.9BM
Поддон 4-Х ТАКТНОГО ПЛМ PARSUN F9.9BM
Поршневая 4-Х ТАКТНОГО ПЛМ PARSUN F9.9BM
Редуктор 4-Х ТАКТНОГО ПЛМ PARSUN F9.9BM
Румпель 4-Х ТАКТНОГО ПЛМ PARSUN F9.9BM
Стартер 4-Х ТАКТНОГО ПЛМ PARSUN F9.9BM
Струбцина 4-Х ТАКТНОГО ПЛМ PARSUN F9.9BM
Запчасти для 4-х тактного ПЛМ PARSUN F15BM
Двигатель 4-Х ТАКТНОГО ПЛМ PARSUN F15BM
Дейдвуд 4-Х ТАКТНОГО ПЛМ PARSUN F15BM
Клапана 4-Х ТАКТНОГО ПЛМ PARSUN F15BM
Колпак 4-Х ТАКТНОГО ПЛМ PARSUN F15BM
Кронштейн 4-Х ТАКТНОГО ПЛМ PARSUN F15BM
Поддон 4-Х ТАКТНОГО ПЛМ PARSUN F15BM
Поршневая 4-Х ТАКТНОГО ПЛМ PARSUN F15BM
Редуктор 4-Х ТАКТНОГО ПЛМ PARSUN F15BM
Румпель 4-Х ТАКТНОГО ПЛМ PARSUN F15BM
Стартер 4-Х ТАКТНОГО ПЛМ PARSUN F15BM
Струбцина 4-Х ТАКТНОГО ПЛМ PARSUN F15BM
Запчасти для 4-х тактного ПЛМ PARSUN F15FW
Двигатель 4-Х ТАКТНОГО ПЛМ PARSUN F15FW
Дейдвуд 4-Х ТАКТНОГО ПЛМ PARSUN F15FW
Клапана 4-Х ТАКТНОГО ПЛМ PARSUN F15FW
Колпак 4-Х ТАКТНОГО ПЛМ PARSUN F15FW
Кронштейн 4-Х ТАКТНОГО ПЛМ PARSUN F15FW
Машинка газ-реверс 4-Х ТАКТНОГО ПЛМ PARSUN F15FW
Поддон 4-Х ТАКТНОГО ПЛМ PARSUN F15FW
Поршневая 4-Х ТАКТНОГО ПЛМ PARSUN F15FW
Редуктор 4-Х ТАКТНОГО ПЛМ PARSUN F15FW
Стартер 4-Х ТАКТНОГО ПЛМ PARSUN F15FW
Струбцина 4-Х ТАКТНОГО ПЛМ PARSUN F15FW
Запчасти для 4-х тактного ПЛМ PARSUN F20BM
Двигатель 4-Х ТАКТНОГО ПЛМ PARSUN F20BM
Дейдвуд 4-Х ТАКТНОГО ПЛМ PARSUN F20BM
Клапана 4-Х ТАКТНОГО ПЛМ PARSUN F20BM
Колпак 4-Х ТАКТНОГО ПЛМ PARSUN F20BM
Кронштейн 4-Х ТАКТНОГО ПЛМ PARSUN F20BM
Поддон 4-Х ТАКТНОГО ПЛМ PARSUN F20BM
Поршневая 4-Х ТАКТНОГО ПЛМ PARSUN F20BM
Редуктор 4-Х ТАКТНОГО ПЛМ PARSUN F20BM
Румпель 4-Х ТАКТНОГО ПЛМ PARSUN F20BM
Стартер 4-Х ТАКТНОГО ПЛМ PARSUN F20BM
Струбцина 4-Х ТАКТНОГО ПЛМ PARSUN F20BM
Запчасти для 4-х тактного ПЛМ PARSUN F20FW
Двигатель 4-Х ТАКТНОГО ПЛМ PARSUN F20FW
Дейдвуд 4-Х ТАКТНОГО ПЛМ PARSUN F20FW
Клапана 4-Х ТАКТНОГО ПЛМ PARSUN F20FW
Колпак 4-Х ТАКТНОГО ПЛМ PARSUN F20FW
Кронштейн 4-Х ТАКТНОГО ПЛМ PARSUN F20FW
Машинка газ-реверс 4-Х ТАКТНОГО ПЛМ PARSUN F20FW
Поддон 4-Х ТАКТНОГО ПЛМ PARSUN F20FW
Поршневая 4-Х ТАКТНОГО ПЛМ PARSUN F20FW
Редуктор 4-Х ТАКТНОГО ПЛМ PARSUN F20FW
Стартер 4-Х ТАКТНОГО ПЛМ PARSUN F20FW
Струбцина 4-Х ТАКТНОГО ПЛМ PARSUN F20FW
Запчасти для 4-х тактного ПЛМ PARSUN F30BM
Двигатель (часть 1) 4-Х ТАКТНОГО ПЛМ PARSUN F30BM
Двигатель (часть 2) 4-Х ТАКТНОГО ПЛМ PARSUN F30BM
Двигатель (часть 3) 4-Х ТАКТНОГО ПЛМ PARSUN F30BM
Двигатель (часть 4) 4-Х ТАКТНОГО ПЛМ PARSUN F30BM
Дейдвуд 4-Х ТАКТНОГО ПЛМ PARSUN F30BM
Клапана 4-Х ТАКТНОГО ПЛМ PARSUN F30BM
Колпак 4-Х ТАКТНОГО ПЛМ PARSUN F30BM
Поддон 4-Х ТАКТНОГО ПЛМ PARSUN F30BM
Поршневая 4-Х ТАКТНОГО ПЛМ PARSUN F30BM
Редуктор 4-Х ТАКТНОГО ПЛМ PARSUN F30BM
Румпель 4-Х ТАКТНОГО ПЛМ PARSUN F30BM
Стартер 4-Х ТАКТНОГО ПЛМ PARSUN F30BM
Струбцина (часть 1) 4-Х ТАКТНОГО ПЛМ PARSUN F30BM
Струбцина (часть 2) 4-Х ТАКТНОГО ПЛМ PARSUN F30BM
Запчасти для 4-х тактного ПЛМ PARSUN F30BML
Двигатель (часть 1) 4-Х ТАКТНОГО ПЛМ PARSUN F30BML
Двигатель (часть 2) 4-Х ТАКТНОГО ПЛМ PARSUN F30BML
Двигатель (часть 3) 4-Х ТАКТНОГО ПЛМ PARSUN F30BML
Двигатель (часть 4) 4-Х ТАКТНОГО ПЛМ PARSUN F30BML
Дейдвуд 4-Х ТАКТНОГО ПЛМ PARSUN F30BML
Клапана 4-Х ТАКТНОГО ПЛМ PARSUN F30BML
Колпак 4-Х ТАКТНОГО ПЛМ PARSUN F30BML
Поддон 4-Х ТАКТНОГО ПЛМ PARSUN F30BML
Поршневая 4-Х ТАКТНОГО ПЛМ PARSUN F30BML
Редуктор 4-Х ТАКТНОГО ПЛМ PARSUN F30BML
Румпель 4-Х ТАКТНОГО ПЛМ PARSUN F30BML
Стартер 4-Х ТАКТНОГО ПЛМ PARSUN F30BML
Струбцина (часть 1) 4-Х ТАКТНОГО ПЛМ PARSUN F30BML
Струбцина (часть 2) 4-Х ТАКТНОГО ПЛМ PARSUN F30BML
Запчасти для 4-х тактного ПЛМ PARSUN F30FW
Двигатель (часть 1) 4-Х ТАКТНОГО ПЛМ PARSUN F30FW
Двигатель (часть 2) 4-Х ТАКТНОГО ПЛМ PARSUN F30FW
Двигатель (часть 3) 4-Х ТАКТНОГО ПЛМ PARSUN F30FW
Двигатель (часть 4) 4-Х ТАКТНОГО ПЛМ PARSUN F30FW
Двигатель (часть 5) 4-Х ТАКТНОГО ПЛМ PARSUN F30FW
Дейдвуд 4-Х ТАКТНОГО ПЛМ PARSUN F30FW
Клапана 4-Х ТАКТНОГО ПЛМ PARSUN F30FW
Колпак 4-Х ТАКТНОГО ПЛМ PARSUN F30FW
Машинка газ-реверс 4-Х ТАКТНОГО ПЛМ PARSUN F30FW
Поддон 4-Х ТАКТНОГО ПЛМ PARSUN F30FW
Поршневая 4-Х ТАКТНОГО ПЛМ PARSUN F30FW
Редуктор 4-Х ТАКТНОГО ПЛМ PARSUN F30FW
Стартер 4-Х ТАКТНОГО ПЛМ PARSUN F30FW
Струбцина (часть 1) 4-Х ТАКТНОГО ПЛМ PARSUN F30FW
Струбцина (часть 2) 4-Х ТАКТНОГО ПЛМ PARSUN F30FW
Запчасти для 4-х тактного ПЛМ PARSUN F30FWL
Двигатель (часть 1) 4-Х ТАКТНОГО ПЛМ PARSUN F30FWL
Двигатель (часть 2) 4-Х ТАКТНОГО ПЛМ PARSUN F30FWL
Двигатель (часть 3) 4-Х ТАКТНОГО ПЛМ PARSUN F30FWL
Двигатель (часть 4) 4-Х ТАКТНОГО ПЛМ PARSUN F30FWL
Двигатель (часть 5) 4-Х ТАКТНОГО ПЛМ PARSUN F30FWL
Дейдвуд 4-Х ТАКТНОГО ПЛМ PARSUN F30FWL
Клапана 4-Х ТАКТНОГО ПЛМ PARSUN F30FWL
Колпак 4-Х ТАКТНОГО ПЛМ PARSUN F30FWL
Машинка газ-реверс 4-Х ТАКТНОГО ПЛМ PARSUN F30FWL
Поддон 4-Х ТАКТНОГО ПЛМ PARSUN F30FWL
Поршневая 4-Х ТАКТНОГО ПЛМ PARSUN F30FWL
Редуктор 4-Х ТАКТНОГО ПЛМ PARSUN F30FWL
Стартер 4-Х ТАКТНОГО ПЛМ PARSUN F30FWL
Струбцина (часть 1) 4-Х ТАКТНОГО ПЛМ PARSUN F30FWL
Струбцина (часть 2) 4-Х ТАКТНОГО ПЛМ PARSUN F30FWL
Запчасти для 4-х тактного ПЛМ PARSUN F30A FW
Головка цилиндров 4-Х ТАКТНОГО ПЛМ PARSUN F30A FW
Двигатель (часть 1) 4-Х ТАКТНОГО ПЛМ PARSUN F30A FW
Двигатель (часть 2) 4-Х ТАКТНОГО ПЛМ PARSUN F30A FW
Двигатель (часть 3) 4-Х ТАКТНОГО ПЛМ PARSUN F30A FW
Двигатель (часть 4) 4-Х ТАКТНОГО ПЛМ PARSUN F30A FW
Двигатель (часть 5) 4-Х ТАКТНОГО ПЛМ PARSUN F30A FW
Дейдвуд 4-Х ТАКТНОГО ПЛМ PARSUN F30A FW
Колпак 4-Х ТАКТНОГО ПЛМ PARSUN F30A FW
Кронштейн 4-Х ТАКТНОГО ПЛМ PARSUN F30A FW
Машинка газ-реверс 4-Х ТАКТНОГО ПЛМ PARSUN F30A FW
Поддон 4-Х ТАКТНОГО ПЛМ PARSUN F30A FW
Поршневая 4-Х ТАКТНОГО ПЛМ PARSUN F30A FW
Редуктор 4-Х ТАКТНОГО ПЛМ PARSUN F30A FW
Стартер 4-Х ТАКТНОГО ПЛМ PARSUN F30A FW
Запчасти для 4-х тактного ПЛМ PARSUN F30A FWL
Головка цилиндров 4-Х ТАКТНОГО ПЛМ PARSUN F30A FWL
Двигатель (часть 1) 4-Х ТАКТНОГО ПЛМ PARSUN F30A FWL
Двигатель (часть 2) 4-Х ТАКТНОГО ПЛМ PARSUN F30A FWL
Двигатель (часть 3) 4-Х ТАКТНОГО ПЛМ PARSUN F30A FWL
Двигатель (часть 4) 4-Х ТАКТНОГО ПЛМ PARSUN F30A FWL
Двигатель (часть 5) 4-Х ТАКТНОГО ПЛМ PARSUN F30A FWL
Дейдвуд 4-Х ТАКТНОГО ПЛМ PARSUN F30A FWL
Колпак 4-Х ТАКТНОГО ПЛМ PARSUN F30A FWL
Кронштейн 4-Х ТАКТНОГО ПЛМ PARSUN F30A FWL
Машинка газ-реверс 4-Х ТАКТНОГО ПЛМ PARSUN F30A FWL
Поддон 4-Х ТАКТНОГО ПЛМ PARSUN F30A FWL
Поршневая 4-Х ТАКТНОГО ПЛМ PARSUN F30A FWL
Редуктор 4-Х ТАКТНОГО ПЛМ PARSUN F30A FWL
Стартер 4-Х ТАКТНОГО ПЛМ PARSUN F30A FWL
Запчасти для подвесных лодочных моторов SEA-PRO
Запчасти для 2-х тактного ПЛМ SEA-PRO T2.5A
Генератор 2-Х ТАКТНОГО ПЛМ SEA-PRO T2.5A
Дейдвуд 2-Х ТАКТНОГО ПЛМ SEA-PRO T2.5A
Карбюратор 2-Х ТАКТНОГО ПЛМ SEA-PRO T2.5A
Колпак и топливная система 2-Х ТАКТНОГО ПЛМ SEA-PRO T2.5A
Редуктор и привод 2-Х ТАКТНОГО ПЛМ SEA-PRO T2.5A
Стартер 2-Х ТАКТНОГО ПЛМ SEA-PRO T2.5A
Струбцина 2-Х ТАКТНОГО ПЛМ SEA-PRO T2.5A
Цилиндр и картер 2-Х ТАКТНОГО ПЛМ SEA-PRO T2.5A
Запчасти для 2-х тактного ПЛМ SEA-PRO T2.6A
Генератор 2-Х ТАКТНОГО ПЛМ SEA-PRO T2.6A
Дейдвуд 2-Х ТАКТНОГО ПЛМ SEA-PRO T2.6A
Карбюратор 2-Х ТАКТНОГО ПЛМ SEA-PRO T2.6A
Колпак и топливная система 2-Х ТАКТНОГО ПЛМ SEA-PRO T2.6A
Редуктор и привод 2-Х ТАКТНОГО ПЛМ SEA-PRO T2.6A
Стартер 2-Х ТАКТНОГО ПЛМ SEA-PRO T2.6A
Струбцина 2-Х ТАКТНОГО ПЛМ SEA-PRO T2.6A
Цилиндр и картер 2-Х ТАКТНОГО ПЛМ SEA-PRO T2.6A
Запчасти для 2-х тактного ПЛМ SEA-PRO Т3P
Генератор 2-Х ТАКТНОГО ПЛМ SEA-PRO T3Р
Дейдвуд 2-Х ТАКТНОГО ПЛМ SEA-PRO T3Р
Карбюратор 2-Х ТАКТНОГО ПЛМ SEA-PRO T3Р
Колпак и топливная система 2-Х ТАКТНОГО ПЛМ SEA-PRO T3Р
Редуктор и привод 2-Х ТАКТНОГО ПЛМ SEA-PRO T3Р
Румпель 2-Х ТАКТНОГО ПЛМ SEA-PRO T3Р
Стартер 2-Х ТАКТНОГО ПЛМ SEA-PRO T3Р
Цилиндр и картер 2-Х ТАКТНОГО ПЛМ SEA-PRO T3Р
Электросистема 2-Х ТАКТНОГО ПЛМ SEA-PRO T3Р
Запчасти для 2-х тактного ПЛМ SEA-PRO Т5P
Генератор 2-Х ТАКТНОГО ПЛМ SEA-PRO T5P
Дейдвуд и струбцина 2-Х ТАКТНОГО ПЛМ SEA-PRO T5P
Капот 2-Х ТАКТНОГО ПЛМ SEA-PRO T5P
Клапана и карбюратор 2-Х ТАКТНОГО ПЛМ SEA-PRO T5P
Поддон 2-Х ТАКТНОГО ПЛМ SEA-PRO T5P
Редуктор 2-Х ТАКТНОГО ПЛМ SEA-PRO T5P
Система управления 2-Х ТАКТНОГО ПЛМ SEA-PRO T5P
Стартер 2-Х ТАКТНОГО ПЛМ SEA-PRO T5P
Топливный бак 2-Х ТАКТНОГО ПЛМ SEA-PRO T5P
Цилиндр, картер и коленвал 2-Х ТАКТНОГО ПЛМ SEA-PRO T5P
Электросистема 2-Х ТАКТНОГО ПЛМ SEA-PRO T5P
Запчасти для 2-х тактного ПЛМ SEA-PRO T9.8-9.9liteA
Генератор 2-Х ТАКТНОГО ПЛМ SEA-PRO T9.8-9.9liteA
Дейдвуд 2-Х ТАКТНОГО ПЛМ SEA-PRO T9.8-9.9liteA
Капот и поддон 2-Х ТАКТНОГО ПЛМ SEA-PRO T9.8-9.9liteA
Карбюратор (часть 1) 2-Х ТАКТНОГО ПЛМ SEA-PRO T9.8-9.9liteA
Карбюратор (часть 2) 2-Х ТАКТНОГО ПЛМ SEA-PRO T9.8-9.9liteA
Коленвал и поршень 2-Х ТАКТНОГО ПЛМ SEA-PRO T9.8-9.9liteA
Корпус редуктора 2-Х ТАКТНОГО ПЛМ SEA-PRO T9.8-9.9liteA
Редуктор 2-Х ТАКТНОГО ПЛМ SEA-PRO T9.8-9.9liteA
Система управления 2-Х ТАКТНОГО ПЛМ SEA-PRO T9.8-9.9liteA
Стартер 2-Х ТАКТНОГО ПЛМ SEA-PRO T9.8-9.9liteA
Струбцина 2-Х ТАКТНОГО ПЛМ SEA-PRO T9.8-9.9liteA
Топливная система 2-Х ТАКТНОГО ПЛМ SEA-PRO T9.8-9.9liteA
Цилиндр и картер 2-Х ТАКТНОГО ПЛМ SEA-PRO T9.8-9.9liteA
Электросистема 2-Х ТАКТНОГО ПЛМ SEA-PRO T9.8-9.9liteA
Запчасти для 2-х тактного ПЛМ SEA-PRO Т9.9-15P
Генератор 2-Х ТАКТНОГО ПЛМ SEA-PRO T9.9-15Р
Двигатель 2-Х ТАКТНОГО ПЛМ SEA-PRO T9.9-15Р
Дейдвуд 2-Х ТАКТНОГО ПЛМ SEA-PRO T9.9-15Р
Капот 2-Х ТАКТНОГО ПЛМ SEA-PRO T9.9-15Р
Карбюратор 2-Х ТАКТНОГО ПЛМ SEA-PRO T9.9-15Р
Клапана 2-Х ТАКТНОГО ПЛМ SEA-PRO T9.9-15Р
Коленвал и поршень 2-Х ТАКТНОГО ПЛМ SEA-PRO T9.9-15Р
Корпус редуктора 2-Х ТАКТНОГО ПЛМ SEA-PRO T9.9-15Р
Кронштейн 2-Х ТАКТНОГО ПЛМ SEA-PRO T9.9-15Р
Поддон 2-Х ТАКТНОГО ПЛМ SEA-PRO T9.9-15Р
Редуктор 2-Х ТАКТНОГО ПЛМ SEA-PRO T9.9-15Р
Румпель 2-Х ТАКТНОГО ПЛМ SEA-PRO T9.9-15Р
Система управления 2-Х ТАКТНОГО ПЛМ SEA-PRO T9.9-15Р
Стартер 2-Х ТАКТНОГО ПЛМ SEA-PRO T9.9-15Р
Струбцина 2-Х ТАКТНОГО ПЛМ SEA-PRO T9.9-15Р
Топливная система 2-Х ТАКТНОГО ПЛМ SEA-PRO T9.9-15Р
Топливный бак 2-Х ТАКТНОГО ПЛМ SEA-PRO T9.9-15Р
Электросистема 2-Х ТАКТНОГО ПЛМ SEA-PRO T9.9-15Р
Запчасти для 2-х тактного ПЛМ SEA-PRO T18-20A
Генератор 2-Х ТАКТНОГО ПЛМ SEA-PRO T18-20А
Двигатель 2-Х ТАКТНОГО ПЛМ SEA-PRO T18-20А
Дейдвуд 2-Х ТАКТНОГО ПЛМ SEA-PRO T18-20А
Капот 2-Х ТАКТНОГО ПЛМ SEA-PRO T18-20А
Карбюратор 2-Х ТАКТНОГО ПЛМ SEA-PRO T18-20А
Клапана 2-Х ТАКТНОГО ПЛМ SEA-PRO T18-20А
Коленвал и поршень 2-Х ТАКТНОГО ПЛМ SEA-PRO T18-20А
Корпус редуктора 2-Х ТАКТНОГО ПЛМ SEA-PRO T18-20А
Кронштейн 2-Х ТАКТНОГО ПЛМ SEA-PRO T18-20А
Поддон 2-Х ТАКТНОГО ПЛМ SEA-PRO T18-20А
Редуктор 2-Х ТАКТНОГО ПЛМ SEA-PRO T18-20А
Румпель 2-Х ТАКТНОГО ПЛМ SEA-PRO T18-20А
Система управления 2-Х ТАКТНОГО ПЛМ SEA-PRO T18-20А
Стартер 2-Х ТАКТНОГО ПЛМ SEA-PRO T18-20А
Струбцина 2-Х ТАКТНОГО ПЛМ SEA-PRO T18-20А
Топливный бак 2-Х ТАКТНОГО ПЛМ SEA-PRO T18-20А
Электросистема 2-Х ТАКТНОГО ПЛМ SEA-PRO T18-20А
Запчасти для 2-х тактного ПЛМ SEA-PRO Т30P
Генератор 2-Х ТАКТНОГО ПЛМ SEA-PRO T30P
Двигатель 2-Х ТАКТНОГО ПЛМ SEA-PRO T30P
Дейдвуд 2-Х ТАКТНОГО ПЛМ SEA-PRO T30P
Капот 2-Х ТАКТНОГО ПЛМ SEA-PRO T30P
Карбюратор 2-Х ТАКТНОГО ПЛМ SEA-PRO T30P
Клапана 2-Х ТАКТНОГО ПЛМ SEA-PRO T30P
Коленвал и поршень 2-Х ТАКТНОГО ПЛМ SEA-PRO T30P
Корпус редуктора 2-Х ТАКТНОГО ПЛМ SEA-PRO T30P
Кронштейн 2-Х ТАКТНОГО ПЛМ SEA-PRO T30P
Машинка газ-реверс 2-Х ТАКТНОГО ПЛМ SEA-PRO T30P
Поддон 2-Х ТАКТНОГО ПЛМ SEA-PRO T30P
Редуктор 2-Х ТАКТНОГО ПЛМ SEA-PRO T30P
Румпель 2-Х ТАКТНОГО ПЛМ SEA-PRO T30P
Система управления (часть 1) 2-Х ТАКТНОГО ПЛМ SEA-PRO T30P
Система управления (часть 2) 2-Х ТАКТНОГО ПЛМ SEA-PRO T30P
Стартер 2-Х ТАКТНОГО ПЛМ SEA-PRO T30P
Струбцина 2-Х ТАКТНОГО ПЛМ SEA-PRO T30P
Топливная система 2-Х ТАКТНОГО ПЛМ SEA-PRO T30P
Тяга рулевого управления 2-Х ТАКТНОГО ПЛМ SEA-PRO T30P
Электросистема (часть 1) 2-Х ТАКТНОГО ПЛМ SEA-PRO T30P
Электросистема (часть 2) 2-Х ТАКТНОГО ПЛМ SEA-PRO T30P
Электростартер 2-Х ТАКТНОГО ПЛМ SEA-PRO T30P
Запчасти для 2-х тактного ПЛМ SEA-PRO Т40P
Генератор 2-Х ТАКТНОГО ПЛМ SEA-PRO T40P
Двигатель 2-Х ТАКТНОГО ПЛМ SEA-PRO T40P
Дейдвуд 2-Х ТАКТНОГО ПЛМ SEA-PRO T40P
Капот 2-Х ТАКТНОГО ПЛМ SEA-PRO T40P
Карбюратор 2-Х ТАКТНОГО ПЛМ SEA-PRO T40P
Клапана 2-Х ТАКТНОГО ПЛМ SEA-PRO T40P
Коленвал и поршень 2-Х ТАКТНОГО ПЛМ SEA-PRO T40P
Корпус редуктора 2-Х ТАКТНОГО ПЛМ SEA-PRO T40P
Кронштейн 2-Х ТАКТНОГО ПЛМ SEA-PRO T40P
Машинка газ-реверс 2-Х ТАКТНОГО ПЛМ SEA-PRO T40P
Поддон 2-Х ТАКТНОГО ПЛМ SEA-PRO T40P
Редуктор 2-Х ТАКТНОГО ПЛМ SEA-PRO T40P
Рулевая тяга 2-Х ТАКТНОГО ПЛМ SEA-PRO T40P
Румпель 2-Х ТАКТНОГО ПЛМ SEA-PRO T40P
Система управления 2-Х ТАКТНОГО ПЛМ SEA-PRO T40P
Стартер 2-Х ТАКТНОГО ПЛМ SEA-PRO T40P
Струбцина 2-Х ТАКТНОГО ПЛМ SEA-PRO T40P
Топливная система 2-Х ТАКТНОГО ПЛМ SEA-PRO T40P
Топливный бак 2-Х ТАКТНОГО ПЛМ SEA-PRO T40P
Электросистема (часть 1) 2-Х ТАКТНОГО ПЛМ SEA-PRO T40P
Электросистема (часть 2) 2-Х ТАКТНОГО ПЛМ SEA-PRO T40P
Электросистема (часть 3) 2-Х ТАКТНОГО ПЛМ SEA-PRO T40P
Электростартер 2-Х ТАКТНОГО ПЛМ SEA-PRO T40P
Запчасти для 4-х тактного ПЛМ SEA-PRO F2.5P
Впускная система 4-Х ТАКТНОГО ПЛМ SEA-PRO F2.5P
Генератор 4-Х ТАКТНОГО ПЛМ SEA-PRO F2.5P
Двигатель 4-Х ТАКТНОГО ПЛМ SEA-PRO F2.5P
Дейдвуд 4-Х ТАКТНОГО ПЛМ SEA-PRO F2.5P
Карбюратор 4-Х ТАКТНОГО ПЛМ SEA-PRO F2.5P
Клапана 4-Х ТАКТНОГО ПЛМ SEA-PRO F2.5P
Коленвал и поршень 4-Х ТАКТНОГО ПЛМ SEA-PRO F2.5P
Колпак 4-Х ТАКТНОГО ПЛМ SEA-PRO F2.5P
Поддон 4-Х ТАКТНОГО ПЛМ SEA-PRO F2.5P
Редуктор (часть 1) 4-Х ТАКТНОГО ПЛМ SEA-PRO F2.5P
Редуктор (часть 2) 4-Х ТАКТНОГО ПЛМ SEA-PRO F2.5P
Румпель 4-Х ТАКТНОГО ПЛМ SEA-PRO F2.5P
Стартер 4-Х ТАКТНОГО ПЛМ SEA-PRO F2.5P
Струбцина 4-Х ТАКТНОГО ПЛМ SEA-PRO F2.5P
Топливный бак 4-Х ТАКТНОГО ПЛМ SEA-PRO F2.5P
Управление скоростями 4-Х ТАКТНОГО ПЛМ SEA-PRO F2.5P
Цилиндр и картер 4-Х ТАКТНОГО ПЛМ SEA-PRO F2.5P
Запчасти для 4-х тактного ПЛМ SEA-PRO F5P
Впускная система 4-Х ТАКТНОГО ПЛМ SEA-PRO F5P
Генератор 4-Х ТАКТНОГО ПЛМ SEA-PRO F5P
Двигатель 4-Х ТАКТНОГО ПЛМ SEA-PRO F5P
Дейдвуд 4-Х ТАКТНОГО ПЛМ SEA-PRO F5P
Карбюратор 4-Х ТАКТНОГО ПЛМ SEA-PRO F5P
Клапана 4-Х ТАКТНОГО ПЛМ SEA-PRO F5P
Коленвал и поршень 4-Х ТАКТНОГО ПЛМ SEA-PRO F5P
Колпак 4-Х ТАКТНОГО ПЛМ SEA-PRO F5P
Поддон 4-Х ТАКТНОГО ПЛМ SEA-PRO F5P
Редуктор (часть 1) 4-Х ТАКТНОГО ПЛМ SEA-PRO F5P
Редуктор (часть 2) 4-Х ТАКТНОГО ПЛМ SEA-PRO F5P
Румпель 4-Х ТАКТНОГО ПЛМ SEA-PRO F5P
Стартер 4-Х ТАКТНОГО ПЛМ SEA-PRO F5P
Струбцина 4-Х ТАКТНОГО ПЛМ SEA-PRO F5P
Топливная система (часть 1) 4-Х ТАКТНОГО ПЛМ SEA-PRO F5P
Топливная система (часть 2) 4-Х ТАКТНОГО ПЛМ SEA-PRO F5P
Топливный бак 4-Х ТАКТНОГО ПЛМ SEA-PRO F5P
Управление скоростями 4-Х ТАКТНОГО ПЛМ SEA-PRO F5P
Цилиндр и картер 4-Х ТАКТНОГО ПЛМ SEA-PRO F5P
Электросистема 4-Х ТАКТНОГО ПЛМ SEA-PRO F5P
Запчасти для 4-х тактного ПЛМ SEA-PRO F9.8А
Головка блока цилиндров 4-Х ТАКТНОГО ПЛМ SEA-PRO F9.8А
Двигатель 4-Х ТАКТНОГО ПЛМ SEA-PRO F9.8А
Дейдвуд 4-Х ТАКТНОГО ПЛМ SEA-PRO F9.8А
Карбюратор 4-Х ТАКТНОГО ПЛМ SEA-PRO F9.8А
Коленвал 4-Х ТАКТНОГО ПЛМ SEA-PRO F9.8А
Колпак 4-Х ТАКТНОГО ПЛМ SEA-PRO F9.8А
Коммутатор 4-Х ТАКТНОГО ПЛМ SEA-PRO F9.8А
Маховик 4-Х ТАКТНОГО ПЛМ SEA-PRO F9.8А
Поддон 4-Х ТАКТНОГО ПЛМ SEA-PRO F9.8А
Распредвал 4-Х ТАКТНОГО ПЛМ SEA-PRO F9.8А
Редуктор 4-Х ТАКТНОГО ПЛМ SEA-PRO F9.8А
Рулевое управление 4-Х ТАКТНОГО ПЛМ SEA-PRO F9.8А
Румпель 4-Х ТАКТНОГО ПЛМ SEA-PRO F9.8А
Стартер 4-Х ТАКТНОГО ПЛМ SEA-PRO F9.8А
Струбцина 4-Х ТАКТНОГО ПЛМ SEA-PRO F9.8А
Запчасти для 4-х тактного ПЛМ SEA-PRO F9.9P
Блок блокировки 4-Х ТАКТНОГО ПЛМ SEA-PRO F9.9P
Впускная система 4-Х ТАКТНОГО ПЛМ SEA-PRO F9.9P
Головка блока 4-Х ТАКТНОГО ПЛМ SEA-PRO F9.9P
Двигатель 4-Х ТАКТНОГО ПЛМ SEA-PRO F9.9P
Дейдвуд 4-Х ТАКТНОГО ПЛМ SEA-PRO F9.9P
Карбюратор 4-Х ТАКТНОГО ПЛМ SEA-PRO F9.9P
Клапана 4-Х ТАКТНОГО ПЛМ SEA-PRO F9.9P
Коленвал и поршень 4-Х ТАКТНОГО ПЛМ SEA-PRO F9.9P
Колпак 4-Х ТАКТНОГО ПЛМ SEA-PRO F9.9P
Масляный поддон 4-Х ТАКТНОГО ПЛМ SEA-PRO F9.9P
Маховик 4-Х ТАКТНОГО ПЛМ SEA-PRO F9.9P
Поддон 4-Х ТАКТНОГО ПЛМ SEA-PRO F9.9P
Распредвал и масляный насос 4-Х ТАКТНОГО ПЛМ SEA-PRO F9.9P
Редуктор (часть 1) 4-Х ТАКТНОГО ПЛМ SEA-PRO F9.9P
Редуктор (часть 2) 4-Х ТАКТНОГО ПЛМ SEA-PRO F9.9P
Румпель (часть 1) 4-Х ТАКТНОГО ПЛМ SEA-PRO F9.9P
Румпель (часть 2) 4-Х ТАКТНОГО ПЛМ SEA-PRO F9.9P
Система переключения передач 4-Х ТАКТНОГО ПЛМ SEA-PRO F9.9P
Стартер 4-Х ТАКТНОГО ПЛМ SEA-PRO F9.9P
Струбцина (часть 1) 4-Х ТАКТНОГО ПЛМ SEA-PRO F9.9P
Струбцина (часть 2) 4-Х ТАКТНОГО ПЛМ SEA-PRO F9.9P
Топливная система 4-Х ТАКТНОГО ПЛМ SEA-PRO F9.9P
Топливный бак 4-Х ТАКТНОГО ПЛМ SEA-PRO F9.9P
Электросистема (часть 1) 4-Х ТАКТНОГО ПЛМ SEA-PRO F9.9P
Электросистема (часть 2) 4-Х ТАКТНОГО ПЛМ SEA-PRO F9.9P
Запчасти для 4-х тактного ПЛМ SEA-PRO F20P
Впускная система 4-Х ТАКТНОГО ПЛМ SEA-PRO F20P
Генератор 4-Х ТАКТНОГО ПЛМ SEA-PRO F20P
Головка блока 4-Х ТАКТНОГО ПЛМ SEA-PRO F20P
Двигатель 4-Х ТАКТНОГО ПЛМ SEA-PRO F20P
Дейдвуд 4-Х ТАКТНОГО ПЛМ SEA-PRO F20P
Карбюратор 4-Х ТАКТНОГО ПЛМ SEA-PRO F20P
Клапана 4-Х ТАКТНОГО ПЛМ SEA-PRO F20P
Коленвал и поршень 4-Х ТАКТНОГО ПЛМ SEA-PRO F20P
Колпак 4-Х ТАКТНОГО ПЛМ SEA-PRO F20P
Масляный поддон 4-Х ТАКТНОГО ПЛМ SEA-PRO F20P
Поддон 4-Х ТАКТНОГО ПЛМ SEA-PRO F20P
Распредвал и масляный насос 4-Х ТАКТНОГО ПЛМ SEA-PRO F20P
Редуктор (часть 1) 4-Х ТАКТНОГО ПЛМ SEA-PRO F20P
Редуктор (часть 2) 4-Х ТАКТНОГО ПЛМ SEA-PRO F20P
Рулевое управление 4-Х ТАКТНОГО ПЛМ SEA-PRO F20P
Румпель 4-Х ТАКТНОГО ПЛМ SEA-PRO F20P
Система переключения передач (часть 1) 4-Х ТАКТНОГО ПЛМ SEA-PRO F20P
Система переключения передач (часть 2) 4-Х ТАКТНОГО ПЛМ SEA-PRO F20P
Стартер 4-Х ТАКТНОГО ПЛМ SEA-PRO F20P
Струбцина (часть 1) 4-Х ТАКТНОГО ПЛМ SEA-PRO F20P
Струбцина (часть 2) 4-Х ТАКТНОГО ПЛМ SEA-PRO F20P
Топливная система 4-Х ТАКТНОГО ПЛМ SEA-PRO F20P
Топливный бак 4-Х ТАКТНОГО ПЛМ SEA-PRO F20P
Электросистема (часть 1) 4-Х ТАКТНОГО ПЛМ SEA-PRO F20P
Электросистема (часть 2) 4-Х ТАКТНОГО ПЛМ SEA-PRO F20P
Электросистема (часть 3) 4-Х ТАКТНОГО ПЛМ SEA-PRO F20P
Электросистема (часть 4) 4-Х ТАКТНОГО ПЛМ SEA-PRO F20P
Запчасти для водомета SEA-PRO WT30P
Вал с подшипниковым узлом водомета SEA-PRO WT30P
Водозаборник водомета SEA-PRO WT30P
Корпус водомета SEA-PRO WT30P
Плита соединительная водомета SEA-PRO WT30P
Трос водомета SEA-PRO WT30P
Запчасти для водомета SEA-PRO WT40P
Вал с подшипниковым узлом водомета SEA-PRO WT40P
Водозаборник водомета SEA-PRO WT40P
Корпус водомета SEA-PRO WT40P
Крепеж троса водомета SEA-PRO WT40P
Плита соединительная водомета SEA-PRO WT40P
Трос водомета SEA-PRO WT40P
Запчасти для подвесных лодочных моторов SEANOVO
Запчасти для 2-х тактного ПЛМ SEANOVO 3F
Двигатель 2-х тактного ПЛМ SEANOVO 3F
Дейдвуд 2-х тактного ПЛМ SEANOVO 3F
Колпак 2-х тактного ПЛМ SEANOVO 3F
Нижний корпус 2-х тактного ПЛМ SEANOVO 3F
Поршневая 2-х тактного ПЛМ SEANOVO 3F
Редуктор 2-х тактного ПЛМ SEANOVO 3F
Румпель 2-х тактного ПЛМ SEANOVO 3F
Стартер 2-х тактного ПЛМ SEANOVO 3F
Струбцина 2-х тактного ПЛМ SEANOVO 3F
Электрика 2-х тактного ПЛМ SEANOVO 3F
Запчасти для 2-х тактного ПЛМ SEANOVO 3,5F
Двигатель 2-х тактного ПЛМ SEANOVO 3,5F
Дейдвуд+румпель 2-х тактного ПЛМ SEANOVO 3,5F
Колпак 2-х тактного ПЛМ SEANOVO 3,5F
Нижний корпус 2-х тактного ПЛМ SEANOVO 3,5F
Редуктор 2-х тактного ПЛМ SEANOVO 3,5F
Стартер 2-х тактного ПЛМ SEANOVO 3,5F
Струбцина 2-х тактного ПЛМ SEANOVO 3,5F
Электрика 2-х тактного ПЛМ SEANOVO 3,5F
Запчасти для 2-х тактного ПЛМ SEANOVO 4F
Двигатель (NEW) 2-х тактного ПЛМ SEANOVO 4F
Дейдвуд+румпель (NEW) 2-х тактного ПЛМ SEANOVO 4F
Колпак 2-х тактного ПЛМ SEANOVO 4F
Нижний корпус (NEW) 2-х тактного ПЛМ SEANOVO 4F
Редуктор (NEW) 2-х тактного ПЛМ SEANOVO 4F
Стартер 2-х тактного ПЛМ SEANOVO 4F
Струбцина 2-х тактного ПЛМ SEANOVO 4F
Электрика 2-х тактного ПЛМ SEANOVO 4F
Запчасти для 2-х тактного ПЛМ SEANOVO 5F
Двигатель 2-х тактного ПЛМ SEANOVO 5F
Дейдвуд 2-х тактного ПЛМ SEANOVO 5F
Колпак 2-х тактного ПЛМ SEANOVO 5F
Нижний корпус 2-х тактного ПЛМ SEANOVO 5F
Поршневая 2-х тактного ПЛМ SEANOVO 5F
Редуктор 2-х тактного ПЛМ SEANOVO 5F
Румпель 2-х тактного ПЛМ SEANOVO 5F
Стартер 2-х тактного ПЛМ SEANOVO 5F
Струбцина 2-х тактного ПЛМ SEANOVO 5F
Электрика 2-х тактного ПЛМ SEANOVO 5F
Запчасти для 2-х тактного ПЛМ SEANOVO 9,8F
Двигатель 2-х тактного ПЛМ SEANOVO 9,8FВИГАТЕЛЬ
Дейдвуд 2-х тактного ПЛМ SEANOVO 9,8F
Колпак 2-х тактного ПЛМ SEANOVO 9,8F
Нижний корпус 2-х тактного ПЛМ SEANOVO 9,8F
Поршневая 2-х тактного ПЛМ SEANOVO 9,8F
Редуктор 2-х тактного ПЛМ SEANOVO 9,8F
Румпель 2-х тактного ПЛМ SEANOVO 9,8F
Стартер 2-х тактного ПЛМ SEANOVO 9,8F
Струбцина 2-х тактного ПЛМ SEANOVO 9,8F
Электрика 2-х тактного ПЛМ SEANOVO 9,8F
Запчасти для 2-х тактного ПЛМ SEANOVO 15F
Двигатель 2-х тактного ПЛМ SEANOVO 15F
Дейдвуд 2-х тактного ПЛМ SEANOVO 15F
Колпак 2-х тактного ПЛМ SEANOVO 15F
Нижний корпус2-х тактного ПЛМ SEANOVO 15F
Поршневая группа 2-х тактного ПЛМ SEANOVO 15F
Редуктор 2-х тактного ПЛМ SEANOVO 15F
Румпель 2-х тактного ПЛМ SEANOVO 15F
Стартер 2-х тактного ПЛМ SEANOVO 15F
Струбцина 2-х тактного ПЛМ SEANOVO 15F (часть 1)
Струбцина 2-х тактного ПЛМ SEANOVO 15F(часть 2)
Топливный бак 2-х тактного ПЛМ SEANOVO 15F
Узлы в сборе 2-х тактного ПЛМ SEANOVO 15F
Электрика 2-х тактного ПЛМ SEANOVO 15F
Запчасти для 2-х тактного ПЛМ SEANOVO 20F
Двигатель 1 (дистанция) 2-х тактного ПЛМ SEANOVO 20F
Двигатель 2 (дистанция) 2-х тактного ПЛМ SEANOVO 20F
Двигатель 2-х тактного ПЛМ SEANOVO 20F
Колпак 2-х тактного ПЛМ SEANOVO 20F
Нижний корпус (дистанция) 2-х тактного ПЛМ SEANOVO 20F
Нижний корпус 2-х тактного ПЛМ SEANOVO 20F
Поршневая 2-х тактного ПЛМ SEANOVO 20F
Редуктор 2-х тактного ПЛМ SEANOVO 20F
Румпель 2-х тактного ПЛМ SEANOVO 20F
Стартер 2-х тактного ПЛМ SEANOVO 20F
Струбцина (дистанция) 2-х тактного ПЛМ SEANOVO 20F
Струбцина 2-х тактного ПЛМ SEANOVO 20F
Топливный бак 2-х тактного ПЛМ SEANOVO 20F
Электрика 2-х тактного ПЛМ SEANOVO 20F
Запчасти для 2-х тактного ПЛМ SEANOVO 30F
Двигатель (дистанция) 2-х тактного ПЛМ SEANOVO 30F
Двигатель 2-х тактного ПЛМ SEANOVO 30F
Дейдвуд 2-х тактного ПЛМ SEANOVO 30F
Карбюратор (дистанция) 2-х тактного ПЛМ SEANOVO 30F
Карбюратор 2-х тактного ПЛМ SEANOVO 30F
Колпак 2-х тактного ПЛМ SEANOVO 30F
Маховик 2-х тактного ПЛМ SEANOVO 30F
Поддон (дистанция) 2-х тактного ПЛМ SEANOVO 30F
Поддон 2-х тактного ПЛМ SEANOVO 30F
Поршневая 2-х тактного ПЛМ SEANOVO 30F
Прокладка базы двигателя 2-х тактного ПЛМ SEANOVO 30F
Редуктор 2-х тактного ПЛМ SEANOVO 30F
Румпель 2-х тактного ПЛМ SEANOVO 30F
Система переключения 2-х тактного ПЛМ SEANOVO 30F
Стартер 2-х тактного ПЛМ SEANOVO 30F
Струбцина 2-х тактного ПЛМ SEANOVO 30F
Электрика 2-х тактного ПЛМ SEANOVO 30F
Запчасти для 2-х тактного ПЛМ SEANOVO 40F
База двигателя (дистанция) 2-х тактного ПЛМ SEANOVO 40F
База двигателя 2-х тактного ПЛМ SEANOVO 40F
Двигатель (дистанция) 2-х тактного ПЛМ SEANOVO 40F
Двигатель 2-х тактного ПЛМ SEANOVO 40F
Дейдвуд 2-х тактного ПЛМ SEANOVO 40F
Коленчатый вал 2-х тактного ПЛМ SEANOVO 40F
Колпак 2-х тактного ПЛМ SEANOVO 40F
Кронштейн 2-х тактного ПЛМ SEANOVO 40F
Редуктор 2-х тактного ПЛМ SEANOVO 40F
Румпель 2-х тактного ПЛМ SEANOVO 40F
Стартер (ручной) 2-х тактного ПЛМ SEANOVO 40F
Струбцина 2-х тактного ПЛМ SEANOVO 40F
Запчасти для 4-х тактного ПЛМ SEANOVO F2,5BMS
Дейдвуд 4-Х ТАКТНОГО ПЛМ SEANOVO F2,5BMS
Зажимные части 4-Х ТАКТНОГО ПЛМ SEANOVO F2,5BMS
Капот верх 4-Х ТАКТНОГО ПЛМ SEANOVO F2,5BMS
Капот низ 4-Х ТАКТНОГО ПЛМ SEANOVO F2,5BMS
Клапанная система 4-Х ТАКТНОГО ПЛМ SEANOVO F2,5BMS
Коленвал 4-Х ТАКТНОГО ПЛМ SEANOVO F2,5BMS
Нижний блок 4-Х ТАКТНОГО ПЛМ SEANOVO F2,5BMS
Рулевое управление 4-Х ТАКТНОГО ПЛМ SEANOVO F2,5BMS
Ручной стартер 4-Х ТАКТНОГО ПЛМ SEANOVO F2,5BMS
Система питания 4-Х ТАКТНОГО ПЛМ SEANOVO F2,5BMS
Запчасти для 4-х тактного ПЛМ SEANOVO F5BMS
ДЕЙДВУД 4-Х ТАКТНОГО ПЛМ SEANOVO F5BMS
ЗАЖИМНЫЕ ЧАСТИ 4-Х ТАКТНОГО ПЛМ SEANOVO F5BMS
КАПОТ 4-Х ТАКТНОГО ПЛМ SEANOVO F5BMS
КЛАПАННАЯ СИСТЕМА 4-Х ТАКТНОГО ПЛМ SEANOVO F5BMS
НИЖНИЙ БЛОК 4-Х ТАКТНОГО ПЛМ SEANOVO F5BMS
НИЖНИЙ КАПОТ 4-Х ТАКТНОГО ПЛМ SEANOVO F5BMS
РУЧНОЙ СТАРТЕР 4-Х ТАКТНОГО ПЛМ SEANOVO F5BMS
СИСТЕМА ПИТАНИЯ 4-Х ТАКТНОГО ПЛМ SEANOVO F5BMS
ТОПЛИВНЫЙ БАК 4-Х ТАКТНОГО ПЛМ SEANOVO F5BMS
ЧАСТИ РУЛЕВОГО УПРАВЛЕНИЯ 4-Х ТАКТНОГО ПЛМ SEANOVO F5BMS
ШТОК ПОРШНЯ 4-Х ТАКТНОГО ПЛМ SEANOVO F5BMS
Запчасти для 4-х тактного ПЛМ SEANOVO F9.9BMS
ДЕЙДВУД 4-Х ТАКТНОГО ПЛМ SEANOVO F9.9BMS
ДЕТАЛИ ПОВОРОТНОГО КРОНШТЕЙНА 4-Х ТАКТНОГО ПЛМ SEANOVO F9.9BMS
ЗАЖИМНЫЕ ЧАСТИ 4-Х ТАКТНОГО ПЛМ SEANOVO F9.9BMS
КОЛЕНВАЛ И ПОРШЕНЬ 4-Х ТАКТНОГО ПЛМ SEANOVO F9.9BMS
НИЖНИЙ БЛОК 4-Х ТАКТНОГО ПЛМ SEANOVO F9.9BMS
НИЗ КАПОТА 4-Х ТАКТНОГО ПЛМ SEANOVO F9.9BMS
РУЧНОЙ СТАРТЕР 4-Х ТАКТНОГО ПЛМ SEANOVO F9.9BMS
СИСТЕМА ПИТАНИЯ 4-Х ТАКТНОГО ПЛМ SEANOVO F9.9BMS
ТОПЛИВНЫЙ БАК 4-Х ТАКТНОГО ПЛМ SEANOVO F9.9BMS
ЧАСТИ КЛАПАНА 4-Х ТАКТНОГО ПЛМ SEANOVO F9.9BMS
ЧАСТИ РУЛЕВОГО УПРАВЛЕНИЯ 4-Х ТАКТНОГО ПЛМ SEANOVO F9.9BMS
Запчасти для 4-х тактного ПЛМ SEANOVO F15BMS
Верх капота 4-Х ТАКТНОГО ПЛМ SEANOVO F15BMS
Винт (часть 1) 4-Х ТАКТНОГО ПЛМ SEANOVO F15BMS
Винт (часть 2) 4-Х ТАКТНОГО ПЛМ SEANOVO F15BMS
Дейдвуд 4-Х ТАКТНОГО ПЛМ SEANOVO F15BMS
Детали 4-Х ТАКТНОГО ПЛМ SEANOVO F15BMS
Детали переключения передач 4-Х ТАКТНОГО ПЛМ SEANOVO F15BMS
Зажимные части 4-Х ТАКТНОГО ПЛМ SEANOVO F15BMS
Карданный вал 4-Х ТАКТНОГО ПЛМ SEANOVO F15BMS
Коленчатый вал и поршень 4-Х ТАКТНОГО ПЛМ SEANOVO F15BMS
Корпус подшипника 4-Х ТАКТНОГО ПЛМ SEANOVO F15BMS
Кулачок 4-Х ТАКТНОГО ПЛМ SEANOVO F15BMS
Нижний корпус 4-Х ТАКТНОГО ПЛМ SEANOVO F15BMS
Низ капота 4-Х ТАКТНОГО ПЛМ SEANOVO F15BMS
Поворотный кронштейн 4-Х ТАКТНОГО ПЛМ SEANOVO F15BMS
Система питания 4-Х ТАКТНОГО ПЛМ SEANOVO F15BMS
Топливный бак 4-Х ТАКТНОГО ПЛМ SEANOVO F15BMS
Части рулевого управления 4-Х ТАКТНОГО ПЛМ SEANOVO F15BMS
Запчасти для подвесных лодочных моторов SUZUKI
Запчасти для ПЛМ SUZUKI DT9.9 — 15 · 2002 — 2012
Зажигание и электрика лодочного мотора SUZUKI DT9.9 — 15 · 2002 — 2012
Карбюратор и топливный носос лодочного мотора SUZUKI DT9.9 — 15 · 2002 — 2012
Коленчатый вал лодочного мотора SUZUKI DT9.9 — 15 · 2002 — 2012
Прокладки, сальники и уплотнения лодочного мотора SUZUKI DT9.9 — 15 · 2002 — 2012
Редуктор лодочного мотора SUZUKI DT9.9 — 15 · 2002 — 2012
Струбцина, румпель и поворотный механизм лодочного мотора SUZUKI DT9.9 — 15 · 2002 — 2012
Запчасти для ПЛМ SUZUKI DT25 — 30 · 2002 — 2013
Зажигание и электрика лодочного мотора SUZUKI DT25 — 30 · 2002 — 2013
Карбюратор и топливный носос лодочного мотора SUZUKI DT25 — 30 · 2002 — 2013
Коленчатый вал лодочного мотора SUZUKI DT25 — 30 · 2002 — 2013
Прокладки, сальники и уплотнения лодочного мотора SUZUKI DT25 — 30 · 2002 — 2013
Редуктор лодочного мотора SUZUKI DT25 — 30 · 2002 — 2013
Струбцина, румпель и поворотный механизм лодочного мотора SUZUKI DT25 — 30 · 2002 — 2013
Запчасти для ПЛМ SUZUKI DT40 · 2002 — 2013
Зажигание и электрика лодочного мотора SUZUKI DT40 · 2002 — 2013
Карбюратор и топливный насос лодочного мотора SUZUKI DT40 · 2002 — 2013
Коленчатый вал лодочного мотора SUZUKI DT40 · 2002 — 2013
Прокладки, сальники и уплотнения лодочного мотора SUZUKI DT40 · 2002 — 2013
Редуктор лодочного мотора SUZUKI DT40 · 2002 — 2013
Струбцина, румпель и поворотный механизм лодочного мотора SUZUKI DT40 · 2002 — 2013
Запчасти для подвесных лодочных моторов TITAN
Запчасти для 2-х тактного ПЛМ TITAN TP2.5AMHS
Генератор 2-Х ТАКТНОГО ПЛМ TITAN TP2.5AMHS
Дейдвуд 2-Х ТАКТНОГО ПЛМ TITAN TP2.5AMHS
Карбюратор 2-Х ТАКТНОГО ПЛМ TITAN TP2.5AMHS
Колпак и топливная система 2-Х ТАКТНОГО ПЛМ TITAN TP2.5AMHS
Редуктор и привод 2-Х ТАКТНОГО ПЛМ TITAN TP2.5AMHS
Стартер 2-Х ТАКТНОГО ПЛМ TITAN TP2.5AMHS
Струбцина 2-Х ТАКТНОГО ПЛМ TITAN TP2.5AMHS
Цилиндр и картер 2-Х ТАКТНОГО ПЛМ TITAN TP2.5AMHS
Запчасти для 2-х тактного ПЛМ TITAN TP3AMHS
Генератор 2-Х ТАКТНОГО ПЛМ TITAN TP3AMHS
Дейдвуд 2-Х ТАКТНОГО ПЛМ TITAN TP3AMHS
Карбюратор 2-Х ТАКТНОГО ПЛМ TITAN TP3AMHS
Колпак и топливная система 2-Х ТАКТНОГО ПЛМ TITAN TP3AMHS
Редуктор и привод 2-Х ТАКТНОГО ПЛМ TITAN TP3AMHS
Румпель 2-Х ТАКТНОГО ПЛМ TITAN TP3AMHS
Стартер 2-Х ТАКТНОГО ПЛМ TITAN TP3AMHS
Цилиндр и картер 2-Х ТАКТНОГО ПЛМ TITAN TP3AMHS
Электросистема 2-Х ТАКТНОГО ПЛМ TITAN TP3AMHS
Запчасти для 2-х тактного ПЛМ TITAN TP5AMHS
Генератор 2-Х ТАКТНОГО ПЛМ TITAN TP5AMHS
Дейдвуд и струбцина 2-Х ТАКТНОГО ПЛМ TITAN TP5AMHS
Капот 2-Х ТАКТНОГО ПЛМ TITAN TP5AMHS
Клапана и карбюратор 2-Х ТАКТНОГО ПЛМ TITAN TP5AMHS
Поддон 2-Х ТАКТНОГО ПЛМ TITAN TP5AMHS
Редуктор 2-Х ТАКТНОГО ПЛМ TITAN TP5AMHS
Система управления 2-Х ТАКТНОГО ПЛМ TITAN TP5AMHS
Стартер 2-Х ТАКТНОГО ПЛМ TITAN TP5AMHS
Топливный бак 2-Х ТАКТНОГО ПЛМ TITAN TP5AMHS
Цилиндр, картер и коленвал 2-Х ТАКТНОГО ПЛМ TITAN TP5AMHS
Электросистема 2-Х ТАКТНОГО ПЛМ TITAN TP5AMHS
Запчасти для 2-х тактного ПЛМ TITAN TP30AMHS
Генератор 2-Х ТАКТНОГО ПЛМ TITAN TP30AMHS
Двигатель 2-Х ТАКТНОГО ПЛМ TITAN TP30AMHS
Дейдвуд 2-Х ТАКТНОГО ПЛМ TITAN TP30AMHS
Капот 2-Х ТАКТНОГО ПЛМ TITAN TP30AMHS
Карбюратор 2-Х ТАКТНОГО ПЛМ TITAN TP30AMHS
Клапана 2-Х ТАКТНОГО ПЛМ TITAN TP30AMHS
Коленвал и поршень 2-Х ТАКТНОГО ПЛМ TITAN TP30AMHS
Корпус редуктора 2-Х ТАКТНОГО ПЛМ TITAN TP30AMHS
Кронштейн 2-Х ТАКТНОГО ПЛМ TITAN TP30AMHS
Машинка газ-реверс 2-Х ТАКТНОГО ПЛМ TITAN TP30AMHS
Поддон 2-Х ТАКТНОГО ПЛМ TITAN TP30AMHS
Редуктор 2-Х ТАКТНОГО ПЛМ TITAN TP30AMHS
Румпель 2-Х ТАКТНОГО ПЛМ TITAN TP30AMHS
Система управления (часть 1) 2-Х ТАКТНОГО ПЛМ TITAN TP30AMHS
Система управления (часть 2) 2-Х ТАКТНОГО ПЛМ TITAN TP30AMHS
Стартер 2-Х ТАКТНОГО ПЛМ TITAN TP30AMHS
Струбцина 2-Х ТАКТНОГО ПЛМ TITAN TP30AMHS
Топливная система 2-Х ТАКТНОГО ПЛМ TITAN TP30AMHS
Тяга рулевого управления 2-Х ТАКТНОГО ПЛМ TITAN TP30AMHS
Электросистема (часть 1) 2-Х ТАКТНОГО ПЛМ TITAN TP30AMHS
Электросистема (часть 2) 2-Х ТАКТНОГО ПЛМ TITAN TP30AMHS
Запчасти для 2-х тактного ПЛМ TITAN TP30AWHS
Генератор 2-Х ТАКТНОГО ПЛМ TITAN TP30AWHS
Двигатель 2-Х ТАКТНОГО ПЛМ TITAN TP30AWHS
Дейдвуд 2-Х ТАКТНОГО ПЛМ TITAN TP30AWHS
Капот 2-Х ТАКТНОГО ПЛМ TITAN TP30AWHS
Карбюратор 2-Х ТАКТНОГО ПЛМ TITAN TP30AWHS
Клапана 2-Х ТАКТНОГО ПЛМ TITAN TP30AWHS
Коленвал и поршень 2-Х ТАКТНОГО ПЛМ TITAN TP30AWHS
Корпус редуктора 2-Х ТАКТНОГО ПЛМ TITAN TP30AWHS
Кронштейн 2-Х ТАКТНОГО ПЛМ TITAN TP30AWHS
Машинка газ-реверс 2-Х ТАКТНОГО ПЛМ TITAN TP30AWHS
Поддон 2-Х ТАКТНОГО ПЛМ TITAN TP30AWHS
Редуктор 2-Х ТАКТНОГО ПЛМ TITAN TP30AWHS
Румпель 2-Х ТАКТНОГО ПЛМ TITAN TP30AWHS
Система управления (часть 1) 2-Х ТАКТНОГО ПЛМ TITAN TP30AWHS
Система управления (часть 2) 2-Х ТАКТНОГО ПЛМ TITAN TP30AWHS
Стартер 2-Х ТАКТНОГО ПЛМ TITAN TP30AWHS
Струбцина 2-Х ТАКТНОГО ПЛМ TITAN TP30AWHS
Топливная система 2-Х ТАКТНОГО ПЛМ TITAN TP30AWHS
Тяга рулевого управления 2-Х ТАКТНОГО ПЛМ TITAN TP30AWHS
Электросистема (часть 1) 2-Х ТАКТНОГО ПЛМ TITAN TP30AWHS
Электросистема (часть 2) 2-Х ТАКТНОГО ПЛМ TITAN TP30AWHS
Электростартер 2-Х ТАКТНОГО ПЛМ TITAN TP30AWHS
Запчасти для 2-х тактного ПЛМ TITAN TP40AERTS
Генератор 2-Х ТАКТНОГО ПЛМ TITAN TP40AERTS
Двигатель 2-Х ТАКТНОГО ПЛМ TITAN TP40AERTS
Дейдвуд 2-Х ТАКТНОГО ПЛМ TITAN TP40AERTS
Капот 2-Х ТАКТНОГО ПЛМ TITAN TP40AERTS
Карбюратор 2-Х ТАКТНОГО ПЛМ TITAN TP40AERTS
Клапана 2-Х ТАКТНОГО ПЛМ TITAN TP40AERTS
Коленвал и поршень 2-Х ТАКТНОГО ПЛМ TITAN TP40AERTS
Корпус редуктора 2-Х ТАКТНОГО ПЛМ TITAN TP40AERTS
Кронштейн 2-Х ТАКТНОГО ПЛМ TITAN TP40AERTS
Машинка газ-реверс 2-Х ТАКТНОГО ПЛМ TITAN TP40AERTS
Поддон 2-Х ТАКТНОГО ПЛМ TITAN TP40AERTS
Редуктор 2-Х ТАКТНОГО ПЛМ TITAN TP40AERTS
Рулевая тяга 2-Х ТАКТНОГО ПЛМ TITAN TP40AERTS
Румпель 2-Х ТАКТНОГО ПЛМ TITAN TP40AERTS
Система управления 2-Х ТАКТНОГО ПЛМ TITAN TP40AERTS
Стартер 2-Х ТАКТНОГО ПЛМ TITAN TP40AERTS
Струбцина 2-Х ТАКТНОГО ПЛМ TITAN TP40AERTS
Топливная система 2-Х ТАКТНОГО ПЛМ TITAN TP40AERTS
Топливный бак 2-Х ТАКТНОГО ПЛМ TITAN TP40AERTS
Электросистема (часть 1) 2-Х ТАКТНОГО ПЛМ TITAN TP40AERTS
Электросистема (часть 2) 2-Х ТАКТНОГО ПЛМ TITAN TP40AERTS
Электросистема (часть 3) 2-Х ТАКТНОГО ПЛМ TITAN TP40AERTS
Электростартер 2-Х ТАКТНОГО ПЛМ TITAN TP40AERTS
Запчасти для 2-х тактного ПЛМ TITAN TP40AMHS
Генератор 2-Х ТАКТНОГО ПЛМ TITAN TP40AMHS
Двигатель 2-Х ТАКТНОГО ПЛМ TITAN TP40AMHS
Дейдвуд 2-Х ТАКТНОГО ПЛМ TITAN TP40AMHS
Капот 2-Х ТАКТНОГО ПЛМ TITAN TP40AMHS
Карбюратор 2-Х ТАКТНОГО ПЛМ TITAN TP40AMHS
Клапана 2-Х ТАКТНОГО ПЛМ TITAN TP40AMHS
Коленвал и поршень 2-Х ТАКТНОГО ПЛМ TITAN TP40AMHS
Корпус редуктора 2-Х ТАКТНОГО ПЛМ TITAN TP40AMHS
Кронштейн 2-Х ТАКТНОГО ПЛМ TITAN TP40AMHS
Машинка газ-реверс 2-Х ТАКТНОГО ПЛМ TITAN TP40AMHS
Поддон 2-Х ТАКТНОГО ПЛМ TITAN TP40AMHS
Редуктор 2-Х ТАКТНОГО ПЛМ TITAN TP40AMHS
Рулевая тяга 2-Х ТАКТНОГО ПЛМ TITAN TP40AMHS
Румпель 2-Х ТАКТНОГО ПЛМ TITAN TP40AMHS
Система управления 2-Х ТАКТНОГО ПЛМ TITAN TP40AMHS
Стартер 2-Х ТАКТНОГО ПЛМ TITAN TP40AMHS
Струбцина 2-Х ТАКТНОГО ПЛМ TITAN TP40AMHS
Топливная система 2-Х ТАКТНОГО ПЛМ TITAN TP40AMHS
Топливный бак 2-Х ТАКТНОГО ПЛМ TITAN TP40AMHS
Электросистема (часть 1) 2-Х ТАКТНОГО ПЛМ TITAN TP40AMHS
Электросистема (часть 2) 2-Х ТАКТНОГО ПЛМ TITAN TP40AMHS
Электросистема (часть 3) 2-Х ТАКТНОГО ПЛМ TITAN TP40AMHS
Запчасти для 4-х тактного ПЛМ TITAN FTP20AWRS
Впускная система 4-Х ТАКТНОГО ПЛМ TITAN FTP20AWRS
Генератор 4-Х ТАКТНОГО ПЛМ TITAN FTP20AWRS
Головка блока 4-Х ТАКТНОГО ПЛМ TITAN FTP20AWRS
Двигатель 4-Х ТАКТНОГО ПЛМ TITAN FTP20AWRS
Дейдвуд 4-Х ТАКТНОГО ПЛМ TITAN FTP20AWRS
Карбюратор 4-Х ТАКТНОГО ПЛМ TITAN FTP20AWRS
Клапана 4-Х ТАКТНОГО ПЛМ TITAN FTP20AWRS
Коленвал и поршень 4-Х ТАКТНОГО ПЛМ TITAN FTP20AWRS
Колпак 4-Х ТАКТНОГО ПЛМ TITAN FTP20AWRS
Масляный поддон 4-Х ТАКТНОГО ПЛМ TITAN FTP20AWRS
Поддон 4-Х ТАКТНОГО ПЛМ TITAN FTP20AWRS
Распредвал и масляный насос 4-Х ТАКТНОГО ПЛМ TITAN FTP20AWRS
Редуктор (часть 1) 4-Х ТАКТНОГО ПЛМ TITAN FTP20AWRS
Редуктор (часть 2) 4-Х ТАКТНОГО ПЛМ TITAN FTP20AWRS
Рулевое управление 4-Х ТАКТНОГО ПЛМ TITAN FTP20AWRS
Система переключения передач (часть 1) 4-Х ТАКТНОГО ПЛМ TITAN FTP20AWRS
Система переключения передач (часть 2) 4-Х ТАКТНОГО ПЛМ TITAN FTP20AWRS
Стартер 4-Х ТАКТНОГО ПЛМ TITAN FTP20AWRS
Струбцина (часть 1) 4-Х ТАКТНОГО ПЛМ TITAN FTP20AWRS
Струбцина (часть 2) 4-Х ТАКТНОГО ПЛМ TITAN FTP20AWRS
Топливная система 4-Х ТАКТНОГО ПЛМ TITAN FTP20AWRS
Топливный бак 4-Х ТАКТНОГО ПЛМ TITAN FTP20AWRS
Электросистема (часть 1) 4-Х ТАКТНОГО ПЛМ TITAN FTP20AWRS
Электросистема (часть 2) 4-Х ТАКТНОГО ПЛМ TITAN FTP20AWRS
Электросистема (часть 3) 4-Х ТАКТНОГО ПЛМ TITAN FTP20AWRS
Электросистема (часть 4) 4-Х ТАКТНОГО ПЛМ TITAN FTP20AWRS
Запчасти для 4-х тактного ПЛМ TITAN FTP20AMHS
Впускная система 4-Х ТАКТНОГО ПЛМ TITAN FTP20AMHS
Генератор 4-Х ТАКТНОГО ПЛМ TITAN FTP20AMHS
Головка блока 4-Х ТАКТНОГО ПЛМ TITAN FTP20AMHS
Двигатель 4-Х ТАКТНОГО ПЛМ TITAN FTP20AMHS
Дейдвуд 4-Х ТАКТНОГО ПЛМ TITAN FTP20AMHS
Карбюратор 4-Х ТАКТНОГО ПЛМ TITAN FTP20AMHS
Клапана 4-Х ТАКТНОГО ПЛМ TITAN FTP20AMHS
Коленвал и поршень 4-Х ТАКТНОГО ПЛМ TITAN FTP20AMHS
Колпак 4-Х ТАКТНОГО ПЛМ TITAN FTP20AMHS
Масляный поддон 4-Х ТАКТНОГО ПЛМ TITAN FTP20AMHS
Поддон 4-Х ТАКТНОГО ПЛМ TITAN FTP20AMHS
Распредвал и масляный насос 4-Х ТАКТНОГО ПЛМ TITAN FTP20AMHS
Редуктор (часть 1) 4-Х ТАКТНОГО ПЛМ TITAN FTP20AMHS
Редуктор (часть 2) 4-Х ТАКТНОГО ПЛМ TITAN FTP20AMHS
Рулевое управление 4-Х ТАКТНОГО ПЛМ TITAN FTP20AMHS
Румпель 4-Х ТАКТНОГО ПЛМ TITAN FTP20AMHS
Система переключения передач (часть 1) 4-Х ТАКТНОГО ПЛМ TITAN FTP20AMHS
Система переключения передач (часть 2) 4-Х ТАКТНОГО ПЛМ TITAN FTP20AMHS
Стартер 4-Х ТАКТНОГО ПЛМ TITAN FTP20AMHS
Струбцина (часть 1) 4-Х ТАКТНОГО ПЛМ TITAN FTP20AMHS
Струбцина (часть 2) 4-Х ТАКТНОГО ПЛМ TITAN FTP20AMHS
Топливная система 4-Х ТАКТНОГО ПЛМ TITAN FTP20AMHS
Топливный бак 4-Х ТАКТНОГО ПЛМ TITAN FTP20AMHS
Электросистема (часть 1) 4-Х ТАКТНОГО ПЛМ TITAN FTP20AMHS
Электросистема (часть 2) 4-Х ТАКТНОГО ПЛМ TITAN FTP20AMHS
Электросистема (часть 3) 4-Х ТАКТНОГО ПЛМ TITAN FTP20AMHS
Электросистема (часть 4) 4-Х ТАКТНОГО ПЛМ TITAN FTP20AMHS
Запчасти для 4-х тактного ПЛМ TITAN FTP20AWHS
Впускная система 4-Х ТАКТНОГО ПЛМ TITAN FTP20AWHS
Генератор 4-Х ТАКТНОГО ПЛМ TITAN FTP20AWHS
Головка блока 4-Х ТАКТНОГО ПЛМ TITAN FTP20AWHS
Двигатель 4-Х ТАКТНОГО ПЛМ TITAN FTP20AWHS
Дейдвуд 4-Х ТАКТНОГО ПЛМ TITAN FTP20AWHS
Карбюратор 4-Х ТАКТНОГО ПЛМ TITAN FTP20AWHS
Клапана 4-Х ТАКТНОГО ПЛМ TITAN FTP20AWHS
Коленвал и поршень 4-Х ТАКТНОГО ПЛМ TITAN FTP20AWHS
Колпак 4-Х ТАКТНОГО ПЛМ TITAN FTP20AWHS
Масляный поддон 4-Х ТАКТНОГО ПЛМ TITAN FTP20AWHS
Поддон 4-Х ТАКТНОГО ПЛМ TITAN FTP20AWHS
Распредвал и масляный насос 4-Х ТАКТНОГО ПЛМ TITAN FTP20AWHS
Редуктор (часть 1) 4-Х ТАКТНОГО ПЛМ TITAN FTP20AWHS
Редуктор (часть 2) 4-Х ТАКТНОГО ПЛМ TITAN FTP20AWHS
Рулевое управление 4-Х ТАКТНОГО ПЛМ TITAN FTP20AWHS
Румпель 4-Х ТАКТНОГО ПЛМ TITAN FTP20AWHS
Система переключения передач (часть 1) 4-Х ТАКТНОГО ПЛМ TITAN FTP20AWHS
Система переключения передач (часть 2) 4-Х ТАКТНОГО ПЛМ TITAN FTP20AWHS
Стартер 4-Х ТАКТНОГО ПЛМ TITAN FTP20AWHS
Струбцина (часть 1) 4-Х ТАКТНОГО ПЛМ TITAN FTP20AWHS
Струбцина (часть 2) 4-Х ТАКТНОГО ПЛМ TITAN FTP20AWHS
Топливная система 4-Х ТАКТНОГО ПЛМ TITAN FTP20AWHS
Топливный бак 4-Х ТАКТНОГО ПЛМ TITAN FTP20AWHS
Электросистема (часть 1) 4-Х ТАКТНОГО ПЛМ TITAN FTP20AWHS
Электросистема (часть 2) 4-Х ТАКТНОГО ПЛМ TITAN FTP20AWHS
Электросистема (часть 3) 4-Х ТАКТНОГО ПЛМ TITAN FTP20AWHS
Электросистема (часть 4) 4-Х ТАКТНОГО ПЛМ TITAN FTP20AWHS
Запчасти для подвесных лодочных моторов TOHATSU
Запчасти для ПЛМ TOHATSU 9.9 — 15 · 2003 — 2014
Зажигание и электрика лодочного мотора TOHATSU 9.9 — 15 · 2003 — 2014
Коленчатый вал лодочного мотора TOHATSU 9.9 — 15 · 2003 — 2014
Прокладки, сальники и уплотнения лодочного мотора TOHATSU 9.9 — 15 · 2003 — 2014
Редуктор лодочного мотора TOHATSU 9.9 — 15 · 2003 — 2014
Ручной стартер лодочного мотора TOHATSU 9.9 — 15 · 2003 — 2014
Струбцина, румпель и поворотный механизм лодочного мотора TOHATSU 9.9 — 15 · 2003 — 2014
Запчасти для ПЛМ TOHATSU 18 · 2003 — 2014
Зажигание и электрика лодочного мотора TOHATSU 18 · 2003 — 2014
Карбюратор и топливный насос лодочного мотора TOHATSU 18 · 2003 — 2014
Коленчатый вал лодочного мотора TOHATSU 18 · 2003 — 2014
Прокладки, сальники и уплотнения лодочного мотора TOHATSU 18 · 2003 — 2014
Редуктор лодочного мотора TOHATSU 18 · 2003 — 2014
Ручной стартер лодочного мотора TOHATSU 18 · 2003 — 2014
Струбцина, румпель и поворотный механизм лодочного мотора TOHATSU 18 · 2003 — 2014
Запчасти для ПЛМ TOHATSU 25 — 30 · 2003 — 2014
Зажигание и электрика лодочного мотора TOHATSU 25 — 30 · 2003 — 2014
Коленчатый вал лодочного мотора TOHATSU 25 — 30 · 2003 — 2014
Прокладки, сальники и уплотнения лодочного мотора TOHATSU 25 — 30 · 2003 — 2014
Редуктор лодочного мотора TOHATSU 25 — 30 · 2003 — 2014
Ручной стартер лодочного мотора TOHATSU 25 — 30 · 2003 — 2014
Струбцина, румпель и поворотный механизм лодочного мотора TOHATSU 25 — 30 · 2003 — 2014
Запчасти для ПЛМ TOHATSU 40 — 50D · 2003 — 2014
Карбюратор и топливный носос лодочного мотора TOHATSU 40 — 50D · 2003 — 2014
Коленчатый вал лодочного мотора TOHATSU 40 — 50D · 2003 — 2014
Прокладки, сальники и уплотнения лодочного мотора TOHATSU 40 — 50D · 2003 — 2014
Запчасти для подвесных лодочных моторов YAMABISI
Запчасти для 2-х тактного ПЛМ YAMABISI T2.6BMS
Генератор 2-Х ТАКТНОГО ПЛМ YAMABISI T2.6BMS
Дейдвуд 2-Х ТАКТНОГО ПЛМ YAMABISI T2.6BMS
Карбюратор 2-Х ТАКТНОГО ПЛМ YAMABISI T2.6BMS
Колпак и топливная система 2-Х ТАКТНОГО ПЛМ YAMABISI T2.6BMS
Редуктор и привод 2-Х ТАКТНОГО ПЛМ YAMABISI T2.6BMS
Стартер 2-Х ТАКТНОГО ПЛМ YAMABISI T2.6BMS
Струбцина 2-Х ТАКТНОГО ПЛМ YAMABISI T2.6BMS
Цилиндр и картер 2-Х ТАКТНОГО ПЛМ YAMABISI T2.6BMS
Запчасти для 2-х тактного ПЛМ YAMABISI T5BMS
Генератор 2-Х ТАКТНОГО ПЛМ YAMABISI T5BMS
Дейдвуд и струбцина 2-Х ТАКТНОГО ПЛМ YAMABISI T5BMS
Капот 2-Х ТАКТНОГО ПЛМ YAMABISI T5BMS
Клапана и карбюратор 2-Х ТАКТНОГО ПЛМ YAMABISI T5BMS
Поддон 2-Х ТАКТНОГО ПЛМ YAMABISI T5BMS
Редуктор 2-Х ТАКТНОГО ПЛМ YAMABISI T5BMS
Система управления 2-Х ТАКТНОГО ПЛМ YAMABISI T5BMS
Стартер 2-Х ТАКТНОГО ПЛМ YAMABISI T5BMS
Топливный бак 2-Х ТАКТНОГО ПЛМ YAMABISI T5BMS
Цилиндр, картер и коленвал 2-Х ТАКТНОГО ПЛМ YAMABISI T5BMS
Электросистема 2-Х ТАКТНОГО ПЛМ YAMABISI T5BMS
Запчасти для 2-х тактного ПЛМ YAMABISI T5BMSS
Генератор 2-Х ТАКТНОГО ПЛМ YAMABISI T5BMSS
Дейдвуд и струбцина 2-Х ТАКТНОГО ПЛМ YAMABISI T5BMSS
Капот 2-Х ТАКТНОГО ПЛМ YAMABISI T5BMSS
Клапана и карбюратор 2-Х ТАКТНОГО ПЛМ YAMABISI T5BMSS
Поддон 2-Х ТАКТНОГО ПЛМ YAMABISI T5BMSS
Редуктор 2-Х ТАКТНОГО ПЛМ YAMABISI T5BMSS
Система управления 2-Х ТАКТНОГО ПЛМ YAMABISI T5BMSS
Стартер 2-Х ТАКТНОГО ПЛМ YAMABISI T5BMSS
Топливный бак 2-Х ТАКТНОГО ПЛМ YAMABISI T5BMSS
Цилиндр, картер и коленвал 2-Х ТАКТНОГО ПЛМ YAMABISI T5BMSS
Электросистема 2-Х ТАКТНОГО ПЛМ YAMABISI T5BMSS
Запчасти для 2-х тактного ПЛМ YAMABISI T9.8BMS
Генератор 2-Х ТАКТНОГО ПЛМ YAMABISI T9.8BMS
Дейдвуд 2-Х ТАКТНОГО ПЛМ YAMABISI T9.8BMS
Капот и поддон 2-Х ТАКТНОГО ПЛМ YAMABISI T9.8BMS
Карбюратор (часть 1) 2-Х ТАКТНОГО ПЛМ YAMABISI T9.8BMS
Карбюратор (часть 2) 2-Х ТАКТНОГО ПЛМ YAMABISI T9.8BMS
Коленвал и поршень 2-Х ТАКТНОГО ПЛМ YAMABISI T9.8BMS
Корпус редуктора 2-Х ТАКТНОГО ПЛМ YAMABISI T9.8BMS
Редуктор 2-Х ТАКТНОГО ПЛМ YAMABISI T9.8BMS
Система управления 2-Х ТАКТНОГО ПЛМ YAMABISI T9.8BMS
Стартер 2-Х ТАКТНОГО ПЛМ YAMABISI T9.8BMS
Струбцина 2-Х ТАКТНОГО ПЛМ YAMABISI T9.8BMS
Топливная система 2-Х ТАКТНОГО ПЛМ YAMABISI T9.8BMS
Цилиндр и картер 2-Х ТАКТНОГО ПЛМ YAMABISI T9.8BMS
Электросистема 2-Х ТАКТНОГО ПЛМ YAMABISI T9.8BMS
Запчасти для 2-х тактного ПЛМ YAMABISI T9.9-15BMS
Генератор 2-Х ТАКТНОГО ПЛМ YAMABISI T9.9-15BMS
Двигатель 2-Х ТАКТНОГО ПЛМ YAMABISI T9.9-15BMS
Дейдвуд 2-Х ТАКТНОГО ПЛМ YAMABISI T9.9-15BMS
Капот 2-Х ТАКТНОГО ПЛМ YAMABISI T9.9-15BMS
Карбюратор 2-Х ТАКТНОГО ПЛМ YAMABISI T9.9-15BMS
Клапана 2-Х ТАКТНОГО ПЛМ YAMABISI T9.9-15BMS
Коленвал и поршень 2-Х ТАКТНОГО ПЛМ YAMABISI T9.9-15BMS
Корпус редуктора 2-Х ТАКТНОГО ПЛМ YAMABISI T9.9-15BMS
Кронштейн 2-Х ТАКТНОГО ПЛМ YAMABISI T9.9-15BMS
Поддон 2-Х ТАКТНОГО ПЛМ YAMABISI T9.9-15BMS
Редуктор 2-Х ТАКТНОГО ПЛМ YAMABISI T9.9-15BMS
Румпель 2-Х ТАКТНОГО ПЛМ YAMABISI T9.9-15BMS
Система управления 2-Х ТАКТНОГО ПЛМ YAMABISI T9.9-15BMS
Стартер 2-Х ТАКТНОГО ПЛМ YAMABISI T9.9-15BMS
Струбцина 2-Х ТАКТНОГО ПЛМ YAMABISI T9.9-15BMS
Топливная система 2-Х ТАКТНОГО ПЛМ YAMABISI T9.9-15BMS
Топливный бак 2-Х ТАКТНОГО ПЛМ YAMABISI T9.9-15BMS
Электросистема 2-Х ТАКТНОГО ПЛМ YAMABISI T9.9-15BMS
Запчасти для 2-х тактного ПЛМ YAMABISI T30BMS
Генератор 2-Х ТАКТНОГО ПЛМ YAMABISI T30BMS
Двигатель 2-Х ТАКТНОГО ПЛМ YAMABISI T30BMS
Дейдвуд 2-Х ТАКТНОГО ПЛМ YAMABISI T30BMS
Капот 2-Х ТАКТНОГО ПЛМ YAMABISI T30BMS
Карбюратор 2-Х ТАКТНОГО ПЛМ YAMABISI T30BMS
Клапана 2-Х ТАКТНОГО ПЛМ YAMABISI T30BMS
Коленвал и поршень 2-Х ТАКТНОГО ПЛМ YAMABISI T30BMS
Корпус редуктора 2-Х ТАКТНОГО ПЛМ YAMABISI T30BMS
Кронштейн 2-Х ТАКТНОГО ПЛМ YAMABISI T30BMS
Машинка газ-реверс 2-Х ТАКТНОГО ПЛМ YAMABISI T30BMS
Поддон 2-Х ТАКТНОГО ПЛМ YAMABISI T30BMS
Редуктор 2-Х ТАКТНОГО ПЛМ YAMABISI T30BMS
Румпель 2-Х ТАКТНОГО ПЛМ YAMABISI T30BMS
Система управления (часть 1) 2-Х ТАКТНОГО ПЛМ YAMABISI T30BMS
Система управления (часть 2) 2-Х ТАКТНОГО ПЛМ YAMABISI T30BMS
Стартер 2-Х ТАКТНОГО ПЛМ YAMABISI T30BMS
Струбцина 2-Х ТАКТНОГО ПЛМ YAMABISI T30BMS
Топливная система 2-Х ТАКТНОГО ПЛМ YAMABISI T30BMS
Тяга рулевого управления 2-Х ТАКТНОГО ПЛМ YAMABISI T30BMS
Электросистема (часть 1) 2-Х ТАКТНОГО ПЛМ YAMABISI T30BMS
Электросистема (часть 2) 2-Х ТАКТНОГО ПЛМ YAMABISI T30BMS
Электростартер 2-Х ТАКТНОГО ПЛМ YAMABISI T30BMS
Запчасти для 4-х тактного ПЛМ YAMABISI F2.5BMS
Впускная система 4-Х ТАКТНОГО ПЛМ YAMABISI F2.5BMS
Генератор 4-Х ТАКТНОГО ПЛМ YAMABISI F2.5BMS
Двигатель 4-Х ТАКТНОГО ПЛМ YAMABISI F2.5BMS
Дейдвуд 4-Х ТАКТНОГО ПЛМ YAMABISI F2.5BMS
Карбюратор 4-Х ТАКТНОГО ПЛМ YAMABISI F2.5BMS
Клапана 4-Х ТАКТНОГО ПЛМ YAMABISI F2.5BMS
Коленвал и поршень 4-Х ТАКТНОГО ПЛМ YAMABISI F2.5BMS
Колпак 4-Х ТАКТНОГО ПЛМ YAMABISI F2.5BMS
Поддон 4-Х ТАКТНОГО ПЛМ YAMABISI F2.5BMS
Редуктор (часть 1) 4-Х ТАКТНОГО ПЛМ YAMABISI F2.5BMS
Редуктор (часть 2) 4-Х ТАКТНОГО ПЛМ YAMABISI F2.5BMS
Румпель 4-Х ТАКТНОГО ПЛМ YAMABISI F2.5BMS
Стартер 4-Х ТАКТНОГО ПЛМ YAMABISI F2.5BMS
Струбцина 4-Х ТАКТНОГО ПЛМ YAMABISI F2.5BMS
Топливный бак 4-Х ТАКТНОГО ПЛМ YAMABISI F2.5BMS
Управление скоростями 4-Х ТАКТНОГО ПЛМ YAMABISI F2.5BMS
Цилиндр и картер 4-Х ТАКТНОГО ПЛМ YAMABISI F2.5BMS
Запчасти для 4-х тактного ПЛМ YAMABISI F5BMS
Впускная система 4-Х ТАКТНОГО ПЛМ YAMABISI F5BMS
Генератор 4-Х ТАКТНОГО ПЛМ YAMABISI F5BMS
Двигатель 4-Х ТАКТНОГО ПЛМ YAMABISI F5BMS
Дейдвуд 4-Х ТАКТНОГО ПЛМ YAMABISI F5BMS
Карбюратор 4-Х ТАКТНОГО ПЛМ YAMABISI F5BMS
Клапана 4-Х ТАКТНОГО ПЛМ YAMABISI F5BMS
Коленвал и поршень 4-Х ТАКТНОГО ПЛМ YAMABISI F5BMS
Колпак 4-Х ТАКТНОГО ПЛМ YAMABISI F5BMS
Поддон 4-Х ТАКТНОГО ПЛМ YAMABISI F5BMS
Редуктор (часть 1) 4-Х ТАКТНОГО ПЛМ YAMABISI F5BMS
Редуктор (часть 2) 4-Х ТАКТНОГО ПЛМ YAMABISI F5BMS
Румпель 4-Х ТАКТНОГО ПЛМ YAMABISI F5BMS
Стартер 4-Х ТАКТНОГО ПЛМ YAMABISI F5BMS
Струбцина 4-Х ТАКТНОГО ПЛМ YAMABISI F5BMS
Топливная система (часть 1) 4-Х ТАКТНОГО ПЛМ YAMABISI F5BMS
Топливная система (часть 2) 4-Х ТАКТНОГО ПЛМ YAMABISI F5BMS
Топливный бак 4-Х ТАКТНОГО ПЛМ YAMABISI F5BMS
Управление скоростями 4-Х ТАКТНОГО ПЛМ YAMABISI F5BMS
Цилиндр и картер 4-Х ТАКТНОГО ПЛМ YAMABISI F5BMS
Электросистема 4-Х ТАКТНОГО ПЛМ YAMABISI F5BMS
Запчасти для 4-х тактного ПЛМ YAMABISI F9.9BMS
Блок блокировки 4-Х ТАКТНОГО ПЛМ YAMABISI F9.9BMS
Впускная система 4-Х ТАКТНОГО ПЛМ YAMABISI F9.9BMS
Головка блока 4-Х ТАКТНОГО ПЛМ YAMABISI F9.9BMS
Двигатель 4-Х ТАКТНОГО ПЛМ YAMABISI F9.9BMS
Дейдвуд 4-Х ТАКТНОГО ПЛМ YAMABISI F9.9BMS
Карбюратор 4-Х ТАКТНОГО ПЛМ YAMABISI F9.9BMS
Клапана 4-Х ТАКТНОГО ПЛМ YAMABISI F9.9BMS
Коленвал и поршень 4-Х ТАКТНОГО ПЛМ YAMABISI F9.9BMS
Колпак 4-Х ТАКТНОГО ПЛМ YAMABISI F9.9BMS
Масляный поддон 4-Х ТАКТНОГО ПЛМ YAMABISI F9.9BMS
Маховик 4-Х ТАКТНОГО ПЛМ YAMABISI F9.9BMS
Поддон 4-Х ТАКТНОГО ПЛМ YAMABISI F9.9BMS
Распредвал и масляный насос 4-Х ТАКТНОГО ПЛМ YAMABISI F9.9BMS
Редуктор (часть 1) 4-Х ТАКТНОГО ПЛМ YAMABISI F9.9BMS
Редуктор (часть 2) 4-Х ТАКТНОГО ПЛМ YAMABISI F9.9BMS
Румпель (часть 1) 4-Х ТАКТНОГО ПЛМ YAMABISI F9.9BMS
Румпель (часть 2) 4-Х ТАКТНОГО ПЛМ YAMABISI F9.9BMS
Система переключения передач 4-Х ТАКТНОГО ПЛМ YAMABISI F9.9BMS
Стартер 4-Х ТАКТНОГО ПЛМ YAMABISI F9.9BMS
Струбцина (часть 1) 4-Х ТАКТНОГО ПЛМ YAMABISI F9.9BMS
Струбцина (часть 2) 4-Х ТАКТНОГО ПЛМ YAMABISI F9.9BMS
Топливная система 4-Х ТАКТНОГО ПЛМ YAMABISI F9.9BMS
Топливный бак 4-Х ТАКТНОГО ПЛМ YAMABISI F9.9BMS
Электросистема (часть 1) 4-Х ТАКТНОГО ПЛМ YAMABISI F9.9BMS
Электросистема (часть 2) 4-Х ТАКТНОГО ПЛМ YAMABISI F9.9BMS
Запчасти для 2-х тактного ПЛМ YAMABISI T40BWS
Генератор 2-Х ТАКТНОГО ПЛМ YAMABISI T40BWS
Двигатель 2-Х ТАКТНОГО ПЛМ YAMABISI T40BWS
Дейдвуд 2-Х ТАКТНОГО ПЛМ YAMABISI T40BWS
Капот 2-Х ТАКТНОГО ПЛМ YAMABISI T40BWS
Карбюратор 2-Х ТАКТНОГО ПЛМ YAMABISI T40BWS
Клапана 2-Х ТАКТНОГО ПЛМ YAMABISI T40BWS
Коленвал и поршень 2-Х ТАКТНОГО ПЛМ YAMABISI T40BWS
Корпус редуктора 2-Х ТАКТНОГО ПЛМ YAMABISI T40BWS
Кронштейн 2-Х ТАКТНОГО ПЛМ YAMABISI T40BWS
Машинка газ-реверс 2-Х ТАКТНОГО ПЛМ YAMABISI T40BWS
Поддон 2-Х ТАКТНОГО ПЛМ YAMABISI T40BWS
Редуктор 2-Х ТАКТНОГО ПЛМ YAMABISI T40BWS
Рулевая тяга 2-Х ТАКТНОГО ПЛМ YAMABISI T40BWS
Румпель 2-Х ТАКТНОГО ПЛМ YAMABISI T40BWS
Система управления 2-Х ТАКТНОГО ПЛМ YAMABISI T40BWS
Стартер 2-Х ТАКТНОГО ПЛМ YAMABISI T40BWS
Струбцина 2-Х ТАКТНОГО ПЛМ YAMABISI T40BWS
Топливная система 2-Х ТАКТНОГО ПЛМ YAMABISI T40BWS
Топливный бак 2-Х ТАКТНОГО ПЛМ YAMABISI T40BWS
Электросистема (часть 1) 2-Х ТАКТНОГО ПЛМ YAMABISI T40BWS
Электросистема (часть 2) 2-Х ТАКТНОГО ПЛМ YAMABISI T40BWS
Электросистема (часть 3) 2-Х ТАКТНОГО ПЛМ YAMABISI T40BWS
Электростартер 2-Х ТАКТНОГО ПЛМ YAMABISI T40BWS
Запчасти для подвесных лодочных моторов YAMAHA
Запчасти для ПЛМ YAMAHA 9.9 — 15FMH · 2005 — 2014
Зажигание лодочного мотора YAMAHA 9.9 — 15FMH · 2005 — 2014
Карбюратор и топливный насос лодочного мотора YAMAHA 9.9 — 15FMH · 2005 — 2014
Коленчатый вал лодочного мотора YAMAHA 9.9 — 15FMH · 2005 — 2014
Прокладки, сальники и уплотнения лодочного мотора YAMAHA 9.9 — 15FMH · 2005 — 2014
Редуктор лодочного мотора YAMAHA 9.9 — 15FMH · 2005 — 2014
Ручной стартер лодочного мотора YAMAHA 9.9 — 15FMH · 2005 — 2014
Струбцина, румпель и поворотный механизм лодочного мотора YAMAHA 9.9 — 15FMH · 2005 — 2014
Запчасти для ПЛМ YAMAHA 25В — 30H • 2005 — 2014
Зажигание и электрика лодочного мотора YAMAHA 25В — 30H · 2005 — 2014
Карбюратор и топливный насос лодочного мотора YAMAHA 25В — 30H · 2005 — 2014
Коленчатый вал лодочного мотора YAMAHA 25В — 30H · 2005 — 2014
Прокладки, сальники и уплотнения лодочного мотора YAMAHA 25В — 30H · 2005 — 2014
Редуктор лодочного мотора YAMAHA 25В — 30H · 2005 — 2014
Ручной стартер лодочного мотора YAMAHA 25В — 30H · 2005 — 2014
Струбцина, румпель и поворотный механизм лодочного мотора YAMAHA 25В — 30H · 2005 — 2014
Запчасти для ПЛМ YAMAHA 25ВMH · 2005 — 2014
Зажигание и электрика лодочного мотора YAMAHA 25ВMH · 2005 — 2014
Карбюратор и топливный насос лодочного мотора YAMAHA 25ВMH · 2005 — 2014
Коленчатый вал лодочного мотора YAMAHA 25ВMH · 2005 — 2014
Прокладки, сальники и уплотнения лодочного мотора YAMAHA 25ВMH · 2005 — 2014
Редуктор лодочного мотора YAMAHA 25ВMH · 2005 — 2014
Ручной стартер лодочного мотора YAMAHA 25ВMH · 2005 — 2014
Струбцина, румпель и поворотный механизм лодочного мотора YAMAHA 25ВMH · 2005 — 2014
Запчасти для ПЛМ YAMAHA 40X · 2005 — 2014
Зажигание и электрика лодочного мотора YAMAHA 40X · 2005 — 2014
Карбюратор и топливный насос лодочного мотора YAMAHA 40X · 2005 — 2014
Коленчатый вал лодочного мотора YAMAHA 40X · 2005 — 2014
Прокладки, сальники и уплотнения лодочного мотора YAMAHA 40X · 2005 — 2014
Редуктор лодочного мотора YAMAHA 40X · 2005 — 2014
Ручной стартер лодочного мотора YAMAHA 40X · 2005 — 2014
Струбцина, румпель и поворотный механизм лодочного мотора YAMAHA 40X · 2005 — 2014
Запчасти для ПЛМ YAMAHA 50H · 2005 — 2015
Зажигание и электрика лодочного мотора YAMAHA 50H · 2005 — 2015
Карбюратор и топливный насос лодочного мотора YAMAHA 50H · 2005 — 2015
Коленчатый вал лодочного мотора YAMAHA 50H · 2005 — 2015
Прокладки, сальники и уплотнения лодочного мотора YAMAHA 50H · 2005 — 2015
Редуктор лодочного мотора YAMAHA 50H · 2005 — 2015
Ручной стартер лодочного мотора YAMAHA 50H · 2005 — 2015
Струбцина, румпель и поворотный механизм лодочного мотора YAMAHA 50H · 2005 — 2015
Запчасти для ПЛМ YAMAHA 50B · 2000 — 2008
Зажигание и электрика лодочного мотора YAMAHA 50B · 2000 — 2008
Карбюратор и топливный насос лодочного мотора YAMAHA 50B · 2000 — 2008
Коленчатый вал лодочного мотора YAMAHA 50B · 2000 — 2008
Прокладки, сальники и уплотнения лодочного мотора YAMAHA 50B · 2000 — 2008
Редуктор лодочного мотора YAMAHA 50B · 2000 — 2008
Ручной стартер лодочного мотора YAMAHA 50B · 2000 — 2008
Струбцина, румпель и поворотный механизм лодочного мотора YAMAHA 50B · 2000 — 2008
Запчасти для ПЛМ YAMAHA 75CETO/90AETO · 2002 — 2013
Зажигание и электрика лодочного мотора YAMAHA 75CETO/90AETO · 2002 — 2013
Карбюратор и топливный насос лодочного мотора YAMAHA 75CETO/90AETO · 2002 — 2013
Коленчатый вал лодочного мотора YAMAHA 75CETO/90AETO · 2002 — 2013
Прокладки, сальники и уплотнения лодочного мотора YAMAHA 75CETO/90AETO · 2002 — 2013
Редуктор лодочного мотора YAMAHA 75CETO/90AETO · 2002 — 2013
Струбцина, румпель и поворотный механизм лодочного мотора YAMAHA 75CETO/90AETO · 2002 — 2013
Запчасти для ПЛМ YAMAHA 115B/140B · 2000 — 2006
Зажигание и электрика лодочного мотора YAMAHA 115B/140B · 2000 — 2006
Карбюратор и топливный насос лодочного мотора YAMAHA 115B/140B · 2000 — 2006
Коленчатый вал лодочного мотора YAMAHA 115B/140B · 2000 — 2006
Прокладки, сальники и уплотнения лодочного мотора YAMAHA 115B/140B · 2000 — 2006
Редуктор лодочного мотора YAMAHA 115B/140B · 2000 — 2006
Струбцина, румпель и поворотный механизм лодочного мотора YAMAHA 115B/140B · 2000 — 2006
Запчасти для ПЛМ YAMAHA 150FETO/200FETO · 2000 — 2006
Зажигание и электрика лодочного мотора YAMAHA 150FETO/200FETO · 2000 — 2006
Карбюратор и топливный насос лодочного мотора YAMAHA 150FETO/200FETO · 2000 — 2006
Коленчатый вал лодочного мотора YAMAHA 150FETO/200FETO · 2000 — 2006
Прокладки, сальники и уплотнения лодочного мотора YAMAHA 150FETO/200FETO · 2000 — 2006
Редуктор лодочного мотора YAMAHA 150FETO/200FETO · 2000 — 2006
Струбцина, румпель и поворотный механизм лодочного мотора YAMAHA 150FETO/200FETO · 2000 — 2006
Запчасти для подвесных лодочных моторов ZONGSHEN
Запчасти для 2-х тактного ПЛМ ZONGSHEN T2BM
ГЕНЕРАТОР 2-Х ТАКТНОГО ПЛМ ZONGSHEN T2BM
ДЕЙДВУД И РУМПЕЛЬ 2-Х ТАКТНОГО ПЛМ ZONGSHEN T2BM
КАПОТ И БАК ТОПЛИВНЫЙ 2-Х ТАКТНОГО ПЛМ ZONGSHEN T2BM
КАРБЮРАТОР 2-Х ТАКТНОГО ПЛМ ZONGSHEN T2BM
КРОНШТЕЙН 2-Х ТАКТНОГО ПЛМ ZONGSHEN T2BM
РЕДУКТОР 2-Х ТАКТНОГО ПЛМ ZONGSHEN T2BM
СТАРТЕР 2-Х ТАКТНОГО ПЛМ ZONGSHEN T2BM
ЦИЛИНДР И КАРТЕР 2-Х ТАКТНОГО ПЛМ ZONGSHEN T2BM
Запчасти для 2-х тактного ПЛМ ZONGSHEN T4BM, T5BM, T6BM
КАПОТ 2-Х ТАКТНОГО ПЛМ ZONGSHEN T4BM, T5BM, T6BM
КАРТЕР 2-Х ТАКТНОГО ПЛМ ZONGSHEN T4BM, T5BM, T6BM
КРОНШТЕЙН ПОВОРОТНЫЙ 2-Х ТАКТНОГО ПЛМ ZONGSHEN T4BM, T5BM, T6BM
РЕДУКТОР 2-Х ТАКТНОГО ПЛМ ZONGSHEN T4BM, T5BM, T6BM
Запчасти для 2-х тактного ПЛМ ZONGSHEN T9.9BM, T15BM
КАПОТ ДЛЯ 2-Х ТАКТНОГО ПЛМ ZONGSHEN T9.9BM, T15BM
КАРБЮРАТОР ДЛЯ 2-Х ТАКТНОГО ПЛМ ZONGSHEN T9.9BM, T15BM
КАРТЕР, ВАЛ КОЛЕНЧАТЫЙ ДЛЯ 2-Х ТАКТНОГО ПЛМ ZONGSHEN T9.9BM, T15BM
КРОНШТЕЙН ДЛЯ 2-Х ТАКТНОГО ПЛМ ZONGSHEN T9.9BM, T15BM
ПОДДОН, ДЕЙДВУД ДЛЯ 2-Х ТАКТНОГО ПЛМ ZONGSHEN T9.9BM, T15BM
РЕДУКТОР ДЛЯ 2-Х ТАКТНОГО ПЛМ ZONGSHEN T9.9BM, T15BM
СТАРТЕР РУЧНОЙ ДЛЯ 2-Х ТАКТНОГО ПЛМ ZONGSHEN T9.9BM, T15BM
ТОПЛИВНАЯ СИСТЕМА ДЛЯ 2-Х ТАКТНОГО ПЛМ ZONGSHEN T9.9BM, T15BM
Запчасти для 2-х тактного ПЛМ ZONGSHEN T25BM, T30BM, T25FW, T30FW
ВАЛ КОЛЕНЧАТЫЙ ДЛЯ 2-Х ТАКТНОГО ПЛМ ZONGSHEN T25BM, T30BM, T25FW, T30FW
КАРБЮРАТОР ДЛЯ 2-Х ТАКТНОГО ПЛМ ZONGSHEN T25BM, T30BM, T25FW, T30FW
КАРТЕР ДЛЯ 2-Х ТАКТНОГО ПЛМ ZONGSHEN T25BM, T30BM, T25FW, T30FW
КРОНШТЕЙН ДЛЯ 2-Х ТАКТНОГО ПЛМ ZONGSHEN T25BM, T30BM, T25FW, T30FW
РЕДУКТОР ДЛЯ 2-Х ТАКТНОГО ПЛМ ZONGSHEN T25BM, T30BM, T25FW, T30FW
РУМПЕЛЬ - КАПОТ ДЛЯ 2-Х ТАКТНОГО ПЛМ ZONGSHEN T25BM, T30BM, T25FW, T30FW
СТАРТЕР РУЧНОЙ ДЛЯ 2-Х ТАКТНОГО ПЛМ ZONGSHEN T25BM, T30BM, T25FW, T30FW
ТОПЛИВНАЯ СИСТЕМА ДЛЯ 2-Х ТАКТНОГО ПЛМ ZONGSHEN T25BM, T30BM, T25FW, T30FW
ЭЛЕКТРОСТАРТЕР ДЛЯ 2-Х ТАКТНОГО ПЛМ ZONGSHEN T25BM, T30BM, T25FW, T30FW
Общий каталог для ПЛМ Zongshen
Запчасти для подвесных лодочных моторов PROMAX
Запчасти для ПЛМ PROMAX SP5FHS_SP6.2FHS
Верхняя крышка в сборе ПЛМ PROMAX SP5FHS_SP6.2FHS
Зажимной кронштейн в сборе ПЛМ PROMAX SP5FHS_SP6.2FHS
Коленчатый вал в сборе ПЛМ PROMAX SP5FHS_SP6.2FHS
Основание в сборе ПЛМ PROMAX SP5FHS_SP6.2FHS
Рукоятка рулевого управления в сборе ПЛМ PROMAX SP5FHS_SP6.2FHS
Сборка электрической системы в сборе ПЛМ PROMAX SP5FHS_SP6.2FHS
Системный блок двигателя ПЛМ PROMAX SP5FHS_SP6.2FHS
Стартер в сборе ПЛМ PROMAX SP5FHS_SP6.2FHS
Топливный бак ПЛМ PROMAX SP5FHS_SP6.2FHS
Узел водяного устройства в сборе ПЛМ PROMAX SP5FHS_SP6.2FHS
Узел подводного устройства в сборе ПЛМ PROMAX SP5FHS_SP6.2FHS
Узел румпеля ПЛМ PROMAX SP5FHS_SP6.2FHS
Запчасти для ПЛМ PROMAX SP9.9FHS (15) EXTRA
Блок двигателя ПЛМ PROMAX SP9.9FHS (15) EXTRA
Блок системы управления ПЛМ PROMAX SP9.9FHS (15) EXTRA
Блок электрической системы ПЛМ PROMAX SP9.9FHS (15) EXTRA
Детали системы впуска воздуха и топлива ПЛМ PROMAX SP9.9FHS (15) EXTRA
Компонент поршня шатуна коленчатого вала ПЛМ PROMAX SP9.9FHS (15) EXTRA
Компоненты системы передач ПЛМ PROMAX SP9.9FHS (15) EXTRA
Крепежный кронштейн в сборе ПЛМ PROMAX SP9.9FHS (15) EXTRA
Крышка стартера в сборе ПЛМ PROMAX SP9.9FHS (15) EXTRA
Подводное устройство ПЛМ PROMAX SP9.9FHS (15) EXTRA
Сборка верхней крышки ПЛМ PROMAX SP9.9FHS (15) EXTRA
Сборка основания ПЛМ PROMAX SP9.9FHS (15) EXTRA
Сборка румпеля ПЛМ PROMAX SP9.9FHS (15) EXTRA
Запчасти для ПЛМ PROMAX SP9.9FHS LIGHT
Верхняя крышка ПЛМ PROMAX SP9.9FHS LIGHT
Динамическая система в сборе ПЛМ PROMAX SP9.9FHS LIGHT
Зажимной кронштейн ПЛМ PROMAX SP9.9FHS LIGHT
Капот стартера ПЛМ PROMAX SP9.9FHS LIGHT
Коробка передач ПЛМ PROMAX SP9.9FHS LIGHT
Кронштейн рулевого управления ПЛМ PROMAX SP9.9FHS LIGHT
Поршневой шатун коленчатого вала ПЛМ PROMAX SP9.9FHS LIGHT
Руль ПЛМ PROMAX SP9.9FHS LIGHT
Румпель ПЛМ PROMAX SP9.9FHS LIGHT
Сборка водного устройства ПЛМ PROMAX SP9.9FHS LIGHT
Сборка основания ПЛМ PROMAX SP9.9FHS LIGHT
Сборка подводного устройства 1 ПЛМ PROMAX SP9.9FHS LIGHT
Сборка подводного устройства 2 ПЛМ PROMAX SP9.9FHS LIGHT
Система управления ПЛМ PROMAX SP9.9FHS LIGHT
Электороника ПЛМ PROMAX SP9.9FHS LIGHT
Запчасти для лодок и катеров
Запчасти для садовой техники
Шины и диски
Запчасти для мотобуксировщиков
Генератор 2-Х ТАКТНОГО ПЛМ TITAN TP40AMHS
Двигатель 2-Х ТАКТНОГО ПЛМ TITAN TP40AMHS
Дейдвуд 2-Х ТАКТНОГО ПЛМ TITAN TP40AMHS
Капот 2-Х ТАКТНОГО ПЛМ TITAN TP40AMHS
Карбюратор 2-Х ТАКТНОГО ПЛМ TITAN TP40AMHS
Клапана 2-Х ТАКТНОГО ПЛМ TITAN TP40AMHS
Коленвал и поршень 2-Х ТАКТНОГО ПЛМ TITAN TP40AMHS
Корпус редуктора 2-Х ТАКТНОГО ПЛМ TITAN TP40AMHS
Кронштейн 2-Х ТАКТНОГО ПЛМ TITAN TP40AMHS
Машинка газ-реверс 2-Х ТАКТНОГО ПЛМ TITAN TP40AMHS
Поддон 2-Х ТАКТНОГО ПЛМ TITAN TP40AMHS
Редуктор 2-Х ТАКТНОГО ПЛМ TITAN TP40AMHS
Рулевая тяга 2-Х ТАКТНОГО ПЛМ TITAN TP40AMHS
Румпель 2-Х ТАКТНОГО ПЛМ TITAN TP40AMHS
Система управления 2-Х ТАКТНОГО ПЛМ TITAN TP40AMHS
Стартер 2-Х ТАКТНОГО ПЛМ TITAN TP40AMHS
Струбцина 2-Х ТАКТНОГО ПЛМ TITAN TP40AMHS
Топливная система 2-Х ТАКТНОГО ПЛМ TITAN TP40AMHS
Топливный бак 2-Х ТАКТНОГО ПЛМ TITAN TP40AMHS
Электросистема (часть 1) 2-Х ТАКТНОГО ПЛМ TITAN TP40AMHS
Электросистема (часть 2) 2-Х ТАКТНОГО ПЛМ TITAN TP40AMHS
Электросистема (часть 3) 2-Х ТАКТНОГО ПЛМ TITAN TP40AMHS