Маркетплейс для
активного отдыха
Каталог товаров

Запчасти

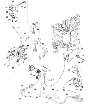
Электрические компоненты 4-Х ТАКТНОГО ПЛМ MERCURY F15 Серийный номер от 1B227000 до 1B727495

Картинка

Нужна помощь менеджера?

Обратиться за помощью
Артикул Фото Наименование Кол-во деталей в узле Примечание Наличие Цена Аналоги
Сортировать:
По номеру
  • По номеру
  • По артикулу
  • По названию
  • По цене
Артикул Фото Наименование Кол-во деталей в узле Примечание Наличие Цена Аналоги
1 1. Арт - 879783A01 POWERHEAD ASSEMBLY POWERHEAD ASSEMBLY Кол-во деталей в узле: 1 1 Под заказ

Уточнить цену

Купить
2 2. Арт - 802733A98 POWERHEAD ASSEMBLY POWERHEAD ASSEMBLY Кол-во деталей в узле: 1 1 Под заказ

Уточнить цену

Купить
3 3. Арт - 835403T BRACKET BRACKET Кол-во деталей в узле: 1 1 Под заказ

Уточнить цену

Купить
4 4. Арт - 835403T1 BRACKET BRACKET Кол-во деталей в узле: 1 1 Под заказ

Уточнить цену

Купить
5 5. Арт - 811188T BOLT BOLT Кол-во деталей в узле: 2 2 Под заказ

Уточнить цену

Купить
6 6. Арт - 855686 CLAMP CLAMP Кол-во деталей в узле: 2 2 Под заказ

Уточнить цену

Купить
7 7. Арт - 855810 BOLT (M6 X 20) BOLT (M6 X 20) Кол-во деталей в узле: 3 3 Под заказ

Уточнить цену

Купить
8 8. Арт - 855811 WASHER WASHER Кол-во деталей в узле: 1 1 Под заказ

Уточнить цену

Купить
9 9. Арт - 854650T2 Регулятор напряжения (RECTIFIER/REGULATOR) Регулятор напряжения (RECTIFIER/REGULATOR) Кол-во деталей в узле: 1 1 Под заказ

Уточнить цену

Купить
10 10. Арт - 8M0098898 Соленоид стартера (SOLENOID-STARTER) Соленоид стартера (SOLENOID-STARTER) Кол-во деталей в узле: 1 1 Под заказ

Уточнить цену

Купить
11 11. Арт - 13540 Пластинка (CAP) Пластинка (CAP) Кол-во деталей в узле: 1 1 Под заказ

Уточнить цену

Купить
12 12. Арт - 11149A43 CABLE ASSEMBLY CABLE ASSEMBLY Кол-во деталей в узле: 1 1 Под заказ

Уточнить цену

Купить
13 13. Арт - 8248326 Болт (SCREW) Болт (SCREW) Кол-во деталей в узле: 1 1 Под заказ

Уточнить цену

Купить
14 14. Арт - 824372A1 CABLE CABLE Кол-во деталей в узле: 1 1 Под заказ

Уточнить цену

Купить
15 15. Арт - 827205 WASHER WASHER Кол-во деталей в узле: 2 2 Под заказ

Уточнить цену

Купить
16 16. Арт - 827204 NUT NUT Кол-во деталей в узле: 2 2 Под заказ

Уточнить цену

Купить
17 17. Арт - 95643M *** Крепление соленоида (BRACKET) Крепление соленоида (BRACKET) Кол-во деталей в узле: 1 1 Под заказ

Уточнить цену

Купить
18 18. Арт - 84058M Болт М6х20 (BOLT) Болт М6х20 (BOLT) Кол-во деталей в узле: 4 4 Под заказ

Уточнить цену

Купить
19 19. Арт - 855742 WIRE ASSEMBLY WIRE ASSEMBLY Кол-во деталей в узле: 1 1 Под заказ

Уточнить цену

Купить
20 20. Арт - 859451A1 HARNESS ASSEMBLY, Fuse HARNESS ASSEMBLY, Fuse Кол-во деталей в узле: 1 1 Под заказ

Уточнить цену

Купить
21 21. Арт - 859312T1 HARNESS ASSEMBLY, Engine Wiring HARNESS ASSEMBLY, Engine Wiring Кол-во деталей в узле: 1 1 Под заказ

Уточнить цену

Купить
22 22. Арт - 29245 Шайба (WASHER @10) Шайба (WASHER @10) Кол-во деталей в узле: 1 1 Под заказ

Уточнить цену

Купить
23 23. Арт - 88439A29 BATTERY CABLE BATTERY CABLE Кол-во деталей в узле: 1 1 Под заказ

Уточнить цену

Купить
24 24. Арт - 812619 Предохранитель 20А (FUSE-YELLOW-20AMP) Предохранитель 20А (FUSE-YELLOW-20AMP) Кол-во деталей в узле: 1 1 Под заказ

Уточнить цену

Купить
25 25. Арт - 828054 Корпус предохранителя (COVER, Fuse) Корпус предохранителя (COVER, Fuse) Кол-во деталей в узле: 1 1 Под заказ

Уточнить цену

Купить
26 26. Арт - 88439A30 BATTERY CABLE BATTERY CABLE Кол-во деталей в узле: 1 1 Под заказ

Уточнить цену

Купить
27 27. Арт - 82130012 SCREW, (M6 x 12) SCREW, (M6 x 12) Кол-во деталей в узле: 1 1 Под заказ

Уточнить цену

Купить
28 28. Арт - 824912A6 CABLE (MANUAL) CABLE (MANUAL) Кол-во деталей в узле: 1 1 Под заказ

Уточнить цену

Купить
29 29. Арт - 835401T1 Коммутатор (CDI UNIT) Коммутатор (CDI UNIT) Кол-во деталей в узле: 1 1 Под заказ

Уточнить цену

Купить
30 30. Арт - 855685T Катушка зажигания F9.9 (COIL ASY-IGNITION) Катушка зажигания F9.9 (COIL ASY-IGNITION) Кол-во деталей в узле: 1 1 Под заказ

Уточнить цену

Купить
31 31. Арт - 825102A1 Бронепровод (BOOT) Бронепровод (BOOT) Кол-во деталей в узле: 2 2 Под заказ

Уточнить цену

Купить
32 32. Арт - 82069M GROMMET GROMMET Кол-во деталей в узле: 2 2 Под заказ

Уточнить цену

Купить
33 33. Арт - 853524 OIL PRESSURE SWITCH OIL PRESSURE SWITCH Кол-во деталей в узле: 1 1 Под заказ

Уточнить цену

Купить
34 34. Арт - 92753 Держатель (RETAINER) Держатель (RETAINER) Кол-во деталей в узле: 1 1 Под заказ

Уточнить цену

Купить
35 35. Арт - 94330 Болт (NUT) Болт (NUT) Кол-во деталей в узле: 1 1 Под заказ

Уточнить цену

Купить
36 36. Арт - 853537 LEAD WIRE LEAD WIRE Кол-во деталей в узле: 1 1 Под заказ

Уточнить цену

Купить
37 37. Арт - 835406 RECTIFIER/REGULATOR RECTIFIER/REGULATOR Кол-во деталей в узле: 1 1 Под заказ

Уточнить цену

Купить
38 38. Арт - 853598T SOLENOID ASSEMBLY SOLENOID ASSEMBLY Кол-во деталей в узле: 1 1 Под заказ

Уточнить цену

Купить
39 39. Арт - 853599T BRACKET BRACKET Кол-во деталей в узле: 1 1 Под заказ

Уточнить цену

Купить
40 40. Арт - 852473 COLLAR COLLAR Кол-во деталей в узле: 4 4 Под заказ

Уточнить цену

Купить
41 41. Арт - 853601 HOOK HOOK Кол-во деталей в узле: 1 1 Под заказ

Уточнить цену

Купить
42 42. Арт - 400212 Гайка (NUT) Гайка (NUT) Кол-во деталей в узле: 2 2 Под заказ

Уточнить цену

Купить
43 43. Арт - 855739 SCREW (M5 x 8) SCREW (M5 x 8) Кол-во деталей в узле: 2 2 Под заказ

Уточнить цену

Купить
44 44. Арт - 91782M GROMMET GROMMET Кол-во деталей в узле: 1 1 Под заказ

Уточнить цену

Купить
45 45. Арт - 82258M O-RING O-RING Кол-во деталей в узле: 1 1 Под заказ

Уточнить цену

Купить
46 46. Арт - 97687M GROMMET GROMMET Кол-во деталей в узле: 4 4 Под заказ

Уточнить цену

Купить
47 47. Арт - 13541 Заглушка (PLUG, Male) Заглушка (PLUG, Male) Кол-во деталей в узле: 1 1 Под заказ

Уточнить цену

Купить