Маркетплейс для
активного отдыха
Каталог товаров

Запчасти

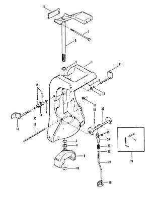
Поворотный кронштейн и блокировка обратного вращения 2-Х ТАКТНОГО ПЛМ MERCURY 50EO Серийный номер от 7208333 до 0A721307

Картинка

Нужна помощь менеджера?

Обратиться за помощью
Артикул Фото Наименование Кол-во деталей в узле Примечание Наличие Цена Аналоги
Сортировать:
По номеру
  • По номеру
  • По артикулу
  • По названию
  • По цене
Артикул Фото Наименование Кол-во деталей в узле Примечание Наличие Цена Аналоги
1 1. Арт - 88449A32 GASKET SET GASKET SET Кол-во деталей в узле: 1 1 Под заказ

Уточнить цену

Купить
2 2. Арт - 627021 Уплотнительное кольцо (O RING) Уплотнительное кольцо (O RING) Кол-во деталей в узле: 2 2 Под заказ

Уточнить цену

Купить
3 3. Арт - 8599A6 SWIVEL BRACKET (LONG SHAFT) SWIVEL BRACKET (LONG SHAFT) Кол-во деталей в узле: 1 1 Под заказ

Уточнить цену

Купить
4 4. Арт - 8597A4 SWIVEL BRACKET (SHORT SHAFT) SWIVEL BRACKET (SHORT SHAFT) Кол-во деталей в узле: 1 1 Под заказ

Уточнить цену

Купить
5 5. Арт - 32911 Сальник Сальник Кол-во деталей в узле: 2 2 Под заказ

Уточнить цену

Купить
6 6. Арт - 22734 OIL SEAL, SWIVEL BRACKET OIL SEAL, SWIVEL BRACKET Кол-во деталей в узле: 2 2 Под заказ

Уточнить цену

Купить
7 7. Арт - 69540A4 SWIVEL PIN ASSEMBLY (LONG SHAFT ) - ELECTRIC SWIVEL PIN ASSEMBLY (LONG SHAFT ) - ELECTRIC Кол-во деталей в узле: 1 1 Под заказ

Уточнить цену

Купить
8 8. Арт - 69540A3 SWIVEL PIN ASSEMLBY (SHORT SHAFT) - ELECTRIC SWIVEL PIN ASSEMLBY (SHORT SHAFT) - ELECTRIC Кол-во деталей в узле: 1 1 Под заказ

Уточнить цену

Купить
9 9. Арт - 30711 BUMPER, STEERING ARM BUMPER, STEERING ARM Кол-во деталей в узле: 1 1 Под заказ

Уточнить цену

Купить
10 10. Арт - 74036 Смазочный фиттинг (GREASE FITTING - EARLY STYLE) Смазочный фиттинг (GREASE FITTING - EARLY STYLE) Кол-во деталей в узле: 4 4 Под заказ

Уточнить цену

Купить
11 11. Арт - 82670911 NUT, (.312-24) NUT, (.312-24) Кол-во деталей в узле: 1 1 Под заказ

Уточнить цену

Купить
12 12. Арт - 66897 BOLT, UPPER MOUNT TO SWIVEL PIN (5-1/4") BOLT, UPPER MOUNT TO SWIVEL PIN (5-1/4") Кол-во деталей в узле: 2 2 Под заказ

Уточнить цену

Купить
13 13. Арт - 25176 WASHER, SWIVEL PIN TO BOTTOM YOKE (.060) WASHER, SWIVEL PIN TO BOTTOM YOKE (.060) Кол-во деталей в узле: 1 1 Под заказ

Уточнить цену

Купить
14 14. Арт - 44297 SPRING, PUSH ROD - LATER MODELS SPRING, PUSH ROD - LATER MODELS Кол-во деталей в узле: 1 1 Под заказ

Уточнить цену

Купить
15 15. Арт - 77416T1 YOKE-BOTTOM-BLACK YOKE-BOTTOM-BLACK Кол-во деталей в узле: 1 1 Под заказ

Уточнить цену

Купить
16 16. Арт - 77415 Стопор (RETIANING RING, BOTTOM YOKE) Стопор (RETIANING RING, BOTTOM YOKE) Кол-во деталей в узле: 1 1 Под заказ

Уточнить цену

Купить
17 17. Арт - 89105 TILT LOCK, STARBOARD/PORT TILT LOCK, STARBOARD/PORT Кол-во деталей в узле: 2 2 Под заказ

Уточнить цену

Купить
18 18. Арт - 79659 COUPLING, TILT LOCK COUPLING, TILT LOCK Кол-во деталей в узле: 1 1 Под заказ

Уточнить цену

Купить
19 19. Арт - 45882 COTTER PIN, REVERSE LOCK TO SHAFT COTTER PIN, REVERSE LOCK TO SHAFT Кол-во деталей в узле: 1 1 Под заказ

Уточнить цену

Купить
20 20. Арт - 69132 BUSHING, RVERSE PIVOT SHAFT BUSHING, RVERSE PIVOT SHAFT Кол-во деталей в узле: 2 2 Под заказ

Уточнить цену

Купить
21 21. Арт - 56349 SHAFT, REVERSE LOCK PIVOT SHAFT, REVERSE LOCK PIVOT Кол-во деталей в узле: 1 1 Под заказ

Уточнить цену

Купить
22 22. Арт - 47959 Шплинт (COTTER PIN, TILT LOCK TUBE) Шплинт (COTTER PIN, TILT LOCK TUBE) Кол-во деталей в узле: 2 2 Под заказ

Уточнить цену

Купить
23 23. Арт - 78203A2 SPRING, REVERSE LOCK TENSION SPRING, REVERSE LOCK TENSION Кол-во деталей в узле: 1 1 Под заказ

Уточнить цену

Купить
24 24. Арт - 14664A3 REVERESE LOCK REVERESE LOCK Кол-во деталей в узле: 1 1 Под заказ

Уточнить цену

Купить
25 25. Арт - 43416 PUSH ROD, REVERSE LOCK (LONG SHAFT) PUSH ROD, REVERSE LOCK (LONG SHAFT) Кол-во деталей в узле: 1 1 Под заказ

Уточнить цену

Купить
26 26. Арт - 43415 PUSH ROD, REVERSE LOCK (SHORT SHAFT) PUSH ROD, REVERSE LOCK (SHORT SHAFT) Кол-во деталей в узле: 1 1 Под заказ

Уточнить цену

Купить
27 27. Арт - 89813 ROD END, PUSH ROD ROD END, PUSH ROD Кол-во деталей в узле: 1 1 Под заказ

Уточнить цену

Купить
28 28. Арт - 933361 Направляющая (GUIDE-SHIFT SHAFT (AN ASSEMBLY AIDE) Направляющая (GUIDE-SHIFT SHAFT (AN ASSEMBLY AIDE) Кол-во деталей в узле: 1 1 Под заказ

Уточнить цену

Купить
29 29. Арт - 8M0042642 WASHER @5 WASHER @5 Кол-во деталей в узле: 1 1 Под заказ

Уточнить цену

Купить